1과목: 디지털 전자회로
1. 디지털 클럭 발진회로에서 출력에 tHigh = 4[㎲]이고, tlow = 6[㎲]인 구형파를 얻었을 때 듀티 사이클은?
2. 다음 TR의 접속방식 중 틀린 것은?
3. 35 Bit의 두 2진수를 병렬가산하기 위해서는 최소한 몇개의 반가산기와 전가산기가 필요한가?
4. 그림의 복수 에미터 트랜지스터가 이루는 논리게이트는?
5. 이상적인 연산증폭기의 조건으로서 옳지 않은 것은?
6. 다음 OP Amp 회로의 전압증폭도 Av 값은?
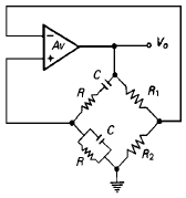
7. 차동 증폭기의 동상제거비(common mode rejection ratio)의 설명 중 틀린 것은?
8. 그림과 같은 직선 검파회로에서 diagonal clipping이 생기는 이유로서 옳은 것은? (단, ma는 변조지수, Ws는 변조신호의 각주파수)
9. 포스터 실리(Foster-Seeley)회로의 사용 목적은?
10. 그림과 같은 슬라이스(slice) 회로의 출력파형은? (단, 입력은 E sin ω t[V]이다.)




11. 그림의 논리회로를 간소화 하였을 때 출력 X는?


12. 논리식
을 간단히 하면?
13. 변환하고자 하는 입력전압은 0[V]에서 15[V]일 때, 몇 BIT의 A/D변환기를 사용해야하는 것이 가장 좋은가? (단, 분해능은 3.66[mV] 이다.)
14. Exclusive-OR 게이트의 입력 A, B, C에 대한 출력 진리값 중 틀린 것은? (단, F = A ⊕ B ⊕ C )
15. 그림의 정전압회로에서 V가 25∼28[V]의 범위에서 변동한다. zener diode 전류ID의 변화는? (단, RL=1[kΩ ], V=28[V], VL=20[V]이다.)
16. 그림과 같은 발진회로의 발진 주파수는?




17. 10진수의 4에 해당하는 4비트 그레이 코드(gray code)는 다음 중 어느 것인가?
18. 증폭기의 전압이득이 증가할 때 대역폭은?
19. 주파수 변조에서 S/N 비를 개선하기 위한 방법으로 적당치 않은 것은?
20. 아날로그-디지탈 변환에 유효하게 사용되는 코드는?
2과목: 무선통신 기기
21. 다음은 Ring 변조기의 동작원리를 설명한 것이다. 잘못 표현된 것은?
22. AM 방송국은 보통 540KHz에서 1600KHz의 주파수범위를 사용하고 있으며 대역폭은 10KHz이다. AM 라디오 수신기의 RF필터의 최소 대역폭은 얼마인가?
23. 다음중 통신위성체의 TT&C 시스템에서 행하는 일과 거리가 먼 것은?
24. 스펙트럼 분석기로 각종 발진기를 측정하였을 때 가장 이상적인 발진기의 상태는?
25. PM을 등가 FM으로 만들기 위하여 사용되는 회로는?
26. SAW(Surface Acoustic Wave)필터의 장점이 아닌 것은?
27. 아래의 회로에서 출력전압의 변동분을 분담하여 보상한 소자는?
28. 초단파대 범위의 FM송신기 전력측정에 가장 적당한 것은?
29. 아래의 회로는 포스터-실리(Foster-Seeley) 검파기이다. 회로의 구성상태 중 잘못 설명한 것은?
30. 무선 통신용 송신기에서 입력신호를 변조(Modulation)하는 가장 타당한 이유는?
31. CDMA통신에 대한 설명중 가장 옳은 것은?
32. 무선송신기의 송신주파수 변동을 줄이기 위한 대책이 아닌 것은?
33. 디지털 무선통신방식에서 클럭추출의 간이화 및 스펙트럼의 평활화를 위해 필요한 기능은?
34. 그림은 전원 정류회로의 리플(ripple)함유율을 측정하는 회로이다. 저항 R을 조정하여 전류계의 지시가 정격전류가 되었을 때 전압계 V1과 V2의 지시값이 120[V] 및 6[V]라면 리플 함유율은 얼마인가?
35. DBS(Direct Broadcasting Satellite)에 대한 설명중 틀린것은?
36. 레이더에서 발사된 펄스 전파가 8[㎲]후에 목표물에서 반사되어 되돌아 왔다. 목표물까지의 거리는?
37. 기전력 2V, 내부저항 0.1Ω 인 전지가 100개 있다. 이 전지를 전부사용하여 2.5Ω 의 부하저항에 최대 전류를 흘리기 위한 전지의 접속 방법은?
38. 스퓨리어스(Spurious)복사의 방지방법이 아닌 것은?
39. 슈퍼 헤테로다인 수신기의 중간 주파수(IF)를 선정할 때 고려되는 사항으로 틀린 것은?
40. 다음중 통신위성의 원리와 거리가 먼 것은?
3과목: 안테나 공학
41. 다음중 무손실 선로에서 얻어지는 조건은?
42. HF대를 이용한 장거리 통신에 가장 적합한 전파 방식은?
43. 다음 동조급전선에 관한 설명중 적당하지 않은 것은?
44. 다음 안테나 중에서 가장 광대역 특성을 갖는 것은 어느것인가?
45. 대류권 산란파의 특징 중 잘못된 것은?
46. 지상 높이가 같은 역 L형 안테나와 수직 안테나를 비교하면 역 L형 안테나 쪽이 실효고가 높은데 그 이유는?
47. 다음 중 공전(空電)의 특징이 아닌 것은?
48. 다음 안테나 중에서 자기상사형이 아닌 것은?
49. 마이크로웨이브(microwave) 통신의 장점이 아닌 것은?
50. 전파의 속도는 매질의 다음 어느 량에 따라서 변화되는가?
51. 파라볼라 안테나의 절대이득을 계산하는 식은? (η : 개구 효율, D : 파라볼라의 직경, λ : 파장)
52. 3개의 도체를 사용하여 3단의 폴디드(folded) 안테나를 구성할 경우 복사저항은 얼마인가?
53. 주파수 30[㎒],전계강도 40[㎷/m]인 전파를 λ /4 수직 접지 안테나로 수신했을 때 안테나에 유기되는 기전력은? (단, 대지는 완전도체로 가정한다.)
54.
수직 접지 안테나의 길이(ℓ)가
일 때 무엇을 삽입하여 안테나를 공진시키는가?
55. 안테나를 설계할 때 반사기를 붙이는 이유는?
56. 반파장 다이폴 안테나의 지향성 계수는?
cosθ)/sinθ57. 대기의 작은 기단군(氣團群), 난류 등에 의해 초가시거리 전파에서 가장 심하게 수반하는 페이딩(fading)은?
58. 동축급전선을 개방하고 임피던스를 측정하였을 때 100[Ω]이고, 단락 했을 때의 임피던스가 25[Ω]라면 이 급전선의 특성임피던스는 얼마인가?
59. 도파관 창(Waveguide Window)은 무슨 기능을 하는가?
60. 접지 안테나의 복사저항이 36.6[Ω]이고 접지저항이 4.4[Ω]이며 그외의 손실저항이 10[Ω]이다. 이 안테나의 효율은?
4과목: 무선통신 시스템
61. 마이크로 웨이브 링크에서 전방향 송신빔을 간섭으로부터 격리 또는 보호하기 위해 통상 중계기 안테나의 전후방비(Front-to-back Ratio)는 다음 어느 것이 적합한가?
62. CDMA 이동통신 시스템의 기본 구성 중 이동국에서 발신한 무선신호를 무선채널로 수신하는 기능을 하는 것은?
63. 열잡음(thermal noise)에 관해서 k를 볼츠만 상수, T를 절대온도, R을 저항치, B를 대역폭이라고 하면 평균열잡 음전압은?
64. 위성통신방식에서 통신가능한 지구상의 통신거리(L)은 어떻게 표시되는가? (단, R : 지구반경, h : 위성의 고도, θ : 안테나의 최저 양각, β : 커버리지의 중심각)
65. 다음은 어떤 확산대역통신 방식을 설명한 것인가?
66. 비검파의 출력전압은 포스터실리(foster - seeley) 검파에 비해 어느 정도인가?



67. 위성통신에서 정지위성궤도에 대한 설명 중 틀린 것은?
68. 위성지구국의 고출력 송신기(HPA)로 쓰이는 TWT의 정상운용에 관한 설명 중 적절하지 않은 것은?
69. 두 지점간에 M/W 전파경로를 구성할 때 경로상에서 반사파가 발생할 경우 이에 대한 대책중 가장 적합하지 못한 것은?
70. 이동전화 시스템에서 핸드 오버를 결정하는 직접적인 요소가 아닌 것은?
71. 섹터간 전파가 겹치는 지역에서 통화가 이루어지면 한 기지국의 두 섹터를 통해 통화가 이루어지게 되는데 이러한 핸드오프는?
72. 우리나라의 CDMA방식 셀룰러 이동전화에서 섹터당 채널수는?
73. 다음 중 무선통신의 특징이 아닌 것은?
74. DARC와 관계가 먼 것은?
75. 무선통신의 주파수특성에 관한 설명으로 가장 적합한 것은?
76. 자유공간의 고유 임피이던스값 중에 잘못된 것은?


77. 이동위성통신 시스템(Satellite Mobile System)에 해당되지 않는 것은?
78. 통신신호레벨이 8[dBm]인 출력을 60CH의 각 회선에 등분 하여 송출하면 1회선당 몇[㏈m]의 신호레벨이 되는가?
79. AM 송신기의 고조파 왜곡을 감소시키는 방법으로 가장 적당한 것은?
80. 무선중계소에서 사용하는 무선장비 중 페이드마진(fade margin)이 클수록 장비의 안정도는 어떻게 변화하는가?
5과목: 전자계산기 일반 및 무선설비기준
81. 다음의 송신설비 중 규격전력(PR)으로 표시하지 아니하는 것은?
82. 무선설비의 안전시설기준에 의한 고압전기는?
83. 주기억장치의 액세스시간을 등가적으로 감소시키기 위해서 주기억장치와는 별도로 설치한 소용량의 고속기억장치는?
84. 다음 중 음수를 표현하는데 사용하는 방법이 아닌 것은?
85. 다음 중에서 순서도(flowchart)의 역할이 아닌 것은?
86. 정보를 나타내는 부호에 여분으로 한 자리를 추가하여 사용하는 검출용 비트는?
87. 이동헤드디스크(moving head disk) 장치의 데이터 전송 연산시간 중에서 가장 큰 비중을 차지하는 것은?
88. 다음 중 공중선계의 충족조건에 해당되지 않는 것은?
89. 레이저 프린터(Laser printer)의 특징에 대한 설명으로 적당하지 않은 것은?
90. 다음 중 자기 보수 코드(Self complement code)에 해당되는 것은?
91. 다음 중 정보통신기기 인증규칙에 적용되지 않는 것은?
92. 다음중 스퓨리어스발사 기준을 적용 받지 않는 경우는?
93. CPU에서 4개의 사이클이 반복하는 동작 중에 발생하지 않는 사이클은?
94. 다음 중 전파형식별 공중선전력의 표시로서 잘못 연결된 것은?
95. 교착 상태(Deadlock)의 발생조건이 아닌 것은?
96. 주파수할당에 관한 용어의 정의가 옳게 설명된 것은?
97. 무선설비규칙에서 사용하는 용어의 정의가 틀린 것은?
98. 다음 중 전자파적합등록을 해야 하는 기기는?
99. 전파연구소장은 특별한 사유가 없는 한 전자파 적합등록 신청서를 받은 날부터 며칠 이내에 처리하여야 하는가?
100. 다음 중 컴퓨터에서 뺄셈 연산을 수행할 시 주로 사용되는 것은 어느 것인가?