1과목: 디지털 전자회로
1. 그림과 같은 AM 변조회로는 어떤 변조방식인가?
2. 다음 병렬공진회로에서 공진 주파수 fo의 관계식으로 옳은 것은?




3. 다음 회로의 발진기는?
4. 다음 중 그림의 바이어스 회로에서 안정도(Stability)를 좋게 하려면 어떻게 하여야 하는가?
5. 다음 중 환형 계수기(ring counter)와 같은 기능을 갖는 것은?
6. 2n개의 입력신호 중 1개를 선택하여 출력하는 기능을 갖는 것은?
7. 다음 그림의 회로는?
8. 부퀘환회로 사용시 얻을 수 있는 내용이 아닌 것은?
9. 다음 중 두 입력이 같을 때에만 1을 출력하는 게이트는?
10. 그림에 표시한 회로에서 출력정압 VO는 입력전압 VS와 어떤 관계가 있는가?
11. 다음 카르노(Karnaugh)도의 논리식은?(오류 신고가 접수된 문제입니다. 반드시 정답과 해설을 확인하시기 바랍니다.)




12. 저주파 증폭기의 출력에서 기본파 전압 성분이 50[V], 제 2 고조파 전압 성분이 4[V], 제3고조파 전압 성분이 3[V]일 경우 이 증폭기의 왜율은?
13. 다음 중 평형변조 회로를 사용하는 주 목적은?
14. 개루프 전압이득이 40[dB]인 저주파 증폭기에서 비직선 일그러짐이 10[%]일 때, 이것을 1[%]로 개선하기 위한 전압궤환율 β는?
15. 다음과 같은 회로의 출력 임피던스는 약 얼마인가?(단, rd=10[kΩ], μ=50, Rd=Rs=1[kΩ])
16. 다음 논리회로의 논리식이 옳은 것은?(단, 정논리이다.)
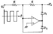
17. 다음 회로에서 그림과 같은 입력에 대해 출력파형은? (단, 다이오드 D1, D2와 연산증폭기는 이상적이다.)




18. 다음 NAND 게이트로 구성된 논리회로의 입력(A, B)에 대한 출력(Y)은?



19. A급 증폭기에서 입력신호전압이 정현파일 때 출력전력은?
20. 그림의 연산증폭기의 전달함수 G(s) = (
)는?




2과목: 무선통신 기기
21. PLL(Phase Locked Loop)에 대한 설명 중 적합하지 않은 것은?
22. 선박용 무선송신기의 안테나 결활회로는 주로 π형 결합회로를 쓴다. 이의 설치 목적으로 가장 적합한 것은?
23. GPS에 대한 설명 중 가장 적합하지 않은 것은?
24. FM 수신기의 진폭제한 방법으로 적합하지 않은 것은?
25. 음성의 기저대역 4[KHz]를 16[KHz]로 표본화하고 8비트로 부호화 해서 16진 QAM으로 전송하는 시스템에 대한 설명으로 적합하지 않은 것은?
26. M진 PSK에서 반송파 위상간의 위상차는? (단, 위상 간격은 등간격이다)




27. 무선 수신기에서 잡음을 줄이는 방법에 대한 설명으로 적합하지 않은 것은?
+...로 주어짐으로 초단에 저잡음 증폭기를 사용한다.28. 무선송신 시스템에서 변조를 하는 이유로 적합하지 않은 것은?
29. 다음 중 정류회로에서 출력 전압의 변동 원인이 아닌 것은?
30. 발진기의 주파수 안정도에 영향을 미치는 원인과 가장 거리가 먼 것은?
31. QPSK 변조방식의 대역폭 효율은 몇 [bps/Hz] 인가?
32. 펄스폭이 2[㎲] 인 레이더의 최소탐지거리는 몇 [m] 인가?
33. 3단으로 구성된 회로에서 첫째 단은 -4[dB] 감쇠, 둘째 단은 8[dB] 이득, 셋째 단은 6[dB] 이득이 있을 때, 이 회로의 출력전력은 입력전력에 비해 몇 배 증가하는가?
34. 슈퍼헤테로다인 수신기에서 중간주파수를 높게 할수록 특성이 나빠지는 것은?
35. 전계강도 측정기로 전계강도를 측정할 경우에 발생하기 쉬운 오차에 해당하지 않는 것은?
36. 레이더용 전파로 펄스파를 사용하는 목적으로 적합하지 않은 것은?
37. 주로 동조회로의 동조특성과 증폭회로의 주파수 특성에 의해서 결정되는 수신기의 성능은?
38. 주파수 체배에 대한 설명 중 가장 적합하지 않은 것은?
39. 수신기에서 통과대역 외에 있는 강력한 방해파가 도래될 때 희망파가 방해파의 신호에 의하여 변조방해를 받는 현상은?
40. 다음 중 SSB용 BPF가 갖추어야 하는 조건으로 적합하지 않은 것은?
3과목: 안테나 공학
41. 다음 중 단파통신에서 나타나는 Dead Zone에 대한 설명으로 가장 적합한 것은?
42. TV 송신 안테나로 많이 사용하는 슈퍼턴스타일 안테나의 이득을 놓이는 방법으로 가장 적합한 것은?
43. 다음 중 MUF(최고사용주파수)를 결정하는 요소에 해당하지않는 것은?
44. 반파장 다이폴 안테나와 비교한 폴디드 안테나에 대한 설명으로 적합하지 않은 것은?
45. 다음 중 도파관의 임피던스 정합 방법으로 적합하지 않은 것은?
46. 다음 중 전리층 전파에서 생기는 현상과 가장 관련이 적은 것은?
47. 주파수 1500[KHz]에 사용할 수 있는
수 직접지 안테나의 실효높이는 약 몇 [m] 인가?
48. 다음 중 Radio window의 범위를 결정하는 주요 요소에 해당하지 않는 것은?
49. 구형 도파관의 가로가 4[cm], 세로가 2.5[cm]일 때 TM11모드의 전자파에 대한 차단 파장은 약 몇 [cm] 인가?
50. 특성 임피던스가 75[Ω]인 급전선에 복사 임피던스가 105 + j45[Ω] 인 안테나를 연결하였다. 급전선 상의 전압 정재파비의 크기는 약 얼마인가?
51. 모든 방향성으로 균일하게 전파를 복사하는 안테나은?
52. 안테나가 광대역성을 갖도록 하는 일반적인 방법으로 적합하지 않은 것은?
53. 극초단파 이상에서 사용되는 파라볼라 안테나에 대한 설명으로 적합하지 않은 것은?
54. 다음 중 전파의 손실을 예측하는 것과 가장 관계가 적은 것은?
55. Corner reflector 안테나에 대한 설명으로 가장 적합하지 않은 것은?
가 되고, 반치각은 약 60도이다.56. 다음 중 안테나의 등가잡음온도에 대한 설명으로 적합하지 않은 것은?
57. 수평 반파장 다이폴 안테나를 만들어 20[MHz]인 전파를 발사하고자 할 때 안테나의 한쪽(급전점을 중심으로 좌측 또는 우측) 길이는 약 몇 [m]로 하면 좋겠는가? (단, 단축률은 5[%]로 한다.)
58. 반치각이란 주엽의 최대 복사 강도(방향)에 대해 몇 [db]가 되는 두 방향 사이의 각을 말하는가?
59. 마크로스트립 안테나의 장ㆍ단점에 대한 설명으로 적합하지 않은 것은?
60. 안테나의 실효정수가 Re, Le, Ce라 할 때 안테나의 Q에 해당하지 않는 것은? (단, Re: 실효저항, ㅣe: 실효인덕턴스, Ce: 실효용량)



4과목: 무선통신 시스템
61. 무선 근거리통신망의 ISM 대역에 대한 설명으로 적합하지 않은 것은?
62. 마이크로파 통신계에서 송신출력이 30[dbm], 송ㆍ수신 공중선 이득이 각각 32[dB], 수신기 입력레벨이 -21[dBm]일 때 자유공간 손실은 몇 [dB] 인가?
63. CDMA 방식의 이동통신시스템에서 발생하는 Near/Far 문제를 해결하기 위한 방법으로 가장 적합한 것은?
64. 이동전화시스템 수신기에서 다음 중 성능이 가장 우수한 방식은?
65. 이동통신시스템의 디지털화의 목적으로 가장 중요한 것은?
66. 마이크로파 통신망 치국계획을 수립할 때 고려사항으로 가장 거리가 먼 것은?
67. 다음 중 공전잡음을 경감시키기 위한 대책으로 가장 적합하지 않은 것은?
68. 다음 중 차세대 이동통신과 관련된 주요 기술과 가장 관련이 적은 것은?
69. 마이크로파 중계 방식 중 각 중계소에서 회선의 일부를 따내어서 구간통화를 해야 하는 경우에 편리한 방식은?
70. CDMA 방식의 이동시스템에서 사용되는 PN 코드가 만족해야 하는 기본조건으로 적합하지 않은 것은?
71. 위성통신의 궤도 중 적도면과 궤도 경사각이 90도를 넘는 궤도는?
72. 이동통신 시스템에서 기지국 커버리지(셀반경)를 확대하기 위한 방안으로 적당한 것은?
73. 이동전화시스템의 기본구성 중 가입자의 이동전화 서비스를 제공하기 위하여 가입자의 위치 정보 등 필요한 정보를 저장하고 있는 것은?
74. 이동통신에서 차량속도를 v, 파장을 λ, 수신기 이동방향기준 전파입사각을 θ라 할 때, 도플러 주파수(fd)는?




75. 무선랜 단말기 상호간 무선 구간에서의 충돌 방지를 위해 사용하는 IEEE 802.11의 방식은?
76. 다음 중 LNB의 구성 요소가 아닌 것은?
77. 마이크로파 통신링크에서 BER의 열화 원인과 거리가 먼 것은?
78. 이동전화시스템(CDMA)에서 전력제어 목적으로 적합하지 않은 것은?
79. 다음 중 통신망 설계시 상세설계서에 작성하여야 할 항목이 아닌 것은?
80. 멀티빔(Multi Beam) 위성통신방식에 대한 설명으로 적합하지 않은 것은?
5과목: 전자계산기 일반 및 무선설비기준
81. 컴퓨터 메모리에 저장된 바이트들의 순서를 설명하는 용어로 바이트 열에서 가장 큰 값이 먼저 저장되는 것은?
82. 2진수 1001에 대한 해밍 코드로 옳은 것은?(단, 짝수 패리티 체크를 사용한다.)
83. 마이크로프로세서의 전송명령 없이 데이터를 입.출력장치에서 메모리로 전송할 수 있는 것은?
84. 그림과 같이 병렬가산기의 입력에 데이터를 인가하였을 때 이 회로의 출격 F에 대한 설명으로 옳은 것은?
85. 기억장치에 기억되어 있는 정보의 내용 또는 그의 일부에 의해서 기억되어 있는 위치에 접근하여 정보를 읽어내는 장치는?
86. 다음 중 센서 네트워크를 위한 운영체제는?
87. 다음 중 ALU에서 처리되지 않는 것은?
88. 컴퓨터에서 인터럽트(interrupt) 발생시 return address를 기억시키는 장소는?
89. 다음 중 16bit Micro processor의 내부 신호 중 버스 아비트레이션 제어 신호에 해당하지 않는 신호명은?
90. 주기억장치의 용량이 1024KB인 컴퓨터에서 32비트의 가상주소를 사용하는데, 페이지의 크기가 1K워드이고 1워드가 4바이트 라면 실제 페이지 주소와 가상 페이지 주소는 몇 비트씩 구성되는가?
91. 전파자원의 공평하고 효율적인 이용을 촉진하기 위하여 필요한 경우에 시행하여야 하는 사항이 아닌 것은?
92. 긴급통신. 안전통신 또는 비상통신에 관한 의무를 이행하지 아니한 자에 대한 벌칙으로 가장 적합한 것은?
93. 전파정책심의위원회의 위원의 임기는 몇 년 인가?
94. 유도식 통신설비에서 발사되는 기생발사강도는 기본파에 대하여 몇 데시벨 이하이어야 하는가?
95. 무선방위측정장치의 설치장소로부터 0.7킬로미터의 지역에 건설하려는 것 중 방송통신위원회의 승인을 얻지 않아도 되는 것은?
96. 다음 중 무선국이 갖추어야 할 개설 조건에 속하지 않는 것은?
97. 다음 중 주파수 이용실적의 판단기준에 속하지 않는 것은?
98. “특정한 주파수의 용도를 정하는 것” 으로 정의되는 것은?
99. 다음 ( )안에 들어갈 내용으로 가장 적합한 것은?
100. 다음 ( )안에 들어갈 내용으로 가장 적합한 것은?