1과목: 디지털 전자회로
1. 다이오드를 사용한 정류 회로에서 여러 다이오드(n개)를 직렬로 연결하여 사용하면 어떤 장점이 있는가?
2. 반파정류회로를 사용하는 어떤 회로에서 반파정류회로 대신 전파정류회로로 변경하였다면 리플율은 대략 어느 정도 변동이 있는가?
3. 다음 회로의 종류는?
4. L형 필터에 비해 π형 필터에 대한 특징으로 틀린 것은?
5. 다음 중 캐스코드 증폭기에 대한 설명으로 틀린 것은?
6. 다음 중 버퍼(Buffer) 증폭기에 사용하기 가장 적합한 것은?
7. 이상적으로 CMRR값이 무한대인 차동증폭기 회로에서 발생하는 잡음은 출력단자에 어떻게 나타나는가?
8. 다음 그림은 콜피츠 발진회로를 변형한 클랩 발진회로이다. 안정한 주파수를 얻기 위해 C1, C2를 C3에 비해 크게 하였을 때, 이 발진회로의 발진주파수는? (단, C3=0.001[μF], L=1[mH])
9. 발진회로의 출력이 직접 부하와 결합되면 부하의 변동으로 인하여 발진주파수가 변동된다. 이에 대한 대책으로 많이 사용하는 방법은?
10. 8진 PSK 신호에 5,000[Hz]의 대역폭이 주어졌을 때 비트율은?
11. BPSK 변조방식의 에러 확률은 QPSK 변조방식의 에러 확률의 몇 배인가?
12. 일정시간 동안 200개의 비트가 전송되고, 전송된 비트 중 15개의 비트에 오류가 발생하면 비트 에러율(BER)은?
13. 그림과 같은 회로에서 정현파 입력을 가했을 때 얻을 수 있는 출력 파형은?



.14. 정보기입 방식 중 "1" 또는 "0"을 기억한 후 반드시 0레벨로 돌아가는 방식은?
15. J-K 플립플롭을 이용하여 J와 K 입력 사이를 NOT 게이트로 연결한 플립플롭은?
16. 비동기 counter와 관계없는 것은?
17. 3개의 T 플립플롭이 직렬로 연결되어 있다. 입력단(첫단)에 1000[Hz]의 입력신호를 인가하면 마지막 플립플롭의 출력신호는 몇 [Hz] 인가?
18. 다음은 어떤 논리 회로인가?
19. 다음 중 보수 발생기가 필요한 회로는?
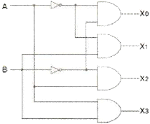
20. 그림과 같은 회로는?
2과목: 무선통신 기기
21. DSB 방식에 비하여 SSB 방식의 장점 중 틀린 것은?
22. 주파수가 50[kHz]인 정현파 신호를 100[MHz]의 반송파로써 주파수 변조하여 최대 주파수 편이가 500[kHz]가 되었다고 하자. 발생된 FM 신호의 대역폭과 FM 변조지수를 구하라.(오류 신고가 접수된 문제입니다. 반드시 정답과 해설을 확인하시기 바랍니다.)
23. OFDM의 장점이 아닌 것은?
24. 다음은 64QAM의 블록도를 나타낸다. 괄호안에 들어가는 내용으로 적합한 것은?
25. 다음 중 납 축전지에 대한 설며응로 잘못된 것은?
26. 다음 중 충전시 주의사항으로 잘못된 것은?
27. 충전 종료시 축전지의 상태로 올바른 것은?
28. 다음 중 UPS의 구성요소에 속하지 않는 것은?
29. 다음 중 무정전 전원장치(UPS)에 관한 설명으로 가장 올바른 것은?
30. 전원회로에서 요구하는 일반적인 성능요구조건으로 부적합한 것은?
31. 평활회로에 대한 설명 중 가장 적합한 것은?
32. 단상 전파 브리지 정류회로에서 각 다이오드에 걸리는 최대 역전압의 크기는? (단, 1차측 입력전압 100[V], 트랜스포머의 권선비는 n1:n2=10:1)
33. 전력측정에 사용되는 볼로메터(bolometer) 브리지법에 대해 잘못 설명한 것은?
34. 공중선 전류계법을 사용하여 변조도를 측정하고자 한다. 무변조시 반송파 전류(Ic)는 2[A]이고, 변조시 피변조파 전류(Im)가 2.2[A]일 때 변조도는 약 몇 [%] 인가?
35. 오실로스코프의 수평축 단자에 500[Hz] 신호를, 수직축 단자에 피측정 신호를 인가했을 때 오실로스코프에 타원 모양의 리사주 도형이 나타났다. 이 리사주 도형이 가로선과 만나는 최대 접점수를 2개, 세로선과 만나는 최대 접전수를 2개라 할 때 피측정 신호의 주파수는 몇 [Hz] 인가?
36. 다음 중 방향성 결합기를 이용하여 측정할 수 없는 것은?
37. 오실로스코프의 수평축과 수직축 입력에 진폭과 주파수가 같고 위상차가 90도인 전압을 가했을 때, 오실로스코프에 나타나는 리사주 도형의 모양은?
38. 정재파비를 S라 할 때, 전압 반사계수는 어떤 식으로 구할 수 있는가?
39. 이동통신 단말기의 수신전력이 0.004[μW]일 때 이를 dBm으로 나타내면 몇 [dBm]이 되는가? (단, 1[mW]를 0[dBm]으로 한다.)
40. 이동통신에서 사용되는 디지털 변조방식 중에서 에러발생확률 측정시 그 값이 가장 낮은 방식은? (단, 진수는 같은 경우이다.)
3과목: 안테나 공학
41. 다음은 횡전자파(TEM : Transverse Electromagnetic wave)에 대한 설명이다. 바르게 설명한 것은 어느 것인가?
42. 유전체에서 변위전류를 발생하는 것은?
43. 스미스 도표에서 그림과 같이 동심원 A에서 동심원 B로 원의 반지름이 커졌을 때 설명이 옳지 않은 것은?
44. 동조 급전선과 비동조 급전선의 설명 중 옳지 않은 것은?
45. 복사저항 450[Ω]인 두 개의 안테나를 λ/4 임피던스 변환기를 사용하여 100[λ]의 평행 2선식 급전선에 정합시키고자 한다. 이 때 변환기의 임피던스 값은?
46. 다음 중 진행파와 반사파가 있는 급전선은?
47. 도파관의 임피던스 정합 방법으로 적합하지 않은 것은?
48. 반치각이란 주엽의 최대 복사 강도(방향)에 대해 몇 [dB]가 되는 두 방향 사이의 각을 말하는가?
49. 기저부에 콘덴서를 삽입하는 이유는?
50. 자유공간에 반파장 더블렛 안테나 있다. 이 안테나의 복사전력이 900[W]일 때 최대복사 방향으로 5[km] 떨어진 점의 전계강도는 몇 [V/m] 인가?
51. 야기안테나의 소자 중 가장 긴 소자의 역할과 리액턴스 성분은 무엇인가?
52. 다음 중 절대이득을 측정할 수 있는 표준형 안테나로 사용할 수 있는 안테나는?
53. 마이크로파 대역에서 주로 사용하는 지상파는?
54. 지표파에 대한 설명 중 틀린 것은?
55. 대류권 산란파에 대한 설명으로 틀린 것은?
56. 다음 중 극초단파(UHF)의 통달거리에 그다지 많은 영향을 주지 않는 것은?
57. 다음 중 어느 지점의 임계주파수가 5[MHz]일 때 사용주파수가 8[MHz]에 대한 도약거리는 어느 것인가? (단, F층의 높이를 400[km], 대지는 평면으로 본다.)
58. 대류권에서의 페이딩(fading)은?
59. 빠른 속도로 움직이는 물체에서 발사하는 전파를 수신하면 원래 발사된 주파수와 다른 주파수의 신호가 수신된다. 이러한 현상을 무엇이라 하는가?
60. 모든 스펙트럼 영역에 균일하게 퍼져있는 연속성 잡음은?
4과목: 무선통신 시스템
61. 다음은 변조(modulation)에 관련된 설명들이다. 잘못된 것은?
62. 무선송신기의 발진부와 완충증폭기의 결합은 어떤 방식이 적합한가?
63. 다음은 IEEE 권장 마이크로웨이브 주파수밴드 구분을 열거할 것이다. 주파수가 낮은 것에서 높은 순서대로 열거된 것은?
64. 다음 중 위성체의 트랜스폰더(transponder)를 구성하는 요소가 아닌 것은?
65. 위성체의 구성요소로서 "payload system"과 "bus sub-system"이 있다. 다음 중 bus sub-system의 구성요소가 아닌 것은?
66. 위성의 위치 및 속도를 이용하여 사용자의 위치 속도 및 시간을 계산할 수 있도록 해주는 무선항법 시스템은?
67. 대역확산통신에서 처리이득이 30[dB]라면 전송시 확산된 신호의 대역폭이 원래 신호의 대역폭보다 몇 배 넓어졌음을 의미하는가?
68. IS-95 CDMA 이동통신 시스템에서 역방향에서의 변조방식은?
69. 통신서비스 중에서 정지 및 이동 중에도 언제, 어디서나 고속으로 무선 인터넷 접속이 가능한 휴대인터넷서비스는?
70. 다음 중 IEEE 802.11a 기술에 대한 설명으로 적절한 것은 무엇인가?
71. 통신 프로토콜의 일반적인 기능 중 계층의 프로토콜에 적합한 데이터 블록으로 만들고, 통신국의 주소 등을 담고 있는 헤더를 부착하는 기능은?
72. 다음 규격 중 OSI 참조모델의 네트워크 계층과 관계가 가장 적은 것은?
73. CSMA/CD 기술과 CSMA/CA 기술에 대한 다음 설명 중 맞지 않은 것은?
74. 마스터 스테이션으로부터 슬레이브 스테이션에게 전송할 데이터가 있는지 물어보는 방식은 다음 중 어느 것인가?
75. 어떤 컴퓨터가 203.241.250.11의 IP 주소를 가진다고 할 때, 이 IP 주소의 클래스는?
76. 다음 중 Mobile IP의 Discovery 능력을 지원해주는 프로토콜은?
77. 위성통신시스템을 설계하는데 고려하여야 할 사항이 아닌 것은?
78. 시스템에서 장애(fault)에 대처하는 단계를 아래에 나타내었다. 빈 칸에 적당한 것은?
79. 다음 중 무선통신 네트워크의 유지보수에서 쓰이는 용어인 SINAD와 거리가 먼 것은?
80. 스펙트럼 분석기(spectrum analyzer)의 용도로서 맞지 않는 것은?
5과목: 전자계산기 일반 및 무선설비기준
81. 다음의 슈퍼스칼라(superscalar) 방식을 제약하는 사항들 중 레지스터 재명명(register renaming)에 의하여 해결할 수 있는 것은 어느 것인가?
82. 상대 주소지정(relative addressing)에서 사용하는 레지스터는 무엇인가?
83. 교무실에 1학년 1반 학생들의 학적부가 있다. 이 안에는 학생별 신상 기록카드가 있으며, 상기록카드에는 학생이름, 주소, 부모의 인적사항을 적도록 되어 있다. 여기에서 정보의 단위 중 레코드에 해당하는 것은 무엇인가?
84. 프로그램에서 함수들을 호출하였을 때, 복귀주소(return address)들을 보관하는데 사용하는 자료구조는 어느 것인가?
85. 하나의 컴퓨터에서 한 시점에 한 개 이상의 프로세스들을 효율적으로 지원하는 운영체제의 기능은 무엇인가?
86. 최근 운영체제들은 다양한 기능들을 포함하고, 보다 사용자의 편의성을 고려한 GUI가 개발되고 있다. 그리고 컴퓨터 시스템의 운영에 필요한 자원관리기능을 향상시키는 데에도 많은 연구가 진행되고 있다. 이와 같은 운영체제의 자원관리 기능에 속하지 않는 것은?
87. 다음 중 운영체제에 대한 특징이 틀린 것은?
88. 다음 지문의 내용에 해당하는 프로세스 스케줄링 기법은?
89. 저작자(개발자)에 의해 무상으로 배포되는 컴퓨터 프로그램으로 개인이나 열광자(enthusiast)가 자기의 작품에 대해 동호인들의 평가를 받기 위해서 또는 개인적 만족감을 얻기 위해서 사용자 집단(user group), PC 통신망의 전자 게시판이나 공개 자료실, 인터넷의 유즈넷(Usenet) 등을 통해 배포하는 소프트웨어는?
90. 다음 지문의 괄호 안에 들어갈 용어를 올바르게 나열하고 있는 것은?
91. 다음 중 주파수분배의 고려사항이 아닌 것은?
92. 무선국은 허가증에 기재된 사항의 범위 내에서 운용하여야 한다. 다음 중 예외적으로 허용되는 통신이 아닌 것은?
93. 무선설비의 기기를 제작 또는 수입하고자 하는 자는 형식검정이나 형식등록을 받아야 한다. 다음 예외 사항 중 해당되지 않는 경우를 고르시오.
94. 방송통신위원회가 행정처분을 할 경우 청문의 실시 대상이 아닌 것은?
95. 형식검정 대상기기가 아닌 것은?
96. 형식검정 및 형식등록기기의 사후관리 시험과 거리가 먼 것은?
97. 방송통신기기의 사후관리에서 인증사항에 대한 이행여부를 확인하는 사항과 가장 거리가 먼 것은?
98. 방송통신기기의 인증신청에 대항 처리기간으로 옳은 것은?
99. 방송통신기기 지정시험기관이 발행한 시험성적서의 기재사항이 아닌 것을 고르시오.
100. 무선설비규칙에서 정의한 “불요발사”로서 적절한 답을 고르시오.