1과목: 디지털 전자회로
1. D 플립-플롭을 이용하여 그림과 같은 회로를 구성하고, 클럭(clk)단자에 5[kHz] 클럭펄스를 인가하였다. 동작시작단계에서 Q 출력을 +5[V]로 하였다면 출력은 ?
2. 다음 논리식을 간단히 하면 ?
3. 다음 논리계열 중 스위칭 속도가 제일 빠른 것은 ?
4. PNP 접합 TR 증폭회로에서 콜렉터의 전위는 베이스 전위를 기준으로 했을 때 어떤 전위를 걸어 주어야 하는가?
5. 전자계산기의 주기억장치에서 전하의 누설에 대비하여 주기적으로 회생(refresh)시켜 주어야 하는 것은?
6. 신호파의 최고주파수가 4[kHz] 일 때 PCM 변조방식에서 샘플링 주파수 조건은?
7. 전원의 출력단에 가장 적합한 증폭기 회로의 형태는?
8. 연산증폭기에 대한 설명이다. 틀린 것은 ?
9. 다음 회로에서 S=1, R=0 이 인가되었을 때 Q와
의 출력상태는?
=1
=1
=0
=010. J - K 플립플롭에서 Jn = 0, Kn = 1일 때 클록펄스가 1 상태라면 Qn+1의 출력상태는 ?
11. 다음과 같은 RC회로에 직류 기전력을 가했을 때 해당되지 않는 그림은 ?




12. 다음 정류회로에 출력전류가 흐르지 않는 범위는 ? (단, Vi = Vm cos ω t이다.)
13. 2-out of-5 code에 해당되지 않는 것은 ?
14. 무변조때의 출력이 1[㎾]인 무선전화 송신기를 80[%] 변조하면 출력은 몇[㎾]가 되는가 ?
15. 8진수 67을 16진수로 바르게 표기한 것은 ?
16. 중심 주파수가 455[㎑]이고, 대역폭이 10[㎑]가 되는 단동조회로를 만들려면 이 회로 부하의 Q는 얼마로 하여야 하는가 ?
17. 에미터 접지일 때 전류증폭율이 각각 hFE1, hFE2인 두개의 트랜지스터 Q1과 Q2를 그림과 같이 접속하였을 때의 콜렉터 전류 Ic의 크기는?
18. 다음 궤환증폭기의 특성에 관한 설명 중 틀리는 것은 ?
19. 회로에서 Barkhausen의 발진조건이 만족되는 조건은 ?
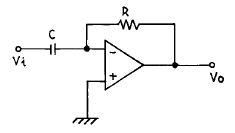
20. 다음 그림의 회로는 무슨 회로인가 ?
2과목: 무선통신 기기
21. FM 변조 방식 중 직접 FM 변조 방식인 것은?
22. 각 10[m]씩 떨어진 A,B,C 3개소 접지판의 접지저항을 측정하기 위하여 콜라우시 브리지로 측정하였더니 A-B간 저항은 10[Ω],B-C간의 저항은 16[Ω],C-A간의 저항은 6[Ω] 이었다면 B의 접지저항은 얼마인가?
23. SSB통신 방식을 DSB통신 방식과 비교할 때 틀린 것은?
24. 정류기에서 맥동성분을 제거하고 직류성분만을 얻기 위해 사용하는 회로는?
25. 위성 중계기의 구성 중 신호 증폭부에 사용되는 광대역 증폭기는?
26. 무부하시 직류 출력 전압이 10[V], 다이오드의 순방향 저항 rf가 10[Ω]인 반파 정류기에서 부하 전류의 규격값을 100[㎃]로 하고자 한다. 부하 저항의 값은 얼마로 하여야 좋은가 ?
27. 다음 중 급전선 등 전송선로의 정합상태의 양부를 나타내는 것은?
28. 다음 중 AM 송신기의 구성요소로서 맞지 않는 것은?
29. FM 수신기 복조기에서 Foster-Seely형과 Ratio- Detector형의 검파감도 비는?
30. 어느 수신기의 입력에 20㎶의 전압을 가했더니 출력 전압이 20V이었다.이 때 이 수신기의 감도는 몇 dB인가?
31. M/W중계방식 중 장해물 정상에 송·수신 안테나를 설치하거나 반사판을 설치하여 전파를 목적하는 방향으로 유도하는 방식은 ?
32. AM수신기 및 FM수신기에서 다같이 사용되고 있는 것은?
33. 위성의 다원접속기술에서 회선할당방식에 속하지 않는 것은?
34. 기본파 진폭이 20[V], 제 2, 제 3고조파의 진폭이 각각 2[V], 1 [V] 되는 고주파 전압의 왜율은 얼마인가 ?
35. 마이크로 웨이브파의 파장 측정에 적합한 것은 ?
36. 다음 중 점유 주파수대에 대한 설명으로 가장 타당한 것은?
37. 정지위성에 장착하는 안테나가 갖추어야 할 조건과 관계가 먼 것은?
38. FM 수신기에서 수신입력 레벨을 감소 시켜가면 어떤 값에서 출력의 S/N이 급격히 감소하는 현상이 나타난다. 이때의 수신레벨을 무엇이라고 하는가?
39. FM수신기에서 입력신호가 없을 때 잡음이 대단히 크며 이를 방지하기 위해 저주파 증폭부를 자동적으로 정지시키도록 동작을 하는 회로는?
40. 무선송신기에 수정진동자를 사용하는 이유로 가장 타당한 것은?
3과목: 안테나 개론
41. 제 3과목: 안테나개론 출력 100[㎾] 로써 방송되고 있는 라디오파가 안테나로부터 20[㎞]떨어진 장소에서의 전계강도는 얼마인가 ? (단, 1[㎞] 떨어진 곳에서는 1.73[V/m] 이다.)
42. 다음은 디스콘(discone) 안테나에 대한 설명이다. 옳지 않는 것은?
43. 비유전율이 2.56, 비투자율이 1인 유전체의 고유 임피던스[Ω]는?
44. 지상고가 같을 때 역L형 안테나가 수직안테나 보다 실효고가 크다. 그 이유는?
45. 다음 중 부 반사기로 볼록 타원체를 사용하고 있으며 위성통신 지구국용 고이득 저잡음 안테나는 ?
46. λ /4 수직접지 안테나의 복사저항은? (단, ℓ : 안테나의 실효고)




47. 단방향 지향성 안테나가 아닌 것은 ?
48. 동축 cable의 특성 임피던스는 ? (단, D : 외부 도체의 직경, d : 내부 도체의 직경)




49. 태양에서 발생하는 자외선의 돌발적 증가로 인하여 발생되는 전파방해는 ?
50. 수퍼게인(super gain)안테나를 TV송신용으로 사용하려고 할 때 고려하여야할 사항으로 맞지 않는 것은 ?
51. 접지 안테나의 기저부에 정전용량 C를 직렬로 삽입할 경우 맞는 설명은?
52. 다음은 초단파의 전파 특성을 설명한 것이다. 틀린 것은?
53. 다음은 MUF(Maximum Usable Frequency)의 설명이다. 옳지 못한 것은 ?
54. 루우프 안테나와 수직 안테나를 조합하면 수평면내 지향성은 어떻게 되는가?
55. 복사 저항 300[Ω]인 두개의 안테나를 λ /4 임피던스 변환기를 사용하여 300[Ω]의 평행 2선식 급전선에 정합시키고자 할 때 변환기의 임피던스는 얼마이어야 하는가 ?
56. 동조 급전선의 설명 중 잘못된 것은 ?
57. 안테나에서 발사된 수직편파가 지구자계의 영향을 받는 전리층에서 반사되면 어떠한 편파가 되는가 ?
58. 대지의 융기부나 기타 지상에 있는 전파 장애물을 지나 수신점까지 도달하는 전파는 ?
59. 급전선에서 정재파비가 1인 경우는 ?
60. 반파장 다이폴 안테나의 복사 저항은 ?
4과목: 전자계산기 일반 및 무선설비기준
61. 다수의 인터럽트 요청이 있는 경우, 특정한 인터럽트 요구에 대해서만 인터럽트가 금지되도록 사용하는 것은?
62. 마이크로 컴퓨터에서 널리 채택되어 있는 코드로서 특히 데이터 통신용으로 많이 쓰이고 있는 것은 ?
63. 우주국 재허가의 신청은 허가의 유효기간 만료전 어느 시점에 하여야 하는가?
64. 다음 설명 중 틀린 것은?
65. 논리회로에서의 인버터(inverter)와 같이 복잡한 논리연산을 위한 연산자로 이용되며 음수의 표현에 필요한 연산기는 ?
66. 일반적인 컴퓨터 구조에서 CPU에 포함되지 않는 것은 ?
67. 다음은 인증번호 부여 방법의 예를 나타낸 것이다. 틀린 것은?
68. 유도식통신설비 및 전력선반송설비에서 발사되는 고조파·저조파 또는 기생발사강도는 기본파에 대하여 몇 ㏈ 이하이어야 하는가?
69. 다음 중 명령어가 해독되는 장치는?
70. 인터럽트 발생시 되돌아 올 주소(Return Address)를 기억시키기 위하여 사용되는 것은?
71. 무선국의 주파수지정을 변경함으로서 발생하는 손실을 보상해야 한다. 다음중 예외의 경우가 아닌 것은?
72. 16진수 73C.4E 를 10진수로 변환하면 다음 중 어느 값이 근사치인가 ?
73. 수신설비로부터 부차적으로 발사되는 전파의 세기는 수신 공중선과 전기적 상수가 같은 의사공중선회로를 사용하여 측정한 경우에 얼마 이하이어야 하는가?
74. 중앙처리장치로부터 발생되는 기억장치 읽기 신호와 쓰기 신호를 이용하여 입출력장치에 대한 읽기와 쓰기를 수행할 수 있는 방식은?
75. 정보를 기억장치에 기억시키거나 읽어내는 명령이 있고난 후부터 실제로 데이터가 기억되거나 또는 읽기가 시작되는데 소요되는 시간은?
76. 발사에 의하여 점유하는 주파수대의 중심주파수와 지정주파수 사이에 허용될 수 있는 최대편차를 백만분율 또는 ㎐로 표시하는 것은?
77. 다음 용어의 정의 중 무선국에서 사용하는 주파수마다의 중심주파수를 말하는 것은?
78. 전파형식의 표시에서 진폭변조중 단측파대에서 저감 또는 가변레벨반송파에 해당되는 기호는 어느 것인가 ?
79. 송신설비의 공중선·급전선 등 고압전기를 통하는 장치는 사람이 보행하거나 기거하는 평면으로부터 몇 미터 이상의 높이에 설치하여야 하는가?
80. 10.5㎓∼40㎓ 주파수대의 송신설비에서 발사되는 전파의 주파수 허용편차가 다른 것은?