1과목: 공유압 및 자동화시스템
1. 유체의 흐름은 층류와 난류가 있다. 배관내에서 유체 흐름의 형태를 결정짓는 것은?
2. 베인형 압축기의 특징이 아닌 것은?
3. 실린더 튜브와 커버를 체결하는 것으로, 공기 압력이나 피스톤 왕복운동 시 충격력을 흡수할 수 있는 충분한 강도를 가져야 하는 부품은?
4. 유압실린더 피스톤 로드의 추력 방향이 실린더 축심 끝을 기준으로 원주상 일정각도로 회전할 수 있도록 하기 위한 실린더 설치형식은?
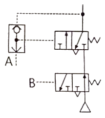
5. 다음 회로의 명칭은? (단, A와 B는 입력이다.)
6. 유압신호를 전기신호로 전환시키는 기기는?
7. 회로압이 설정압을 초과하면 유체압에 의하여 파열되어 압유를 탱크로 귀환시키고 동시에 압력상승을 막아 기기를 보호하는 역할을 하는 유압기기는?
8. 공기압시스템에 부착된 압력게이지의 눈금이 0.5MPa을 나타낼 때 절대압력은 몇 MPa 인가?
9. 기호의 표시방법과 해석에 관한 설명으로 틀린 것은?
10. 한쪽 방향으로의 흐름은 제어하지만 역방향의 흐름은 제어가 불가능한 밸브는?
11. 전진 및 후진 완료 위치에서 가해지는 충격을 방지하기 위한 유압실린더는?
12. 설비의 신뢰성 정도를 측정하는 기준이 아닌 것은?
13. 스텝 전동기를 여자 상태로 하여 출력축을 외부에서 회전시키려고 했을 때 이 힘에 대항하여 발생하는 최대 토크는?
14. 다음 그림에서 입력 신호가 증폭되어 출력신호가 될 때 증폭은 몇 배인가?
15. 자계의 세기나 자극을 판단할 수 있는 반도체 소자는?
16. 다음 프로그램 플로차트(Flow Chart) 기호 중 입력 또는 출력을 나타내는 기호는?




" 입니다. 이 기호는 출력을 나타내는 기호입니다. 이유는 프로그램이 실행되어 결과를 출력하는 것이기 때문입니다. 입력을 나타내는 기호는 "
" 이고, 처리를 나타내는 기호는 "
" 입니다. 마지막으로, 조건을 나타내는 기호는 "
" 입니다.17. 고정 결선에 의한 제어 시스템 구성 순서가 바르게 나열된 것은?
18. 기기에서 발생하는 노이즈를 제거하기 위하여 전원 접지와 구분하여 PLC 기기에 별도로 접지하는 방식은?
19. 이미 정의된 위치 데이터를 수동키(key) 조작에 의해 직접 입력하는 방식은?
20. 제어(control)의 의미로 옳은 것은?
2과목: 설비진단관리 및 기계정비
21. 다음 중 흡음에 대한 설명으로 옳은 것은?
22. 설비표준화를 위한 설비 코드의 부여 순서로 옳은 것은?
23. 제조원가는 크게 직접비와 간접비로 구분된다. 직접비에 포함되지 않는 비용은 무엇인가?
24. 축면에 나선상의 홈을 만들고 축을 회전시키면 축의 회전에 따라 기름이 홈을 따라 올라가 축면에 급유되는 방식은?
25. 다음 중 회전기계에서 발생하는 진동을 측정하는 경우, 측정변수를 선정하는 내용에 대한 설명으로 맞는 것은?
26. 차음벽 재료의 강성을 두배로 증가시킬 때 투과손실은?
27. 제품별 배치(product layout)의 장점이 아닌 것은?
28. 설비보전표준의 분류에 포함되지 않는 것은?
29. 덕트(duct) 소음이나 배기소음을 방지하기 위해서 사용되는 장치로 맞는 것은?
30. 여러 대의 공작기계를 1대의 컴퓨터에 결합시켜 제어하는 생산설비시스템으로 머시닝 센터의 기초가 된 생산설비를 무엇이라 하는가?
31. 외란(disturbance)이 가해진 후에 계가 스스로 진동하고 반복되며 외부 힘이 이 계에 작용하지 않는 진동은?
32. 일반적으로 사람이 들을 수 있는 가청주파수의 범위는?
33. 고장 분석에서 설비관리의 목적인 최소비용으로 최대 효율을 얻기 위해서 계획, 진행하는 것과 관계없는 것은?
34. 유틸리티 설비와 관계없는 것은?
35. 제품의 물리적 특성이 기계와 사람을 제품으로 가져오도록 강요하는 설비배치 방식은?
36. 다음 가속도계 센서 부착방법 중 사용 주파수 영역이 가장 좁은 방법은?
37. 설비관리의 조직계획상 고려할 사항이 옳게 연결된 것은?
38. 정비계획 수립 시 고려할 사항이 아닌 것은?
39. 기계진동 방지대책으로 거더(girder)를 이용하는 주된 이유는?
40. 다음 중 윤활유의 작용이 아닌 것은?
3과목: 공업계측 및 전기전자제어
41. 논리식
를 간략화 한 식은?




42. C1 = 3μF, C2 = 6μF의 콘덴서를 병렬로 접속해서 1kV의 전압을 인가하였다. 전체 콘덴서 C에 축적되는 에너지(J)는?
43. 잔류편차를 제거하기 위해 사용하는 제어기는?
44. 다음 그림은 제어밸브 고유 유량 특성에 대한 것이다. ①번 곡선에 해당되는 특성은?
45. 그림과 같은 연산 증폭기의 출력 전압 VO는 다음 중 어느 것인가?
46. 3상 유도 전동기의 회전 방향은 전동기에서 발생되는 회전 자계의 회전 방향과 어떤 관계가 있는가?
47. 조절밸브(제어요소)가 프로세스(제어대상)에 주는 신호는?
48. SI 기본 단위계가 아닌 것은?
49. 전동기의 과부하 보호장치로 사용되는 계전기는?
50. 다음 시퀀스 회로를 논리식으로 나타낸 것은?
51. 이상적인 연산증폭기의 특성이 아닌 것은?
52. 16진수 A6을 2진수로 나타낸 것은?
53. 전동식 구동부를 가진 제어밸브의 특징이 아닌 것은?
54. 저항의 직렬접속 회로에 대한 설명 중 틀린 것은?
55. 15Ω의 저항 3개를 병렬로 접속하면 합성저항(Ω)은?
56. 측정의 기본방법 중 눈금자를 직접 제품에 대고 실제 길이를 알아내는 것은?
57. 전류의 최댓값을 Im이라 할 때 사인파교류의 실효값 I와 Im의 관계는?




" 이다.58. 다음 중 트랜지스터의 최대정격으로 사용하지 않는 것은?
59. 10~15kW 정도의 3상 농형 유도전동기의 기동방식으로 사용하는 것은?
60. 온도검출에 적합한 소자는?
4과목: 기계정비 일반
61. 다음 중 축에 고정된 기어, 커플링, 풀리 등을 분해하려고 할 때 가장 적절한 방법은?
62. 펌프의 축 추력을 제거할 수 있는 방법으로 적절한 것은?
63. 압축기 설치장소로 적절하지 않은 곳은?
64. 통풍기의 압력 범위는?
65. 밸브의 무게와 양면에 작용하는 압력차로 작동하여 유체의 역류를 방지하는 밸브는?
66. 소형 원심 펌프에서 전 양정이 몇 m 이상일 때 체크 밸브를 설치하는가?
67. 너트의 풀림 방지용으로 사용되는 와셔로 적절하지 않은 것은?
68. 두 축의 중심선이 일치하지 않거나, 토크의 변동으로 충격 하중이 발생하거나 진동이 많은 곳에 주로 사용하는 축이음은?
69. 베어링을 축 방향으로 이동을 방지하기 위하여 스냅 링을 보수나 축에 장착하는데, 이를 조립하거나 분해할 때 쓰이는 공구로 적절한 것은?
70. 공기압축기의 흡입 관로에 설치하는 스트레이너(strainer)의 설치목적으로 옳은 것은?
71. 볼트의 밑 부분이 부러졌을 때 빼내기 위해 사용하는 공구는?
72. 접착제의 구비조건으로 적절하지 않은 것은?
73. 열 박음에서 끼워 맞춤 가열온도를 구하는 식으로 옳은 것은? (단, T : 가열온도, △d : 죔새(축지름-구멍지름), α : 열팽창계수, D : 구멍지름)




"이 정답이다.74. 롤러 체인을 스프로킷 휠이 부착된 평행 축에 평행걸기를 할 때 거는 방법으로 적절한 것은?
75. 축이나 커플링이 진원에서 얼마나 편차가 되었는가를 확인하는 축 정렬 준비사항은?
76. 프로펠러의 양력으로 액체의 흐름을 임펠러에 대해 축 방향으로 평행하게 흡입, 토출하는 것으로 대구경, 대용량이며 비교적 낮은 양정(1~5m 정도)이 필요한 곳에 사용되는 펌프는?
77. 원심형 통풍기의 정기 검사 시 기록해야 할 사항이 아닌 것은?
78. 원심 펌프의 이상원인 중 시동 후 송출이 되지 않는 원인으로 적절하지 않은 것은?
79. 펌프에서 캐비테이션(cavitation)이 발생했을 때 그 영향으로 적절하지 않은 것은?
80. 기계 조립작업 시 주의사항으로 적절하지 않은 것은?