1과목: 기계가공법 및 안전관리
1. 그림과 같은 일단 고정보에서 P = 4000N, ω = 300N/m 일때 고정단에서의 최대 굽힘모멘트는 몇 Nㆍm 인가?
2. 원형단면의 보에 있어서 단면적을 A, 전단력을 V라 하면 최대전단응력의 값은 얼마인가?




"가 최대전단응력이 가장 크게 됩니다. 이유는 단면적이 작을수록 전단력을 버티기 위해 필요한 재료의 양이 적어지기 때문입니다.3. 지점사이의 길이 L=8m, 단면은 bxh=30x35cm인 균질체의 단순보가 있다. 이 보의 자중에 의한 최대 굽힘응력은 몇 kPa인가? (단, 자중은 650 N/m3 이다.)
4. 다음 그림은 어떤 단순보의 굽힘모멘트 선도이다. 어떤 하중 상태에 있는가? (단, Mb=굽힘모멘트, x=보의 길이)
5. 그림과 같이 정사각형 판재에 σx=10 MPa, σy = 30 MPa이 작용할 때 최대 전단응력 τmax의 값과 방향은?
6. 길이 100㎝인 외팔보가 전길이에 걸쳐 5kN/m의 균일분포 하중과 자유단에 1kN의 집중하중을 동시에 받을 때 최대 처짐량은 얼마인가? (단, 보의 단면은 폭 4㎝×높이 6㎝인 직사각형이고, 탄성계수 E = 210GPa이다.)
7. 바깥지름 70mm, 안지름 50mm의 속이 빈 축과 동일한 재료이면서 동일한 비틀림 강도를 가질 수 있는 속이 찬 축의 지름은 몇 mm인가?
8. 그림에서의 판 AB가 기울어 지지 않기 위한 스프링상수 k는 몇 kN/m인가?
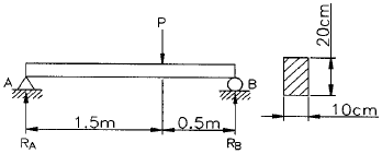
9. 그림과 같이 길이가 2m이고, 단면이 10cmx20cm인 단순보에서 보의 전단만을 고려한다면 집중 하중 P는 몇 N까지 작용시킬 수 있는가? (단, 이 보의 허용 전단응력은 225kPa이다.)
10. 다음 그림과 같이 단면적 10㎝2, 길이 1m인 봉의 양쪽에서 1 kN의 힘으로 인장했을 때, 5x10-3㎜ 늘어났다면 이 재료의 영률(Young's Modulus)은?
11. 강봉의 탄성한도 0.294GPa, 탄성계수 E = 200GPa 일 때 영구변형을 일으킴이 없이 이 봉의 단위체적 속에 저장 될 수 있는 탄성 변형에너지 u는 몇 kNXm/m3 인가?
12. 폭 10cm, 높이 15cm인 사각형 단면에서 도심을 지나는 축 x-x에 대한 관성모멘트와 단면계수는 각각 얼마인가?
13. 그림과 같이 양단이 고정된 균일 단면봉에서 중간 m-n 단면의 중간점에 축하중 P 가 작용할 때 양단의 반력 R1과 R2는 각각 몇 N인가? (단, P = 1 kN 이다.)
14. 단면의 폭 15㎝, 높이 60㎝, 길이 3m의 나무로된 단순보(simple beam)가 있다. 전 길이에 걸쳐 60kN/m의 균일분포하중이 작용할 경우, 이 보의 왼쪽 지점으로부터 90㎝, 보의 하면으로부터 위쪽으로 20㎝ 떨어진 점에서의 굽힘 응력은 몇 MPa인가?
15. 그림과 같이 양단지지보가 전 길이 ℓ m에 균일분포 하중 ω kN/m를 받고있을 때 보의 중앙을 밀어올려서 보의 중앙부 처짐량이 "0"이 되게 했다면 중앙지점의 지지력 R 은 얼마인가?




" 이다.16. 매분 250회전으로 50 kW을 전달하는 동력축의 허용전단 응력은 몇 MPa인가? (단, 축지름은 10cm로 한다.)
17. 그림과 같이 지름 30cm의 벨트 풀리가 동력을 전달할 때 인장측에 4900N, 이완측에 2940N의 힘이 걸리고 있다. 이 축의 지름을 4cm라 하면 최대 비틀림 모멘트는 몇 Nㆍm인가?
18. 양단고정 기둥은 일단고정 타단자유기둥보다 단말계수의 값이 몇배나 큰가?
19. 지름이 5㎝인 봉이 있다. 세장비(slenderness ratio)가 30일 때의 길이는 몇 cm 인가?
20. 다음 중 틀린 것은?
2과목: 기계제도
21. 정밀 입자 가공에서 호닝(honing)의 결과에 대한 설명으로 틀린 것은?
22. 강의 담금질 조직 중 에서 경도가 제일 큰 것은?
23. 고체 침탄법에서 침탄제와 촉진제로 많이 사용하는 것은 ?
24. 줄작업(filing)방법이 아닌 것은?
25. 사인바(Sine bar)에 관하여 틀리게 설명한 것은?
26. 일감의 표면을 완성가공하는 방법으로 가공면은 매끈하고 방향성이 없고 치수변화보다는 고정밀도의 표면을 얻는것이 주 목적인 것은?
27. 전단가공에 속하지 않는 것은?
28. 스프링 백의 양(量)이 커지는 원인이 아닌것은?
29. 그림에서 I형 맞대기 용접을 하려고 한다. 올바른 용접 기호는?




" 입니다. 이유는 I형 맞대기 용접에서는 두 개의 수직선이 교차하는 형태로 용접이 이루어지기 때문에, 수직선을 나타내는 "
" 기호가 올바른 용접 기호입니다. 다른 기호들은 수평선이나 기울어진 선을 나타내는데, 이는 I형 맞대기 용접에 적합하지 않습니다.30. 단조용 강재에서 유황의 함유량이 많을 때, 가장 관계가 깊은 것은?
31. 용접부품을 조립하는 데 사용하는 도구는?
32. 지름 50㎜인 연강 둥근 봉을 20m/min의 절삭 속도로 선삭할 때, 스핀들의 회전수는 얼마인가?
33. 압탕의 역할로서 옳지 않은 것은?
34. 나사의 측정 대상이 아닌 것은?
35. 목형재료로서 목재에 대한 특징의 설명 중 틀린 것은?
36. 강, 구리 황동의 작은 단면의 선, 봉, 관 등을 접합하는 데 가장 적합한 저항 용접은?
37. 절삭가공에 있어서 빌트 업 에지(built-up edge)를 줄이는 방법이 아닌 것은?
38. NC 공작기계에서 검출기를 기계 테이블에 직접 부착하여 피드백(feed back)을 행하는 서보기구(servo system)는?
39. 열간 압연강판과 비교한, 냉간 압연강판의 장점이 아닌것은?
40. 두께 3㎜, 0.1%C의 연강에 지름 20㎜의 구멍으로 펀칭할 때, 프레스의 슬라이드 평균 속도를 5 m/min, 기계효율 70%로 하면 소요 동력은 얼마 인가? (단, 판의 전단저항은 25㎏f/㎜2이다)
3과목: 기계설계 및 기계재료
41. 다음은 1줄 리벳겹치기 이음에서 강판의 효율을 표시한식이다. 옳은 것은? (단, P는 리벳의 피치, d는 리벳구멍의 직경이다.)
42. 니켈 60~70% 정도로 함유한 Ni-Cu계의 합금으로, 내식성이 좋으므로 화학공업용 재료로 많이 쓰이는 재료는?
43. 탄소강에서 온도가 상승함에 따라 기계적 성질이 감소하지 않는 것은?
44. 연신율이 크고, 인장강도 25㎏f/㎜2로 전구의 소켓이나 탄피용으로 쓰이는 황동은?
45. 다음 그림과 같은 원통코일 스프링의 처짐량 δ = 60 ㎜ 일때, 작용하는 하중 W는 몇 kgf인가? (단, 스프링 상수 k1 = 6 ㎏f/㎝, k2 = 2 ㎏f/㎝이다.)
46. 코터의 폭이 20 ㎜, 두께가 10 ㎜, 코터의 허용 전단응력이 2 ㎏f/㎜2이라면 코터에 가할 수 있는 하중은 얼마인가?
47. 탄소강에 첨가할 경우 결정립을 미세화시키는 원소는?
48. 기어의 압력각을 크게 할 때 일어나는 현상으로 옳은 것은?
49. 평벨트 전동에서 유효장력이란 무엇인가?
50. 브레이크 드럼에서 브레이크 블록을 밀어붙이는 힘이 150㎏f, 마찰계수 μ = 0.3, 드럼의 지름 350㎜로 할때 토크는?
51. 다음 중 고속도강과 가장 관계가 먼 사항은?
52. 구상흑연 주철을 만들 때에 사용되는 첨가재는?
53. 볼나사의 특징 중 틀린 것은?
54. 연성(延性)재료가 고온에서 정하중을 받을때 기준 강도로서 어떤 것을 취하는가?
55. 다음 중 역류를 방지하여 유체를 한쪽 방향으로 흘러가게 하는 밸브는?
56. 고Ni강으로 강력한 내식성을 가지고 있으며, 약한 자장으로 큰 투자율을 가지고 있으므로, 해저 전선의 장하코일 등에 쓰이고 있는 것은?
57. 볼베어링의 수명 회전수 Ln, 베어링 하중 P, 기본부하용량을 C라 할 경우 다음 중 옳은 것은?




" 입니다.
"이 가장 옳은 답입니다.58. 다음은 고주파경화법의 장점이 아닌 것은?
59. 인장시험편을 만들때 고려하지 않아도 되는 사항은?
60. 공정점에서의 자유도(degree of freedom)는 얼마인가?
4과목: 컴퓨터응용설계
61. 기하학적으로 곡선형상을 표현하기 위해서는 기본적으로 점과 벡터에 의해서 구성된다. 이러한 벡터를 구성하기 위한 기본 요소가 아닌 것은?
62. 현재 CAD를 활용하여 CAD/CAM/CAE를 디자인, 제품설계, 금형설계, 생산까지 모든 공정에서 CAD 데이터를 공유하여 업무를 추진하는 방법은?
63. 평판 디스플레이 장치중에서 전기장의 원리가 빛을 발생하는 데에 이용되지 않고 단지 투과되는 빛의 양만을 조절하는 데에 이용되는 것은?
64. 도면에서 부품란의 품번 순서는? (단, 부품란은 도면의 우측 아래에 있다.)
65. 그림과 같이 두 부품이 교차하는 부분을 표시한 것중 옳은 것은?




"이 옳은 것입니다. 다른 보기들은 교차하는 부품들이 서로 접촉하지 않거나, 전기적으로 연결되어 있지 않기 때문에 옳지 않습니다.66. 가상선의 용도로 맞지 않는 것은?
67. 억지 끼워맞춤에서 축의 최소 허용치수에서 구멍의 최대 허용치수를 뺀 값은?
68. 제품의 모델(model)과 그에 관련된 데이터 교환에 관한 표준 데이터 형식이 아닌 것은?
69. 미터나사(metric thread)에서 사용하는 나사산 각도는?
70. 다음 그림에 해당되는 좌표계는?
71. 기준치수가 30, 최대허용치수가 29.96, 최소 허용 치수가 29.94 일때 아래치수 허용차는?
72. 컴퓨터그래픽에서 도형을 나타내는 그래픽 기본 요소가 아닌 것은?
73. 점 P1(25,50)을 ㅿx=14, ㅿy=6만큼 이동시킨 후 원래의 위치로 되돌리기 위한 Matrix에서 b31은 얼마인가? (단, [x'y'1]=[x y 1]
)
74. 회전형 가변저항기를 X축과 Y축 방향으로 회전시켜 커서를 이동시키는 기구로 정확한 위치 선택이 용이하며, 주로 키보드와 같이 부착되어 있는 입력장치는?
75. 일반적인 컴퓨터 그래픽 하드웨어의 대표적인 구성요소로 보기 어려운 것은?
76. 가는 1점 쇄선으로 표시하지 않는 선은?
77. 두 점(1,1), (3,4)를 연결하는 선분을 원점을 기준으로 반시계 방향으로 60도 회전한 도형의 양 끝점의 좌표를 구한 것은?
78. 다음 투상의 평면도에 해당하는 것은?




"입니다.79. 컬러 래스터 스캔 화면 생성방식에서 3 bit plane의 사용 가능한 색깔의 수는 모두 몇 개인가?
80. 베어링 기호 NA4916V의 설명 중 틀린 것은?