1과목: 기계가공법 및 안전관리
1. 그림과 같이 균일 분포하중 ω=1000 N/m가 작용하는 외팔보에서 최대 굽힘모멘트는 몇 N∙m 인가?
2. bxh=5 cmx10 cm이고 길이가 2 m인 직사각형 단면의 양단 고정 기둥이 있다. 오일러 공식을 적용하여 나무기둥에 가할 수 있는 좌굴하중은 몇 kN인가? (단, 탄성계수 E= 100 GPa이다.)
3. 그림과 같이 길이 1 m인 외팔보가 100 N/cm의 균일분포 하중을 받고 있을 때 자유단의 처짐을 0이 되게 하기 위해서는 집중하중 P의 값을 몇 N으로 하면 되는가?
4. 직경 15mm, 길이 2m의 환봉이 20 kN의 축인장 하중을 받고 2mm 늘어났다고 한다. 환봉에 발생하는 탄성계수 값는 몇 GPa 인가?
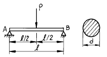
5. 그림과 같은 단순보에서 길이 ℓ, 직경 d, 중앙에 집중하중 P가 작용할 때 최대 전단응력은?
6. 그림과 같은 외팔보에 집중하중 P = 2 kN이 각각 작용하고 있을 때 고정단의 최대굽힘 모멘트는 몇 kN∙m 인가?
7. 다음 외팔보의 굽힘모멘트 선도를 보고 최대 처짐각 θ 를 구하면 몇 rad 인가? (단, 재료의 강성계수는 EI=44.8 kN·m2이다.)
8. 그림과 같은 보의 단면계수(Zx)는 몇 cm3 인가?
9. 원형단면축에 있어서 다른 조건은 동일하게 하고 직경을 3배로 하면 비틀림각은 몇 배가 되는가?
10. 그림과 같이 길이 120 cm, 단면적 4 cm2인 균일 단면봉이 P=15 kN, Q=7.5 kN을 받고 있다. 이때 봉의 변형량은 몇 cm 인가? (단, 탄성계수 E = 200 GPa이다.)
11. 다음 중에서 기둥의 세장비를 옳게 정의한 것은?
12. 원형 단면봉에 40 kN의 인장하중이 작용한다. 봉의 인장 강도가 420 MPa이고 안전율을 5라 할 때, 이 봉의 지름은 최소 몇 cm로 설계해야 하는가?
13. 지름 2 cm, 길이 1.5 m의 둥근막대의 한끝을 고정시키고 그 자유단을 10° 비틀었다면 이 막대에 생긴 최대 전단 응력은 몇 MPa 인가? (단, 전단 탄성계수 G = 84 GPa이다.)
14. 다음 그림과 같은 외팔보에서 나타날 수 있는 굽힘모멘트 선도는?




" 이다.
"이 정답이 된다.15. 평면응력 상태에서 수직응력 σx= -5 MPa, σy= 15 MPa, 전단응력 τxy=10 MPa 일 때 최대 및 최소 주응력 σ1과 σ2는 몇 MPa 인가?
16. 길이가 2m인 단순보의 중앙에 집중하중을 작용시켜 최대 처짐이 0.2cm로 제한하려면 하중은 몇 N이하여야 하는가? (단, 지름 d=10cm의 원형단면이고, E = 200 GPa 이다.)
17. 다음과 같은 분포 하중을 받는 단순보의 최대 굽힘모멘트는?




"이다.18. 단면의 주축에 관한 설명으로 옳은 것은?
19. 그림과 같은 외팔보의 자유단에 모멘트 M = Ph가 작용할 때 생기는 최대 처짐량은 얼마인가? (단, E는 탄성계수, I는 단면 2차 모멘트이다.)




" 이다.20. 단면적이 10cm2인 봉을 35℃에서 수직으로 매달고 -10℃로 냉각하였을때 원래의 길이를 유지하려면 봉의 하단에 몇 kN 추를 달면 되는가? (단, 봉의 자중은 무시하고 선팽창계수 α= 12x10-6/℃, 탄성계수 E = 200 GPa 이다.)
2과목: 기계제도
21. 표면경화와 피로강도 상승의 효과가 함께 있는 가공법은?
22. 방전가공(electric discharge machining)에 관한 설명 중 틀린 것은?
23. 브라운 샤프형 분할판을 사용하여 원주를 35등분하려고 할 때, 적당한 구멍열은?
24. 초음파 용접에 관한 설명 중 틀린 것은?
25. 1/20㎜의 버니어 캘리퍼스를 설명한 것 중 맞는 것은?
26. 플레이너(Planer)의 급속귀환 운동에 부적당한 기구는?
27. 드릴에서 디닝(thinning)을 옳게 설명한 것은?
28. 맨네스맨(Mannesmann)식 제관법(製管法)에 해당되는 것은?
29. 펀치나 다이에 시어각(Shear angle)을 주는 까닭은 무엇인가?
30. 목형의 종류중 대형이고 제작 수량이 적은 주물에서 재료와 공사비를 절약하기 위해 골격만 목재로 만드는 것은?
31. 소성가공에는 상온가공과 고온가공이 있다. 고온가공을 제일 적합하게 설명한 것은?
32. 목형의 종류중 현형의 종류가 아닌 것은?
33. 방전 가공기의 형식이 아닌 것은?
34. 소성가공이 아닌 것은?
35. 강의 표면 경화법에서 시안화법(cyaniding)은?
36. 내경 측정에 사용되는 측정기가 아닌 것은?
37. 드릴지그의 분류에서 상자형 지그(box jig)에 포함되지 않는 것은?
38. 직류 아크 용접시 모재를 양극(+), 용접봉을 음극(-)으로한 전원의 극성은?
39. 워엄기어(worm gear)의 가공방법이 아닌 것은?
40. 인발 작업에서 지름 5.5mm의 와이어를 Ø 4mm로 가공하려고 한다. 이때의 단면 수축율 및 가공도는 얼마인가?
3과목: 기계설계 및 기계재료
41. 두개의 축이 평행하고, 그 축의 중심선의 위치가 약간 어긋났을 경우, 각속도는 변화없이 회전동력을 전달시키려고 할 때 사용되는 가장 적합한 커플링은?
42. 금속의 일반적인 소성가공은 재료의 어떤 성질을 이용하는 것인가?
43. 충격시험은 무엇을 측정하기 위한 시험인가?
44. 비중이 가벼워 항공기, 자동차 부품 등에 사용되는 합금은?
45. 길이 3m, 안지름 25㎜의 구리관에 내압 8㎏f/mm2이 작용할때 파이프의 두께 t는 몇 ㎜ 정도인가? (단, 허용 인장응력 σa = 17㎏f/mm2이고, 이음 효율 η = 85%이며, 부식여유는 무시한다.)
46. 지름 100㎜인 원동 마찰차의 회전수를 1/4로 감소시키는데 사용할 종동 마찰차의 지름은 얼마인가?
47. 담금질한 강에 인성을 부여하고 조직을 균일화 하는 열처리 방법은?
48. 핀이 사용 되는 곳으로 틀린 것은?
49. 잇수가 각각 150 과 50 이고, 치직각 모듈 m = 6인 헬리컬 기어에 있어서 중심거리는 몇 ㎜가 되는가? (단, 비틀림각 β = 30° 로 한다.)
50. 레디얼 볼 베어링 #6311의 안지름은 얼마인가?
51. 유니파이나사의 나사산 각도는?
52. 서로 미끄럼 접촉을 하는 한쌍의 기소(element) 중에 곡선 윤곽을 갖는 구동체를 무엇이라 하는가?
53. 다음중 2축이 직각인 경우가 많고, 큰 감속비를 얻고자하는 경우에 가장 많이 쓰이는 기어는?
55. 주조시 주형에 냉금을 삽입하여 주물 표면을 급냉시키므로서 백선화 하고 경도를 증가시킨 내마모성 주철은?
56. 다음 중 스테인리스강에 가장 많이 함유되는 원소는?
57. 고온에서 다른 재료에 비해 강도가 우수하기 때문에 항공기 외판 등에 사용하는 재료는?
58. 세라믹(Ceramics) 공구의 특징이 아닌 것은?
59. 다음 재료 중 기계구조용 탄소강을 나타낸 것은?
60. 다음 중 주철의 흑연을 구상화 시키기 위하여 첨가하는 원소는?
4과목: 컴퓨터응용설계
61. 동차좌표(Homogeneous coordinate)에 의한 표현을 바르게 설명한 것은?
62. (x + 7)2 + (y - 4)2 = 64 인 원의 중심과 반지름은?
63. 베어링 계열기호 중 앵귤러 볼 베어링을 나타내는 것은?
64. 다음 중 CAD 시스템용 입력장치가 아닌 것은?
65. 2차원 좌표계에서 좌표를 [x,y,1]과 같이 row vector로 표시할 때
변환행렬은 어느 축으로 회전시켰을 때의 회전인가?
66. 나사의 도시법에 대한 설명 중 틀린 것은?
67. 한 문자를 표시하는데 7개의 데이터 비트와 1개의 패리티 비트를 사용하며, 존 비트 3개와 디짓 비트 4개로 구성되어 있으며, 128개의 문자 표현을 할 수 있는 표준 코드는 무엇인가?
68. 보기와 같이 숫자를 □ 속에 기입하는 이유는?
69. 다음의 설명 중 맞는 것은 어느 것인가?
70. 코일 스프링의 모양만을 도시할 경우 재료의 중심선을 어떤 선으로 표시하는가?
71. 다음에서 주어진 정면도와 평면도에 맞는 우측면도로 올바른 것은?




" 가 올바른 우측면도입니다. 다른 보기들은 물체의 비대칭적인 모양을 제대로 나타내지 못하거나, 물체의 크기와 비례하지 않는 크기로 그려져 있습니다.72. 기하 공차의 종류 중 모양 공차에 해당되지 않는 것은?
73. 두 개 이상의 곡면을 부드럽게 연결되게 하는 곡면 처리를 무엇이라 하는가?
75. CAD 시스템 출력 장치가 아닌 것은 어느 것인가?
76. 반복 도형의 피치를 잡는 기준이 되는 피치선의 선의 종류는?
77. 다음 그림 중 단면도의 종류가 틀린 것은?




"입니다. 이유는 이 그림은 단면도가 아니라 평면도이기 때문입니다. 단면도는 물체를 자르고 그 단면을 보여주는 것이지만, 이 그림은 물체를 자르지 않고 전체 모습을 보여주고 있습니다.78. 대상물의 보이는 부분의 형상을 표시하는데 사용하는 선은?
79. CAD시스템에서 점의 작성 방법이 아닌 것은?
80. 다음 그림에서
부분이 뜻하는 의미는 무엇인가?
부분은 "평면"을 뜻한다. 이는 3차원 공간에서 두 개의 직선이 만나는 지점을 나타내는데, 이 지점을 통해 두 개의 평면이 만들어지기 때문이다.
로 이루어진 평행사변형의 넓이를 구한 식으로 맞는 것은?



