1과목: 전기자기학
1. 변위전류와 가장 관계가 깊은 것은?
2.
(일정)이란 전기력선 방정식이 성립할 수 있는 조건 중 틀린 것은?
3. 쌍극자 모멘트가 M[C.m]인 전기쌍극자에 의한 임의의 점 P의 전계의 크기는 전기쌍극자의 중심에서 축방향과 점 P를 잇는 선분사이의 각이 얼마일 때 최대가 되는가?
4. 공간 도체내의 한점에 있어서 자속이 시간적으로 변화하는 경우에 성립하는 식은?




"이 정답이다. 이유는 자속이 시간적으로 변화하는 경우에는 Faraday의 전자기유도법칙이 성립하며, 이를 수식으로 나타내면 Curl E = -dB/dt이다. 여기서 E는 전기장, B는 자기장을 나타내며, Curl은 회전을 의미하는 연산자이다. 따라서 정답은 Curl B이며, 이는 보기 중에서 "Curl
"이다.5. 자계의 세기 H[AT/m], 자속밀도 B[Wb/m2], 투자율 μ[H/m]인 곳의 자계의 에너지 밀도는 몇 J/m3 인가?



" 이다. 이유는 자계의 에너지 밀도 공식을 이용하여 계산하면 그렇기 때문이다.6. 자유공간 중에서 전위 V=xyz[V]일 때 0≤x≤1, 0≤y≤1, 0≤z≤1인 입방체에 존재하는 정전에너지는 몇 J 인가?




"이다.7. 원통좌표계에서 전류밀도 j = Kr2az [A/m2]일 때 암페어의 법칙을 사용하여 자계의 세기 H 를 구하면? (단, K는 상수이다.)




"이다.8. 단면적 S, 평균반지름 r, 권회수 N인 토로이드코일에 누설자속이 없는 경우, 자기인덕턴스의 크기는?
9. 철심이 들어있는 환상코일에서 1차코일의 권수가100회일 때 자기인덕턴스는 0.01H이었다. 이 철심에 2차코일을 2000회 감았을 때 2차코일의 자기인덕턴스와 상호인덕턴스는 각각 몇 H 인가?
10. 분극 중 온도의 영향을 받는 분극은?
11. 그림과 같은 자기회로에서 R1, R2, R3는 각 회로의 자기 저항이고 Φ1, Φ2, Φ3는 각각 R1, R2, R3 에 투과되는 자속이라 하면 Φ3 의 값은? (단, R1⇒
, R2⇒
, R3⇒
이다.)



" 이다.12. 내원통의 반지름 a, 외원통의 반지름 b인 동축원통 콘덴서의 내외 원통사이에 공기를 넣었을 때 정전용량이 Co이었다. 내외 반지름을 모두 3배로 하고 공기대신 비유전률 9 인 유전체를 넣었을 경우의 정전용량은?


13. 내압이 1㎸이고 용량이 각각 0.01㎌, 0.02㎌, 0.04㎌인 콘덴서를 직렬로 연결했을 때 전체 콘덴서의 내압은 몇 V 인가?
14. 그림에서 ℓ =100cm, S=10cm2, μs=100, N=1000회인 회로에 전류 I=10A를 흘렸을 때 저축되는 에너지는 몇 J 인가?
15. 반지름 a[m]의 원판형 전기 2중층의 중심축상 x[m]의 거리에 있는 점 P(+전하측)의 전위는 몇 V 인가? (단, 2중층의 세기는 M[C/m]이다.)




"이다.16. 반지름 a인 원형코일의 중심축상 r[m]의 거리에 있는 점 P의 자위는 몇 A 인가? (단, 점 P에 대한 원의 입체각을 ω, 전류를 I[A]라 한다.)



"이다.17. 한변의 길이가 ℓ인 정사각형 도체에 전류 I[A]가 흐르고 있을 때 중심점 P의 자계의 세기는 몇 A/m 인가?


"가 된다.18. 유전체 역률(tanδ)과 무관한 것은?
19. 자기회로의 자기저항에 대한 설명으로 옳은 것은?
20. 다음 사항 중 옳은 것은?
2과목: 회로이론
21. α { f(t)} = F(S)일 때
는?




는 F(S)의 라플라스 역변환인 f(t)와 같으므로, "
"이 정답이다.22. 대칭 4단자 회로망의 영상 임피던스는?




" 이다.23. 다음 회로망은 T형 회로 및 π 형 회로의 종속 접속으로 이루어졌다. 이 회로망의 ABCD parameter 중 잘못 구하여 진것은?
24. 단위 계단함수 U(t)와 지수 e-t의 컨볼루션 적분은?
25. 상수 1의 라플라스 역변환은?
26. 역률 80[%], 부하의 유효전력이 80[kW]이면 무효전력은?
27. 페이저도가 다음 그림과 같이 주어졌을 때 이 페이저도에 일치하는 등가 임피던스는?
28. 다음 그림과 같은 4단자 회로의 어드미턴스 파라미터의 Y22는?
29. R = 100 Ω , L = 25.3 mH, C = 100 μ F 인 R-L-C 회로에 V=100√2 sinω t인 전압을 인가할 때 위상각은? (단,f=100Hz)
30. 컷 셋(cut-set)의 구성 요소는?
31. 그림에 표시한 회로의 임피던스가 R이 되기 위한 조건은?


32. 두 회로간에 쌍대 관계가 옳지 않은 것은?
33. 선형 회로망에 가장 관계가 있는 것은?
34. 이상 변압기의 권선비는?




35. S-평면상에 영점(0)과 극(x)이 그림과 같이 표현되는 함수는?
36. R-L-C 직렬회로에 t=0 인 순간, 직류전압을 인가한다면 2계 선형 미분방정식은?




"이다.37. 다음 그림과 같은 구형파(square wave)의 실효값은?




" 이 된다.38. 이상적인 변압기의 권수비(ratio of turns) n을 표현한 것으로 옳지 않은 것은?




"이 옳지 않은 이유는, 이상적인 변압기의 권수비는 입력전압과 출력전압의 비율과 같기 때문이다. 즉, "
"는 입력전압과 출력전압의 비율을 나타내는 것이 아니라, 입력전류와 출력전류의 비율을 나타내기 때문에 옳지 않다.39. 저항 3Ω과 리액턴스 4Ω을 병렬 연결한 회로의 역률은?
40. 다음 회로에 중첩의 정리를 써서 2[Ω ]의 저항에 흐르는 전류 i를 구하면?
3과목: 전자회로
41. 다음과 같은 이득이 A인 연산증폭기 회로에서 출력전압 Vo를 나타내는 것은?(단, Vi는 입력 신호 전압이다.)



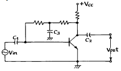
"가 정답이 된다.42. 다음 회로에서 Ico에 대한 Ic의 안정계수는?
43. 다음 회로에서 C1, C2, C3의 리액턴스가 신호 주파수에서 매우 적은 경우 콘덴서 C3를 제거 한다면?
44. 다음 회로에서 전압 이득을 구하면? (hie = 1[㏀], β = hfe = 50, VBE = 0.7V)
45. computer가 외부와 교류하여 상호 정보교환을 하는 데는 interrupt, polling, DMA, I/O등이 있다. 이들의 총칭은?
46. 트랜지스터의 밀러(Miller)입력 저항 성분은 주파수가 0에서 fH까지 증가함에 따라 어떻게 되는가? (단, fH:High 3㏈ 주파수)
47. 궤환 회로를 포함한 직렬형 정전압 회로의 특징을 잘못 기술한 것은?
48. 궤환증폭회로에서 전압증폭도
라 할 때 부궤환의 조건은?(단, A는 부궤환시의 증폭도이다.)
49. 궤환 발진기의 바크하우젠(Barkhausen)의 발진 조건은?
50. PN접합 다이오드의 온도와 역포화 전류와의 관계를 올바르게 나타낸 것은?
51. 트랜지스터 컬렉터 누설 전류가 주위온도 변화로 1.6[㎂] 에서 160[㎂]로 증가되었을 때 컬렉터 전류의 변화가 1[㎃]라 하면 안정률은 약 얼마인가?
52. 다음과 같은 comparator 회로에서 입력에 정현파를 인가하면 출력파형은?
53. 저주파 전력 증폭기의 출력 측 기본파 전압이 100[V] 제2 및 제3 고조파 전압이 각 각 4[V]와 3[V]라면 이 경우의 왜율은?
54. 부궤환 증폭기의 특성으로 옳지 않은 것은?
55. 그림회로에서 V2에 해당되는 출력 전압을 나타낸 식은?




"이다.56. 그림의 논리 다이어그램이 나타내는 논리식은?


"와 "
"는 OR 게이트를 나타내는데, 두 입력 중 하나 이상이 참일 때 출력이 참이 되므로, 이 경우에도 정답이 아니다.57. 710을 그레이 코드(gray code)로 변환하면?
58. ECL 회로의 특징을 설명한 것 중 옳지 않은 것은?
59. 부궤환 증폭기에서 궤환이 없을 때 전압이득이 60[dB]이고, 궤환율이 0.01일 때 증폭기의 이득은?
60. 다음 게이트 중 출력을 직접 연결하여 OR 게이트로 연결된 것처럼 쓸 수 있는 출력 방식은?
4과목: 물리전자공학
61. 발광 다이오드(LED)에 대한 설명 중 옳지 않은 것은?
62. 열평형 상태에 있는 반도체에서 정공(正孔)밀도 P와 전자 밀도 n을 곱한 pn적에 관한 설명 중 옳은 것은?
63. 정지하고 있는 전자를 V[V]의 전위차로 가속 시킬 때의 속도를 구하는 식은?




" 이다. 이유는 이 식에서 전하량 q와 질량 m은 전자에 대한 고유한 값이므로 상수이다. 따라서 전위차 V가 증가하면 속도 v는 V의 제곱근에 비례하여 증가하게 된다.64. 전자 볼트(electron volt)에 대한 설명으로 옳은 것은?
65. 다음의 방전 중에서 비교적 낮은 전압 강하로 큰 전류를 얻는 것은?
66. 진성 반도체에 대한 설명 중 옳지 않은 것은?
67. 고주파 특성이 좋은 트랜지스터를 만들기 위한 조건 중 옳지 않은 것은?
68. 금속체 내에 있는 전자가 표면장벽을 넘어서 금속 밖으로 방출되기 위하여 필요한 최소의 에너지를 가르키는 것은?
69. Si 결정에서의 전자 이동도는 T=300[K]에서 0.12[m2/Volt-sec] 이다. 상온에서 전자의 확산계수는? (단, 볼쯔만 상수 k=8.63×10-5[eV/K]이다.)
70. 열전자 방출에 대한 설명으로 옳지 않은 것은?
71. 2중 베이스 다이오드라고도 불리어지는 소자는?
72. 바랙터(varactor) 다이오드는 어떠한 양(量)들 사이의 비직선적 관계를 이용하는 소자인가?
73. 절대온도 00K 에서 진성 반도체는 어느 것과 같은가?
75. 드브로이(de Broglie) 물질파의 개념에서 볼 때 전자파의 파장이 무한대일 경우 전자의 상태는?
76. 전자 수가 32인 원자의 가전자 수는?
77. 다음 레이저(LASER)에 관한 설명 중 옳지 않은 것은?
78. PN 접합 다이오드의 용량에는 확산용량 Cd와 접합용량 Ct가 있다. 다음 중 옳은 것은?
79. 온도가 상승하면 N형 반도체의 Fermi 준위는 어디에 위치하게 되는가?
80. Pn 접합 다이오드에 역바이어스 전압을 인가 할 때 나타나는 현상을 바르게 설명한 것은?(단, 브레이크다운 전압(breakdown voltage) 보다는 낮은 범위이다.)
5과목: 전자계산기일반
81. 가상 메모리(virtual memory)에 대한 설명 중 옳지 않은 것은?
82. 보통의 마이크로프로세서 코드에서 오퍼랜드가 될 수 없는 것은?
83. 마이크로 프로그램을 이용한 제어장치를 사용하는 컴퓨터의 특성이 아닌 것은?
84. 소프트웨어적으로 인터럽트의 우선 순위를 결정하는 인터럽트 형식은?
85. 다음의 자료처리에 큐(queue)의 사용이 적당하지 않은 것은?
86. 마이크로 프로그램의 설명 중 가장 적당한 것은?
87. 1024 x 16비트의 주기억장치를 가진 컴퓨터에서 MAR(Memory Address Register)과 MBR(Memory Buffer Register)의 비트 수는?
88. 다음 보기의 주소지정방식은?
89. 두 문자의 비교(compare)에 가장 적합한 논리 연산은?
90. 분산처리시스템은 마이크로프로세서의 발달과 마이크로 컴퓨터의 대량 보급으로 더욱 확산되고 있다. 이러한 분산처리시스템의 장점이 아닌 것은?
91. 다음 번지지정방식 중에서 OP 코드 자신이 특정 레지스터의 동작을 지정하여 주는 것은?
92. 다음 명령 형식 중 데이터의 처리가 누산기(Accumulator) 에서 이루어지는 형식은?
93. 순서도의 사용에 대한 설명 중 옳지 않은 것은?
94. 마이크로프로세서의 control signal에 대한 설명 중 옳은 것은?
95. 컴퓨터 시스템에서 입·출력 속도를 높이기 위해서 마이크로프로세서의 제어를 받지 않고 직접 메모리를 Access하는 방법은?
96. CPU는 처리 속도가 빠르고, 주변장치는 늦기 때문에 CPU를 효율적으로 사용하기 위한 방안으로 주변장치에서 요청이 있을 때만 Service를 해주고 그 외에는 CPU가 다른 일을 하는 방식은?
97. 고급 언어로 작성된 프로그램을 컴퓨터가 이해할 수 있는 기계어로 번역해 주는 프로그램을 무엇이라고 하는가?
98. 다음에 실행할 명령이 기억되어 있는 주기억장치의 주소를 가지고 있는 레지스터는?
99. 다음 명령어의 형식에 대한 설명 중 옳지 않은 것은?
100. CPU가 입·출력 데이터 전송을 메모리에서의 데이터 전송과 같은 방법으로 수행할 수 있는 입ㆍ출력 제어방식은?