1과목: 전기자기학
1. 자극의 세기가 8×10-6 [Wb], 길이가 3[cm]인 막대자석을 120[AT/m]의 평등자계 내에 자력선과 30°의 각도로 놓으면 이 막대자석이 받는 회전력은 몇 [Nㆍm] 인가?
2. 다음 중 무한 솔레노이드에 전류가 흐를 때에 대한 설명으로 가장 알맞은 것은?
3. 반지름 1[cm]인 원형코일에 전류 10[A]가 흐를 때, 코일의 중심에서 코일면에 수직으로
cm 떨어진 점의 자계의 세기는 몇 [A/m] 인가?
4. 전지에 연결된 진공 평행판 콘덴서에서 진공 대신 어떤 유전체로 채웠더니 충전전하가 2배로 되었다면 전기감수율(susceptibility) Xer은 얼마인가?
5. 길이가 1[cm], 지름이 5[mm]인 동선에 1[A]의 전류를 흘렸을 때 전자가 동선을 흐르는 데 걸린 평균 시간은 대략 얼마인가? (단, 동선에서의 전자의 밀도는 1×1028 [개/m3 ]라고 한다.)
6. 유전체내의 전속밀도를 정하는 원천은?
7. 다음 중 전계 E 가 보존적인 것과 관계되지 않는 것은?
8. 반지름이 3cm 인 원형 단면을 가지고 있는 환상 연철심에 코일을 감고 여기에 전류를 흘려서 철심 중의 자계 세기가 400[AT/m]가 되도록 여자할 때, 철심 중의 자속밀도는 약 몇 [Wb/m2] 인가?
9. 진공 중의 점 A에서 출력 50[kW]의 전자파를 방사하여 이것이 구면파로서 전파할 때 점 A에서 100[km] 떨어진 점 B에 있어서의 포인팅 벡터값은 약 몇 [W/m2] 인가?
10. 전위함수 V = 5x2 y+z[V]일 때 점(2, -2, 2)에서 체적전하밀도 ρ[C/m3]의 값은? (단, ε0는 자유공간의 유전율이다.)
11. 간격 3[cm], 면적 30[cm2]의 평판콘덴서에 220[V]의 전압을 가하면 양판 간에 작용하는 힘은 약 몇 [N]인가? (단, 유전율 ε0 = 8.855×10-12 [F/m]이다.)
12. 다음 중 거리 r에 반비례하는 것은?
13. 전자유도법칙과 관계가 가장 먼 것은?
14. ∇⋅J = -∂ρ/∂t 에 대한 설명으로 옳지 않는 것은?
15. 다음 그림은 콘덴서 내의 변위전류에 대한 설명이다. 이 콘덴서의 전극면적을 S[m2], 전극에 저축된 전하는 q[C], 전극의 표면전하 밀도를 σ[C/m2], 전극사이의 전속밀도를 D[C/m2]라 하면 변위전류밀도 id [A/m2]의 값은?


16. 내부장치 또는 공간을 물질로 포위시켜 외부 자계의 영향을 차폐시키는 방식을 자기차폐라 한다. 다음 중 자기차폐에 가장 좋은 것은?
17. 점전하에 의한 전위함수가 V = x2+y2 [V]로 주어진 전계가 있을 때 이 전계의 전기력선의 방정식은? (단, A는 상수이다.)

18. 매질이 완전 유전체인 경우의 전자 파동 방정식을 표시하는 것은?




19. 다음 중 유전체에서 전자분극이 나타나는 이유를 설명한 것으로 가장 알맞은 것은?
20. 다음 중 폐회로에 유도되는 유도기전력에 관한 설명중 가장 알맞은 것은?
2과목: 회로이론
21. 4단자 회로망에서 파라미터 사이의 관계로 옳은 것은?
22. 고유저항 ρ , 반지름 r, 길이 ℓ인 전선의 저항이 R일 때, 같은 재료로 반지름은 m 배, 길이는 n 배로 하면 저항은 몇 배가 되는가?
23. R, L, C가 직렬로 연결될 때 공진현상이 일어날 조건은? (단, ω는 각 주파수이다.)


24. 다음 중 e-atsinωt의 라플라스 변환은?
25. 분류기를 사용하여 전류를 측정하는 경우 전류계의 내부저항이 0.1[Ω], 분류기의 저항이 0.01[Ω]이면 그 배율은?
26. 다음 중 정현 대칭에서는 어떤 함수식이 성립하는가?
27. 1 neper는 약 몇 [dB] 인가?
28. v(t) = 100sinωt[V]이고, i(t) = 2sin(ωt-π/3)[A]에 대한 평균 전력을 구하면 몇 [W] 인가?
29. 다음 그림의 브리지가 평형 상태라면 C1의 값은?
30. R-L-C 직렬회로에서 자유 진동 주파수는?




31. 두 회로간의 쌍대 관계가 옳지 않은 것은?
32. 그림과 같은 정 K형 필터가 있다고 할 때, 이 필터는?
33. 다음 그림과 같은 회로의 구동점 임피던스가 정저항회로가 되기 위한 Z1, Z2 및 R의 관계는?
34. 그림과 같은 4단자 회로망에서 4단자 정수를 ABCD 파라미터로 나타낼 때 A는? (단, A는 개방 역방향 전압이득이다.)
35. S 평면상에서 전달함수의 극점(pole)이 그림과 같은 위치에 있으면 이 회로망의 상태는?
36. 다음 회로에 흐르는 전류 I는 약 몇 [A] 인가? (단, E : 100[V], ω : 1000[rad/sec])
37. R-L 직렬 회로에서 10[V]의 교류 전압을 인가하였을 때 저항에 걸리는 전압이 6[V]였다면 인덕턴스에 유기되는 전압은 몇 [V] 인가?
38. 그림과 같은 회로에서 L1 = 3[H], L2 = 5[H], M=2[H]일 때 a, b 간의 인덕턴스는?
39.
일 때, e1 + e2 의 실효치는 약 얼마인가?




40. R-L-C 직렬회로에서 과도현상의 진동이 일어나지 않을 조건은?



3과목: 전자회로
41. RC 결합 증폭 회로에서 증폭 대역폭을 4배로 하려면 증폭 이득은 약 몇 [dB]로 감소시켜야 하는가?
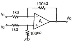
42. 다음 그림과 같은 연산회로의 출력전압 VO는?




43. 그림 (a) 회로의 동작이 그림 (b)와 같다. 이 때 구간 A와 관련이 깊은 것은?
44. 다음 회로와 가장 관련이 깊은 것은?
45. 다음 그림의 회로에서 차동 증폭기의 출력 전압 VO는? (단, V2 = 4V1)
46. 다음 회로에서 부하 RL에 흐르는 전류는?
47. 다음 회로에 대한 설명 중 옳지 않은 것은? (단, C1, C2는 이 회로의 모든 동작주파수에서 단락회로로 동작한다고 가정한다.)
48. 궤환 증폭기에서 무궤환시 전압 이득이 100 이고, 고역 3[dB] 차단 주파수가 150[kHz] 일 때, 궤환시 전압이득이 10 이면 고역 3[dB] 차단 주파수는 몇 [kHz]인가?
49. 전압이득이 60[dB]인 저주파 증폭기에서 출력신호의 비직선 일그러짐이 10[%]일 때, 이를 1[%]로 개선하기 위해 필요한 궤환율은 약 얼마인가?
50. 다음 회로에서 저항 Re의 역할로 가장 적합한 것은? (단, Ce의 용량은 무한대이다.)
51. FET 증폭기에서 이득-대역폭(GB) 적을 크게 하려면?
52. 트랜지스터의 컬렉터 누설전류가 주위 온도변화로 1.6[μA]에서 160[μA]로 증가되었을 때 컬렉터의 전류변화가 1[mA]라 하면 안정도 계수 S(ICO)는 약 얼마인가?
53. 베이스변조와 비교하여 컬렉터변조회로의 특징으로 적합하지 않은 것은?
54. 그림과 같은 부궤환 증폭기에서 출력 임피던스는 궤환이 없을 때에 비하여 어떻게 변하는가?
55. 100[V]로 충전되어 있는 1[μF] 콘덴서를 1[MΩ]의 저항을 통하여 방전시키면 1초 후의 콘덴서 양단의 전압은? (단, 자연대수 e=2.71828 이다.)
56. 2진 디지털 부호의 정보 내용에 따라 반송파의 위상을 두 가지로 천이 되도록 하는 변조방식은?
57. 부궤환 증폭기에서 궤환이 없을 때의 전압증폭 이득이 40[dB]이고, 입력 측으로의 궤환율 β = 0.03인 경우 이 부궤환 증폭기의 전압 이득은 얼마인가?
58. 연산증폭기를 이용한 슈미트 트리거 회로를 사용하는 목적으로 가장 적합한 것은?
59. 그림과 같은 B급 푸시풀 증폭기에서 최대 신호 출력 전력은? (단, 입력 신호는 정현파이다.)
60. 그림과 같은 트랜지스터 소신호 증폭기에서 입력 임피던스 Rin은 다음 중 어느 값에 가장 가까운가? (단, Rc = 5kΩ, Re = 2kΩ, Rs = 3kΩ, hie = 1kΩ, hfe = 50 이다.)
4과목: 물리전자공학
61. 다음 설명 중 옳지 않은 것은?
62. 일정한 자속밀도 B를 가지고 있는 균일한 자계와 수직을 이루는 평면상을 일정한 속도 v로 원운동하고 있는 전자의 회전 주기에 관계없는 것은?
63. 300[K]에서 P형 반도체의 억셉터 준위가 32[%]가 채워져 있을 때 페르미 준위와 억셉터 준위의 차이는 몇 [eV] 인가?
64. 순수 반도체가 절대온도 0[K]의 환경에 존재하는 경우, 이 반도체의 특성을 가장 바르게 설명한 것은?
65. P 채널 전계 효과 트랜지스터(FET)에 흐르는 전류는 주로 어느 현상에 의한 것인가?
66. 전자의 운동량(P)과 파장(λ) 사이의 드브로이(DeBroglie) 관계식은? (단, h는 Plank 상수)
67. 서미스터(thermistor)에 대한 설명 중 옳지 않은 것은?
68. 반도체에 전계(E)를 가하면 정공의 드리프트(drift) 속도의 방향은?
69. 운동 전자가 가지는 파장이 3×10-10 [m]인 경우, 그 전자의 속도는? (단, 프랭크 상수 h = 6.6×10-34[Jㆍsec], 전자의 질량 m = 9.1×10-31[kg]
70. 전자 방출에서 전계에 의해서 일함수가 작아져서 전자 방출이 쉬워지는 현상을 무엇이라 하는가?
71. 전자가 광속도로 운동을 할 때, 이 전자의 질량은?
72. 전자의 전체 에너지를 E, 운동량은 P라 하면 위치 에너지는?




73. 실리콘 단결정 반도체에서 P형 불순물로 적합하지 않은 것은?
74. PN 접합의 공간 전하영역에 대한 설명으로 가장 옳은 것은?
75. 500[V] 전압으로 가속된 전자의 속도는 10[V]의 전압으로 가속된 전자 속도의 몇 배인가?



76. 에너지 준위도에서 0 준위는?
77. 컬렉터(collector) 접합부의 온도 상승으로 인하여 트랜지스터가 파괴되는 현상은?
78. 접합 트랜지스터에서 주입된 과잉 소수 캐리어는 베이스 영역을 어떤 방법에 의해서 흐르는가?
79. 어떤 도체의 단면을 1[A]의 전류가 흐를 때, 이 단면을 0.01초 동안에 통과하는 전자수는? (단, 전자의 전하량 Q = 1.6×10-19 [C]이다.)
80. 한 금속 표면에 6500[Å] 미만의 파장을 갖는 빛을 조사하였을 경우에만 광전자가 튀어 나왔다면 이 금속의 일함수는 약 얼마인가?
5과목: 전자계산기일반
81. 조건에 따라 처리를 반복 실행하는 플로우 차트의 기본형은?
82. 고속의 입ㆍ출력 장치에 사용되는 데이터 전송 방식은?
83. 명령어의 수행 단계에 해당되지 않는 것은?
84. 다음 주소비정 방식 중에서 반드시 누산기를 필요로 하는 방식은?
85. 다음 중 컴퓨터의 기본 구성 요소가 아닌 것은?
86. 스택(stack)에 대한 설명 중 옳은 것은?
87. 시프트 레지스터에서 가장 시간이 적게 걸리는 입ㆍ출력 방식은?
88. 다음 항목 중 마이크로 사이클의 동기 가변식(synchronous variable)에 대한 설명으로 옳은 것은?
89. 다음 RISC 방식의 CPU 구조에 대한 설명으로 옳지 않은 것은?
90. 데이터 전송 방법 중에서 플로피디스크에 있는 자료들을 메모리로 옮기고자 할 경우 가장 효과적인 것은?
91. C 언어에 대한 특징으로 옳지 않은 것은?
92. 서브루틴을 호출할 때 복귀 주소(return address)를 기억하는데 주로 사용하는 것은?
93. 캐시 메모리에서 사용되는 매핑(mapping) 방법이 아닌 것은?
94. 짝수 패리티 비트의 해밍(HAMMING) 코드는 0011011을 받았을 때 오류가 수정된 정확한 코드는?
95. shift 연산에서 binary number가 4번 shift-left한 경우의 number는?
96. 다음 중앙처리장치에 속해 있는 레지스터(register)들에 대한 설명으로 옳지 않은 것은?
97. JAVA 같은 객체지향 언어의 개념에서 객체가 메시지를 받아 실행해야 할 구체적인 연산을 정의한 것은?
98. 부동소수점 표현의 수를 사이의 곱셈 알고리즘 과정에 포함되지 않는 것은?
99. 다음 중 중앙처리장치 내의 부동소수점 연산만을 전문적으로 수행하는 장치는?
100. 컴퓨터에서 세계 각국의 언어를 통일된 방법으로 표현할 수 있게 제안된 국제적인 코드는?
회전력 = 자극의 세기 × 길이 × 평균자기강도 × sin(θ)
여기서 자극의 세기는 8×10-6 [Wb], 길이는 3[cm]이고, 평균자기강도는 120[AT/m]이다. 또한, 자력선과의 각도는 30°이므로 sin(θ)는 0.5이다. 따라서,
회전력 = 8×10-6 × 3 × 120 × 0.5 = 1.44×10-5 [Nㆍm]
따라서 정답은 "1.44×10-5 [Nㆍm]"이다.