1과목: 전기자기학
1. 무한히 넓은 평면 자성체의 앞 a[m] 거리의 경계면에 평행하게 무한히 긴 직선 전류 I[A]가 흐를 때, 단위 길이당 작용력은 몇 [N/m]인가?




"이다.2. 전선을 균일하게 2배의 길이로 당겨 늘였을 때 체적이 불변이라면 저항은 몇 배가 되는가?
3. 대지면 높이 h[m]로 평행하게 가설된 매우 긴 선전하(선전하 밀도 λ[C/m])가 지면으로부터 받는 힘[N/m]은?
4. 자속밀도가 10[Wb/m2]인 자계 내의 길이 4[cm]의 도체를 자계와 직각으로 높고 이 도체를 0.4초 동안 1[m]씩 균일하게 이동하였을 때 발생하는 기전력은 몇 [V] 인가?
5. 그림과 같이 공기 중에서 무한평면도체의 표면으로부터 2[m]인 곳에 점전하 4[C]이 있다. 전하가 받는 힘은 몇 [N]인가?
6. 반지름 a[m]인 구대칭 전하에 의한 구내외의 전계의 세기에 해당되는 것은? (문제 오류로 실제 시험에서는 1, 4번이 정답처리 되었습니다. 여기서는 1번을 누르면 정답 처리 됩니다.)




이고, 구 외부에서는
이다. 이는 구내외의 전하분포가 다르기 때문이다. 구 내부에서는 전하가 모여있기 때문에 전계의 세기가 높아지고, 구 외부에서는 전하가 흩어져 있기 때문에 전계의 세기가 낮아진다.7. 반지름이 3[m]인 구에 공간 전하밀도가 1[C/m3]가 분포되어 있을 경우 구의 중심으로부터 1[m]인 곳의 전위는 몇 [V]인가?
8. 한 변의 길이가 3[m]인 정삼각형의 회로에 2[A]의 전류가 흐를 때 정삼각형 중심에서의 자계의 크기는 몇 [AT/m]인가?
9. 한 변의 길이가 1[m]인 정삼각형 회로에 전류 I[A]가 흐르고 있을 때 삼각형 중심에서의 자계의 세기[AT/m]는?




"가 정답이다.10. 전기 쌍곡자에 관한 설명으로 틀린 것은?
11. 서로 멀리 떨어져 있는 두 도체를 각각 V1, V2의(V1>V2) 전위로 충전한 후 가느다란 도선으로 연결하였을 때 그 도선에 흐르는 전하 Q[C]는? (단, C1, C2는 두 도체의 정전용량이다.)




"이다.12. 비투자율 800, 원형단면적 10[cm2], 평균자로의 길이 30[cm]인 환상철심에 600회의 권선을 감은 코일이 있다. 여기에 1[A]의 전류가 흐를 때 코일 내에 생기는 자속은 약 몇 [Wb]인가?
13. 전류가 흐르고 있는 도체와 직각방향으로 자계를 가하게 되면 도체 측면에 정ㆍ부의 전하가 생기는 것을 무슨 효과라 하는가?
14. 벡터A=5e-rcosøar, A=-5e-rcosøaz가 원통좌표계로 주어졌다 점(2, 3π/0, 0)에서의 ∇×A를 구하였다. a2의 계수는?
15. 송전선의 전류가 0.01초 사이에 10[kA] 변화될 때 이 송전선에 나란한 통신선에 유도되는 유도전압은 몇 [V]인가? (단, 송전선과 통신선 간의 상호유도계수는 0.3[mH]이다.)
16. 극판간격 d[m], 면적 S[m2], 유전율 ε[F/m]이고 정전용량이 C[F]인 평행판 콘덴서에 v=Vmsinωt[V]의 전압을 가할 때의 변위전류[A]는?
17. 내부저항이 r[Ω]인 전지 M개를 병렬로 연결했을 때, 전지로부터 최대 전력을 공급받기 위한 부하저항[Ω]은?
18. 인덕턴스가 20[mH]인 코일에 흐르는 전류는 0.2초 동안에 2[A] 변화했다면 자기유도현상에 의해 코일에 유기되는 기전력은 몇 [V]인가?
19. 판 간격이 d인 평행판 공기콘덴서 중에 두께 t이고, 비유전율이 εs인 유전체를 삽입하였을 경우에 공기의 절연파괴를 발생하지 않고 가할 수 있는 판 간의 전위차는? (단, 유전체가 없을 때 가할 수 있는 전압을 V라 하고 공기의 절연내력은 Eo라 한다.)




"에 해당한다.20. 변위전류밀도와 관계없는 것은?
2과목: 회로이론
21. 100[V]의 교류전압을 인가했을 때 입력전류 I의 크기는?
22. 4단자 회로망에 있어서 4단자 정수(또는 ABCD파라미터) 중 정수 A와 C의 정의가 옳은 것은?




"이다.23. 점선으로 표시된 부분의 부하에서 소모되는 평균전력은? (단, i1=5√2 sin 2t이다.)(오류 신고가 접수된 문제입니다. 반드시 정답과 해설을 확인하시기 바랍니다.)
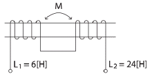
24. 이상변압기의 합성인덕턴스는 얼마인가? (단, L1= 6H, L2= 24H)
25. 다음 그림과 같은 정저항 회로가 되려면 ωL의 값[Ω]은?(오류 신고가 접수된 문제입니다. 반드시 정답과 해설을 확인하시기 바랍니다.)
26. 두 4단자 회로를 연결했을 때 전체 임피던스 파라미터가 각각의 임피던스 파라미터의 합으로 표시되었다면 두 4단자 회로는?
27. 주파수 영역에서의 미분[dF/dw]은 시간 영역에서 어떻게 표현되는가?
28. 단위 계단함수 u(t-a)의 그림으로 옳은 것은?




"이다.
"는 이러한 조건을 만족하며, 다른 보기들은 그렇지 않다.29. 다음 회로망 그래프에서 가지 1, 2, 5로서 나무를 선택할 때 컷셋[cut-set]은?
30. 1[H]인 인덕터에 그림과 같은 전류가 흐를 때 전압 파형은?




"입니다.31. 형광등에 100[V]를 가했을 때, 0.5[A]의 전류가 흐르고 그 소비전력은 40[W]이었다면, 이 형광등의 역률은?
32. 필터의 분류가 다른 하나는?(오류 신고가 접수된 문제입니다. 반드시 정답과 해설을 확인하시기 바랍니다.)




33. 다음 파형의 t=1초에서의 컨볼루션(Convolution)의 값은? (단, h(t)는 임펄스 응답이다.)
34. 키르히호프의 제 2법칙에 대한 설명으로 옳은 것은? (단, 주어진 회로는 집중회로이다.)
35. 1[dB]를 neper 단위로 변화하면 약 얼마인가?
36. 그림의 회로에서 스위치 S를 t=0에서 닫았을 때 (VL)t=0=50[V], (di/dt)=100[A/sec]라면 L의 값은 얼마인가?
37. 함수 x(t)=2e-2(t-3)u(t-3)의 라플라스 변환식 X(s)는?




" 이다.38. 다음 그림과 같은 극(pole)과 영점(zero)을 갖는 함수는?




"은 영점이 복소수 평면의 왼쪽 하단에 위치하고 있으며, 이는 함수의 값이 음수가 되는 영역을 나타내기 때문이다.39. t=0일 때 스위치를 닫으면 C에 걸리는 전압의 과도현상을 표현한 것은?




"이 정답이 된다.40. 내부 임피던스가 순저항 50[Ω]인 전원과 450[Ω]의 순저항 부하 사이에 임피던스 정합을 위한 이상 변압기의 권선비 N1 : N2는?
3과목: 전자회로
41. 다이오드 직선 검파회로에서 변조도 50[%], 진폭 10√2[V]인 피변조파가 인가되었을 때 부하저항에 나타나는 변조 신호파 출력 전압은? (단, 검파 효율은 80[%]이다.)
42. 전달 컨덕턴스 증폭기(trans conductance amplifier)의 이상적 특성으로 옳은 것은? 단 (Ri는 증폭기 입력저항, R0는 출력저항이다.)
43. 연산증폭기의 입출력 전압 특성이 그림과 같을 때, DC 오프셋 전압은?
44. JFET에서 포화 드레인 전류(IDS)를 나타낸 식은? (단, IDS는 VGS=0일 때 드레인 전류이다.)






45. MOSFET의 포화영역 동작모드와 유사한 BJT의 동작모드는?
46. 회로에서 입력부 필터와 주파수 응답곡선으로 맞는 것은?




"는 입력부 필터와 주파수 응답곡선이 일치하는 지점으로, 이는 입력부 필터가 저주파 신호를 통과시키고 고주파 신호를 차단하는 역할을 잘 수행한다는 것을 나타냅니다. 따라서 정답은 "
"입니다.47. 그림의 전계효과 트랜지스터(FET) 전압병렬 귀환증폭회로에서 귀환이 없는 경우와 있는 경우의 전압이득 Av와 Avf는? (단, gm=5[ms], RD=5[kΩ], RS=5.1[kΩ], RF=20[kΩ]이다.)(오류 신고가 접수된 문제입니다. 반드시 정답과 해설을 확인하시기 바랍니다.)
48. 그림에서 전파정류 된 평균 전압값은?
49. 멀티바이브레이터(Multi-Vibrator)에서 비안정, 단안정, 쌍안정의 구별은 무엇에 의하여 결정되는가?
50. 발진조건에 대한 설명으로 틀린 것은?
51. 수정 발진기의 주파수 안정도가 양호한 이유가 아닌 것은?
52. 어떤 차동증폭기의 동상신호제거비(CMRR)가 86[dB]이고 차신호에 대한 전압이득(Ad)이 100,000이라고 할 때, 이 차동증폭기의 동상신호에 대한 이득(Ac)은 얼마인가?
53. 공통이미터 회로의 입출력 전압 특성이 그림과 같을 때 활성영역에서의 전압이득은?
54. 연산증폭회로에서 출력전압 e0의 관계식은? (단, R1=R3, R2=R4)




"이다.55. 다음 회로의 출력 Y에 대한 논리식은?




"이 정답인 이유는, 56. n 채널 증가형 MOSFET에서 vDS=4[V]일 때의 전류 iD와 vDS=1[V]일 때의 전류 의 차는 몇 [mA]인가? (단, Vt=1[V]이고, kn(W/L)=0.05[mA/V2], vGS=3[V]이다.)
57.
를 간략화하면?



58. 양(+)의 클램프에서 120[Vrms] 사인과 신호가 입력으로 인가될 때 출력전압의 AC 교류성분의 크기는 약 몇 [V]인가?
59. 그림과 같은 제너 다이오드를 이용한 회로에서의 입ㆍ출력 특성으로 옳은 것은? (단, 입력은 Vi, 출력은 Vo, 제너전압은 Vz로 정의한다.)




"이 정답이다.60. MOSFET에서 채널길이 변조(Channel Length Modulation)와 유사한 BJT 소자 특성은?
4과목: 물리전자공학
61. 상온에서 계단형 pn 접합 다이오드에서 p영역과 n영역에서의 불순물 농도가 각각 1018[cm-3], 1015[cm-3]일 때 접속 전위차는 몇 [V]인가? (단, 진성캐리어 밀도 ni=1.5 × 1010[cm-3], kT/q=0.0259[V]이다.)
62. 반도체의 에너지 대역에 대한 설명으로 틀린 것은?
63. 바이폴라 트랜지스터 차단 주파수 fT를 나타낸 것으로 옳은 것은? (단, fβ는 베타 차단 주파수, β0는 저주파 영역에서의 hfe이다.)




" 이다.
"이다.64. 평형상태의 트랜지스터에 대한 설명으로 틀린 것은?
65. 광전자 방출에서는 한계 주파수 f0을 나타내는 것으로 옳은 것은? (단, W는 금속체의 일함수, h는 Plank 정수이다.)
67. 같은 운동량을 가진 두 개의 하전 입자 a, b가 균일한 자장 내에서 각각 ra, rb의 반지름을 갖는 원운동을 하고 있다. ra=2rb이라고 한다면 a의 전하 qa와 b의 전하 qb 사이의 관계 중 옳은 것은?
68. 동심 원통형 마그네트론(magnetron)에 100[V]의 양극전압을 인가할 경우 양극전류가 흐르지 않는 임계자속 밀도는 200Gauss이였다. 10[kV]의 양극 전압을 인가한 경우의 임계자속 밀도는 몇 Gauss 인가?(오류 신고가 접수된 문제입니다. 반드시 정답과 해설을 확인하시기 바랍니다.)
69. 정전압 방전관은 어느 현상을 이용한 것인가?
70. 소신호 증폭회로에서 차단 주파수에 대한 설명으로 옳은 것은?
71. 반도체에서 전자와 정공의 생성과 재결합 문제를 취급할 때 가장 중요한 것은?
72. 반도체에서의 확산 전류 밀도 J는? (단, n은 캐리어 농도, q는 캐리어의 전하, D는 확산정수, x는 거리이며, 1차원적인 구조의 경우로 가정한다.)




"가 정답이다.73. n 채널 MOSFET의 구조에 대한 설명으로 옳은 것은?
74. 접합을 흐르는 소수캐리어에 가장 큰 영향을 주는 것은?
75. 질량 m, 광속도 c인 입자의 드브로이 물질파(de Broglie matter wave)의 진동수 f는? (단, h는 프랑크 상수이다.)
76. LASER와 MASER와 근본적으로 다른 점은?
77. 페르미-디랙 분포(Fermi-Dirac distribution)에서 T=0[K]일 때 분포 한수의 성질로 옳은 것은?
78. Hall 효과에 대한 설명 중 틀린 것은?
79. 파울리(Pauli)의 배타원리에 관한 내용 중 원자내 전자 상태를 잘못 표현한 것은?
80. 광전자방출에 관한 특징과 거리가 먼 것은?
5과목: 전자계산기일반
81. 16비트의 명령어에서 4비트의 연산코드(OP code)를 사용하고, 오퍼랜드(Operand)가 메모리의 주소일 때, 최대 지정 가능한 메모리의 주소의 수는?
82. C 언어에 관한 설명으로 틀린 것은?
83. JAVA 같은 객체지향 언어의 개념에서 객체가 메시지를 받아 실행해야 할 구체적인 연산을 정의한 것은?
84. 부동소수점 표시(Floating-Point Representation) 방법에서 기수의 소수점 이하 첫째자리가 0이 되지 않도록 하는 과정은?
85. 소프트웨어적으로 인터럽트의 우선순위를 결정하는 인터럽트 형식은?
86. 1024 Word의 RAM은 몇 개의 어드레스 선을 갖는가?
87. 1의 보수로 음수를 표현하는 시스템에서 2진수 01101-11011의 결과로 올바른 것은?
88. C 언어 입출력 함수가 아닌 것은?
89. CPU와 입ㆍ출력 장치간의 속도 차이로 발생되는 성능의 차이를 극복하기 위한 방법이 아닌 것은?
90. 다음 명령어의 실행 주기에 해당하는 연산은?
91. 가상기억장치(Virtual Memory)에 관한 설명으로 틀린 것은?
92. 그림의 병렬 가산기에서 출력되는 F의 값은? (단, 여기에서 B는 B의 1의 보수이며, 음수는 2의 보수로 표현한다.)
93. 분산처리 시스템의 장점이 아닌 것은?
94. 해밍 코드(Hamming Code)에 대한 설명으로 옳지 않은 것은?
95. CPU의 제어장치에 관한 설명으로 옳은 것은?
96. 주기억장치에서 저장할 위치를 지정하는 것은?
97. 다음 C 언어로 구현한 프로그램의 출력 결과는?
98. I/O 제어기의 주요기능에 대한 설명으로 틀린 것은?
99. ROM 회로의 구성요소로 옳은 것은?
100. 주소를 기억하고 있는 레지스터와 관계없는 것은?