1과목: 전기자기학
1. 접지된 구도체와 점전하 간에 작용하는 힘은?
2. 사이클로트론에서 양자가 매초 3×1015 개의 비율로 가속되어 나오고 있다. 양자가 15MeV의 에너지를 가지고 있다고 할 때, 이 사이클로트론은 가속용 고주파 전계를 만들기 위해서 150kW의 전력을 필요로 한다면 에너지 효율(%)은?
3. 단면적 4cm2의 철심에 6×10-4Wb의 자속을 통하게 하려면 2800AT/m의 자계가 필요하다. 이 철심의 비투자율은 약 얼마인가?
4. 진공 중에서 무한장 직선도체에 선전하밀도 ρL=2π × 10-3C/m가 균일하게 분포된 경우 직선도체에서 2m와 4m떨어진 두 점사이의 전위차는 몇 V 인가?




"입니다. 이유는 두 점 사이의 거리가 2배가 되면 전위차도 2배가 되기 때문입니다. 즉, ΔV(4m) = 2 × ΔV(2m)입니다.5. 평행판 콘덴서의 극판 사이에 유전율 ε, 저항률 ρ인 유전체를 삽입하였을 때, 두 전극간의 저항 R과 정전용량 C의 관계는?
6. 맥스웰방정식 중 틀린 것은?




"이다. 이유는 맥스웰방정식 중에서 전기장의 회전에 대한 법칙인 회전하는 전기장의 회전에 대한 법칙(파라데이의 법칙)에서 회전하는 전기장의 회전에 대한 법칙은 전자기장의 회전에 대한 법칙이 아니라 전기장의 회전에 대한 법칙이기 때문이다.7. 다음의 관계식 중 성립할 수 없는 것은? (단, μ는 투자율, χ는 자화율, μ0는 진공의 투자율, J는 자화의 세기이다.)




"이다. 이 식은 자화율이 투자율보다 크거나 같을 때 성립하는데, 이는 물리적으로 불가능한 상황이다. 자화율은 투자율보다 작아야 하기 때문이다.8. 자기회로의 자기저항에 대한 설명으로 옳은 것은?
9. 균일한 자장 내에 놓여 있는 직선도선에 전류 및 길이를 각각 2배로 하면 이 도선에 작용하는 힘은 몇 배가 되는가?
10. 와류손에 대한 설명으로 틀린 것은? (단, f : 주파수, Bm : 최대자속밀도, t : 두께, ρ : 저항률이다.)
11. 그림과 같이 전류가 흐르는 반원형 도선이 평면 Z=0 상에 놓여 있다. 이 도선이 자속밀도 B = 0.6ax - 0.5ay + az(Wb/m2)인 균일 자계 내에 놓여 있을 때 도선의 직선 부분에 작용하는 힘(N)은?
12. 서로 다른 두 유전체사이의 경계면에 전하분포에 없다면 경계면 양쪽에서의 전계 및 전속밀도는?
13. 환상철심에 권수 3000회 A코일과 권수 200회 B코일이 감겨져 있다. A코일의 자기인덕턴스가 360mH일 때 A, B 두 코일의 상호 인덕턴스는 몇 mH 인가? (단, 결합계수는 1이다.)
14. 평행판 콘덴서에 어떤 유전체를 넣었을 때 전속밀도가 2.4 × 10-7C/m2이고, 단위 체적중의 에너지가 5.3 × 10-3J/m3이었다. 이 유전체의 유전율은 약 몇 F/m인가?
15. 대전된 도체의 특징으로 틀린 것은?
16. 평행한 두 도선간의 전자력은? (단, 두 도선간의 거리는 r(m)라 한다.)
17. 원형 선전류 I(A)의 중심축상 점 P의 자위(A)를 나타내는 식은? (단, θ는 점 P에서 원형전류를 바라보는 평면각이다.)




"이다.18. 비투자율 μs=1, 비유전율 εs=90인 매질 내의 고유임피던스는 약 몇 Ω 인가?
19. q(C)의 전하가 진공 중에서 v(m/s)의 속도로 운동하고 있을 때, 이 운동방향과 θ의 각으로 r(m) 떨어진 점의 자계의 세계(AT/m)는?




와 같다.20. x > 0인 영역에 비유전율 εr1=3인 유전체, x < 0인 영역에 비유전율 εr2=5인 유전체가 있다. x < 0 인 영역에서 전계 E2 = 20ax + 30ay-40az V/m일 때 x > 0 인 영역에서의 전속밀도는 몇 C/m2 인가?
2과목: 회로이론
21. 다음과 같은 L-C 회로의 구동점 임피던스로 옳은 것은? (단, L1=L2=1H, C1=C2=1F 이다.)




"가 정답이다.22. 정현파에서 평균치가 Iav, 실효치가 I 일 때 평균치와 실효치 사이의 관계는?





23. 시정수 τ를 갖는 R-L 직렬 회로에 직류 전압을 인가할 때 t=2τ 가 되는 시간에 회로에 흐르는 전류는 최종값의 몇 % 가 되는가?
24. 다음 그림에 표시한 여파기는?
25. 그림과 같은 L형 회로에 대한 영상 임피던스 Z01과 Z02를 구하면?




"이다.26. R-C직렬 회로망에서 스위치 S가 t=0 일 때 닫혔다고 하면 전류 i(t)는? (단, 콘덴서에는 초기 전하가 없었다.)




"이다.27. 두 회로 간에 쌍대 관계가 옳지 않은 것은?
28. 정격전압에서 1kW의 전력을 소비하는 저항에 60%인 전압을 인가할 때의 전력(W)은?
29. 어떤 회로의 피상전력이 20kVA이고 유효전력이 15kW일 때 이 회로의 역률은?
30. 그림의 회로에서 독립적인 전류방정식 N과 독립적인 전압방정식 B는 몇 개인가?
31. 그림과 같은 회로가 정저항 회로로 되기 위한 C값은 몇 uF인가? (단, R=1㏀, L=400mH이다.)
32. R-L 직렬회로에 v(t) = 100sin(104t + Q1)V 의 전압을 가할 때 i(t) = 20sin(104t + Q2)A 의 전류가 흘렀다. R=30Ω 일 때 인덕턴스 L의 값은?
33. 리액턴스 함수가
로 표시되는 리액턴스 2단자망은?




로 표시되는 리액턴스 2단자망은 인덕턴스와 콘덴서가 직렬로 연결된 회로이다. 이 회로에서 전류는 인덕턴스를 통과할 때는 증가하고, 콘덴서를 통과할 때는 감소한다. 따라서 전압과 전류의 위상 차이가 90도이며, 이를 표현한 리액턴스 함수는
이다.34. 다음 4단자 회로망에 있어서 4단자 정수(또는 ABCD 파라미터) 중 정수 A와 C의 정의가 옳은 것은?




"35. 다음 회로에서 부하(Load)에 최대로 전력을 공급하기 위한 R의 값은?
Ω36. 아래의 A와 B단자에 대해 테브난 등가회로로 변경하였을 때, 등가전압과 등가저항은?
37. 다음 회로에서 단자 1, 2간의 인덕턴스 L은?

38. 그림과 같은 파형을 실수 푸리에 급수로 전개할 때 설명으로 옳은 것은?
39. 다음 회로에서 저항 3Ω의 전압은?
40. 다음 함수에 대한 f(t)의 최종값은?
3과목: 전자회로
41. 그림 (a)와 같은 리미터(limiter) 회로에 정현파 입력을 인가할 때, (b)와 같은 출력파형이 나타난다. 이때 전원 E1(㉠, ㉡), E2(㉢, ㉣)의 극성은?
42. 증폭기에서 주파수 대역폭을 반으로 줄이면 증폭이득은 약 몇 dB 변화하는가?
43. 이상적인 전압 증폭기에서 능동소자의 입력임피던스와 출력 임피던스의 값은?
44. 다음 (b)회로에 (a)와 같은 정현파 전압을 인가했을 때, 출력 측에 나타나는 파형은? (단, Vm > VR 이다.)




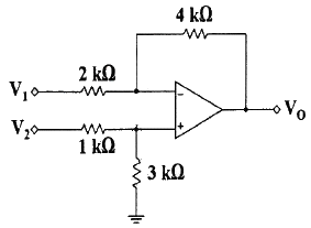
"가 정답이다.45. 차동 증폭기에서 V1 = 10V, V2 = 8V를 인가할 때 출력 전압(VO)은 몇 V인가? (단, 연산증폭기는 이상적이다.)
46. A급 증폭기와 B급 증폭기의 최대효율은 얼마인가?
47. 다음과 같은 순차표를 가지는 카운터의 명칭은?
48. 다음 전원 평활회로에서 출력전압의 맥동률(Ripple Factor)을 작게 하는 방안으로 가장 적합한 것은?
49. JFET에서 포화 드레인 전류 ID를 나타낸 식은? (단, IDSS는 VGS 일 때 최대 드레인 전류이다.)






"가 정답이다.50. T형 플립플롭을 사용하여 4단 계수기를 만들면 최대 몇 개의 펄스까지 계수할 수 있는가?
51. pn접합 다이오드에 순방향 바이어스를 인가하기 위한 설명으로 옳은 것은?
52. 다음 회로의 컬렉터 전류(IC)는 몇 mA 인가? (단, VBE = 0.7V, 트랜지스터의 βDC=150)
53. 위상 변조(PM) 방식에서 변조지수와 신호파의 관계 중 옳은 것은?
54. 다음 회로에 관한 설명 중 가장 적합하지 않은 것은?
55. 다음 회로의 명칭으로 가장 적합한 것은?
56. 증폭기로 동작하기 위하여 NPN 트랜지스터 베이스의 바이어스 설정으로 옳은 것은?
57. 다음 회로에서 입력전압(Vi)과 출력전압(VO)의 관계곡선으로 옳은 것은?




"이다.58. 압전현상을 이용하여 안정도가 높은 발진주파수를 얻는 발진기는?
59. LPF(Low-Pass Filter) 회로에서 입력저항(Ri)은 10㏀, DC 증폭률은 10, 주파수는 10kHz 일 때, R1, R2, C의 값은?
60. 다음 회로의 출력 파형(VO)으로 가장 적합한 것은?




"입니다.
"이 가장 적합한 출력 파형입니다.4과목: 물리전자공학
61. 반도체의 에너지 대역에 대한 설명으로 틀린 것은?
62. p형 반도체의 전기적 성질을 바르게 설명한 것은?
63. 광양자가 운동량을 갖고 있음을 증명할 수 있는 것은?
64. T=0K에서 전자가 가질 수 있는 최대 에너지 준위는?
65. 높은 주파수의 응용에 중요한 관계를 갖는 반도체의 성질은?
66. Fermi 에너지에 대한 설명으로 틀린 것은?
67. 다음 중 스위칭 시간이 대단히 짧아 고속 스위칭 회로에 사용되는 소자는?
68. 발광 다이오드(LED)에 대한 설명으로 옳은 것은?
69. 접합형 전계효과 트랜지스터의 핀치오프 상태에 대한 설명으로 적합하지 않는 것은?
70. 정자계내에서 자계와 수직이 아닌 임의의 각도로 운동하는 전자의 궤도는?
71. MOSFET의 구조와 동작원리에 대한 설명으로 옳은 것은?
72. MOSFET에 대한 설명 중 틀린 것은?
73. 반도체의 성질에 대한 설명으로 틀린 것은?
74. 수소원자에서 원자핵 주위를 돌고 있는 전자가 에너지 준위 E1 = -5.4×10-13(erg)상태에서, 에너지 준위 E2 = -21.7×10-12(erg)상태로 천이할 때 내는 빛의 진동수는 약 얼마인가? (단, Planck 상수 h = 6.63×10-27erg·sec이다.)(문제 오류로 가답안 발표시 2번으로 발표되었지만 확정답안 발표시 모두 정답처리 되었습니다. 여기서는 가답안인 2번을 누르면 정답 처리 됩니다.)
75. JFET의 특성곡선에 대한 설명으로 틀린 것은?
76. 광전자 방출에 대한 설명으로 틀린 것은?
77. 이미터접지 증폭회로에서 베이스전류를 10㎂에서 20㎂로 증가시켰을 때, 컬렉터 전류의 변화량은? (단, β = 100이다.)
78. 실온에서 Si 진성반도체의 고유저항은 약 얼마인가? (단, 실온에서 n = 1400cm2/V·sec, p = 600cm2/V·sec, ni = 1.5×1010개/cm3 이다.)
79. 도체, 반도체, 절연체의 에너지 대역에 관한 설명으로 틀린 것은?
80. 정상 동작 상태로 바이어스 된 NPN 트랜지스터에 컬렉터 접합을 통과하는 주된 전류는?
5과목: 전자계산기일반
81. 데이터 버스 폭이 32비트이고, 버스 클럭 주파수가 10MHz 일 때 버스 대역폭은?
82. RISC에 대한 설명으로 틀린 것은?
83. C 언어가 높은 호환성을 갖는 이유가 아닌 것은?
84. 다음과 같은 명령어 형식을 만들기 위해 요구되는 명령의 최소 비트(bit)는?
85. 서브루틴 호출 시 필요한 자료 구조는?
86. 프로그램이 수행될 때 최근에 사용한 인스트럭션과 데이터를 다시 사용할 가능성이 높은 현상을 무엇이라 하는가?
87. C 프로그램에서 선행처리기에 대한 설명으로 틀린 것은?
88. 지정 어드레스로 분기한 후에 그 명령으로 되돌아오는 명령은?
89. 사용자가 프로그래밍 할 수 없는 ROM은?
90. 16비트 컴퓨터 시스템에서 다음과 같은 두 가지의 인스트럭션 형식을 사용한다면 최대 연산자의 수는 얼마인가?
91. 어셈블리 언어로 프로그램을 작성할 때 절대번지 대신에 간단한 기호 및 명칭을 사용할 수 있는데 이러한 번지를 무엇이라 하는가?
92. DMA(Direct Memory Access)에 관한 설명으로 옳은 것은?
93. 하드디스크에서 등각속도방식의 특징이 아닌 것은?
94. 컴퓨터의 클록 펄스 주기가 5MHz 이고, 16비트 레지스터를 통해 데이터를 직렬 전송한다면, 순수 데이터의 비트 전송시간(A)과 워드 전송시간(B)은?
95. 동시에 2개 이상의 프로그램을 컴퓨터에 로드(load)시켜 처리하는 방법을 무엇이라 하는가?
96. 짝수 패리티 비트의 해밍(HAMMING)코드로 0011011을 받았을 때 오류가 수정된 정확한 코드는?
97. 다음 중 수의 변환이 옳은 것은?
98. 6비트로 표시되는 지수가 있다. 지수표시 방법으로서 바이어스 된 지수표시를 사용하였을 때 바이어스 값은?
99. AND 연산에서 레지스터 내의 어느 비트 또는 문자를 지울 것인가를 결정하는 것은?
100. 스택 메모리를 이용하여 수식 E = (A+ B – C)×D 연산을 하려고 할 때, 연산 명령어 순서로 옳은 것은?