1과목: 승강기 개론
1. 다음 괄호 안의 내용으로 옳은 것은?
2. 승강장 문이 열려진 위치에서 모든 제약으로부터 해제가 되면 자동으로 닫히게 되는 장치는?
3. 에스컬레이터의 공칭속도가 0.65m/s일 때 정지거리의 범위로 옳은 것은?
4. 균형추의 주량을 정할 때 사용하는 오버밸런스(over balance)율이란 무엇인가?
5. 필러형 29본선 6꼬임 중심섬유인 로프의 구성기호는?
6. 승강기의 신호장치 중 홀랜턴(Hall Lantern)을 설치하는 경우는?
7. 로프 마모 및 파손상태 검사의 합격기준으로 옳은 것은?
8. 로프식 엘리베이터용 구동방식으로 옳은 것은?
9. 2대 이상의 엘리베이터가 동일 승강로에 설치될 때 2대의 카의 측부에 비상구출문을 설치될 때 2대의 카의 측부에 비상구출문을 설치할 수 있다. 이와 같은 경우의 구조와 관계가 없는 것은?
10. 소형 엘리베이터의 정격속도는 몇 m/s 이하여야 하는가?
11. 직접식 유압엘리베이터의 특징으로 볼 수 없는 것은?
12. 유압회로의 하나인 미터인(meter-in) 회로에 대한 특징을 옳게 설명한 것은?
13. 엘리베이터용 도어 안정장치에 해당되는 것은?
14. 소선강도에 의한 와이어로프의 설명 중 옳은 것은?
15. 과부하감지장치가 작동할 때의 사항으로 틀린 것은?
16. VVVF 제어에서 인버터 제어방식을 나타내는 시스템은?
17. 엘리베이터를 동력 매체별로 분류할 때 나사의 홈 기둥을 따라 케이지가 상하로 움직이도록 한 것으로서 유체 사용을 피하고자 하는 경우에 이용되는 엘리베이터는?
18. 동력전원이 끊어졌을 때 즉시 작동하여 에스컬레이터를 정지시키는 장치는?
19. 균형추 방식의 엘리베이터에 대한 설명 중 옳은 것은?
20. 카 비상정지장치가 작동될 때, 부하가 없거나 부하가 균일하게 분포된 카의 바닥은 정상적인 위치에서 몇 %를 초과하여 기울어지지 않아야 하는가?
2과목: 승강기 설계
21. 윙기어와 헬리컬기어 감속기의 특성을 비교한 설명으로 틀린 것은?
22. 적재하중이 550kg, 카자중이 700kg이고, 단면적, 단면계수 224.6cm3인 SS-400을 1본 사용할 때 1:1 로핑인 경우 상부체대의 응력은 약 몇 kg/cm2인가? (단, 상부체대의 길이는 160cm이다.)
23. 정격속도 90m/min인 엘리베이터의 에너지분사형 완충기에 필요한 최소행정거리는 약 몇 mm인가?
24. 로프식 엘리베이터의 기계식 출입문의 폭과 높이로서 적당한 것은?
25. 엘리베이터 교통량 계산에서 필요한 기초자료에 해당되지 않는 것은?
26. 전부하 회전수가 1500rpm이고 출력이 15kw인 전동기의 전부하 토크는 약 몇 kg/m인가?
27. 카측 스프링완충기의 스프링 직경이 150mm, 소선직경이 30mm 일때 전단응력은 약 몇 kg/cm2인가? (단, 카 자중은 1200kg, 정격자중은 1000kg으로 한다.)
28. 그림은 전력용 트랜지스터를 사용한 전력변환 회로의 일부이다. 회로의 설명 중 틀린 것은?
29. 엘리베이터의 일반적인 관제운전에 속하지 않는 것은?
30. 승강장문 잠금장치의 기능으로 틀린 것은?
31. 전기식 엘리베이터에서 카가 완전히 압축된 완충기 위에 있을 때 검사항목 중 틀린 내용은?(관련 규정 개정전 문제로 여기서는 기존 정답인 1번을 누르면 정답 처리됩니다. 자세한 내용은 해설을 참고하세요.)
32. 엘리베이터의 수송능력을 계산할 때 일반적으로 몇 분간의 교통수요를 기준으로 하는가?
33. 엘리베이터에서 발생될 수 있는 좌굴에 대한 설명 중 틀린 것은?
34. 그림과 같이 거리와 정지력 관계를 나타낼 수 있는 비상정지장치는?
35. 엘리베이터의 승강로에 관하여 틀린 것은?
36. 기어의 특징에 대한 설명으로 옳은 것은?
37. 선형 또는 비선형 특성을 갖는 에너지 축적형 완충기를 사용할 수 있는 전기식 엘리베이터의 정격속도는?
38. 사이리스터를 사용하여 교류를 직류로 변환시켜 전동기에 공급하고 사이리스터의 점호각을 바꿈으로서 직류전압을 바꿔 직류 전동기의 회전수를 변경하는 승강기의 제어방식은?
39. 엘리베이터의 정격하중 1500lg, 정격속도 180m/min, 엘리베이터의 종합효율 80%, 오버밸런스율이 50%인 경우 전동기의 출력은 약 몇 kW인가?
40. 비상용 엘리베이터에 관한 사항으로 틀린 것은?
3과목: 일반기계공학
41. 기어펌프의 모듈이 3, 잇수 16, 잇폭 18mm인 펌프가 1200r/min으로 회전하면 이론적인 송출량은 약 몇 L/min 인가?
42. 드릴링 머신에서 너트나 볼트의 머리와 접촉하는 면을 평면으로 파는 작업은?
43. 체인 전동장치의 특징으로 옳지 않은 것은?
44. 철강제품의 대표적인 표면처리 경화법이 아닌 것은?
45. 원형 단면의 도심축에 대한 단면 2차 모멘트(I) 식은? (단, d는 원형 단면의 지름이다.)




46. 원형 단면축이 비틀림 모멘트를 받을 때, 축에 생기는 최대전단응력에 관한 설명으로 옳은 것은?
47. 특수주조법으로 금형 속에 용융금속을 고압, 고속으로 주입하여 주조하는 것으로 대량 생산에 적합하고 고정밀 제품에 사용하는 주조법은?
48. 재료가 일정온도에서 일정하중을 장시간동안 받은 경우 서서히 변화하는 현상은?
49. 보일러와 같이 안지름에 비하여 강판의 두께가 얇은 원통이 균일한 내압을 받고 있는 경우 원주방향 응력은 축방향 응력의 몇 배인가?
50. 코일 스프링에서 코일의 평균지름을 D(mm), 소선의 지름을 d(mm)라고 할 때 스프링 계수를 바르게 표현한 것은?(오류 신고가 접수된 문제입니다. 반드시 정답과 해설을 확인하시기 바랍니다.)
51. 구멍(축)의 허용한곗치수의 해석에서 다음과 같은 원리를 무엇이라고 하는가?
52. 합금 주철에 첨가하는 원소 중에서 흑연화를 방지하고 탄화물을 안정시켜주는 것으로 이 원소를 많이 넣게 될 경우 고온에서 내열성은 증가하나 절삭성이 어려워지는 것은?
53. 나사의 크기를 나타내는 지름을 호칭 지름이라 하는데 무엇을 기준으로 하는가?
54. 축의 지름은 d, 축 재료의 전단응력을 τ라 할 때, 비틀림 모멘트를 나타내는 식은?




55. 축에 홈을 파지 않고도 회전력을 전달시킬 수 있는 키는?
56. 용접법의 분유 중 압접(pressure welding)에 해당하는 것은?
57. 공유압 밸브의 분류에서 방향제어밸브에 속하는 것은?
58. 단면적 450mm2, 길이 50mm의 연강봉에 39.5kN의 인장하중이 작용했을 때 늘어난 길이가 0.20mm 이었다면 발생한 인장응력은 약 몇 Mpa인가?
59. 금속의 소성가공에서 냉간가공과 열간가공으로 구분하는 온도는?
60. 유압 작동유의 구비조건으로 옳지 않은 것은?
4과목: 전기제어공학
61. 제어계의 분류에서 엘리베이터에 적용되는 제어방법은?
62. 기계적 제어의 요소로서 변위를 공기압으로 변환하는 요소는?
63. 과도 응답의 소멸되는 정도를 나타내는 감쇠비(decay ratio)를 올바르게 나타낸 것은?>
64. 비례동작에 의해 발생한 전류편차를 제거하기 위하여 적분동작을 첨가시킨 제어동작은?
65. 200V, 2kW 전열기에서 전열선의 길이를 1/2로 할 경우 소비전력(kW)은?
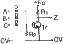
66. 전류의 측정 범위를 확대하기 위하여 사용되는 것은?
67. 권선형 유도전동기에 관한 설명으로 옳지 않은 것은?
68. 100Ω의 저항 3개를 Y결선한 것을 Δ결선으로 환산했을 때 각 저항의 크기는 몇 Ω인가?
69. 그림과 같이 트랜지스터를 사용하여 논리조사를 구성한 논리회로의 명칭은?
70. 그림의 선도에서 전달함수 C(s)/R(s)는?
71. 발전기에 적용되는 법칙으로 유도기전력의 방향을 알기 위하여 사용되는 것은?
72. 유도전동기에서 극수가 일정할 때 동기속도(Ns)와 주파수(f)와의 관계에 관한 설명으로 옳은 것은?(오류 신고가 접수된 문제입니다. 반드시 정답과 해설을 확인하시기 바랍니다.)
73. 어떤 코일에 흐르는 전류가 0.01초 사이에 30A에서 10A로 변할 때 20V의 기전력이 발생한다고 하면 자기 인덕턴스는 얼마인가?(오류 신고가 접수된 문제입니다. 반드시 정답과 해설을 확인하시기 바랍니다.)
74. 제어 결과로 사이클링과 옵셋을 발생시키는 동작은?
75. 피드백 제어계의 구성 요소 중 제어동작 신호를 받아 조작량으로 바꾸는 역할을 하는 것은?
76. 주파수 응답에 필요한 입력은?
77. 4kΩ의 저항에 25mA의 전류를 흘리는 데 필요한 전압(V)은?
78. RLC 병렬회로에서 용량성 회로가 되기 위한 조건은?
79. 피드백 제어시스템의 피드백 효과로 옳지 않은 것은?
80. 피드백 제어에서 반드시 필요한 장치는?