1과목: 화공열역학
1. 한 물체의 가역적인 단열 변화에 대한 엔트로피(entropy)의 변화 △S는?
2. 등온과정의 부피 V에 대한 엔트로피 S의 변화는 맥스웰(Maxwell)관계식에서 어떻게 나타나는가?




3. 20mol% A, 35mol% B, 45mol% C 를 포함하는 3성분 기체 혼합물이 있다. 60atm, 75℃ 에서 이 혼합물이 성분 A, B, C 의 퓨개시티 계수가 각각 0.7, 0.6, 0.9 일 때 이 혼합물의 퓨개시티는 얼마인가?
4. 혼합물에서 과잉물성(excess property)에 관한 설명으로 가장 옳은 것은?
5. 퓨개시티(Fugacity) fi 및 퓨개시티 계수 φi 에 관한 설명으로 옳은 것은?(단,
이다.)
의 값은 무한대가 된다.
과 φi와의 관계는
Inφi로 표시된다.6. 20℃ 에 있어서 아세톤의 대략적인 증발잠열을 클라우지우스-클레이페이론(Clausius-Clapeyron)식을 이용하여 구하면 약 몇 cal/mol 인가? (단, 20℃ 에 있어서의 아세톤의 증기압은 179.3mmHg 이고 표준 끓는점은 56.5℃ 이다.)
7. 벤젠, 톨루엔, 크실렌의 3성분 용액이 기상과 액상으로 평형을 이루고 있을 때 이 계에 대한 자유도수는?
8. 세기성질(intensive property)에 해당하는 것은?
9. 한 발명가가 300℃ 의 뜨거운 열저장고 사이에서 10kJ 의 열을 얻어서 4.2kJ 의 일을 생산하고 5.8kJ의 열을 30℃의 차가운 열저장고로 방출하는 사이클 엔진을 발명하였다면 열역학 법칙이 성립하는지를 옳게 설명한 것은?
10. 다음 중 액-액 상평형 계산에 적합하지 않은 모델은?
11. 그림에 표시된 T-S 도표는 어떤 사이클을 나타내고 있는가?
12. 열역학 제2법칙의 수학적 표현에 해당하는 것은?

13. 어떤 화학반응에서 평형상수 K의 온도에 대한 미분계수가 다음과 같이 표시된다. 이 반응에 대한 설명으로 옳은 것은?
14. 다음 중 실제기체가 이상기체에 가장 가까울 때의 조건은?
15. 내연기관 중 자동차에 사용되고 있는 것으로 흡입 행정은 거의 정압에서 일어나며, 단열압축 과정 후 전기 점화에 의해 단열 팽창하는 사이클은?
16. 이상기체로 가정한 2몰의 질소를 250℃ 에서 역학적으로 가역인 정압과정으로 430℃ 까지 가열 팽창시켰을 때 엔탈피변화량 △H 는 약 몇 kJ 인가? (단, 이 온도영역에서 일정압력 열용량의 값은 일정하며, 20.785J/mol K 이다.)
17. 평형에 대한 다음의 조건 중 틀린 것은?(단, φi 는 순수성분의 퓨개시티계수,
는 혼합물에서 성분 i 의 퓨개시티, ri 는 활동도계수,
는 성분 i 의 퓨개시티계수이고, xi 는 액상에서 성분 i 의 조성이다. 상첨자 V 는 기상, L 은 액상, S 는 고상, Ⅰ과 Ⅱ 는 두 액상을 나타낸다.)




18. 다음 열역학적 성질에 관한 설명 중 틀린 것은?
19. 1atm 의 외압 조건에 있는 1mol 의 이상기체 온도를 7.5K 만큼 상승시켰다면 이상기체가 외계에 대하여 한 최대 일의 크기는 몇 cal 인가?
20.
값이 각각 -94.3kcal/mol, -56.7kcal/mol, -12.14kcal/mol 일 때 298K 에서 다음 반응의 표준 깁스에너지 변화 값은 약 몇 kcal/mol 인가? (단, 는 298K 에서의 표준생성 에너지이다.)
2과목: 화학공업양론
21. 1mol 의 NH3를 다음과 같은 반응에서 산화시킬 때 O2를 30% 과잉 사용하였다. 만일 반응의 완결도가 85% 라 하면 남아있는 산소는 몇 mol 인가?
22. H2SO4 15% 인 폐산에 90% 농황산을 가하여 45% 의 산 1500kg 을 만들려고 한다. 폐산 몇 kg 에 농황산 몇 kg 을 혼합해야 하는가?
23. 101kpa 에서 물 1몰을 353K 에서 393K 까지 가열할 때 엔탈피 변화는 약 몇 J 인가? (단, 물의 비열은 75.0J/molㆍK, 물의 기화열은 47.3kJ/mol, 수증기의 비열은 354.J/molㆍK 이다.)
24. NaOH 6g 을 물에 녹여 전체 용액 100mL 를 만들었다면 이 용액의 몰농도는?
25. 5atm 의 압력과 가장 가까운 값을 나타내는 것은?
26. 다음과 같은 베르누이 방정식이 적용되는 조건이 아닌 것은?
27. 탄소 3g을 산소 16g 중에서 완전연서 시켰을 때 연소 후 혼합기체의 부피는 표준상태에서 몇 L 인가?
28. 보일러에 Na2SO3 를 가하여 공급수 중의 산소를 제거한다. 보일러 공급수 100톤에 산소함량 4ppm 일때 이 산소를 제거하는데 필요한 Na2SO3 의 이론량은?
29. 단열 과정에서의 P, V, T 관계를 옳게 나타낸 것은? (단, 비열비 r 는
이다.)




30. 질소와 수소 혼합가스가 1000 기압을 유지하고 있으며, 수소의 분압이 750 기압이라면 혼합가스의 평균 분자량은 얼마인가?
31. 물의 3중점에 대한 설명 중 옳은 것은?
32. 다음 식을 이용하여 100g 의 N2 를 100℃ 에서 200℃ 까지 가열하는데 필요한 열량을 구하면 약 몇 kcal 인가?
33. 시량변수와 시강변수에 대한 설명으로 옳은 것은?
34. 펄프를 건조기 속에 넣어 수분을 증발시키는 공정이 있다. 이 때 펄프가 70wt% 의 수분을 포함하고, 건조기에서 100kg 의 수분을 증발시켜 30wt% 펄프가 되었다면 원래의 펄프의 무게는 몇 kg 인가?
35. 다음 중 경로함수끼리 짝지어진 것은?
36. 양대수 좌표( log - log graph )에서 직선이 되는 식은?
37. 상대습도가 85% 이고 대기압이 750mmHg 이며 기온이 30℃ 일 때 절대습도는 얼마인가? (단, 30℃에서 수증기의 포화증기압은 31.8mmHg 이다.)
38. 20℃ 에서 순수한 MnSO4의 물에 대한 용해도는 62.9 이다. 20℃ 에서 포화용액을 만들기 위해서는 100g 의 물에 몇 g 의 MnSO4ㆍ5H2O 을 녹여야 하는 가? (단, Mn 의 원자량은 55 이다.)
39. 100℃, 765mmHg 에서 기체 혼합물의 분석값이 CO2 14vol%, O2 6Vol%, N2 80Vol% 이었다. 이 때 CO2 분압은 약 몇 mmHg 인가?
40. 메탄올 42몰%, 물 58몰% 의 혼합액 100몰을 증류하여 메탄올 96몰%의 유출액과 메탄올 6몰% 의 관출액으로 분리하였다. 유출액을 통한 메탄올의 회수율은?
3과목: 단위조작
41. 원 관내를 유체가 난류로 흐를 때 점성 전단(Viscous shear)은 거의 무시되고 에디 점성((Eddy viscosity)이 지배적인 부분은?
42. 내경 10cm, 두께 4mm 의 외관에 내경 2cm, 두께 2mm 의 관이 들어있는 2중 열교환기의 두 동심관 사이의 환부로 20℃ 의 물이 10cm/s 의 속도로 흐를 때 레이놀드수를 구하면? (단, 20℃ 물의 점도는 1cP 이고 물의 밀도는 1g/cm3이다.)
43. 비중 0.8, 점도 5cP 인 유체를 10cm/s 의 평균속도로 안지름 10cm 의 원관을 사용하여 수송한다. Fanning 식의 마찰계수 값은 약 얼마인가?
44. 80℃ 에서 메탄올의 증기압은 860mmHg, 에탄올 증기압은 540mmHg 이다. 이 두 물질을 혼합하여 80℃ 에서 전압이 1atm 이 되었을 때, 메탄올의 몰 분율은 얼마인가?(단, 혼합액은 이상용액으로 가정한다.)
45. 혼합에 영향을 주는 물리적 조건에 대한 설명으로 옳지 않은 것은?
46. 관벽을 통해 일어나는 열전달에 있어 총괄열전달 계수에 영향을 미치지 않는 인자는?
47. 정류탑에서 증기유량 V, 탑상 제품 유량 D 및 환류액의 질량유량 L에서 환류비 R에 대한 식으로 틀린것은?




48. 두께 30cm 의 벽돌로 된 평판노벽을 두께 9cm 석면으로 보온하였다. 내면온도와 외면온도가 각각 1000℃ 와 40℃ 일 때 벽돌과 석면사이의 계면온도는 몇 ℃ 가 되는가? (단, 벽돌노벽과 석면의 열전도도는 각각 3.0, 0.1kcal/mㆍhㆍ℃ 이다.)
49. 복사에서 스테판-볼츠만(Stefan-Boltzamann)법칙에 대한 설명에 해당하는 것은?
50. 탑내에서 기체속도를 점차 증가시키면 탑내 액 정체량(hold up)이 아래로 이동하는 것을 방해할 때의 속도를 무엇이라고 하는가?
51. 고-액 추출이나 액-액 추출에서 추제가 갖추어야 할 조건으로 옳지 않은 것은?
52. 내경이 10cm 인 관에 비중이 0.9, 점도가 1.5cP인 액체가 흐르고 있다. 임계속도는 몇 m/s 인가? (단, 임계 레이놀드수는 2100 이다.)
53. 기체 흡수시 흡수량이나 흡수속도를 크게 하기 위한 조건이 아닌 것은?
54. 건조 특성 곡선에서 항율건조 기간에서 강율건조기간으로 변하는 점을 무엇이라고 하는가?
55. 가로 30cm, 세로 60cm 인 직사각형 단면을 갖는 도관에 세로 45cm 까지 액체가 차서 흐르고 있다. 상당직경(equivalent diameter)은 얼마인가?
56. 환류비에 대한 설명으로 옳지 않은 것은?
57. 다음 x(액상조성)-y(기상조성) 도표에서 원료가 비점이하로 공급될 때의 급액선(q-line)은?
58. 증발관의 효율을 크게 하기 위한 방법으로 가장 거리가 먼 것은?
59. 다음 방정식 중 원료공급선(feed line)은? (단, f 는 원료의 흐름 중 기화된 증기분율, y 는 기체분율, x는 액체분율 이다.)




60. 일정한 상대 휘발도를 갖는 A, B 2성분계 증류에서 탑상 및 탑저 제품의 A성분 몰분율이 각각 0.97, 0.06 이라면 최소단수는 얼마인가?(단, 순수한 액체 A와 B의 증기압은 각각 0.8, 0.4atm이다.)
4과목: 반응공학
61. 다음 그림에 대응하는 라플라스 함수는?




62. 최종값에 도달하는 제어시간은 오래 걸리나 offset을 제거할 수 있는 제어기는?
63. 공정의 정상상태 이득(k), ultimate gain(kcu) 그리고 ultimate period(Pu)를 실험으로 구하였다. k=1, Kcu=4, Pu =6.28일 때, 이와 같은 결과를 주는 일차시간지연 모델,
의 시간상수 τ를 구하면?
64. 다음의 그림과 같이 주어지는 계단함수 u(t)의Laplace변환이 올바른 것은?




65. 제어기의 와인드업(windup) 현상에 대한 설명 중 잘못된 것은?
66. 전달함수에 대한 설명 중 잘못된 것은?
67. 2차계의 과소감쇠(under damped) 단위계단응답에서 상승시간(궁극적인 값에 처음으로 도달하는데 걸리는 시간)을 계산하는 방법은? (단, 공정이득이 1 인 경우이다.)
68. 1차계의 단위계단응답에서 시상수를 실험을 통하여 구하는 방법은?
69. 어떤 이차계의 특성방정식의 두 근이 다음과 같다고 할 때 안정한 공정은?
70. 증류탑의 응축기와 재비기에 수은기둥 온도계를 설치하고 운전하면서 한 시간마다 온도를 읽어 다음 그림과 같은 데이터를 얻었다. 이 데이터와 수은기둥 온도 값 각각의 성지로 옳은 것은?
71. 피드포워드(feedforward) 제어에 대한 설명 중 옳지 않은 것은?
72. Feedback 제어에 대한 설명 중 옳지 않은 것은?
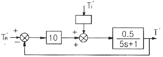
73. 다음 그림의 블록선도에서
일 때, 서보(servo)문제의 정상상태 잔류편차(offset)는 얼마인가?
74. 전달함수가
인 1차계의 응답에 관한 옳은 설명은?
75. 연속 입출력 흐름과 내부 가열기가 있는 저장조의 온도를 어떤 값으로 유지하기 위해 들어오는 입력흐름의 온도와 유량을 조작하여 나가는 출력흐름의 온도와 유량을 제어하고자 하는 시스템을 분류한다면 어떠한 것에 해당하는가?
76. 다음 중 측정 가능한 외란 (measurable disturbance)을 효과적으로 제거하기 위한 제어기는?
77. 현장에서 주로 쓰이는 대부분의 제어밸브가 등비(equalper centage)조절특성을 나타내는 가장 큰 이유는?
78. 다음 그림과 같은 제어계의 전달함수
는?




79. PID 제어기의 전달함수의 형태로 옳은 것은?(단, Kc는 비례이득, τI는 적분시간상수, τD는 미분시간상수를 나타낸다.)




80.
로 표현되는 공정의 제어계에 대한 설명 중 잘못된 것은?
5과목: 공정제어
81. 암모니아 합성을 위한 CO가스 전화공정에서 다음과 같은 조성의 A, B 두 가스를 사용할 때 A 가스 100 에 대하여 B 가스를 얼마의 비로 혼합하면 암모니아 합성원료로 적합할 수 있는가? (단, CO 전화 반응효율은 100%로 가정한다.)
82. 다음 중 산성이 가장 강한 것은?
83. 물과 같은 연속상에 단량체를 액적으로 분산시킨 상태에서 중합하는 방법으로, 고순도의 폴리머가 직접 입상으로 얻어지며, 연속 교반이 필요하고 중합열의 제어가 용이한 중합방법은?
84. 접착속도가 매우 빨라서 순간접착제로 사용되는 성분은?
85. 암모니아 합성용 수소가스의 기본적인 정제순서를 옳게 나타낸 것은?
86. 다음 중 연실의 주요 기능은 무엇인가?
87. 20℃에서 NaCl 포화용액을 이용하여 이온교환막법으로 NaOH제조시 Cl2 3.55g 를 함께 얻을 수 있었으며, 부반응은 일어나지 않았다. 10A의 일정한 전류로 전기분해를 하였을 경우 총 소요시간은? (단, 원자량은 Na 23, Cl 35.5 이다.)
88. 삼산화황과 디메틸에테르를 반응시킬 때 주생성물은?
89. 다음 중 칼륨비료의 원료가 아닌 것은?
90. 황산제조의 원료로 사용되는 것이 아닌 것은?
91. Cyclone 의 주된 집진원리에 해당되는 것은?
92. 도시가스 제조 프로세스 중 접촉분해 공정에 대한 설명으로 옳지 않은 것은?
93. 다음 중 니트로벤젠을 환원시킬 때 첨가하여
을 가장 많이 생성하는 것은?
94. 다음 중 암모니아 산화반응시 촉매로 주로 쓰이는 것은?
95. 일반적으로 화장품, 의약품, 정밀화학 제조 등의 화학공업에 주로 사용되는 반응 공정은 어떠한 형태인가?
96. 부타디엔에 무수말레인산을 부가하여 환상화합물을 얻는 반응은?
97. 황산제조방법 중 연실법에 있어서 장치의 능률을 높이고 경제적으로 조업하기 위하여 개량된 방법 및 설비가 아닌 것은?
98. 하루 117ton 의 NaCl 을 전해하는 NaOH 제조 공장에서 부생되는 H2 와 Cl2 를 합성하여 36.5% HCl을 제조할 경우 하루 약 몇 ton 의 HCl 이 생산되는 가? (단, NaCl 은 100%, H2 와 Cl2는 99% 반응하는 것으로 가정한다.)
99. 가성소다 제조시 수은법에서 해홍실에 넣어 단락 전지를 구성하는 물질은?
100. 질소비료 중 암모니아를 원료를 하지 않는 비료는?
6과목: 화학공업개론
101. 균일계 1차 액상 반응이 이상 관형 반응기(ideal tubular reactor)에서 전화율 50% 로 진행된다. 다른 조건은 동일하고 반응기의 크기만 2배로 늘린다면 전화율은?
102. 부피가 5L 인 회분식반응기에 어떤 출발원료 200kg 을 넣고 일정한 시간동안 반응시켰더니 5kg 이 남아 있었다. 반응식이 2A + B → P 일 때 반응물질 A(출발원료)의 전환율은 몇 % 인가? (단, A 와 B 의 초기 몰 비는 2:1 이다.)
103. 어떤 반응의 온도를 24℃ 에서 34℃ 로 증가시켰더니 반응 속도가 2.5배로 빨라졌다면, 이 때의 활성화 에너지는 몇 kcal 인가?
104. A → P 1차 액상반응이 부피가 같은 N 개의 직렬 연결된 완전혼합 흐름반응기에서 진행될 때 생성물의 농도변화를 옳게 설명한 것은?
105. 혼합 흐름 반응기에서 반응 속도식이
인 반응에 대해 50% 전화율을 얻었다. 모든 조건을 동일하게 하고 반응기의 부피만 5배로 했을 경우 전화율은?
106. 반응기에 유입되는 물질량의 체류시간에 대한 설명으로 옳지 않은 것은?
107. 반응차수 1차인 반응의 반응물 A 를 공간시간(space time)이 같은 다음의 반응기에서 반응을 진행시킬 때 가장 유리한 반응기는?
108. A + B → R 인 2차 반응에서 CAO 와 CBO 의 값이 서로 다를 때 반응속도 상수 k 를 얻기 위한 방법은?
와 t 를 도시(plot)하여 원점을 지나는 직선을 얻는다.
와 t 를 도시(plot)하여 원점을 지나는 직선을 얻는다.
와 t 를 도시(plot)하여 절편이
인 직선을 얻는다.109. 일반적으로 암모니아(ammonia)의 상업적 합성반응은 다음 중 어느 화학반응에 속하는가?
110. 양론식 A + 3B → 2R + S 가 2차반응 -rA = k1CACB 일 때 rA, rB 와 rR 의 관계식으로 옳은 것은?
111. 가장 일반적으로 사용되는 반응 속도식은?




112. A → R 인 비가역 1차 반응에서 다른 조건이 모두 같을 때 초기농도 CA0 를 증가시키면 전화율은?
113. 1atm, 610K 에서 다음과 같은 가역 기초반응이 진행될 때 평형상수 Kp 와 정반응 속도식 kp1PA2 의 속도상수 kp1이 각각 0.5atm-1 과 10mol/Lㆍatm2ㆍh 일 때 농도항으로 표시되는 역반응 속도 상수는? (단, 이상기체로 가정한다.)
114. 유동층 반응기에 대한 설명 중 가장 거리가 먼 내용은?
115. 그림과 같이 3개의 플러그 흐름 반응기를 2개는 직렬로 연결한 뒤 다시 나머지 하나와 병렬로 연결된 반응조가 있다. 이 때 반응물 A 를 FA0[mol/min] 으로 F 지점에 공급했을 때 D 와 E 로 보내지는 반응물의 몰 유량 FA0.D와 FA0.E 를 옳게 나타낸 것은?(단, 반응이 완결된 뒤인 G 지점에서의 전화율은 동일하다.)




116. 균일 반응
에서 반응속도가 옳게 표현된 것은?




117. A → B 1차 액상 등온반응이 진행될 때 반응속도, 전화율, 반응물 농도와의 관계를 옳게 설명한 것은?
118. A → P의 비가역 1차 반응에서 A 의 전화율 관련식을 옳게 나타낸 것은?(단, NA0는 초기의 몰수이고 NA는 시간 t 에서 존재하는 몰수이다.)



119. 기상 1차 반응에 관한 속도식을
, 단위를 [atm/h] 로 표시할 때 반응 속도상수 3.5 의 단위로 옳은 것은?
120. A → 2R 인 기체상 반응은 기초 반응(elementary Teaction)이다. 이 반응이 순수한 A 로 채워진 부피가 일정한 회분식(batch) 반응기에서 일어날 때 10분 반응후 전화율이 80% 이었다. 이 반응을 순수한 A 를 사용하며, 공간시간(space time)이 10분인 mixed flow 반응기에서 일으킬 경우 A 의 전화율은 약 얼마인가?