1과목: 디지털 전자회로
1. 다음 중 C-MOS 집적회로의 특징으로 옳지 않은 것은?
2. 다음 10진수 → 2진수 → 1의 보수 → 2의 보수의 관계를 나타낸 것중 옳은 것은?
3. SSB(Single Side Band)에 관한 설명 중 맞는 것은?
4. 주파수변조에서 다음 변조지수중 대역폭이 가장 넓은 것은?
5. 논리식 A + AB를 간략화하면?
6. 그림 A파형의 정현파를 그림 B의 구형파로 바꾸려면 어느 회로를 사용하면 가능한가?
7. 트랜지스터 회로의 바이어스 안정도(S)가 가장 좋은 것은?
8. PNP와 NPN트랜지스터를 조합하여 이루어진 Push-Pull 증폭회로를 무슨 회로라고 하는가?
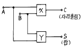
9. 다음은 반 가산기(half adder)회로이다. X,Y에 각각 어떤 게이트 회로가 사용되어야 하는가? (순서대로 X, Y)
10. 트랜지스터의 스위칭 동작에서 turn-off 시간은?
11. 다음과 같은 회로에서 발진기로 동작하기 위해서는 Rf는 몇[kΩ]인가? (단, R1=6[kΩ], C=0.005[μ F], R=15[kΩ]이다.)
12. 4 개의 J-K 플립플롭을 이용하여 구성할 수 있는 분주기의 최대값은 얼마인가?
13. 제너 다이오드의 제너 전압 Vz=10[V]/0.5[W] 인 경우 최대 전류의 크기는?
14. 다음 회로의 출력 V0를 계산하면?
15. 다음 2진 부호는 어떤 종류의 부호인가?
16. 그림의 적분기에 STEP 전압을 입력시켰을 때의 출력 파형은?




17. TTL NAND 게이트를 이용한 단안정 멀티바이브레이터 회로에서 C = 100[pF]이고 트리거 입력이 100[KHz]일 때의 입력파형과 출력파형이 그림과 같다면 저항 R 값은?
18. 그림과 같은 상보대칭 푸시풀 회로에 관한 설명 중 관계 가 없는 것은?
19. 다음은 CR 발진기를 설명한 것이다. 거리가 먼 것은?
20. 다음 JK Flip-Flop의 입력신호 주파수가 1[㎒]일 때 출력신호의 주파수는?
2과목: 방송통신 기기
21. 위성 DBS 중계기 안테나를 통해서 받는 전파는?
22. CATV전송선로에서 간선증폭기 종속단수가 많아지면 증폭기의 운용레벨 조정방법 중 맞는 것은?
23. 위성방송 수신용 안테나로 적당한 것은?
24. 무궁화 위성 시스템의 특징으로 틀린것은?
25. 방송신호 제작설비에 속하지 않는 것은?
26. YAGI ANTENNA 는 어느때 사용되나?
27. 외국어 학습자와 청각장애인들을 위해 텔레비젼 화면에 자막을 내보내는 부가방송을 무엇이라 하는가?
28. AM 송신기에 있어서 완충증폭기에 대한 설명으로 틀린 것은?
29. CATV 의 Head End에 대한 설명으로 가장 타당한 것은?
30. 다음중 주파수제어를 이용한 음향효과 기기는 무었인가?
31. 인물상 등을 다른 화상에 끼어넣는 화면 합성을 위한 것으로 특정한 색을 선택하여 키신호를 만드는 것은?
32. TV 송신기에서 영상과 음성 2개의 전파를 하나의 안테나로 방송하기 위한 결합장치는?
33. 방송회신 및 중계방송에 사용하는 마이크로파 통신방식의 특징을 기술한 것으로 바르지 못한 것은?
34. 프레임 주파수가 30[Hz]인 NTSC TV 방식에서 수평주파수는?
35. 방송수신기의 종합성능을 나타내는 주요 평가항목이 아닌 것은?
36. 마이크의 지향성과 관계 없는 것은?
37. NTSC TV 방식에서 영상신호와 음성신호의 변조방식은?
38. 오실로스코프는 측정 대상의 전기신호를 파형으로 스크린에 표시하여 그 전기특성을 측정하고, 분석하는데 이용된다. 다음 중 오실로스코프의 용도로 맞지 않는 것은?
39. 오버슈트(Overshoot)란 입력파형에 대하여 출력파형이 규정값보다 넘어 화면 오른쪽 가장자리에 백색선이 발생하는 현상이다. 이의 원인은?
40. 반송파 주파수가 102MHz,신호파 주파수가 5 kHz가 주파수편이 25kHz로 주파수 변조되었다. 변조지수는?
3과목: 방송미디어 개론
41. CATV 전송로 중 간선에만 사용되는 증폭기로서 전송로의 신호 손실을 보상하며 AGC 등의 기능을 가진 고품질의 증폭기는?
42. TV 화면에 연속적인 흑백의 무늬가 수평 방향으로 모두 12개가 표시되였다. 이때의 수평주파수는 약 얼마인가?
43. 다음 멀티미디어의 하드웨어 구성요소 중에서 출력장치에 속하는 것은?
44. 우리나라 공중파 방송의 변조 방식과 가장 관계가 먼 것은?
45. TV 음성다중방식의 종류가 아닌 것은?
46. 현대 방송기술의 발전 방향에 대한 내용으로 틀린 것은?
47. 시청자의 지시로 서비스를 발주, 이용할 수 있는 TV를 말하며, 이용자가 쌍방향 회선을 사용하여 개별 검색할수 있는 기능을 갖춘 다중형 TV 는?
48. CATV 방송의 특성과 거리가 먼 것은?
49. 다음중 디지털 방송 시스템의 특징이 아닌 것은?
50. 유무선계가 혼합된 종합정보통신망 이라고 불리는 것은?
51. 다음 신호들은 방송 영상신호를 구성하는 대표적인 신호이다. 이 중 콤퍼지트(composite) 영상신호에 해당되지 않는 것은?
52. 우리가 시청하고 있는 아날로그 텔레비전 방송에서 음성신호의 변조방식은?
53. 공중파 TV방송에 가장 큰 잡음을 주는 것은?
54. 사운드 파일형식이 아닌 것은?
55. 다음 중 디지털 방송의 특징이 아닌 것은?
56. 다음 중 문자미디어, 음향미디어, 영상미디어의 메시지 모두를 취급하지 못하는 것은?
57. 모니터용 스피커의 조건으로 잘못된 것은?
58. 케이블 TV방송 네트워크 시스템에서 광케이블과 동축케이블을 인터페이스하는 장치는?
59. CD를 LP와 비교하였을 때, CD의 특징이 아닌 것은?
60. 방송국에서 SNG 지구국을 설계하고자 한다. 지구국에서 송신, 위성체에서 신호를 수신하는 UP-LINK 설계시 고려하여야 할 요소 (design factor)가 아닌 것은?
4과목: 전자계산기 일반 및 방송설비기준
61. 지상파 디지털 텔레비전 방송신호의 변조방식은?
62. 535[㎑]∼1606.5 [㎑]의 방송국의 주파수대 허용편차는?
63. 데이터의 처리에서 중앙처리장치와 입.출력장치와의 속도차에서 오는 비효율적인 요소를 최대로 줄인 장치는?
64. 정보통신부장관은 어떠한 경우에 공중선의 이득 지향특성에 관한 자료의 제출을 요구할 수 있는가?
65. 서브루틴의 호출에 이용되는 자료구조는?
66. 10진수 738에 대한 BCD 코드(binary coded decimal)는?
67. 다음 중 무선국 검사에 있어서 시설자· 무선설비· 설치장소 및 무선종사자의 배치 등이 무선국 허가· 신고사항 등과 일치하는지 여부를 대조· 확인하는 검사의 종류는?
68. 통합방송법은 방송관계법을 통합하고 있는데 통합방송법에 포함되지 않는 방송관계법은?
69. 전자 계산기의 기본 논리 회로는 조합 논리 회로와 순서논리 회로로 구분 된다. 이중 조합 논리 회로에 해당 되는 것은?
70. 64비트 마이크로프로세서에서 데이터 버스(date bus)는 몇 개의 선으로 구성되어 있는가?
71. 다음 중 중계유선방송의 특징이 아닌 것은?
72. 컴퓨터의 논리소자 발달과정을 가장 올바르게 표현한 것은 어느 것인가?
73. 변조하기 전의 정보를 포함하고 있는 주파수대역을 무엇이라고 하는가?
74. 다음 중 방송국(초단파방송 또는 텔레비전방송을 행하는것을 제외한다)의 송신설비 공중선전력의 허용편차는?
75. 방송 위원회는 지상파방송 사업자로 부터 기금을 징수할수 있는 범위는?
76. 데이터의 표현 단위와 관계가 먼 것은?
77. 종합유선방송사업은 누구의 허가를 받아야 하는가?
78. 컴퓨터에서 명령 코드가 명령을 수행할 수 있게 필요한 기능을 제공하여 주는 역할을 하는 장치는?
79. 컴퓨터가 프로그램을 수행하고 있는 동안 컴퓨터의 내부나 외부에서 응급상태가 발생하여 현재 수행중인 프로그램을 일시적으로 중지하고 응급사태를 처리하는 기법은?
80. 컴퓨터의 행위를 감시하고 통제하여 효율적으로 편리하게 이용할 수 있도록 도와주는 프로그램의 집단은?