1과목: 기계가공법 및 안전관리
1. 나사의 유효지름을 측정할 수 없는 것은?
2. 밀링 머신에서 가장 큰 규격의 호칭번호는? (단, 호칭번호는 새들의 이동범위로 정한다.)
3. 선반이나 연삭기 작업에서 봉재의 중심을 구하기 위해 금긋기 작업을 위해 사용되는 공구와 관계가 먼 것은?
4. CNC 공작기계의 서보기구의 종류에 속하지 않는 것은?
5. 공작물을 절삭할 때 절삭온도에 의한 측정방법으로 틀린 것은?
6. 수기 가공 용구의 센터 펀치에 대해서 기술한 것으로 틀린 것은?
7. 램이 상하로 직선운동을 하며 급속귀환 장치가 있는 공작기계는?
8. 밀링작업에서 하향절삭에 비교한 상향절삭의 특성에 대한 설명으로 틀린 것은?
9. 드릴링 머신의 안전사항에서 틀린 것은?
10. 선반의 부속품 중에서 돌리개(dog)의 종류가 아닌 것은?
11. 기어 가공을 위해 사용되는 공구가 아닌 것은?
12. 정반위에 높이의 차이가 100mm인 2개의 게이지 블록 위에 길이가 200mm인 사인바를 놓았을 때 정반면과 사인바와 이루는 각은?
13. 센터리스 연삭의 특성에 대한 설명으로 틀린 것은?
14. 리머작업을 할 때에는 드릴작업에 비하여 어떻게 하는 것이 원칙인가?
15. 도금을 응용한 방법으로 모델을 음극에 전착시킨, 금속을 양극에 설치하고 전해액 속에서 전기를 통전하여 정닥한 두께로 금속을 입히는 가공방법은?
16. 연삭가공에서 내면연삭의 특성에 대한 설명으로 틀린 것은?
17. 절삭 공구의 구비조건에 해당되지 않는 것은?
18. 밀링작업을 하고 있는 중에 지켜야 할 안전사항에 해당되지 않는 것은?
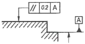
19. 아래 그림의 연삭가공은 어떤 작업을 나타낸 것인가?
20. 기차 바퀴와 같이 길이 짧고 직경이 큰 공작물을 선삭하기에 가장 적합한 선반은?
2과목: 기계설계 및 기계재료
21. 다음 중 선팽창계수가 큰 순서로 올바르게 나열된 것은?
22. 형상기억합금의 내용과 관계가 먼 것은?
23. 다음 철강 재료 중 담금질 열처리에 의해 경화되지 않는 것은?
24. Fe-Mn, Fe-Si로 탈산시킨 것으로 상부에 작은 수축관과 소수의 기포만이 존재하며 탄소 함유량이 0.15~0.3% 정도인 강은?(오류 신고가 접수된 문제입니다. 반드시 정답과 해설을 확인하시기 바랍니다.)
25. 주철의 마우러의 조직도를 바르게 설명한 것은?
26. 초소성 재료에 대한 설명으로 틀린 것은?
27. Ni에 Cr 13-21%와 Fe 6.5%를 함유한 우수한 내열, 내식성을 가진 합금은?
28. 알루미늄-규소계 합금으로 알팩스라고도 하며, 주조성은 좋으나 절삭성이 좋지 않은 것은?
29. 용융 금속이 응고할 때 불순물이 가장 많이 모이는 곳으로 최후에 응고하게 되는 곳은?
30. Fe-C계 상태동에서 3개소의 반응이 있다. 옳게 설명한 것은?
31. 지름 14mm의 연강봉에 8000N의 인장하중이 작용할 때 발생하는 응력은 약 몇 N/mm2 인가?
32. 저널 베이링에서 사용되는 페트로프의 식에서 마찰저항과의 관계를 설명한 것으로 틀린 것은?
33. 성크 키의 길이가 150mm, 키에 발생하는 전단하중은 60kN, 키의 너비와 높이와의 관계는 b = 1.5h 라고 할 때 허용 전단응력 20MPa라 하면 키의 높이는 약 몇 mm이상이어야 하는가? (단, b는 키의 너비, h는 키의 높이이다.)
34. 스프링의 변형에 대한 강성을 나타내는 것에 스프링 상수가 있다. 하중이 W [N]일 때 변위량을 δ [mm]라 하면 스프링 상수 k [N/mm]는?


35. 볼나사(ball screw)의 장점에 해당되지 않는 것은?
36. 축지름 5cm, 저널 길이 10cm인 상태에서 300rpm으로 전동축을 지지하고 있는 미끄럼 베어링에서 P = 4000N의 레이디얼 하중이 작용할 때 베어링 압력은 약 몇 MPa인가?
37. 7 kNㆍm 의 비틀림 모멘트와 14 kNㆍm 의 굽힘 모멘트를 동시에 받는 축의 상당 굽힘 모멘트는 몇 kNㆍm 인가?
38. 유연성 커플링(flexible coupling)의 종류가 아닌 것은?
39. 평벨트에 비해 V 벨트 전동의 특징이 아닌 것은?
40. 기계구조물 등을 콘크리트 바닥에 설치하는데 사용되는 볼트에 해당하는 것은?
3과목: 컴퓨터응용가공
41. 와이어프레임 모델의 일반적인 특정 설명으로 틀린 것은?
42. 두 끌점이 P11(1,2)와 P12(3,3)인 직선을 좌표축의 원점(0,0)을 중심으로 60° 회전(Rotation) 변환시킨 결과 직선의 두 끌점 P21, P22의 좌표값으로 맞는 것은?
43. 유한 요소 해석을 위한 입력 데이터의 작성, 체적이나 무게중심의 계산, 간섭 체크, 가공 계획 등에 사용되는 모델링 기법은?
44. 다음 중 2차 Bezier 곡선의 형태를 바르게 나타낸 것은?




45. 컴퓨터에서 통신속도를 나타내는 단위는?
46. 다음 그림 중 (a), (b), (c)의 가공 영역 지정이 올바르게 표현된 것은?
47. 다음 그림의 도형이 갖는 독립된 셸(shell)의 수는 얼마인가?
48. 여러 대의 공작기계를 컴퓨터 1대로 제어하는 방식으로 CNC 공작기계의 작업성 및 생산성을 향상시키는 동시에 이것을 NC공작기계 군으로 시스템화하여 그 운용을 제어 및 관리하는 시스템은?
49. 다음은 B-spline 곡선의 장점 및 특징을 열거한 것이다. 해당되지 않는 것은?
50. 다음은 어떤 곡면을 설명한 것인가?
51. 다음 중 솔리드 모델의 입력 방법이 아닌 것은?
52. 다음 중 5축 가공의 특징으로 적합하지 않은 것은?
53. CAD/CAM 시스템 출력 장치가 아닌 것은?
54. 다음과 같은 행렬 변환식은 어떤 도형변화를 나타내는 것인가?
55. 원(circle)을 중심과 반지름을 갖는 2차원 좌표 평면상에서의 수학적 표현 방법으로 가장 알맞은 항은? (단, 중심은 (a, b)이고, 반지름 C이다.)
56. CAM시스템 도입을 통해 얻어지는 효과와 가장 거리가 먼 것은?
57. 다음 은선/은면 제거 알고리즘 중 광원으로부터 빛이 물체에 반사되고 이것이 관찰자에게 도달함으로써 관찰자가 이를 볼 수 있다는 원리에 근거한 알고리즘은?
58. 일반적인 CRT모니터와 비교하여 액정 디스플레이(LCD)의 장점을 설명한 것 중 틀린 것은?
59. 솔리드 모델이 갖고 있는 기하학적 요소 중 서피스(surface) 모델이 갖지 못하는 것은?
60. CAD/CAM 시스템의 그래픽 정보 표준화를 통해 얻을 수 있는 장점이 아닌 것은?
4과목: 기계제도 및 CNC공작법
61. 재료 기호가 “STD 10”으로 표기되어있을 경우 이 재료는 KS에서 무슨 재료인가?
62. 표면의 결 도시방법 및 면의 지시기호에서 가공으로 생긴 모양의 약호로 “C" 로 표시된 것은 어떤 의미인가?
63. 그림과 같이 가공된 축의 테이퍼값은 얼마인가?




64. 그림과 같은 입체도를 화살표 방향에서 본 투상도로 가장 적합한 것은?




65. 다음 중 복렬 자동조심 볼 베어링에 해당하는 베어링 간략기호는?




66. 대상물의 구멍, 흠 등 한 국부만의 모양을 도시하는 것으로 충분한 경우 그림과 같이 도시하는 투상도는?
67. 핸들이나 바퀴 등의 암 및 림, 리브 등의 절단선의 연장선 위에 90° 회전하여 실선으로 그리는 단면도는?
68. 다음 중 가는 실선을 잘못 사용하고 있는 것은?
69. 모양 및 위치의 정밀도 허용값을 도시한 것 중 올바르게 나타낸 것은?




70. 경사면에 평행한 투상면을 설치하고 이것에 필요한 부분을 투상하여 물체의 실제 모양을 나타내는 투상법은?
71. ø60mm인 연강 재료를 이용하여 1200rpm으로 회전하는 CNC선반에서 가공하고자 한다. 주분력을 1000N이라고 했을 때 소요되는 동력은 약 몇 kW인가?
72. 다음은 CNC 프로그램의 일반적인 블록의 구성 내용이다. 여기서 N과 F의 의미는?
73. CNC공작기계의 절삭 제어방식 중 드릴링(drilling) 작업에 적절한 제어방식은?
74. CNC 방전가공에서 전극용 재료의 구비조건으로 틀린 것은?
75. 머시닝센터 프로그램에서 보조 프로그램의 끝을 나타내며 주 프로그램으로 되돌아가는 보조기능은?
76. CNC 공작기계를 운전하는 중에 충돌 등 위급한 상태가 우려될 때 가장 우선적으로 취해야 할 조치법은?
77. 다음의 CNC선반 프로그램에서 가공부의 직경이 ø50일 때 주축의 회전수는 약 몇 rpm 인가?
78. CNC 공작기계에서 서보 모터의 회전력을 테이블의 직선 운동으로 바꾸어 주는 기구로 적절한 것은?
79. CNC선반에서 공구보정(offset) 번호 4번을 선택하여, 2번 공구를 사용하려고 할 때 공구지령으로 옳은 것은?
80. 머시닝센터에서 1줄 나사를 가공을 하고자 할 때 나사의 피치를 P(mm), 공구 회전수를 N(rpm)이라고 하면 이송 속도 F(mm/min)를 구하는 식은?



