1과목: 건축계획
1. 주택 계단의 설치계획에 대한 설명 중 옳지 않은 것은? (단, 주택의 연면적이 200m2 이상인 경우)
2. 연속작업식 레이아웃(layout)이라고도 하며, 대량생산에 유리하여 생산성이 높은 공장건축의 레이아웃 형식은?
3. 메조넷형(maisonette type) 아파트에 관한 설명 중 틀린 것은?
4. 다음의 아파트 평면 형식 중 독립성(privacy)이 가장 양호한 것은?
5. 다음 중 상점건축에서 쇼윈도 유리면의 반사를 방지하는 방법과 가장 관계가 먼 것은?
6. 상점 건축의 판매형식에 대한 설명 중 옳지 않은 것은?
7. 실내공기를 오염시키는 물질 가운데 부유입자와 에어졸을 일정량 이하로 억제하여 유해가스, 금속이온 등이 그 실의 사용목적에 따라 관리되고 있는 실은?
8. 학교운영방식 중 플래툰형에 대한 설명으로 옳은 거은?
9. 다음의 상점 바닥면 계획에 관한 설명 중 옳지 않은 것은?
10. 다음 중 사무소 건축의 연면적이 10,000m2인 경우, 대실면적으로 가장 알맞은 것은?
11. 부엌의 작업 과정에서 작업의 삼각형(working triangle)에 속하지 않는 것은?
12. 주택의 현관 및 복도에 대한 설명 중 옳지 않은 것은?
13. 음악실이 주당 28시간이 사용되고 있는 중학교에서 1주간의 평균 수업시간은 몇 시간인가? (단, 음악실의 이용률은 80%이다. )
14. 사무소 건축의 실단위계획 중 개방식 배치에 대한 설명으로 옳지 않은 것은?
15. 다음의 상점 계획에 관한 설명 중 옳지 않은 것은?
16. 다음 중 고층사무소 건축에서 층고를 낮게 잡는 이유와 가장 거리가 먼 것은?
17. 사무소건축의 엘리베이터계획에 대한 설명 중 옳지 않은 것은?
18. 도시의 주택을 고층 집단화하는 경우에 대한 설명으로 옳지 않은 것은?
19. 주택의 동선계획에 관한 설명 중 틀린 것은?
20. 초등학교의 강당 및 실내체육관계획에 대한 설명 중 옳지 않은 것은?
2과목: 건축시공
21. 콘크리트 다짐에 사용되는 내부진동기에 관한 설명 중 옳지 않은 것은?
22. 다음 중 목재창호에 유리를 고정시킬 때 주로 사용되는 재료는?
23. 목구조에서 듀벨(dubel)의 사용목적으로 적당한 것은?
24. 서중콘크리트에 관한 기술 중 옳지 않은것은?
25. 미장재료의 경화에 관한 설명중 옳지 않은 것은?
26. 지반의 지내력도 값이 큰 것부터 작은 순으로 올바르게 나타낸 것은?
27. 공중용 변소, 전화실 출입문에 가장 적당한 철물은?
28. 폭 30㎝, 춤 60㎝, 길이 6m인 철근콘크리트보 10개의 중량으로서 적당한 것은?
29. 시멘트 450포대를 쌓기 단수 12포대를 기준한다면 시멘트 저장 창고의 필요 면적은?
30. 벽돌벽 쌓기의 주의사항 중 틀린 것은?
31. 관리 사이클의 단계를 바르게 나열한 것은?
32. 그림과 같은 수평보기 규준틀에서 A부재의 명칭은?
33. 테라조 바르기의 줄눈 나누기의 크기로 적당한 것은?
34. 공장에서 가공 또는 조립을 완료한 철골 부재에 대하여 녹막이 칠을 하여야 할 곳은?
35. 다음의 강관 및 강관틀 비계에 관한 기술 중 틀린 것은?
36. 함석잇기 공사에서 직접 못으로 고정하지 않고 거멀접기하는 이유는?
37. 유리판 사이에 철선망을 넣은 것으로 방화 또는 진동이 심한 장소에 많이 쓰이는 유리 제품은?
38. 소규모 철골공사에 많이 사용되며 또한 중량재료를 달아 올리기에 편리한 것으로 폴 데릭(pole derrick)이라고도 불리우는 것은?
39. 프리캐스트 철근콘크리트 공사에서 충전용 콘크리트에 대한 설명 중 틀린 것은?
40. 다음은 재료의 할증율에 관한 기술이다. 틀린 것은?
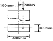
3과목: 건축구조
41. 지름 20㎜, 길이 3m의 연강봉을 축방향으로 30kN의 인장력을 작용시켰을때 길이가 1.4㎜ 늘어났고, 지름이 0.0027㎜ 줄어들었다. 이 때 강봉의 프와송수는?
42. 그림과 같이 편심하중이 작용하는 기둥에서 기둥단면에 작용하는 최대 응력도의 크기는?
43. 그림과 같은 양단 고정보에서 A지점의 반력 모멘트 MA는? (단, 이 보의 휨강도 EI는 일정하다. )
44. 단면의 성질에 관한 설명중 틀린 것은?
45. 장방형 단면을 가진 보의 단면적이 A, 전단력이 V이면 이보 단면의 최대 전단 응력도는?
46. 콘크리트보의 크리프(creep) 현상에 대한 설명 중 틀린 것은?
47. 강도설계법에 의한 철근콘크리트의 보설계에서 그림과 같은단면에서 콘크리트에 의한 전단강도 VC는 약 얼마인가? (단, fck = 24MPa, fy = 400MPa, D10 철근1개의 단면적은 71mm2이다. )
48. 철근콘크리트보에서 헌치(haunch)를 설치하는 이유에 관한 설명으로 가장 적당한 것은?
49. 건축물의 구조계획에서 구조체 자중의 감소에 따른 이점이 아닌 것은?
50. 그림의 단순보에서 보의 단면계수 Z = 1000cm3라면 최대휨 응력도의 크기는?
51. 그림과 같은 직사각형 단근보를 강도설계법으로 설계할 때 콘크리트의 등가응력블록의 깊이 a는 약 얼마인가? (단, D22철근 1개의 단면적은 387m2, fck = 24Mpa, fy = 400MPa)
52. 철근콘크리트보에서 늑근(Stirrup)이 저항하는 힘과 가장 관계가 깊은것은?
53. 연약지반의 상부구조에 대한 대책으로서 적절하지 못한 것은?
54. 슬래브에 관한 다음 기술 중 잘못된 것은?
55. 그림과 같은 구조물의 휨모멘트도로 맞는 것은?




56. 그림과 같이 빗금친 도형의 밑변을 지나는 X-X축에 대한 단면 1차모멘트의 값은?
57. 강도설계법에 의한 철근콘크리트 설계시 콘크리트의 설계기준 강도 fck = 27MPa일 때 콘크리트의 파괴계수 (fr)값은?
58. 스팬(span)이 6m, 단면의 폭 150㎜, 춤 400㎜인 단순보가 나무보일 경우 여기에 실을수 있는 허용 등분포하중은? (단, 나무보의 허용윔응력도 fb = 10MPa이다. )
59. 경간의 길이가 4,000㎜인 단순지지된 1방향 슬래브의 처짐을 계산하지 않는경우의 최소두께는? (단, 리브가 없는 슬래브, fy = 400MPa)
60. 강도설계법에 관한 설명 중 틀린 것은?
4과목: 건축설비
61. 난방부하 계산시 방위에 따른 손실을 보정하는 경우, 그 값을 가장 많이 보정해야 하는 방위는?
62. 다음 중 사이폰 작용에 의한 트랩 내의 봉수 파괴를 방지하기 위한 대책으로 가장 알맞은 방법은?(관리자 입니다. 보기 내용이 좀 안맞는것 같네요. 정확한 보기 내용을 아시는 분 께서는 오류 신고를 통하여 내용 작성 부탁 드립니다. 정답은 1번 입니다.)
63. 경질 비닐관 공사에 대한 설명으로 옳은 것은?
64. 균제도에 대한 설명으로 알맞은 것은?
65. 공기조화방식 중 단일덕트방식에 대한 설명으로 옳지 않은 것은?
66. 다음 중 증기난방의 응축수 환수방식에 속하지 않는 것은?
67. 다음의 공기조화방식 중 전공기 방식에 속하지 않는 것은?
68. 다음 중 생물화학적 산소요구량을 나타내는 것은?
69. 다음의 인터폰 설비에 대한 설명 중 틀린 것은?
70. 다음 중 옥내소화전서리에 관한 설명으로 옳은 것은?
71. 조명에 사용되는 광원에 대한 설명으로 옳지 않은 것은?
72. 전기 배선 공사에 사용되는 기구 중 손잡이의 회전에 의해 점멸을 하는 스위치는?
73. 500명을 수용하는 극장에서 실내 농도를 0.15%로 유지하는데 필요한 환기량은? (단, 1인당 CO2 발생량은 15ℓ/h 이고, 외기 CO2 농도는 0.03%이다. )
74. 자계의 방향이나 도체에 흐르는 전류 방향이 바뀌면 도체가 움직이는 방향도 바뀌게 된다. 이와 관련하여 도체가 움직이는 방향을 알 수 있는 법칙은?
75. 실내기온 26℃(절대습도 Xi = 0.0107㎏/㎏'), 외기온 33℃(절대습도 Xo = 0.0184 ㎏/㎏'), 1시간당 침입 공기량이 500m3일 때 침입외기에 의한 잠열부하는?
76. 기구배수 부하단위(f.u.d)가 1에 해당하는 기구는?
77. 아파트의 경우 스프링클러헤드를 설치하는 천장 등의 각 부분으로부터 하나의 스프링클러 헤드까지의 수평거리는 최대 얼마 이하로 하여야 하는가?
78. 다음 중 공기를 가열할 때 변화하지 않는 것은?
79. 다음의 제연구역에 관한 설명 중 틀린 것은?
80. 직접가열식 급탕 방법에 대한 설명으로 틀린 것은?
5과목: 건축관계법규
81. 6층 이상의 층의 거실 면적의 합계가 7000m2인 병원에 설치하여야 하는 승용 승강기의 최소 대수는? (단, 8인승 기준)
82. 다음 중 사용승인 후 5년이 경과된 연면적 900m2의 건축물을 용도변경할 경우 부설 주차장을 추가로 확보하지 아니하고 용도를 변경할 수 있는 경우는?
83. 다음 중 건축법상 유형에 따른 도로의 최소 너비 기준으로 옳지 않은 것은?
84. 다음의 노외 주차장에 관한 기준 내용 중 ( ) 안에 알맞은 것은?
85. 다음 중 노외주차장의 주차형식에 따른 차로의 너비가 가장 작은 것에서 큰 순서대로 올바르게 나열한 것은? (단, 출입구가 2개인 경우)
86. 건물의 피난층 외의 층으로부터 통하는 직통계단을 2개소이상 설치해야 하는 것은?
87. 방화지구 안에서 주요구조부 및 외벽을 내화구조로 하지 아니할 수 있는 건축물의 용도는?
88. 다음 중 구조기술사 등의 구조계산에 의하여 구조의 안전을 확인하여야 하는 대상 건축물은?
89. 다음 중 비상용 승강기 승강장의 구조에 관한 기준 내용으로 옳지 않은 것은?
90. 전용주거지역 또는 일반주거지역안에서 건축물을 건축하는 경우 건축물의 높이 4미터 이하인 부분은 정북방향으로의 인접대지 경계선으로부터 최소 얼마이상 띄어 건축하여야 하는가?
91. 다음 중 내화구조가 아닌 것은?
92. 다음 중 같은 건축물 안에 함께 설치할 수 없는 것은?
93. 노상주차장의 구조ㆍ설비기준에 관한 일반적인 내용 중 옳지 않은 것은?
94. 다음은 오피스텔의 난방설비를 개별난방방식으로 하는 경우에 대한 설명이다. ( )안에 알맞은 내용은?
95. 공사감리자가 고사시공자에게 상세시공도면의 작성을 요청할 수 있는 건축공사의 연면적 기준은?
96. 부설주차장 설치 대상 시설물 종류에 따른 설치 기준이 옳지 않은 것은?
97. 다음 중 건축법상 “건축”에 해당하지 않는 것은?
98. 다음 중 자주식주차장의 분류에 속하지 않는 것은?
99. 건축관계법규에 따라 피뢰설비를 설치하여야 하는 대상 건축물의 높이 기준으로 옳은 것은?
100. 배연설비의 설치기준으로 옳지 않은 것은?
따라서, 이유를 설명하면, "계단 설치 계획에 대한 설명 중 옳지 않은 것은?"이므로 "계단을 내려갈 때 핸드레일은 왼손으로 잡도록 계획한다."가 옳지 않은 것이다.