1과목: 건축계획
1. 상점 건축의 동선 계획에 관한 설명으로 옳지 않은 것은?
2. 다음 중 사무소 건축의 기준층 평면형태의 결정 요인에 속하지 않는 것은?
3. 엘리베이터 배치 계획시 고려사항으로 옳지 않은 것은?
4. 소규모 주택에서 거실과 부엌을 동일공간으로 한 형식은?
5. 사무소 건축의 코어에 관한 설명으로 옳지 않은 것은?
6. 다음 설명에 알맞은 부엌의 유형은?
7. 다음 중 주거단지 내의 공동주택 배치 계획에 있어서 남북간 인동간격의 결정과 관계가 먼 것은?
8. 테라스 하우스에 관한 설명으로 옳지 않은 것은?
9. 사무소 건축에서 엘리베이터의 조닝(zonung)의 효과에 관한 설명으로 옳지 않은 것은?
10. 업무시설 중 지방자치단체의 청사에 의무적으로 설치하여야 하는 장애인 증의 편의시설에 속하지 않는 것은?
11. 실내공간의 구성기법에 관한 설명으로 옳지 않은 것은?
12. 단독주택의 현관 및 복도에 관한 설명으로 옳지 않은 것은?
13. 상점의 매장 및 정면(Facada) 구성에 요구되는 AIDMA법칙 내용으로 옳지 않은 것은?
14. 공장건축의 작업장 레이아웃(lay out)에 관한 설명으로 옳지 않은 것은?
15. 학교건축에서 교실의 채광 및 조명에 관한 설명으로 옳지 않은 것은?
16. 아파트의 평면형식에 관한 설명으로 옳지 않은 것은?
17. 상점의 판매형식 중 대면판매에 관한 설명으로 옳지 않은 것은?
18. 상점의 점두형식 중 폐쇄형에 관한 설명으로 옳지 않은 것은?
19. 다음 설명에 알맞은 코어 형식은?
20. 학교건축의 배치 유형 중 분산병렬형에 관한 설명으로 옳지 않은 것은?
2과목: 건축시공
21. 공사 실행 공정표의 작성시기에 대한 설명으로 옳은 것은?
22. 아스팔트 방수재의 성질을 판정하기 위한 요소는?
23. 알루미늄 창호공사에서 주의사항으로 틀린 것은?
24. 구조용 재료로 사용되는 목재의 조건으로 부적합한 것은?
25. 시멘트의 비표면적을 나타내는 것은?
26. 건설원가의 구성체계에서 직접공사비를 구성하는 주요 요소가 아닌 것은?
27. 건축 실내공사에서 이동이 용이한 비계는?
28. 시스템거푸집이 아닌 것은?(오류 신고가 접수된 문제입니다. 반드시 정답과 해설을 확인하시기 바랍니다.)
29. 기둥, 벽 등의 모서리에 대어 미장바름용에 사용하는 철물명칭은?
30. 콘크리트를 제조하는 자동설비로서, 재료의 저장설비, 계량설비, 혼합설비 등으로 구성되어 있는 기계설비는?
31. 회반죽의 재료가 아닌 것은?
32. 건설사업관리의 업무영역이 아닌 것은?
33. 판유리를 연화점에 가깝게(500~600) 가열해 두고 양면에 냉기를 불어 넣어 급랭시켜 강도를 높인 안전유리의 일종은?
34. 철근콘크리트공사에서 워커빌리티의 측정방법이 아닌 것은?
35. 콘크리트 재료분리현상을 줄이기 위한 방법으로 틀린 것은?
36. 지내력 시험의 평판재하판으로 사용되는 규격은?
37. 흙막이 공법 중 흙막이 자체가 지하 본구조물의 옹벽을 형성하는 것은?
38. 기본벽돌(1909057mm)을 사용한 1.5B 쌓기의 벽두께 치수로서 옳은 것은?(단, 공간쌓기 벽이 아님)
39. 다음 시멘트의 종류 중 내화성과 급결성이 가장 큰 시멘트는?
40. 철골 공사용 기계 기구 중 그 사용용도가 나머지 셋과 다른 것은?
3과목: 건축구조
41. 단면적 A, 길이 ℓ인 탄성체에 축방향력 P가 작용하여 △ℓ만큼 늘어났다. 이 때 응력도, 변형도, 탄성계수를 각각 σ, ε, E라 한다면 다음 관계식중 틀린 것은?




42. 다음과 같은 단면적에서 X-X축에 대한 단면2차모멘트는?(오류 신고가 접수된 문제입니다. 반드시 정답과 해설을 확인하시기 바랍니다.)
43. 그림과 같은 구조물의 최대 휨 응력은?
44. 그림과 같은 구조물의 판정 결과는?
45. 강구조에 대한 설명 중 틀린 것은?
46. 철근콘크리트의 구조설계에서 철근의 부착력에 영향을 주지 않는 것은?
47. 그림과 같이 단면이 균일한 캔틸레버보의 끝단에 하중 P가 작용하여 x만큼의 변위가 발생하였다. 같은 하중에서 끝단의 처짐이 6x가 되기 위해서는 보의 길이를 기존길이의 몇 배로 해야 하는가?
48. 감도설계법에 의한 설계시 그림과 같은 띠철근기둥의 최대 설계 축하중은? (단, fck=24MPa, fy=400MPa, 강도감소계수는 0.65임)
49. 그림과 같은 단순보의 A점에서 전단력이 0이 되는 위치까지의 거리는?
50. 내부슬래브의 주변에 보와 지판이 없고 fy=400MPa일 경우, 슬래브의 최소두께 산정식은 ln/33이다. 이 식에서 ln으로 옳은 것은?
51. 철근콘크리트 강도설계법에서 처짐을 계산하지 않는 경우, 단순지지된 보의 최소 두께(h)를 구하면? (단, 보의 길이=6m, 보통콘크리트 사용, fy=400MPa)
52. 그림과 같은 독립기초에 압축력 N=300kN, 모멘트 M=150kN·m가 작용할 때 기초저면에 압축반력만 생기게 하는 최소 기초 길이(L)는? (단, 흙의 자중 및 기초자중은 무시)
53. 그림과 같은 라멘구조에서 기둥 AB부재에 모멘트가 발생하지 않게 하기 위한 집중하중 P의 값은?
54. 그림과 같은 캔틸레버보의 자유단에 휨모멘트 5kN·m와 집중하중 P가 작용할 때 자유단의 처짐각이 0이 되기 위한 P를 구하면?
55. 독립기초 설계 시 탄성체에 가까운 경질 점토에 하중이 작용하였을 경우 자중응력 분포도는?




56. 그림과 같은 단순보에서 RB지점의 반력는?
57. 현장치기 콘크리트에서 흙에 접하여 콘크리트를 친 후 영구히 흙에 묻혀 있는 콘크리트의 경우 철근에 대한 콘크리트의 최소 피복두께는?(2021년 개정된 규정 적용됨)
58. 강구조 기둥과 강구조 보의 모멘트접합에 관한 설명으로 틀린 것은?
59. 단면계수 및 단면2차반지름에 관한 설명 중 틀린 것은?
60. 그림과 같은 양단 고정보에서 A지점의 반력 모멘트 MA는? (단, 보의 휨강도 EI는 일정하다.)
4과목: 건축설비
61. 다음의 소방시설 중 소화설비에 속하지 않는 것은?
62. 전압의 분류에서 저압의 범위 기준으로 옳은 것은?(2021년 개정된 KEC 규정 적용됨)
63. 급수기구 부하단위수를 결정할 때 기준이 되는 위생기구는?
64. 증기난방에 관한 설명으로 옳지 않은 것은?
65. 벽체의 열관류율 계산에 직접적으로 필요한 요소가 아닌 것은?
66. 냉풍과 온풍을 혼합하여 부하조건이 다른 계통마다 공기를 공급하는 공기조화방식은?
67. 저항 5[Ω], 15[Ω]이 직렬로 접속된 회로에서 5[A]의 전류가 흐를 때, 인가한 전압은?
68. 밸브의 종류와 사용 개소의 연결이 옳지 않은 것은?
69. 방열기의 용량표시와 관계되는 E.D.R 이 의미하는 것은?
70. 다음 중 교류전동기에 속하는 것은?
71. 4의 물 800L를 100로 가열하면 체적 팽창량은? (단, 물의 밀도는 4일 때 1kg/L, 100일 때 0.9586kg/L 이다.)
72. 습공기선도 상에서 별도의 수분 증가 및 감소없이 건구 온도만 상승시킬 경우 변화하지 않는 것은?
73. 온수난방의 배관계통에서 물의 온도변화에 따른 체적 증감을 흡수하기 위하여 설치하는 것은?
74. 어느 점광원과 1m 떨어진 곳의 직각면 조도가 100[lx]일 때, 이 광원과 2m 떨어진 곳의 직각면 조도는?
75. 바닥이나 벽을 관통하는 배관에 슬리브(sleeve)를 설치하는 가장 주된 이유는?
76. 급수방식 중 펌프직송방식에 관한 설명으로 옳은 것은?
77. 공기조화방식 중 전공기방식에 관한 설명으로 옳지 않은 것은?
78. 원심식 펌프의 일동으로 다수의 임펠러가 케이싱내에서 고속회전하는 방식으로 일반건물의 급수·공조용으로 많이 사용하는 것은?
79. 다음과 같은 조건에 있는 실의 체적이 400m3이고, 틈새바람량이 0.5회/h 일 때 현열부하량은?
80. 배관공사에서 동관과 스테인리스강관가 같이 서로 다른 재질의 배관을 접합할 경우 반드시 수행해야 하는 것은?
5과목: 건축관계법규
81. 주차대수 규모가 50대 이상인 노외주차장 출입구의 최소 너비는? (단, 출구와 입구를 분리하지 않은 경우)
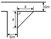
82. 다음 중 건축법령상 공동주택에 속하지 않는 것은?
83. 다음 중 대수선에 속하지 않는 것은?
84. 다음 중 보존지구의 지정 목적으로 가장 알맞은 것은?
85. 국토의 계획 및 이용에 관한 법률 시행령에 규정되어 있는 용도지역안에서의 건폐율 기준으로 옳은 것은?
86. 그림과 같은 도로 모퉁이에서 건축선의 후퇴길이 “a”는?
87. 건축법령상 건축물의 대지에 공개공지 또는 공개공간을 확보하여야 하는 대상 건축물에 속하지 않는 것은?(단, 해당 용도로 쓰는 바닥의 면적의 합계가 5000m2인 경우)
88. 판매시설의 부설주차장 설치기준으로 옳은 것은?
89. 다음은 지하층의 정으에 관한 기준 내용이다. ( ) 안에 알맞은 것은?
90. 그림과 같은 대지의 A점에서 건축할 수 있는 건축물의 최고 층수는? (단, 건축물의 층고는 4m 이다.)
91. 건축법령에 따른 공사감리자의 수행 업무가 아닌 것은?
92. 건축법상 건축물의 노후화를 억제하거나 기능 향상 등을 위하여 대수선하거나 일부 증축하는 행위로 정의되는 용어는?
93. 노외주차장의 출구와 입구(노외주차장의 차로의 노면이 도로의 노면에 접하는 부분)를 설치하여서는 안되는 도로의 종단 기울기의 기준은?
94. 다음 중 허가대상에 해당하는 용도 변경은?
95. 특별시나 광역시에 건축할 경우, 특별시장이나 광역시장의 허가를 받아야 하는 건축물의 층수 기준은?
96. 6층 이상의 거실면적의 합계가 3000m2인 경우, 다음 건축물 중 설치하여야 하는 승용승강기의 최소 대수가 가장 많은 것은?(단, 8인승 승강기의 경우)
97. 특별피난계단에 설치하는 배연설비의 구조에 관한 기준 내용으로 옳지 않은 것은?
98. 다음은 건축물의 높이 산정방법에 관한 기준 내용이다. ( )안에 알맞은 것은?(단, 공동주택이 아닌 경우)
99. 다음은 공동주택 중 아파트에 설치하는 대피공간에 관한 기준 내용이다. 밑줄 친 요건의 내용으로 옳은 것은?
100. 다음은 건축물의 피난·안전을 위하여 건축물 중간층에 설치하는 대피공간인 피난안전구역에 관한 기준 내용이다. ( )안에 알맞은 것은?