1과목: 기계열역학
1. 밀폐계 내에 있는 순수물질의 포화액체를 압력을 일정하게 유지하면서 열을 가하여 포화증기로 만들 경우 다음 사항중 틀린 것은?
2. 다음 중 기체상수(R)가 제일 큰 것은?
3. 움직이고 있던 중량 5톤(ton)의 차에 브레이크를 걸었더니 42.7m 미끄러진 후에 완전히 정지하였다. 노면과 바퀴 사이의 마찰계수를 0.2라 하면, 제동 중에 발생된 열량(KJ)은 약 얼마인가?
4. 공기 1kg을 정적과정으로 40℃에서 120℃까지 가열하고 다음에 정압과정으로 120℃에서 220℃까지 가열한다면 전체 가열에 필요한 열량은 약 얼마인가?(단, cp=1.00KJ/kg℃, Cv-0.71KJ/kg℃ 이다.)
5. 카르노 사이클로 작동되는 열기관이 200KJ의 열을 200℃에서 공급방아 20℃에서 방출한다면 이 기관의 일은 약 얼마인가?
6. 폴리트로픽 변화의 관계식 “PVn=일정”에 있어서 n 이 무한대로 되면 다음 중 어느 과정이 되는가?
7. 물 1kg이 포화온도 120℃에서 증발할 때 증발 잠열은 2206 KJ 이다. 증발하는 동안 물의 엔트로피 증가량은 약 얼마인가?
8. 압축비가 7.5 이고 비열비 k=1.4 인 오토(Otto) 사이클의 열효율은?
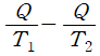
9. 온도 T1의 고온열원으로 온도 T2의 저온열원으로 열량 Q가 전달될 때 두 열원의 총 엔트로피 변화량을 바르게 표현한 것은?




10. 압력이 187 kPa일 때 1m3의 공기질량이 2kg이었다. 이 때 공기의 온도(℃)는?(단. 공기의 기체상수 R=287 J/kg·K 이다.)
11. 랭킨(Rankine) 사이클에서 5 MPa, 500℃의 수증기가 터빈 안에서 5 kPa까지 단열 팽창할 때 이 사이클의 펌프 일은 약 몇 (kJ/kg)인가?(단, 물의 비체적은 0.001 m3/kg 이다.)
12. 준평형 정적과정을 거치는 시스템에 대한 열전달량은? (단, 운동에너지와 위치에너지의 변화는 무시한다.)
13. 열역학 제 1법칙은?
14. 다음 중 강도성(intensive) 상태량이 아닌 것은?
15. 천제연 폭포의 높이가 55m 이고 주위와 열교환을 무시 한다면 폭포수가 낙하한 후 수면에 도달할 때까지 온도 상승은 약 몇인가?(단, 폭포수의 정압비열은 4.2 kJ/kg.℃ 이다.)
16. 체적이 0.1m2인 피스톤-실린더 장치 안에 질량 0.5kg의 공기가 430.5kPa 하에 있다. 정압과정으로 가열하여 온도 가 400K가 되었다. 이 과정 동안의 일과 열전달량은? (단, 공기는 이상기체이며, 기체상수는 0.287kJ/kg-K, 정압비열은 1.004kJ/kg·K 이다.)
17. 다음 설명 중 옳은 것은?
18. 냉동시스템의 증발기(열교환기)에 냉매 R-134a가 온도 5℃, 엔탈피 380 kJ/kg, 질량 유량 0.1 kg/s로 유입되어 포화 증기로 유출된다. 공기는 25℃로 유입되어 10℃로 나온다. 공기의 비열은 1.004 kJ/kg.℃ 이다. 증발기를 통과하는 공기의 질량 유량은?
19. 피스톤-실린더 시스템에 100 kPa 의 압력을 갖는 1kg의 공기가 들어 있다. 초기 체적은 0.5m3 이고 이 시스템에 온도가 일정한 상태에서 열을 가하여 부피가 1.0m2이 되었다. 이 과정 중 전달된 열량(kJ)은 얼마인가?
20. 냄비를 이용하여 요리할 때 다음 중 요리에 필요한 가열시간에 대한 설명으로 옳은 것은?
2과목: 냉동공학
21. 염화칼슘 브라인에 대한 설명 중 옳은 것은?
22. 역카르노 사이클에서 T-S 선도상 성적계수를 ε구하는 식은 어느 것인가?(단. AW: 외부로부터 받은 일, Q1: 고온으로 배출하는 열량, O2: 저온으로부터 받은 열량, T1: 고온, T2: 저온)




23. 40 냉동톤의 냉동부하를 가지는 제빙공장이 있다. 이 제빙 공창 냉동기의 압축기 출구 엔탈피가 457 kcal/kg, 증발기 출구 엔탈피가 369 kcal/kg 증발기 입구 엔탈피가 128 kcal/ kg 일때 냉매 순환량은 얼마인가? (단, 1 냉동톤 = 3320 kcal/h)
24. 다음 그림과 같은 몰리엘(Mollier) 선도상에서 압축냉동 사이클의 각 상태점에 있는 냉매의 상태 설명 중 틀린 것은?
25. 다음은 증발기에 관한 내용이다. 잘못 설명된 것은?
26. 온도식 자동팽창 밸브에 관한 설명이 잘못된 것은?
27. 1대의 압축기로 증발온도를 -30℃이하의 저온도로 만들 경우 일어나는 현상이 아닌 것은?
28. 냉장고의 방열벽의 열통과율이 0.131 kcal/m2h℃일 때 방 열벽의 두께는 약 몇 ㎝인가?(단, 외기와 외벽면과의 열전달률: 20 kcal/m2h°C. 고내 공기와 내벽면과의 열전달률: 10 kcal/m2h°C, 방열재의 열전도율: 0.04 kcal/mh℃이다. 또, 방열 재 이외의 열전도 저항은 무시하는 것으로 한다.)
29. 다음 중 흡수식 냉동장치에서 사용되고 있는 냉매와 흡수 제의 조합이 맞지 않는 것은?
30. 팽창밸브 및 액배관에서 냉매의 흐름이 나쁜 원인에 해당 되지 않는 것은?
31. 어떤 냉동장치의 냉동능력이 10 RT, 축마력 10 kW 이었다. 이 때 응축기 입출구 온도차가 6℃, 응축 온도와 냉각수 온도와의 평균온도차가 8일 때 수냉식 응축기의 냉각수 량(ℓ/min)은 얼마인가? (단, 물의 정압 비열은 1kcal/kg ℃이다.)
32. 다음 중 액압축을 방지하고, 압축기를 보호하는 역할을 하는 것은?
33. 다음 중 전자밸브(Solenoid Valve)의 사용 목적이 아닌 것은?
34. 흡수식 냉동기에 사용하는 흡수제의 구비조건이 아닌 것은?
35. 열의 종류에 대한 설명 중 옳은 것은?
36. 1단 압축 1단 평창 이론 냉동사이클에서 압축기의 압축 과정은?
37. 히트펌프 사이클의 냉매엔탈피값이 다음과 같을 때 이히 트펌프 장치의 가열능력이 30 kW 였다. 이 히트펌프 장치 의 실제 냉동능력은 몇 kW 인가?(단, 압축기의 흡입증기 엔탈피 h1 = 148 kcal/kg, 압축기 실제 토출가스 엔탈피 h2 = 160 kcal/kg, 팽창밸브 직전 냉매액 엔탈피 ha 110 kcal/kg이다)
38. 다음은 h-x(엔탈피-농도)선도에 흡수식 냉동기의 사이클을 나타낸 것이다. 그림에서 흡수사이클을 나타내는 것으로 올바른 것은?
39. 빙축열 설비의 특징이 아닌 것은?
40. 체적효율 감소에 영향을 미치는 요소가 아닌 것은?
3과목: 공기조화
41. 어떤 장치에 비엔탈피 10 kcal/kg인 공기가 매서간 500kg 씩 들어와서 비엔탈피 12 kcal/kg인 공기로 변화된다고 하 면 이 장치에서 공급되는 열량은 몇 kcal/kg 인가? (단, 장치에서의 가슴은 없는 것으로 한다.)
42. 환기와 배연설비에 관한 설명 중 틀린 것은?
43. 덕트의 외부가 유리섬유로 보온되어 있으며 유리섬유는 외 기와 접해 있다. 유리섬유의 열전도율 = 0.086kcal/mh℃, 외기의 열전달을 ∝ = 4.3kcal/m2h℃라 할 때 보온재의 두께 (mm)는 얼마로 하는 것이 좋은가?
44. 다음의 냉방 부하 중 실내 취득 열량에 속하지 않는 것은?
45. 다음 용어와 단위의 관계가 틀린 것은?
46. 온풍난방의 특징을 설명한 것 중 옳지 않은 것은?
47. 클린룸의 클라스를 결정하는데 1ft'의 공기속에 들어있는 먼지 미립자의 갯수를 표시한다. 이 때 표준이 되는 먼지 미립자의 크기는?
48. 다음의 공조기 냉수코일 설계에 대한 설명 중 틀린 것은?
49. 다음 중 개별식 공조방식의 특징이 아닌 것은?
50. 보일러의 발생증기를 한 곳으로만 취출하면 그 부근에 압 력이 저하하여 수면동요와 동시 비수가 발생된다. 이를 방 지하기 위한 장치는?
51. 공기조화설비의 개방식 축열수조에 대한 특징 설명으로 틀린 것은?
52. 온도 t ℃인 습공기의 엔탈피를 구하는 계산식 h = 0.24t + (597 +0.441t)?에 대한 설명 중 틀린 것은?
53. 두께 30 cm, 벽면의 면적이 30m2인 벽돌벽이 있다. 내면의 온도가 20℃, 외면의 온도가 32℃일 때, 이 벽을 통한 열 전열량은 몇 kcal/h인가?(단, 벽돌의 열전도율 λ=0.7kcal/mh℃0이다.)
54. 열을 공급하여야 할 구역이 넓고 또한 건물이 산재하여 목 외배관이 긴 경우에 가장 적당한 난방방식은?
55. 가습장치에 대한 설명 중 옳은 것은?
56. 겨울철 창면을 따라 빌발생하는 콜드 드래프트(cold draft)의 원인으로 옳지 않는 것은?
57. 공기조화설비를 구성하는 4대 주요 장치로서 공기조화기에 해당되지 않는 것은?
58. 열회수방식 중 공조설비의 에너지 절약기법으로 가장 많이 이용되고 있으며, 외기 도입량이 많고 운전시간이 긴 시설 에서 효과가 큰 것은?
59. 난방부하계산에 있어서 설계 외기온도 선정시 설계자가 고 려해야 할 사항으로 맞지 않는 것은?
60. 다음 중 보일러의 안전장치가 아닌 것은?
4과목: 전기제어공학
61. 블록선도에 대한 설명으로 가장 알맞은 것은?
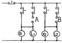
62. 그림은 L1이 점등하면 L2가 소등되고, L2가 점등되면 L1 이 소등되는 회로이다. A 에 알맞은 접점은?
63. 유도전동기에서 슬립이 "0" 이라고 하는 것은?
64. 전기회로와 자기회로의 유사성 중 서로 대응하는 것이 아닌 것은?
65. PI 제어동작은 공정제어계의 무엇을 개선하기 위하여 사용되고 있는가?
66. 뒤진 역률 80%, 1000kW의 3상부하가 있다. 이것에 콘덴서 를 설치하여 역률을 95%로 개선하려고 한다. 필요한 콘덴 서의 용량은 약몇 [kVA] 인가?
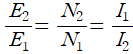
67. 다음 중 자동제어계의 디지털 제어에 적합한 전동기는?
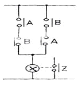
68. 그림과 같은 유접점 회로를 논리 게이트로 바꾸었을 때 올바른 것은?




69. 그림과 같은 R-L-C 직렬회로의 합성 임피던스는 몇 [2] 인가?
70. 변압기의 1차 및 2차의 전압, 권회수, 전류를 E1, N1, I, 및 E2, N2, I2라 할 때 성립하는 식으로 알맞은 것은? 1




71. 피드백 제어시스템의 피드백 효과가 아닌 것은?
72. 유량, 압력, 액위, 농도, 효율 등의 플랜트나 생산공정 중의 상태를 제어량으로 하는 제어는?
73. 정격주파수 60Hz의 농형 유도전동기를 1차 전압을 정격값 으로 하고 50Hz에 사용할 때 낮아지는 것은?
74. 전압의 실효값이 100V, 주파수 60Hz인 교류를 직류용 가동 코일형 계기를 사용하여 그림과 같이 측정하였다. 전압계 의 눈금은 약 몇 [V] 인가?(단. 전압계의 내부저항 R의 값은 충분히 크다고 한다.)
75. 컴퓨터 제어의 A/D 변환기에서 아날로그 신호의 최대값을 M. 변환기의 bit 수를 3 이라 하면 양자화 오차(quantiza- tion error)는 최대 얼마인가?
76. 전기식 조절기의 장점이 아닌 것은?
77. 콘덴서에서 극판의 면적을 3배로 증가시키면 정전 용량은 어떻게 되는가?
78. 다음 그림과 같은 회로에서 스위치를 2분 동안 닫은 후 개방하였을 때 A지점에서 통과한 모든 전하량을 측정하였 더니 240 C 이었다. 이 때 저항에서 발생한 열량은 몇 [cal] 인가?
79. 역률에 관한 다음 설명 중 옳지 않은 것은?
로 계산할 수 있다.80. 제어편차의 미분에 비례하여 출력을 내는 조절 동작을 미분동작이라 한다. 이것과 비례 동작이 함께 신호를 안드는 제어 동작을 무엇이라 하는가?
5과목: 배관일반
81. 유리섬유 단열재의 특징 설명으로 틀린 것은?
82. 급탕온도가 80℃, 급수온도가 15℃, 사용하는 가스의 발열 량이 7000kcal/m3, 보일러의 효율이 70% 일 때 애시 200ℓ의 급탕을 필요로 하는 건물의 가스 사용량(m3/h)은 약 얼마 인가?
83. 관지름이 50mm인 수평 급수강관의 지지간격은?
84. 다음은 주철제 방열기의 도면표시 예이다. 틀리는 설명은?
85. 증기난방에서 증기배관 경로가 옳은 것은?
86. 배관재료의 선정시 고려해야 할 사항과 거리가 먼 것은?
87. 다음 중 밸브의 역할이 아닌 것은?
88. 냉각탑과 응축기 사이의 배관시 사이폰 브레이커(syphon breaker)를 설치하여야 할 경우는?
89. 중·고압 가스배관의 유량(Q)을 나타내는 일반식으로 옳은 것은?(단, P1: 초압, P2: 종압, d: 관경, ℓ: 관길이, S: 비중, K: 유량계수)




90. 배관의 자중이나 열팽창에 의한 힘 이외에 기계의 진동, 수격작용, 지진 등 다른 하중에 의해 발생하는 변위 또는 진동을 억제시키기 위한 장치는?
91. 중력 순환식 급탕관의 권장유속으로 적당한 것은?
92. 증기난방 설비 중 증기헤더(steam header)에 관한 설명 으로 틀린 것은?
93. 동관작업용 사이징 툴(Sizing tool) 공구를 바르게 설명한 것은?
94. 급탕 배관 시공법에 관하여 옳게 설명한 것은?
95. 건물내에서 하루 중 물이 가장 많이 사용되는 시간대에서 순간적(분단위)으로 흐르는 최대급수량을 무엇이라고 하는 기?
96. 테이퍼 관용나사의 테이퍼와 나사산의 각도는?
97. 도시가스배관을 지하에 매설하는 경우 배관의 외면과 상수 도관, 하수관거 등 타시설물과는 몇 m2 이상의 간격을 유지 해야하는가?
98. 다음 중 배수의 종류가 아닌 것은?
99. 배수 횡지관에서 통기관을 이어낼 때는 수직 또는 경사도 는 얼마 이내로 해야 하는가?
100. 냉온수 및 냉각수 배관 시공요령으로 틀린 것은?