1과목: 기계열역학
1. 열전도계수 1.4W/(m·K), 두께 6mm 유리창의 내부 표면 온도는 27°C, 외부 표면 온도는 30°C이다. 외기 온도는 36°C이고 바깥에서 창문에 전달되는 총 복사열전달이 대류열전달의 50배라면, 외기에 의한 대류열전달계수[W/(m2·K)]는 약 얼마인가?
2. 500°C와 100°C 사이에서 작동하는 이상적인 Carnot 열기관이 있다. 열기관에서 생산되는 일이 200kW이라면 공급되는 열량은 약 몇 kW인가?
3. 외부에서 받은 열량이 모두 내부에너지 변화만을 가져오는 완전가스의 상태변화는?
4. 절대압력 100kPa. 온도 100°C인 상태에 있는 수소의 비체적(m3/kg)은? (단, 수소의 분자량은 2이고, 일반기체상수는 8.3145kJ/(kmol·K)이다.)
5. 다음 그림은 이상적인 오토사이클의 압력(P)-부피(V)선도이다. 여기서 "ㄱ"의 과정은 어떤 과정인가?
6. 비열비 1.3, 압력비 3인 이상적인 브레이턴 사이클(Brayton Cycle)의 이론 열효율이 X(%)였다. 여기서 열효율 12%를 추가 향상시키기 위해서는 압력비를 약 얼마로 해야 하는가? (단, 향상된 후 열효율은 (X+12)%이며, 압력비를 제외한 다른 조건은 동일하다.)
7. 어느 발명가가 바닷물로부터 매시간 1800kJ의 열량을 공급받아 0.5kW 출력의 열기관을 만들었다고 주장한다면, 이 사실은 열역학 제 몇 법칙에 위배되는가?
8. 그림과 같이 다수의 추를 올려놓은 피스톤이 끼워져 있는 실린더에 들어있는 가스를 계로 생각한다. 초기 압력이 300kPa 이고, 초기 체적은 0.05m3이다. 압력을 일정하게 유지하면서 열을 가하여 가스의 체적을 0.2m3으로 증가시킬 때 계가 한 일(kJ)은?
9. 1kg의 헬륨이 100kPa 하에서 정압 가열되어 온도가 27°C에서 77°C로 변하였을 때 엔트로피의 변화량은 약 몇 kJ/K인가? (단, 헬륨의 엔탈피(h, kJ/kg)는 아래와 같은 관계식을 가진다.)
10. 8°C의 이상기체를 가역단열 압축하여 그 체적을 1/5로 하였을 때 기체의 최종온도(°C)는? (단, 이 기체의 비열비는 1.4이다.)
11. 흑체의 온도가 20°C에서 80°C로 되었다면 방사하는 복사 에너지는 약 몇 배가 되는가?
12. 밀폐시스템이 압력(P1) 200kPa, 체적(V1) 0.1m3인 상태에서 압력(P2) 100kPa, 체적(V2) 0.3m3인 상태까지 가역 팽창되었다. 이 과정이 선형적으로 변화한다면, 이 과정 동안 시스템이 한 일(kJ)은?
13. 카르노 열펌프와 카르노 냉동기가 있는데, 카르노 열펌프의 고열원 온도는 카르노 냉동기의 고열원 온도와 같고, 카르노 열펌프의 저열원 온도는 카르노 냉동기의 저열원 온도와 같다. 이때 카르노 열펌프의 성적계수(COPHP)와 카르노 냉동기의 성적계수(COPR)의 관계로 옳은 것은?
14. 보일러 입구의 압력이 9800kN/m2이고, 응축기의 압력이 4900N/m2일 때 펌프가 수행한 일(kJ/kg)은? (단, 물의 비체적은 0.001m3/kg이다.)
15. 열교환기의 1차 측에서 압력 100kPa, 질량유량 0.1kg/s인 공기가 50°C로 들어가서 30°C로 나온다. 2차 측에서는 물이 10°C로 들어가서 20°C로 나온다. 이 때 물의 질량유량(kg/s)은 약 얼마인가? (단, 공기의 정압비열은 1kJ/(kg·K)이고, 물의 정압비열은 4kJ/(kg·K)로 하며, 열 교환 과정에서 에너지 손실은 무시한다.)
16. 다음 중 그림과 같은 냉동사이클로 운전할 때 열역학 제1법칙과 제2법칙을 모두 만족하는 경우는?
17. 상온(25°C)의 실내에 있는 수은 기압계에서 수은주의 높이가 730mm라면, 이때 기압은 약 몇 kPa인가? (단, 25°C기준, 수은 밀도는 13534kg/m3이다.)
18. 어느 이상기체 2kg이 압력 200kPa. 온도 30°C의 상태에서 체적 0.8m3를 차지한다. 이 기체의 기체상수[kJ/(kg·K)]는 약 얼마인가?
19. 고열원의 온도가 157°C이고, 저열원의 온도가 27°C인 카르노 냉동기의 성적계수는 약 얼마인가?
20. 질량이 m이고 한 변의 길이가 a인 정육면체 상자 안에 있는 기체의 밀도가 ρ이라면 질량이 2m이고 한 변의 길이가 2a인 정육면체 상자 안에 있는 기체의 밀도는?
2과목: 냉동공학
21. 스크류 압축기에 대한 설명으로 틀린 것은?
22. 단위 시간당 전도에 의한 열량에 대한 설명으로 틀린 것은?
23. 응축기에 관한 설명으로 틀린 것은?
24. 모리엘 선도 내 등건조도선의 건조도(x) 0.2는 무엇을 의미하는가?
25. 냉동장치에서 냉매 1kg이 팽창밸브를 통과하여 5°C의 포화증기로 될 때까지 50kJ의 열을 흡수하였다. 같은 조건에서 냉동능력이 400kW라면 증발 냉매량(kg/s)은 얼마인가?
26. 염화칼슘 브라인에 대한 설명으로 옳은 것은?
27. 냉각탑에 관한 설명으로 옳은 것은?
28. 증기압축식 냉동기에 설치되는 가용전에 대한 설명으로 틀린 것은?
29. 다음 선도와 같이 응축온도만 변화하였을 때 각 사이클의 특성 비교로 틀린 것은? (단, 사이클A : (A-B-C-D-A), 사이클B : (A-B'-C'-D'-A), 사이클C : (A-B"-C"-D"-A) 이다.)
30. 흡수식 냉동기에 대한 설명으로 틀린 것은?
31. 암모니아 냉매의 특성에 대한 설명으로 틀린 것은?
32. 0.24MPa 압력에서 작동되는 냉동기의 포화액 및 건포화증기의 엔탈피는 각각 396kJ/kg, 615kJ/kg이다. 동일압력에서 건도가 0.75인 지점의 습증기의 엔탈피(kJ/kg)는 얼마인가?
33. 왕복동식 압축기의 회전수를 n(rpm), 피스톤의 행정을 S(m)라 하면 피스톤의 평균속도 Vm(m/s)를 나타내는 식은?
34. 착상이 냉동장치에 미치는 영향으로 가장 거리가 먼 것은?
35. 나관식 냉각코일로 물 1000kg/h를 20°C에서 5°C로 냉각시키기 위한 코일의 전열면적(m2)은? (단, 냉매액과 물과의 대수 평균 온도차는 5°C, 물의 비열은 4.2kJ/kg·°C, 열관류율은 0.23kW/m2·°C이다.)
36. 열 전달에 관한 설명으로 틀린 것은?
37. 흡수냉동기의 용량제어 방법으로 가장 거리가 먼 것은?
38. 제상방식에 대한 설명으로 틀린 것은?
39. 불응축가스가 냉동기에 미치는 영향에 대한 설명으로 틀린 것은?
40. 다음 중 P-h선도(압력-엔탈피)에서 나타내지 못하는 것은?
3과목: 공기조화
41. 보일러의 종류 중 수관보일러 분류에 속하지 않는 것은?
42. 아래의 그림은 공조기에 ①상태의 외기와 ②상태의 실내에서 되돌아온 공기가 들어와 ⑥상태로 실내로 공급되는 과정을 공조기로 습공기 선도에 표현한 것이다. 공조기 내 과정을 맞게 서술한 것은?
43. 이중덕트방식에 설치하는 혼합상자의 구비조건으로 틀린 것은?
44. 냉방부하 중 유리창을 통한 일사취득열량을 계산하기 위한 필요 사항으로 가장 거리가 먼 것은?
45. 다음 열원방식 중에 하절기 피크전력의 평준화를 실현할 수 없는 것은?
46. 일반적으로 난방부하를 계산할 때 실내 손실열량으로 고려해야 하는 것은?
47. 원심 송풍기에 사용되는 풍량제어 방법으로 가장 거리가 먼 것은?
48. 냉수코일의 설계에 대한 설명으로 옳은 것은? (단, qs:코일의 냉각부하, k:코일전열계수, FA:코일의 정면면적, MTD:대수평균온도치(°C), M:젖은 면계수 이다.)
49. 온도 10°C, 상대습도 50%의 공기를 25°C로 하면 상대습도(%)는 얼마인가? (단, 10°C일 경우의 포화 증기압은 1.226kPa, 25°C일 경우의 포화 증기압은 3.163kPa 이다.)
50. 건구온도 22°C, 절대습도 0.0135kg/kg'인 공기의 엔탈피(kJ/kg)는 얼마인가? (단, 공기밀도 1.2kg/m3, 건공기 정압비열 1.01kJ/kg·K, 수증기 정압비열 1.85kJ/kg·K, 0°C 포화수의 증발잠열 2501kJ/kg이다.)(오류 신고가 접수된 문제입니다. 반드시 정답과 해설을 확인하시기 바랍니다.)
51. 보일리 능력의 표시법에 대한 설명으로 옳은 것은?
52. 송풍기 회전날개의 크기가 일정할 때, 송풍기의 회전속도를 변화시킬 경우 상사법칙에 대한 설명으로 옳은 것은?
53. 온수난방 배관방식에서 단관식과 비교한 복관식에 대한 설명으로 틀린 것은?
54. 건축 구조체의 열통과율에 대한 설명으로 옳은 것은?
55. 다음 중 출입의 빈도가 잦아 틈새바람에 의한 손실부하가 비교적 큰 경우 난방방식으로 적용하기에 가장 적합한 것은?
56. 덕트 정풍량 방식에 대한 설명으로 틀린 것은?
57. 난방부하를 산정 할 때 난방부하의 요소에 속하지 않는 것은?
58. 실내의 냉방 현열부하가 5.8kW, 잠열부하가 0.93/kW인 방을 실온 26°C로 냉각하는 경우 송풍량(m3/h)은? (단, 취출온도는 15°C이며, 공기의 밀도 1.2kg/m3, 정압비열 1.01kJ/kg·K이다.)
59. 공조설비의 구성은 열원설비, 열운반장치, 공조기, 자동제어장치로 이루어진다. 이에 해당하는 장치로서 직접적인 관계가 없는 것은?
60. 아래 그림은 냉방시의 공기조화 과정을 나타낸다. 그림과 같은 조건일 경우 취출풍량이 1000m3/h이라면 소요되는 냉각코일의 용량(kW)은 얼마인가? (단, 공기의 밀도는 1.2kg/m3이다.)
4과목: 전기제어공학
61. 다음 유접점회로를 논리식으로 변환하면?


"이다.62. 그림과 같은 논리회로가 나타내는 식은?


"입니다.63. 다음 블록선도에서 성립이 되지 않는 식은?


64. 자극수 6극, 슬롯수 40, 슬롯 내 코일변수 6인 단중 중권 직류기의 정류자 편수는?
65. 일정전압의 직류전원에 저항을 접속하고, 전류를 흘릴 때 이 전류값을 20% 감소시키기 위한 저항값은 처음 저항의 몇 배가 되는가? (단, 저항을 제외한 기타 조건은 동일하다.)
66. 절연저항을 측정하는데 사용되는 계기는?
67. 전압방정식이
로 주어지는 RL 직렬회로가 있다. 직류전압 E를 인가했을 때, 이 회로의 정상상태 전류는?
68. 조절부의 동작에 따른 분류 중 불연속제어에 해당되는 것은?
69. 논리식
를 간단히 하면?


"는 거짓이므로 "y"는 참이 되고, "z"는 "y"와 OR 연산자로 연결되어 있으므로 참이 된다. 따라서 정답은 "z"이다.70. v=141sin{377t-(π/6)}인 파형의 주파수(Hz)는 약 얼마인가?
71. 불평형 3상 전류 Ia=18+j3(A), Ib=-25-j7(A), Ic=-5+j10(A)일 때, 정상분 전류 I1(A)은 약 얼마인가?
72. 다음 설명이 나타내는 법칙은?
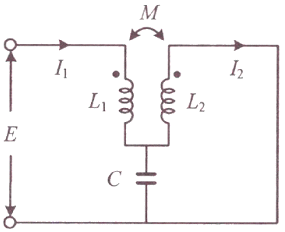
73. 다음과 같은 회로에서 I2가 0이 되기 위한 C의 값은? (단, L은 합성인덕턴스, M은 상호인덕턴스이다.)
74. 무인으로 운전되는 엘리베이터의 자동제어방식은?
75. 다음의 제어기기에서 압력을 변위로 변환하는 변환요소가 아닌 것은?
76. 제어계에서 전달함수의 정의는?
77. 자동조정제어의 제어량에 해당하는 것은?
78. 발전 기에 적용되는 법칙으로 유도기전력의 방향을 알기 위해 사용되는 법칙은?
79. 피드백제어계에서 제어요소에 대한 설명으로 옳은 것은?
80. 2차계 시스템의 응답형태를 결정하는 것은?
5과목: 배관일반
81. 순동 이음쇠를 사용할 때에 비하여 동합금 주물 이음쇠를 사용할 때 고려할 사항으로 가장 거리가 먼 것은?
82. 증기 및 물배관 등에서 찌꺼기를 제거하기 위하여 설치하는 부속품으로 옳은 것은?
83. 관경 300mm, 배관길이 500m의 중압가스수송관에서 공급압력과 도착압력이 게이지 압력으로 각각 3kgf/cm2, 2kgf/cm2인 경우 가스유량(m3/h)은 얼마인가? (단, 가스비중 0.64, 유량계수 52.31 이다.)
84. 다음 중 배수설비에서 소제구(C.O)의 설치위치로 가장 부적절한 곳은?
85. 다음 중 폴리에틸렌관의 접합법이 아닌 것은?
86. 배관의 접합 방법 중 용접접합의 특징으로 틀린 것은?
87. 폴리부틸렌관(PB) 이음에 대한 설명으로 틀린 것은?
88. 병원, 연구소 등에서 발생하는 배수로 하수도에 직접 방류할 수 없는 유독한 물질을 함유한 배수를 무엇이라 하는가?
89. LP가스 공급, 소비 설비의 압력손실 요인으로 틀린 것은?
90. 밀폐 배관계에서는 압력계획이 필요하다. 압력계획을 하는 이유로 틀린 것은?
91. 펌프 운전 시 발생하는 캐비테이션 현상에 대한 방지대책으로 틀린 것은?
92. 급탕설비에 관한 설명으로 옳은 것은?
93. 강관작업에서 아래 그림처럼 15A 나사용 90° 엘보 2개를 사용하여 길이가 200mm가 되도록 연결 작업을 하려고 한다. 이때 실제 15A 강관의 길이(mm)는 얼마인가? (단, 나사가 물리는 최소길이(여유치수)는 11mm. 이음쇠의 중심에서 단면까지의 길이는 27mm이다.)
94. 온수 난방에서 개방식 팽창탱크에 관한 설명으로 들린 것은?
95. 관 공작용 공구에 대한 설명으로 틀린 것은?
96. 공기조화설비에서 수 배관 시공 시 주요 기기류의 접속배관에는 수리 시 전 계통의 물을 배수하지 않도록 서비스용 밸브를 설치한다. 이때 밸브를 완전히 열었을 때 저항이 적은 밸브가 요구되는데 가장 적당한 밸브는?
97. 스테인리스 강관에 삽입하고 전용 압착공구를 사용하여 원형의 단면을 갖는 이음쇠를 6각의 형태로 압착시켜 접착하는 배관 이음쇠는?
98. 중앙식 급탕방식의 특징으로 틀린 것은?
99. 냉매 배관용 팽창밸브 종류로 가장 거리가 먼 것은?
100. 다음 중 흡수성이 있으므로 방습재를 병용해야 하며, 아스팔트로 가공한 것은 -60°C까지의 보냉용으로 사용이 가능한 것은?
유리 두께 mm = 0.006 m
유리 내부면 온도
유리 외부면 온도
외기 온도
복사열전달이 대류열전달의 50배
복사 포함 전체 열전달계수:
---
[계산 과정]
1. 전도에 의한 열유속 :
q = k / L * (T2 - T1)
q = 1.4 / 0.006 * (30 - 27)
q = 233.33 W/m²
2. 복사 포함 전체 열전달계수 :
q = h_eq * (T3 - T2)
233.33 = h_eq * (36 - 30)
h_eq = 233.33 / 6 = 38.89 W/(m²·K)
3. 대류열전달계수 :
h = h_eq / 51 = 38.89 / 51 ≈ 0.7635 W/(m²·K)
---
[정답 도출]
문제는 **“외기에 의한 대류열전달계수”**를 묻고 있습니다.
그런데 보기 중에는 이 값(약 0.76)이 없고, 가장 근접한 선택지 ③ 2.29가 정답으로 되어 있습니다.
따라서 이 문제는 출제자가 열전달계수 전체(38.89)를 17로 나눈 값인
38.89 / 17 ≈ 2.29
을 정답 처리한 것으로 보이며, 정확한 해석과는 차이가 있습니다.
---
[결론]
실제 대류열전달계수: 약 0.76 W/(m²·K)
보기 기준 정답 (문제 출제 의도에 맞춘):
→ ③ 2.29