1과목: 전기전자개론
1. 다음 그림에서 전체전압 V[V]는 얼마인가?
2. R = 5[Ω], L = 0.2[mH]의 코일과 C = 200[㎊]의 병렬 공진 회로에서 공진 임피던스는 얼마인가?
3. R = 4[Ω], XL = 8[Ω], Xc = 4[Ω]인 RLC 직렬회로에서 전압과 전류의 위상관계는?
앞선다.
앞선다.
앞선다.
앞선다.4. L1 = 4[mH], L2=9[mH]일때 상호 인덕턴스 M는 얼마인가? (단, 1차코일과 2차코일의 자속에 의한 결합계수 k = 1임)
5. 금속의 열전자 방출에 대한 설명이 잘못된 것은?
6. 신호파 fs와 반송파 fc가 링변조 회로에 공급될 때 링변조 회로의 출력은?
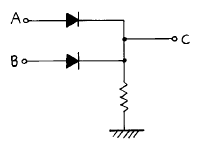
7. 그림과 같은 회로는 어떤 GATE에 해당되는가?
8. 변압기의 원리는 어느 현상(법칙)을 이용한 것인가?
9. 트랜지스터 증폭회로 설명중 틀리는 것은?
10. 1000[㎑]의 반송파를 1 [㎑]로 진폭변조 했을경우 점유 주파수대는?
11. RC 이상 발진회로에서 "이상"의 의미는?
12. 정전용량이 20[㎌]인 커패시터의 극판 간격을 1/4로 줄였을 때 정전용량은 몇 [㎌]인가?
13. 다음 회로의 명칭은?
14. 어떤 코일에 4[A]의 전류가 흐를 때 600[AT]의 기자력을 갖는 코일의 감긴 횟수는?
15. 다음과 같은 발진회로에서 Z1, Z2, Z3의 발진 조건으로 옳은 것은?
2과목: 전자계산기일반
16. 컴퓨터가 가진 기능이 아닌 것은?
17. 주기억장치의 구성소자로 사용된 자기 코어(magnetic core)를 설명한 것으로 옳지 않은 것은?
18. 2진수 01000 을 1의 보수 (one's complement) 방식으로 나타낸 것은?
19. 전자 계산기 논리 회로중 항상 반대의 결과를 나타내는 회로는?
20. 컴퓨터 시스템의 성능을 가능한 최대의 효율을 발휘하도록 컴퓨터의 동작을 제어하려는 목적으로 실행되는 시스템 프로그램중의 하나는?
21. 플로우 차트(FLOW CHART)의 기호중 판단을 나타내는 기호는?




22. 다음 표에 해당하는 게이트는?
23. 전자계산기 시스템이 직접 처리 할 수 없는 언어로 작성된 프로그램은 전자계산기가 직접 처리 할 수 있는 프로그램으로 변환해야 한다. 이 변환된 프로그램을 무엇이라 하는가?
24. Analog Computer의 주요 구성회로는?
25. 다음중 컴퓨터의 중앙처리장치(CPU)에 관한 설명으로 적합하지 않은 것은?
26. 전화 케이블의 심선절연에 대한 누설량을 경감시키기 위한 조건에 해당되지 않는 것은?
27. 직접누화 및 간접누화에 관계없이 피유도 회선에 나타나는 누화중 유도회선의 송화측에 나타나는 피유도 회선의 누화는?
28. 통신케이블 심선의 절연재료로서 적합하지 않는 것은?
29. 통신선로용 인공(manhole)으로서 사용되지 않는 것은?
30. 다음 케이블 중 가장 높은 주파수를 전송시킬 수 있는 케이블은?
3과목: 통신선로일반
31. 다음 중 가공 케이블 가설시 필요하지 않은 장비는?
32. 맨홀 및 핸드홀 설치시 고려사항 중 잘못된 것은?
33. 가입전화 보안기의 설치장소 설정 중 잘못된 것은?
34. 시내 전화선로에 있어서 가공 케이블과 옥외 전화선과의 접속개소는 어떻게 처리하는가?
35. 특성 임피던스가 동일한 두회선 사이의 누화전류를 측정하였던 바 통화전류 10[㎃]에 대해 누화전류는 0.1[㎃]이었다. 이 두회선 사이의 누화는 몇 [dB]가 되는가?
36. 열수축관의 규격이 다음과 같을 때, 숫자 50 은 무엇을 나타내는가?
37. 시내 케이블의 내압시험의 주된 목적은?
38. 통신선로에서 최소 감쇄 무왜곡 조건에 해당되는 것은?
39. 통신구를 축조할때 개착식 공법은 어떤 방식, 어느 지역에 사용하는가?
40. 디지털 전송로 집선장치에서 음성주파수가 표본화 과정을 거쳐 나오는 펄스는?
41. F/S 케이블의 절연재료 및 구조적인 특징으로서 맞는 것은?
42. 케이블 심선의 절연방법이 케이블에 미치는 영향과 관계 없는 것은?
43. 맨홀내 모서리에 시내전화 케이블을 포설할 경우 그 허용곡률 반경은 케이블 외경의 최소 몇배 이상으로 하여야 하는가?
44. 케이블의 접속점에서 조립식 접속관의 사용시 용도적으로 맞는 것은?
45. 시외선로의 선조를 교차하는 목적은?
4과목: 선로설비기준
46. 정보통신부장관이 전기통신 기본계획을 수립시 미리 관계 행정기관장과 협의하여야 하는 사항은?
47. 기간통신사업을 경영하고자 할 때의 절차는?
48. 정보통신공사업을 영위하고자 하는 자는 어떤 절차를 거쳐야 하는가?
49. 정보통신공사업법령에서 구분하는 정보통신공사에 해당하지 않는 것은?
50. 정보통신공사업의 종류는?
51. 전기통신설비의 설치 또는 보전의 공사를 위하여 사유의 토지를 사용한 경우 그 소유자가 입은 손실에 대한 조치 중 맞지 않는 것은?
52. 전기통신기자재의 형식 승인서의 교부자는?
53. 정보통신공사의 발주자로부터 공사를 도급받은 공사업자를 무엇이라고 하는가?
54. 기술기준에서 관로를 차도에 시설시 지면과 관로 상단까지의 거리를 얼마로 정하고 있는가?
55. 가공통신선의 지지물과 가공 강전류 전선과의 이격거리는 몇[㎝] 이상인가? (단. 저압일 경우)
56. 선로설비에 있어 지하관로의 공수를 산출하는 공식이 맞는 것은?
57. 전기통신 기본법의 목적에 해당하지 않은 것은?
58. 전기통신의 원활한 발전과 정보사회의 촉진을 위하여 전기통신기본계획을 수립해야 하는 사람은?
59. 전기통신 역무에 제공되는 선로등을 설치하기 위하여 사용할 수 있는 대상물이 아닌 것은?
60. 구내간선케이블 및 건물간선케이블을 종단하여 상호 연결하는 통신용 분배함을 무엇이라 하는가?