1과목: 수처리공정
1. 횡류식 침전지에서 침강속도가 V인 입자의 제거율은? (단, V는 표면부하율보다 작고, Q는 침전지에 유입되는 유량이며, L, B, H는 각각 침전지의 길이, 폭, 유효 수심이다.)
2. 플록형성지에 관한 설명으로 옳은 것을 모두 고른 것은?
3. 수산화나트륨 약품이 겨울에 결정화되지 않도록 보관하기 위한 농도(%)는? (단, 최저 기온을 -20℃로 가정한다.)
4. 여과지의 운영 및 관리에 관한 설명으로 옳지 않은 것은?
5. 급속여과지의 역세척에 관한 설명으로 옳지 않은 것은?
6. 하향류 여과 시설의 여과층에 따른 탁질억류량 분포가 다음 그림과 같은 여과층의 형식은?
7. 급속여과에서 사용할 수 있는 신규 여과모래의 특성으로 옳지 않은 것은?
8. 여과모래의 균등계수가 1.5이고, 입도가적곡선에서 파악한 중량통과율 60 %와 80 %에 해당하는 여과모래의 입경이 각각 0.75 mm와 1.20 mm이었다. 중량통과율 10 %에 해당하는 여과모래의 입경(mm)은?
9. 염소가스 저장시설에서 염소가스 누출로 인한 중독을 방지하기 위하여 설치되는 제해설비에 관한 설명으로 옳은 것은?
10. 오존 접촉지에 관한 설명으로 옳은 것을 모두 고른 것은?
11. 액화염소 저장설비에 관한 설명으로 옳지 않은 것은?
12. 먹는물 수질기준 중 미생물 기준에 관한 설명으로 옳은 것은?
13. 수도법령상 정수처리기준에서 정한 병원성미생물이 아닌 것은?
14. 잔류소독제 농도가 1.5 mg/L이고 소독제 접촉시간이 0.5시간일 때, 소독능 계산값 (CT계산값)은?
15. 탈수기의 가동 중 슬러지가 연속적으로 공급되지 않으면서 운전되는 것은?
16. 슬러지 농축조의 계획 유입유량이 100 m3/d 이고 슬러지의 체류시간이 48시간일 때, 농축조의 설계용량(m3)은?
17. 막여과 공정의 약품세척에서 사용되는 약품과 일반적인 제거 대상 물질이 바르게 짝지어진 것은?
18. 오존 처리에 관한 설명으로 옳은 것은?
19. 자외선 소독 공정에 관한 설명으로 옳지 않은 것은?
20. 일반적으로 질산성질소를 제거할 수 있는 공정이 아닌 것은?
2과목: 수질분석 및 관리
21. 수질오염공정시험기준상 용어의 설명으로 옳은 것은?
22. 수질오염공정시험기준상 정도관리에 관한 설명으로 옳지 않은 것은?
23. 수질오염공정시험기준상 금속류-유도결합플라스마-원자발광분광법에 관한 설명 으로 옳지 않은 것은?
24. 응집용 약품주입에 관한 설명으로 옳지 않은 것은?
25. 오존처리 공정에서 오존주입량 4 mg/L이고, 배출오존량 1 mg/L, 잔류오존량 0.5 mg/L일 때 오존전달효율(%)은?
26. 정수시설의 입상활성탄 세척빈도에 영향을 주는 인자를 모두 고른 것은?
27. 오존처리 공정에서의 주입오존량(kg/d)은?
28. 수질오염공정시험기준상 화학적산소요구량 측정법 중 산성과망간산칼륨법에 관한 설명으로 옳은 것은?
29. 10,000 m3/d을 생산하는 정수장에서 여과지 통과 후 20 kg/d의 염소를 주입한 결과 정수지 유출수의 잔류염소 농도가 0.2 mg/L이었을 때, 염소요구량(mg/L)은?
30. 먹는물수질공정시험기준상 (중온)일반세균-평판집락법에 관한 설명이다. ( )에 들어갈 숫자가 옳은 것은?
31. 먹는물수질공정시험기준상 탁도 측정에 관한 설명으로 옳지 않은 것은?
32. 소독에 의한 불활성화비 계산에 관한 설명으로 옳은 것은?
33. 먹는물수질공정시험기준상 총칙에 관한 설명으로 옳지 않은 것은?
34. 먹는물수질공정시험기준상 시료용기로 유리를 사용할 수 없는 항목은?
35. 먹는물관리법상 먹는샘물등, 수처리제 또는 그 용기를 수입하려는 자가 시ㆍ도지사에게 신고한 경우, 시ㆍ도지사가 할 수 있는 검사방법을 모두 고른 것은?
36. 먹는물 수질기준 및 검사 등에 관한 규칙상 먹는물의 수질기준 중 미생물에 관한 기준으로 옳지 않은 것은?
37. 먹는물 수질감시항목 운영 등에 관한 고시의 적용 대상으로 옳지 않은 것은?
38. 수도법상 상수원보호구역 지정 등에 관한 권한을 가지고 있는 사람은?
39. 수도법령상 저수조의 설치기준에 관한 설명으로 옳은 것은?
40. 물환경보전법령상 상수원 구간에서 “2회 연속 채취 시 남조류 세포수가 10,000세포/mL이상 1,000,000세포/mL미만인경우”에 발령되는 조류경보 단계는?
3과목: 설비운영(기계·장치 또는 계측기 등)
41. 응집용 약품 저장설비의 용량 기준으로 옳은 것은?
42. 가압수확산에 의한 혼화 방식에 관한 설명으로 옳지 않은 것은?
43. 침전지의 슬러지를 기계적으로 제거하는 슬러지 수집기 형식이 아닌 것은?
44. 현장제조형 염소발생기의 전기분해조 음(-)극에서 발생하는 현상으로 옳지 않은 것은?
45. 가압탈수기에 관한 설명으로 옳은 것은?
46. 역세척배출수의 침전시설에 관한 설명으로 옳은 것을 모두 고른 것은?
47. 오존발생용 원료가스 공급장치 중 PSA(가압교대흡착방식), VPSA(진공가압 교대 흡착방식), VSA(진공교대 흡착방식) 등을 사용하는 것은?
48. 전동기를 제동시키기 위하여 공급 전원을 끊고 발전기로 동작시킴으로써 운동에너지를 주울열로 변화시키는 제동 방식은?
49. 유도전동기에 해당하는 것은?
50. 한국전기설비규정상 고압 및 특고압의 전로 중 피뢰기를 시설하여야 하는 장소로 옳지 않은 것은?
51. 최대수용전력이 200 kW이고 총부하설비용량이 400 kW일 때, 수용률(%)은?
52. 변압기 Y-Y결선 방식에 관한 설명으로 옳지 않은 것은?
53. 비접지계통의 영상전류는 ZCT를 통하여 검출한다. ZCT의 1차측 정격전류(mA)는?
54. 액체 중에 전극을 삽입하여 수위를 측정하는 방식은?
55. 유량측정장치를 선정할 때 고려해야 할 요소로 옳지 않은 것은?
56. 상수도 시설의 감시조작설비가 아닌 것은?
57. 전자유량계를 설치할 때 유의해야 할 사항으로 옳지 않은 것은?
58. 탈포조와 탁도계 사이의 배관에 밸브를 설치해야 하는 경우 사용하는 밸브는?
59. 화학물질의 분류ㆍ표시 및 물질안전보건자료에 관한 기준상 용어의 정의로 옳지 않은 것은?
60. 유해화학물질 실외 보관시설 설치 및 관리에 관한 고시상 실외 보관시설 설치에 관한 기술기준으로 옳지 않은 것은?
4과목: 정수시설 수리학
61. 물의 성질에 관한 설명으로 옳은 것은?
62. 오리피스를 이용한 유량측정에서 수두 측정에 3 %의 오차가 있다면 측정 유량에 발생하는 오차(%)는 얼마인가? (단, 오리피스의 유량계수는 상수이다.)
63. [MLT]계로 나타낸 물리량의 차원표시로 옳지 않은 것을 모두 고른 것은?
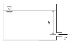
64. 그림과 같은 물탱크에서 수심(h)이 4 m인 위치에 작은 오리피스가 설치되어 있다. 오리피스에서의 토출유속(m/s)은 약 얼마인가? (단, 오리피스의 유속계수는 0.7, 중력가속도는 9.8 m/s2이다.)
65. 관수로 흐름의 에너지선과 동수경사선의 차이가 1 m일 때, 관로의 단면평균유속(m/s)은 약 얼마인가? (단, 중력가속도는 9.8 m/s2이다.)
66. 상용관의 마찰손실계수를 산정하기 위해 사용되는 Moody 도표에 관한 설명으로 옳지 않은 것은?
67. 흐름의 분류와 유동가시화(flow visualization)에 관한 설명으로 옳은 것은?
68. 직경 200 mm인 원형관에 2 m3/min 유량의 물이 200 m 흐를 때 발생하는 마찰손실 수두(m)는 약 얼마인가? (단, 마찰손실계수는 0.01, 중력가속도는 9.8 m/s2이다.)
69. 관수로 흐름에서 발생하는 미소손실에 관한 설명으로 옳지 않은 것은?
70. 일정한 단면적을 가진 직사각형 개수로에서 최적수리단면에 관한 설명으로 옳지 않은 것은?
71. 개수로 흐름에 관한 설명으로 옳은 것은?
72. 직경 200 mm인 관에 물이 가득차서 흐를 때 유량(m3/s)은 약 얼마인가? (단, Manning 공식을 따르며 조도계수는 0.012, 동수경사는 0.025이다.)
73. 개수로의 흐름상태를 나타내는 프루드수(Froude number)에 관한 설명으로 옳은 것은?
74. 폭 8 m, 길이 15 m, 유효수심 4 m인 장방형 침전지의 유입유량이 20 m3/min일 때, 이 침전지의 표면부하율(m3/m2/d)은 얼마인가?
75. 혼화지에서 속도경사(G)를 결정하는 요소에 해당하는 것을 모두 고른 것은?
76. 펌프의 형식 및 운전에 관한 설명으로 옳지 않은 것은?
77. 펌프의 흡입구 지름이 600 mm, 흡입구의 유속이 2.0 m/s, 펌프의 실양정이 14 m, 펌프의 효율이 86 %이고, 총손실수두가 3.5 m 일 때, 펌프의 소요동력(kW)은 약 얼마인가? (단, 중력가속도는 9.8 m/s2, 물의 단위중량은 1,000 kgf/m3이다.)
78. 펌프의 비속도(NS)가 작은 것부터 큰 순서로 올바르게 나열한 것은?
79. 펌프의 성능곡선에 관한 설명으로 옳은 것은?
80. 효율이 85 %, 동력이 500 kW인 펌프를 이용하여 110 m 위의 수조로 물을 양수할 때, 유속이 1.5 m/s라면 계산관경(mm)은 약 얼마인가? (단, 중력가속도는 9.8 m/s2, 물의 단위중량은 1,000 kgf/m3, 손실수두는 10 m이다.)