1과목: 과목 구분 없음
1. 유효전력 800[W], 무효전력 600[VAR]인 단상 교류 회로의 역률은?
2. 무한히 긴 두 개의 평행도선에 1[A]의 전류가 같은 방향으로 흐르고 있을 때, 평행도선의 간격만 2배로 증가한 경우 두 평행도선 사이에 작용하는 힘에 대한 설명으로 옳은 것은?
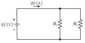
3. 그림의 회로에서 R1과 R2 저항값의 차[Ω]는? (단, R1+R2=10[Ω]이다)
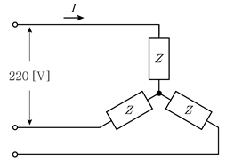
4. 그림의 평형 3상 회로에서 선간전압이 220[V]이고 한 상의 임피던스가 Z=4+j3[Ω]일 때, 선전류 I[A]는? (단, 전압과 전류는 실횻값이다)




5. 정전용량이 8[μF]인 평행판 축전기의 전압이 200[V]일 때, 축전기의 전하량 Q[C]는?
6. 그림의 직렬회로에서 저항 R[Ω]과 리액턴스 X[Ω]는?(단, v(t)=40sin(120πt)[V]이고, i(t)=2sin(120πt-30°)[A]이다)
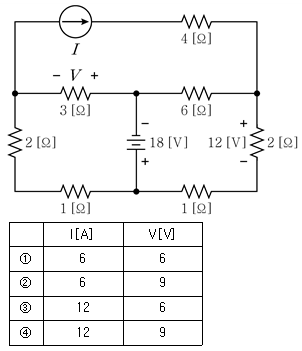
7. 그림의 회로에서 전류 I[A]와 전압 V[V]는?
8. L1 = L2 = 2[mH] 인 두 코일을 (a), (b)와 같이 접속했을 때의 합성 인덕턴스 La[mH], Lb[mH]에 대한 설명으로 옳은 것은? (단, 두 접속 회로에서 결합 계수는 0.5이다)
9. 그림의 회로에서 유효전력은 720[W]이고 역률은 0.6일 때, 무효전력 Q[VAR]와 인덕턴스 L[mH]은? (단, v(t)의 주파수는 1000/π[Hz]이다)
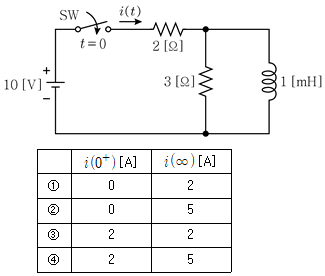
10. 그림의 회로에서 스위치 SW가 t=0에서 동작하여 닫힌 상태를 유지할 때, 초기 전류 i(0+)[A]와 정상 상태 전류 i(∞)[A]는? (단, 인덕터의 초기 전류는 0이다)
11. 단상 교류전력에 대한 설명으로 옳지 않은 것은?
12. 평형 3상 회로의 △결선 부하에 대한 설명으로 옳지 않은 것은?
13. 그림의 회로에서 전류 I[A]는?
14. 그림의 회로에서 커패시턴스 C[μF]는? (단, 회로는 정상상태이다)
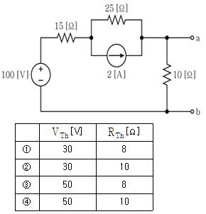
15. 그림의 회로에서 단자 a-b의 테브난 등가 전압 VTh[V]와 테브난 등가 저항 RTh[Ω]는?
16. 저항 10[Ω]에 비정현파 전류 is(t)=3sin(ωt)+sin(3ωt) [A]가 흐를 때, 전류의 실횻값 Is[A]와 저항의 평균전력 P[W]는? (단, ω는 각주파수이다)
17. 그림의 회로에서 스위치 SW를 t=0에서 닫았을 때, 전류 i(t)[A]의 자연 응답 특성은?
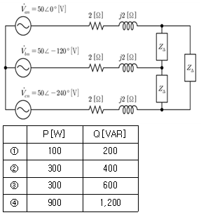
18. 그림의 회로에서 한 상의 부하가 Z△=3+j6[Ω]일 때, 3상 부하 전체의 유효전력 P[W]와 무효전력 Q[VAR]는? (단, 전압은 실횻값이다)
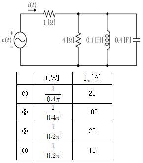
19. 그림의 회로에서 교류 전류의 진폭 Im[A]이 최소가 되는 주파수 f[Hz]와 이 주파수에서 전류의 진폭 Im[A]은? (단, v(t)=100sin(2πft)[V]이고, i(t)=Imsin(2πft+θ)[A]이다)
20. 그림의 회로에서 부하 저항 RL의 평균전력 P[kW]는? (단, 변압기는 이상적이고 전압은 실횻값이다)