1과목: 과목 구분 없음
1. JK 플립플롭을 사용하여 0에서 7까지 표현하는 리플 계수기(ripple counter)를 설계할 때, 필요한 JK 플립플롭의 최소 개수는?
2. 정논리(positive logic)를 적용할 때, 논리게이트에 대한 트랜지스터 회로의 표현으로 옳지 않은 것은? (단, A, B는 입력이고 F는 출력이다)




3. 다음 진리표에서 출력 F의 논리식은?




4. 반도체에 대한 설명으로 옳지 않은 것은?
5. 다음 저주파 소신호 FET 증폭기의 전압이득에 가장 가까운 값은? (단, 순방향 전달 컨덕턴스 gm은 1[mA/V]이고, 드레인-소스 저항 rd는 10[kΩ]이다)
6. 다음 직렬 전압조정기(series voltage regulator)의 부하 전류 IL이 200[mA]일 때, Q1에서 소모되는 전력[W]은? (단, Vi=15[V], VZ=4[V], R1=R2=15[kΩ], R3=10[kΩ], R2+R3》RL, Q1의 전압강하는 무시하며 모든 회로 소자는 이상적이다)
7. 상보형 CMOS 인버터의 직류 전달 특성 곡선이 다음과 같을 때, c점에서 PMOS 트랜지스터와 NMOS 트랜지스터의 동작 모드를 바르게 연결한 것은? (단, VTn과 VTp는 각각 NMOS 트랜지스터와 PMOS 트랜지스터의 문턱전압이다)
8. 다음 회로에서 독립 전류원 0.2[A]에 의해 공급되는 전력[W]은?
9. 반도체 소자에 대한 설명으로 옳지 않은 것은?
10. 다음 회로에서 전류 Ix[A]는?
11. 다음 반전 증폭기 응용 회로에서 출력전압 Vo[V]는? (단, 연산 증폭기는 이상적이다)
12. 최대 주파수 12[kHz]의 신호를 16비트로 양자화 및 부호화하여 PCM(pulse code modulation)으로 전송하려고 한다. 신호의 손실 없이 최소화하여 표본화할 경우 초당 전송 비트수[kbps]는?
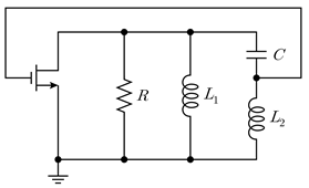
13. 다음 회로에서 발진 주파수 f[Hz]는? (단, 발진을 위한 이득조건을 만족하고, L1과 L2의 상호 인덕턴스는 무시한다)




14. 유선 LAN(local area network)에서 사용되는 표준 이더넷 프레임에 포함되지 않는 필드는?
15. 다음 연산증폭기 회로에 입력전압 Vi를 인가했을 때 출력전압 Vo의 주기, Vp-p, 파형을 바르게 연결한 것은? (단, 모든 회로 소자는 이상적이다)
16. 다음 그림은 열평형 상태의 PN접합을 나타낸 것이다. PN접합에 대한 공간전하밀도(ρ), 전계(ε), 전위(ø) 및 에너지(E) 대역도 중 옳지 않은 것은?




17. 다음은 슈미트 트리거(Schmitt Trigger) 회로와 이 회로의 입력()에 대한 출력(vo)의 전달특성을 나타낸 것이다. 출력전압 vo의 양의 포화전압을 VH[V], 음의 포화전압을 VL[V]이라고 할 때, 전달특성 그래프에서 출력이 VH[V]에서 VL[V]로 천이되는 임계전압 VTH[V]는? (단, 연산 증폭기는 이상적이다)




18. 다음 연산 증폭기 회로의 전압 이득
는? (단, 모든 회로 소자는 이상적이다)




19. 다음 연산 증폭기 회로에서 출력전압 Vo[V]는? (단, 모든 회로 소자는 이상적이다)
20. 다음 회로에서 제너 다이오드의 역할은? (단, 모든 회로 소자는 이상적이고, 입력전압 VS는 제너 항복전압 VZ 보다 크다)