1과목: 과목 구분 없음
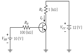
1. 다음 BJT 증폭회로에서 컬렉터 전류 IC[mA]는? (단, 다이오드의 순방향 전압강하는 0.7[V], 직류 전류이득 βDC=100이고, 저항성분은 무시한다)
2. 다음 논리 회로에서 출력 F의 논리식은?




3. 10진수 2025를 16진수로 표현하면?
4. 다음 회로를 고역통과필터로 구성하기 위한 소자 Z1, Z2는?
5. 전원전압 10∠20°[V]를 커패시터 1[F]에 인가하였을 때, 전류[A]는? (단, 각주파수 ω=1[rad/s]이다)
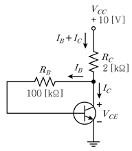
6. 다음 BJT 증폭회로에서 컬렉터 전류 IC[mA]에 가장 가까운 값은? (단, 다이오드의 순방향 전압강하는 0.7[V], 직류 전류이득 βDC=100이고, 저항성분은 무시한다)
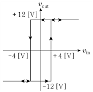
7. 다음 슈미트 트리거(Schmitt trigger) 회로의 입출력 전달특성 그래프로 옳은 것은? (단, 양의 포화전압 +12[V], 음의 포화전압 -12[V], 연산증폭기는 이상적이다)




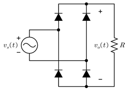
8. 다음 전파정류회로에 대한 설명으로 옳은 것은? (단, 입력전압은 vs(t)=Vmsin(120πt)[V]이고, 다이오드는 이상적이다)
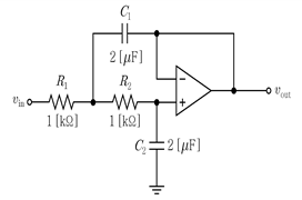
[V]이다.9. 다음 저역통과필터 회로에서 차단 주파수 [Hz]는? (단, 연산증폭기는 이상적이다)
10. 귀환발진기(feedback oscillator)에 대한 설명으로 옳은 것은?
11. 다음 555타이머 IC를 활용한 구형파 발생 회로가 정상동작할 때, 커패시터 C1의 충전속도를 결정하는 시정수 τ1과 방전속도를 결정하는 시정수 τ2는? (단, 모든 소자는 이상적이다)
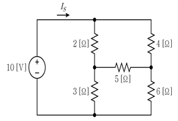
12. 다음 회로에서 전류 IS[A]는?
13. 다음 회로에 대한 설명으로 옳지 않은 것은?
14. 바이폴라 접합 트랜지스터(BJT)와 전계 효과 트랜지스터(FET)에 대한 설명으로 옳지 않은 것은?
15. 다음 연산증폭기 회로에서 출력전압 Vo[V]는? (단, 연산증폭기는 이상적이다)
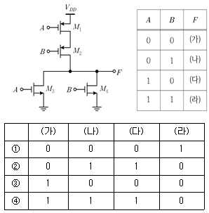
16. 다음 논리게이트 회로의 진리표에서 입력 A, B에 대한 출력 F로 옳은 것은?
17. 유무선 데이터 통신에 대한 설명으로 옳지 않은 것은?
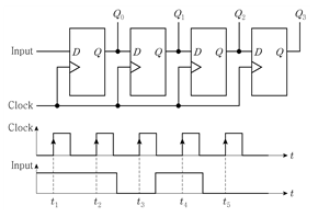
18. 다음 4비트 시프트 레지스터 회로에서 입력신호 Clock, Input이 인가되었을 때, 구간(t4~t5)에서 출력 Q0Q1Q2Q3는? (단, 출력 Q0, Q1, Q2, Q3는 0으로 초기화되어 있고, 게이트에서 전파지연은 없다고 가정한다)
19. 다음 카르노 맵(Karnaugh map)과 일치하는 논리식은?




20. 역방향 항복영역에서 동작하도록 설계되어 양단 전압을 일정한 값으로 유지하는 다이오드는?