1과목: 응용역학
1. 그림과 같은 구조물의 C점에 300kgf의 물체가 매달려 있으면 T2부재가 받는 힘은 얼마가 되겠는가? (단,
부재의 단면은 같고 재료도 같으며, A, B, C 점은 전부 힌지로 되어 있다.)
2. 그림과 같은 반지름 r 인 반원의 X 축에 대한 단면 1차 모멘트는?
3. 그림과 같은 빗금친 부분의 y축 도심은 얼마인가?
4. 훅크 법칙(Hooke's law)과 관계있는 것은?
5. 다음 단순보에서 C단면의 휨모멘트는?
6. 주응력에 관한 설명중 틀린 것은?
7. 하중을 받고 있는 다음 보 중에서 최대 처짐량이 가장 큰 것은? (단, 보의 길이, 단면치수 및 재료는 동일하고 P=wℓ , ℓ 은 보의 길이)




8. 모멘트 하중을 받는 단순보의 B점의 처짐각은? (단, (+)는 시계방향, (-)는 반시계방향)




9. 단면이 같을 경우 다음 그림과 같은 길이를 갖는 압축재의 좌굴길이에 관한 설명으로 옳은 것은?
10. 그림의 직사각형 ABCD는 기둥의 단면이다. 이 단면의 핵(kernel, core)을 EFGH라고 할 때 FH/BC의 값은?
11. 그림과 같은 트러스에 있어서 a 부재에 일어나는 부재내력은?
12. 그림과 같은 3활절 라멘(Rahmen)에서 B점의 휨모멘트 MB의 크기는?
13. 길이 ℓ , 직경 d인 원형 단면봉이 인장하중 P를 받고 있다. 응력이 단면에 균일하게 분포한다고 가정할 때, 이 봉에 저장되는 변형에너지를 구한 값으로 옳은 것은? (단, 봉의 탄성계수는 E이다.)
14. 부정정 구조물의 여러 해법중에서 연립방정식을 풀지 않고 도상에서 기계적인 계산으로 미지량을 구하는 방법은 다음중 어느 것인가?
15. 휨강성 EI가 일정한 다음과 같은 부정정보에서 MA는?
16. 다음 그림과 같이 양단이 고정된 강봉이 상온에서 20℃만큼 온도가 상승했다면 강봉에 작용하는 압축력의 크기는? (단, 강봉의 단면적 A=50cm2, E=2.0 × 106kgf/cm2, 열팽창계수 α =1.0 × 10-5 (1℃에 대해서) 이다.)
17. 다음의 단순보에서 C점의 휨모멘트 값은 얼마인가?
18. 다음 구조물에서 하중이 작용하는 점에서의 수직 처짐을 구하면?




19. 다음 중 힘의 3요소가 아닌 것은?
20. 평면응력상태 하에서의 모아(Mohr)의 응력원에 대한 설명으로 올바른 것은?
2과목: 측량학
21. 도로 선형계획시 교각이 25° , 반경 300m일 때와 교각이 20° , 반경 400m일 때의 외선장 E의 차이는 얼마인가?
22. 우리나라 수준원점의 소재지 및 표고 값으로 옳은 것은?
23. 항공사진의 표정시 상호표정인자가 아닌 것은?
24. 노선측량에서 곡선을 분류한 것으로 틀린 것은?
25. 다음 그림과 같은 다각측량에서 B점의 좌표는? (단,
= 200m)
26. 화면거리 153mm의 카메라로 고도 800m에서 촬영한 수직사진 한장에 찍히는 실제면적은? (단, 사진의 크기는 23cm×23cm 이다)
27. 기선의 길이 500m 를 측정한 지반의 평균표고가 18.5m 이다. 이 기선을 평균해면상의 길이로 환산한 보정량은? (단, 지구의 곡률반경은 6370km이다)
28. 다음과 같은 그림에서 각주공식을 이용하여 체적을 산정하면? (단, A1 = 10m2, A3 = 5m2, A2 = 3m2 임)
29. 시거측량에서 연직각=15° , 협장=1.64m, 기계의 승정수=100, 가정수=30cm일 때 수평거리는?
30. 그림과 같이 장애물로 인하여 임의점 C, D를 정하고 다음과 같은 결과를 얻었다. 이 때
의 거리는? (단, A=곡선시점, R=500m, ∠ACD=140°, ∠BDC=120°, CD=350m 임)
31. 어떤 측선의 방위가 S 30° W 이고 길이가 150m라면 그 측선의 경거는?
32. A점과 B점 사이의 표고차를 구하기 위해 3개의 구간으로 나누어 수준측량을 실시하였다. 구간별 평균제곱근오차가 다음과 같을 때 A점과 B점 사이의 표고차에 대한 평균제 곱근오차는?
33. 종축척이 1 : 100, 횡축척이 1 : 300인 횡단면 도면의 면적을 구하기 위하여 구적기의 축척 1 : 500으로 측정한 면적이 200m2이었다면 실제면적은 얼마인가?
34. 접선의 반대방향에 반경(R)의 중심을 갖는 곡선형태는?
35. 다음의 오차 중 최소제곱법으로 처리할 수 있는 오차는?
36. 다음 중 지형도를 이용하기가 부적당한 것은?
37. 지구의 반경을 6400km로 하고 거리의 허용정도를 1/105 이라고 할 때 반경 몇 km까지를 평면으로 볼 수 있는가?
38. 다음은 거리측정에서 발생될 수 있는 오차이다. 이 중에서 정오차에 해당하는 것은 ?
39. 노선측량에서 제1중앙종거(M)은 제3중앙종거(M2)의 몇 배인가?
40. 하천단면의 유속 측정에서 수면으로 부터의 깊이가 0.2h, 0.6h, 0.8h인 지점의 유속이 각각 0.562m/s, 0.497m/s, 0.364m/s 일 때 평균유속이 0.480 m/sec이었다. 이 평균유속을 구한 방법은?
3과목: 수리학
41. 물의 물리적 성질에 대한 설명으로 틀린 것은?
42. 흐름의 연속방정식은 다음의 어떤 법칙을 기초로 하여 만들어진 것인가?
43. 다음 중 토양의 침투능에 미치는 영향이 가장 적은 인자는?
44. 폭 20m인 구형단면수로에 30.6m3/sec의 유량이 0.8m의 수심으로 흐를 때 Froude수를 구하고 흐름을 판별하면?
45. 폭 b = 3.0m, 수심 h = 1.5m 인 구형단면수로에서 수로경사가 0.01 일 때 평균유속은? (단, C = 65 이고 chezy의 유속공식에 의한다)
46. 부체는 일반적으로 어떤 경우에 기울어지기 쉬운가?
47. 침투능의 추정법 중에서 우량주상도 상에서 총 강우량과 손실량을 구분하는 수평선에 대응하는 강우강도를 의미하는 것은?
48. 다르시의 법칙(Darcy's law)의 내용을 기술한 것은?
49. 관정의 펌프용 전동기 동력이 100kW, 펌프의 효율은 93%, 양정고는 150m, 손실수두가 10m 일 때 펌프에 의한 양수량은?
50. 하상계수(河狀係數)란 무엇인가?
51. 다음 중 우리나라의 년평균 강수량에 가장 근사한 값은?
52. 그림과 같이 2.5m × 2.0m의 수직판이 수면으로부터 1.5m 아래 세워져 있다. 이 판에 작용하는 전수압은?
53. 반원형 흐름 단면의 동수반경(경심)은? (단, D는 직경임)
54. 삼각웨어에서 수두측정시 1%의 오차가 발생하였다면 유량에는 몇 %의 오차가 발생하겠는가?
55. 수면에서 4m 깊이에 중심이 있는 지름 2cm인 작은 오리피스에서 나오는 실제유량은? (단, C = 0.62임)
56. 다음의 모세관 현상에 대한 설명 중 옳지 않은 것은?
57. 다음 그림과 같이 높이 2m인 물통에 물이 1.5m만큼 담겨져 있다. 물통이 수평으로 4.9m/sec2의 일정한 가속도를 받고 있을 때 물통의 물이 넘쳐 흐르지 않게 하기 위한 물통의 최소 길이는?
58. 내경 80cm 인 강관에 수두 50m 의 수압으로 물이 흐르고 있을 때 강관의 두께는 얼마가 적당한가? (단, 강관의 허용인장응력은 1400㎏/㎝2 임)
59. 유역의 평균강우량 산정방법에 의한 우량은 실제의 평균우량과 어느 정도의 편차를 가지는데 그 편차에 직접적인 영향을 주는 인자는?
60. 매끈한 원관에 물이 흐르는데 레이놀즈수가 Re=5000 이었다. 마찰손실계수 f는 얼마인가?
4과목: 철근콘크리트 및 강구조
61. 다음 그림과 같이 전단력 P=30tonf 작용하는 부재를 용접이음 하고자 할 때 생기는 전단응력은?
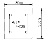
62. 강도 이론에 의한 나선 철근 기둥의 설계 축하중강도는 얼마인가? (단, 기둥의 Ag = 2000 cm2, Ast = 6 - D35 = 57.0 cm2, fck = 210 kgf/cm2, fy = 3000 kgf/cm2)
63. 기둥에서 편심(e)이 균형편심(eb)보다 작을 때 일으키는 파괴의 형태는?
64. PC(Prestressed Concrete)의 원리를 설명할 수 있는 기본개념으로 옳지 않은 것은?
65. 다음 그림에서 주철근의 배근이 잘못된 것은?




66. 전단철근의 설계기준항복강도 fy는 다음 어느 값을 초과할 수 없는가?
67. 강도 설계법으로 그림과 같은 단철근 T형단면을 설계할 때의 설명 중 옳은 것은? (단, fck=210㎏f/㎝2, fy=4,000㎏f/㎝2이다.)
68. 그림과 같은 맞대기 용접이음의 유효길이는 얼마인가?
69. 강도설계법에서 콘크리트가 부담하는 공칭전단강도는 다음 중 어느 것인가 ? (단, 전단과 휨만을 받는 부재로 생각한다.)
70. 다음 중 실용적인 단철근 직사각형보에서 실제 사용되는 최대철근비(ρmax)의 한계치는? (단, ρb : 균형철근비)
71. 프리스트레싱 긴장재 한 가닥을 사용한 포스트텐션 방식의 프리스트레스트 콘크리트부재에는 발생하지 않는 손실은?
72. b=30cm, d=50cm, As=3-D25=15.20cm2인 직사각형 단면보의 파괴 형태는? (단, 강도설계법에 의하며 fck=240kgf/cm2, fy=4,000kgf/cm2)
73. 다음 중 용접이음을 한 경우 용접부의 결함을 나타내는 용어가 아닌 것은?
74. 단철근 직사각형보에서 fy=4200kgf/cm2, fck=420kgf/cm2 일 때, 강도 설계법에 의한 균형 철근비는 얼마인가?
75. 인장 이형철근의 정착길이는 기본정착길이에 보정계수를 곱해서 구하는데, 이 때 보정계수의 산정요인으로 해당되지 않는 것은?
76. 보통콘크리트 부재의 해당 지속 하중에 대한 탄성처짐이 3cm이었다면 크리프 및 건조수축에 따른 추가적인 장기처짐을 고려한 최종 총 처짐량은 얼마인가? (단, 하중재하기간은 10년이고, 압축철근비 ρ′ 는 0.005이다.)
77. 그림의 띠철근 기둥에서 띠철근으로 D13(공칭지름 12.7mm) 및 축방향 철근으로 D35(공칭지름 34.9mm)의 철근을 사용할 때, 띠철근의 최대 수직간격은 얼마인가?
78. 강도 설계법에서 전단 보강 철근의 공칭 전단 강도 Vs가 1.06 √fck · bw· d 를 초과하지 않을 경우 전단 보강 철근의 최대 간격은? (단, bw는 복부의 폭이고, d는 유효 깊이이다.)
79. 폭 b=40cm, 유효깊이 d=60cm, 철근단면적 As=18cm2를 갖는 단철근 콘크리트 직사각형 보를 강도설계법으로 휨 설계할 때, 설계강도는 얼마인가? (콘크리트 설계기준강도 fck=280kgf/cm2, 철근항복강도 fy=4000kgf/cm2)
80. 콘크리트에 프리스트레스 60000kgf을 도입한 후 여러 가지 원인에 의하여 12500kgf의 프리스트레스 감소가 생겼다. 이 때 유효율은?
5과목: 토질 및 기초
81. 어떤 시료에 대한 일축압축 시험의 결과 파괴 압축강도가 3㎏/㎝2일 때 수평면과 45° 를 이루는 파괴면이 생겼다면 내부 마찰각 φ와 점착력 C는?
82. 그림과 같은 조건의 옹벽에서 벽면 마찰을 무시할 때 주동 토압계수가 0.4이다. 이때 옹벽에 작용하는 전 주동토압의 합력은? (단, 흙의 포화단위 중량은 1.8t/m3 이다.)
83. 지표면위에 16t의 집중하중이 작용하는 경우 깊이 4m에서 작용점 직하의 연직응력의 증가분을 Boussinesq의 식으로 구한 값은?
84. 말뚝의 지지력을 결정하기 위한 Engineering News 공식을 사용할 때 안전율은 얼마인가?
85. 샘플러 튜브(Sampler tube)의 면적비(Ca)를 9%라 하고 외경(Dw)을 6㎝라 하면 끝의 내경(De)은 얼마인가?
86. 사면 안정해석법에 관한 설명 중 틀린 것은?
87. 다음 중 흙속에서의 물의 흐름이 연직유효응력의 증가를 가져오는 것은?
88. 어떤 유선망도에서 상하류면의 수두차가 4m, 등수두면의 수가 13개, 유로의 수가 7개일 때 단위폭 1m당 1일 침투 유량은 얼마인가? (단, 투수층의 투수계수 K = 2.0 × 10-4㎝/sec)
89. 제체의 침윤선에 대한 설명 중 옳은 것은?
90. 선행 압밀하중(Po)에 대한 설명 중 옳지 않은 것은?
91. Sand drain 공법의 주된 목적은?
92. Terzaghi의 지지력 공식에서 고려되지 않는 것은?
93. 점토지반을 프리-로딩 (Pre-Loading) 공법등으로 미리 압밀시킨 후에 급격히 재하할 때의 안정을 검토하는 경우에 적당한 전단시험은?
94. C.B.R시험에서 지름 5cm의 피스톤이 2.5mm관입될 때 표준하중 강도는?
95. 어떤 흙의 액성한계는 40%,소성한계는 20%일때 이흙의 소성지수는?
96. 다음 중 정적인 사운딩(Sounding)이 아닌 것은?
97. 통일 분류법에서 실트질 자갈을 표시하는 약호는?
98. 다짐에 관한 다음의 설명 중 타당하지 않은 것은?
99. 항타공식을 적용하여 지지력을 산출할 때 실제와 가장 잘 부합되는 흙은?
100. 직경 5cm, 높이 10cm인 연약점토 공시체를 일축압축시험한 결과 파괴시 압축력이 2.2kg, 축방향변위가 9mm였다면 일축압축강도(qu)는?
6과목: 상하수도공학
101. 하수도 계획 대상유역에서 분할된 각 구역별 유출계수가 다음 표와 같을 때 전체 유역의 유출계수는?
102. 침전지에서의 폐수 체류시간은 침전지의 크기와 다음 중 무엇에 의하여 결정되는가?
103. 상수 원수의 수질을 검사한 결과가 다음과 같을 때 경도(hardness)를 CaCO3 농도로 표시하면 몇 mg/L 인가 (단, 분자량은 Ca : 40, Cl : 35.5, HCO3 : 61, Mg : 24, Na : 23, SO4 : 96, CaCO3 : 100 임)
104. 어느 마을의 고지대 일부에서 상수도 수압이 너무 낮아서 물이 잘 나오지 않고 있다. 수압을 높여주기 위한 다음의 조치 중에서 옳지 않은 것은?
105. 다음 중 수원의 구비조건에 해당하지 않는 것은?
106. 전양정이 45m, 유량이 38 m3/min일 때 펌프의 이론마력은 얼마인가? (단, 유체의 비중은 1 이다)
107. 약품침전지의 구조에 관한 다음 설명 중 틀린 것은?
108. 다음 중 철의 제거를 목적으로 하는 처리방법이 아닌 것은?
109. 우리나라 하수도 시설기준상 최소관경은 얼마로 하는가?
110. 명반(Alum)을 사용하여 상수를 침전 처리하는 경우 약품 주입 후 응집조에서 완속교반을 하는 이유는?
111. 계획하수량이 25m3/sec, 관내 유속이 0.9m/sec인 하수관의 관경은 얼마인가?
112. 도.송수관의 설계시 평균유속의 최소한도로 옳은 것은?
113. 하수처리장의 최초 침전지에 대한 설명으로 옳은 것은?
114. 다음 중 계획1일 최대급수량 산정에 포함되지 않아도 되는 사항은?
115. 장래 인구의 추정에 있어 신뢰도가 적어지는 이유에 해당되지 않는 것은?
116. 개수로의 흐름과 관수로의 흐름을 구별하는 방법으로 가장 옳은 것은?
117. 하수관거 설계시 지하수량은 하수량의 어느 정도로 가정하여 산정하는가?
118. 합리식 Q = (1/360)C·I·A 는 우수유출량을 계산할 때 사용된다. 다음 중 합리식에 대한 설명으로 틀린 것은?
119. 계획1인1일 평균급수량에 대한 설명 중 틀린 것은?
120. 침전 슬러지를 농축하여 함수율 99%를 함수율 95%로 만들었다. 원 슬러지(함수율 99%)의 유입량이 1000m3/day 일 때 농축후 슬러지의 양은? (단, 농축 전·후 슬러지의 비중은 모두 1.0으로 가정)
그리고 T1과 T2는 각각 A와 C점에서 수직으로 작용하는 힘이므로, 이들은 각각 300kgf/2 = 150kgf의 크기를 가진다.
따라서 T2는 C점에서 수평으로 작용하는 힘과 수직으로 작용하는 힘의 합력이므로, 피타고라스의 정리를 이용하여 T2 = √(1502 + 3002) = 500kgf가 된다.
따라서 정답은 "500kgf"이다.