1과목: 응용역학
1. 다음 그림과 같은 세 힘에 대한 합력의 작용점은 O 점에서 얼마의 거리에 있는가?
2. 다음 부정정보에서 지점B의 수직 반력은 얼마인가?(단, EI는 일정함)




3. 그림과 같은 내민보에서 D점의 휨모멘트가 맞는 것은?
4. 지름이 4cm인 원형 강봉을 10t의 힘으로 잡아 당겼을 때 소성은 일어나지 않았고 탄성변형에 의해 길이가 1mm증가 하였다. 강봉에 축척된 탄성 변형에너지는 얼마인가?
5. 균질한 균일 단면봉이 그림과 같이 P1, P2, P3 의 하중을 B, C, D점에서 받고 있다. 각 구간의 거리 a=1.0m, b=0.4m, c=0.6m 이고 P2=10t, P3=5t의 하중이 작용할 때 D점에서의 수직방향 변위가 일어나지 않기 위한 하중 P1은 얼마인가?
6. 그림의 구조물에서 유효강성 계수를 고려한 부재 AC의 모멘트 분배율 DFAC 는 얼마인가?
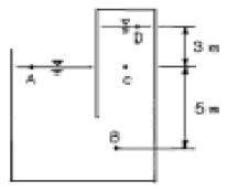
7. 다음 그림과 같은 구조물에서 사재 A의 축방향력으로 옳은 것은?
8. 그림과 같은 단순보의 중앙점에서의 처짐 y 가 옳게 된 것은?




9. 길이 1m, 지름 1.5㎝의 강봉을 8t으로 당길 때 이 강봉은 얼마나 늘어나겠는가? (단, E = 2.1 × 106kg/㎝2 )
10. 트러스 해석시 가정을 설명한 것 중 틀린 것은?
11. 기둥에 관한 다음 설명 중 가장 올바른 것은?
12. 다음 그림의 캔틸레버에서 A점의 휨 모멘트는?




13. 다음 중 트러스의 해법이 아닌 것은?
14. 재질 및 단면이 같은 다음의 2개의 외팔보에서 자유단의 처짐을 같게하는 P1/P2의 값이 바른 것은?
15. 반지름 r인 원형단면에서 최대의 단면계수를 갖는 사각형의 폭과 높이의 비(b/h)로서 옳은 것은?


16. x축으로부터 빗금친 부분의 도형에 대한 도심까지의 거리를 구하면?
17. 그림과 같은 게르버보의 A점의 전단력으로 맞는 것은?
18. 그림과 같은 단주에 P=230kg의 편심하중이 작용할 때 단면에 인장력이 생기지 않기 위한 편심거리 e의 최대값은?
19. 다음 그림에서 지점 C의 반력이 영(零)이 되기 위해 B점에 작용시킬 집중하중의 크기는?
20. 그림과 같은 I형 단면에서 중립축 x에 대한 단면 2차모멘트는?
2과목: 측량학
21. 다각 측량을 하여 다음과 같은 결과를 얻었다. D점의 합경거는?
22. 직접고저측량을 하여 2km 왕복에 오차가 5mm 발생했다면 같은 정확도로 8km를 왕복측량 했을 때 오차는?
23. 다음 표는 도로 중심선을 따라 20m 간격으로 종단측량을 실시한 결과이다. No.1의 계획고를 52m로 하고 3%의 상향구배로 설계한다면 No.5의 성토 또는 절토고는?
24. 다음의 완화곡선에 대한 설명중 옳지 않은 것은?
25. 다음 열거한 등고선의 성질 중 틀린 것은?
26. 국제 UTM 좌표의 적용범위는?
27. 각측정 결과 방위각이 0°혹은 180°에 가까울 때 각측정 오차가 위거 및 경거에 미치는 영향에 대한 설명으로 옳은 것은?
28. 한 기선장을 4구간으로 나누어 각각 독립적으로 측정하여 다음과 같은 값을 얻었다.
전장 L=L1+L2+L3+L4 = 598.220m일 때 전장에 대한 표준오차는 얼마인가?
29. 사진측량의 특수3점이 아닌 것은?
30. 삼각측량에서 내각을 600에 가깝도록 정하는 것을 원칙으로 하는 이유로 가장 타당한 것은?
31. 촬영고도 4,000m에서 종중복도 60%인 2장의 사진에서 주점기선장이 각각 102mm와 95mm였다면 비고 50m 철탑의 시차차는 얼마인가? (단, 카메라 초점거리는 15cm임)
32. 직접법으로 등고선을 측정하기 위하여 B점에 레벨을 세우고 표고가 75.25m인 P점에 세운 표척을 시준하여 0.85m를 측정했다. 68m인 등고선 위의 점 A를 정하려면 시준하여야 할 표척의 높이는?
33. 곡선 설치에서 교각이 32°15′이고 곡선반경이 500m일 때 곡선시점의 추가거리가 315.45m이면 곡선종점의 추가거리는 얼마인가?
34. 하천 양안의 고저차를 측정하기 위하여 교호수준측량을 행하는 이유로 가장 옳은 것은?
35. 시거측량을 한 결과 협장 ℓ= 0.76m, 연직각 α= +15°를 얻었다. 이 때 고저차(H)와 수평거리(D)는 얼마인가?(단, K = 100, C = 0로 한다.)
36. 교호수준측량의 결과가 다음과 같다. A점의 표고가 55.423m일 때 B점의 표고는? (단, a1=2.665m, a2=0.530m, b1=3.965m, b2=1.116m)
37. 범세계적 위치결정체계(GPS)에 대한 설명중 옳지 않은 것은?
38. 최소 제곱법의 원리를 이용하여 처리할 수 있는 오차는?
39. 축척 1:50000 지도상의 4cm2 에 대한 지상에서의 실제면적은 얼마인가?
40. 삼각측량시 삼각망 조정의 세가지 조건이 아닌 것은?
3과목: 수리학
41. 수로폭 4m,수심 1.5m인 직사각형 수로에서 유량 24m3/sec가 흐를 때 흐르드수(froude number)와 흐름의 상태는?
42. 사각형단면 개수로의 수리상 유리한 형상의 단면에서 수로 수심이 1.5m이었다면 이 수로의 경심은?
43. 지하수의 유속공식에서 투수계수(K)의 변화와 관계가 없는 것은?
44. 침투지수법에 의한 침투능 추정방법에 관한 다음 설명중 틀린 것은?
45. 수심 3m인 수조에 높이 2m인 직사각형 수문이 바닥에서부터 연직으로 설치되어 있을 경우 수문에 작용하는 단위폭당 전수압은?
46. 안지름 50㎝인 강관에 최고 P = 15㎏/㎝2의 수압이 작용한다고 할 때 가장 적당한 강관의 두께는? (단, 강의 허용인장응력은 σa = 1,400㎏/㎝2이다.)
47. 그림과 같이 물을 채운 용기에서 D점의 절대압력은? (단, 대기압 = 1.033kg/cm2)
48. 다음 중 개수로의 지배단면(control section)에 대한 설명으로 옳은 것은?
49. 다음 중 부체가 안정된 상태에 있을 조건으로 옳은 것은?
50. 이중 누가 우량분석법(Double Mass Curve Analysis)에 관한 설명중 옳은 것은?
51. IDF도(圖)를 이용하여 강우강도를 구하기 위해서 필요한 요소로 짝지어진 것은?
52. 그림과 같이 직경이 10㎝인 단면에 유속 40m/sec의 분류가 판에 충돌하여 90°로 구부러 질 때 판에 작용하는 힘은?
53. 오리피스에서 유출되는 실제유량은 Q = Ca·Cv·A·V로 표현한다. 이 때 수축계수 Ca는? (단, A0는 수맥의 최소 단면적, A는 오리피스의 단면적, V는 실제유속, VO는 이론유속)




54. 관수로에 물이 흐를 때 층류(層流)가 되는 경우는? (단, Re는 레이놀즈(Reynolds) 수이다.)
55. 그림과 같은 용기에 물을 넣고 연직하방향으로 가속도 α를 중력가속도 만큼 작용했을 때 용기 내의 물에 작용하는 압력 P는?
56. 그림과 같은 수중 오리피스에서 오리피스 단면적이 50cm2 일 때 유출량 Q는? (단, 유량계수 C = 0.62임)
57. 가능최대강수량(PMP)의 주요 용도에 대한 설명으로 옳은 것은?
58. 개수로에서 한계수심에 대한 설명으로 옳은 것은?
59. 유체 내부의 임의의 점(x,y,z)에 있어서의 속도의 방향 성분을 시간 t에 있어서 각각 u,v,w로 표시할 때 유체의 밀도를 ρ라고 하면 비압축성 유체에 대하여 연속방정식을 간단하게 정리한 식은?




60. 수면이 부체를 절단하는 가상면을 무엇이라 하는가?
4과목: 철근콘크리트 및 강구조
61. 철근콘크리트 단순보는 설계하중 하에서 지점부근에 균열이 발생하기 쉽다. 이러한 균열을 제어하기 위한 가장 효과적인 방법은?
62. 1방향 슬래브에서 건조수축 및 온도변화에 저항하는 철근의 간격은 슬래브 두께의 (A)배 이하, 또한 (B)mm이하라야 하는데, 이 경우 A와 B로 올바른 것은?
63. 압축 부재의 설계시 고려해야 할 사항으로 옳지 않은 것은?
64. 그림과 같은 맞대기 용접이음의 유효길이는 얼마인가?
65. 인장 부재의 볼트 연결부를 설계 할 때 고려 되지 않는 항목은?
66. 보통골재를 사용한 콘크리트와 항복강도 400MPa인 철근을 갖는 단순지지 보에서 처짐 계산을 하지 않아도 되는 부재의 최소 두께는 얼마 이상이어야 하는가? (단, L은 경간)
67. 그림과 같은 복철근 직사각형보에서 인장철근비 ¢와 압축 철근비 ¢' 는 각각 얼마인가?
68. 강도설계법에서 그림의 단면을 가진 압축부재의 최대설계 축방향 하중 Pu는? (단, fck=20MPa, fy=300MPa, φ=0.7, Ast=4000mm2이며 단주임)
69. 일단 정착의 포스트텐션 부재에서 정착부 활동량이 3mm 생겼다. PS강재의 길이 40m, 초기인장응력 1000MPa, Ep=2.0x105MPa일때 PS강재의 프리스트레스의 감소량(뽁fp)은 얼마인가?
70. 철근의 이음 등급에서 A급 이음의 조건은 다음 중 어느 것인가?
71. 다음중 강도설계법에서 적용되는 부재별 강도감소계수가 잘못된 것은? (단, 보통 철근콘크리트부재)
72. 그림과 같은 단철근 직사각형보의 전단에 대한 위험단면에서의 전단력은 얼마인가?
73. 직사각형 단면 300mm-400mm 인 프리텐션부재에 550mm2의 단면적을 가진 PS강선을 단면도심에 배치하고 1350MPa의 인장응력을 가하였다. 콘크리트의 탄성변형에 따라 실제로 부재에 작용하는 유효프리스트레스량은 얼마인가?(단, n = 6)
74. 스터럽의 간격은 다음의 어느 것에 반비례 하는가?
75. 강도 설계법에서 휨 부재의 등가 사각형 압축 응력 분포의 깊이 a = β1ㆍC인데 이 중 fck가 35MPa이라면 계수 β1의 값은?
76. 콘크리트의 크리프에 대한 설명중 틀린 것은?
77. 그림에 나타난 직사각형 단철근보의 공칭 전단강도Vn을 계산하면? (단, 철근 D10을 수직스터럽(stirrup)으로 사용하며, 스터럽 간격은 200mm, 철근 D10 1본의 단면적은 71.3mm2, fck=28MPa, fy=350MPa이다.)
78. 다음 사항 중 프리스트레스트 콘크리트의 장점이 아닌 것은 어느 것인가?
79. 그림과 같은 복철근 직사각형 보에서 강도 설계법에 의한 단면의 총 설계휨모멘트 강도 φMn은? (단, As = 6 - D29 = 3852 mm2, As' = 2 - D22 = 774 mm2, d' = 50 mm, fck = 22MPa, fy = 320 MPa)
80. fck = 24MPa, fy = 300MPa일 때 다음 그림과 같은 보의 균형 철근비(ρb)는?
5과목: 토질 및 기초
81. CBR에 대한 설명중 옳지 않은 것은?
82. 직경 5cm, 높이 10cm인 연약점토 공시체를 일축압축시험한 결과 파괴시 압축력이 2.2kg, 축방향변위가 9mm이었다면 일축압축강도(qu)는?
83. 연약점토지반을 굴착할 때 sheet pile을 박고 내부의 흙을 파내면 sheet pile 배면의 토괴중량이 굴착 저면의 지지력과 소성평형상태에 이르러 굴착 저면이 부푸는 현상은?
84. 다음중 사운딩(sounding)이 아닌 것은?
85. 내부마찰각 ♀=0인 점토에 대하여 일축압축실험을 하였더니 일축 압축강도가 qu=5.6kg/cm2 이었다. 이 흙의 점착력은?
86. 말뚝의 허용지지력을 구하는 Sander의 공식은?(단, Ra:허용지지력, S:관입량, WH:해머의 중량)




87. 사질토층에 물이 침투할 때 침투유량이 같은 조건에서 만약 사질토의 입경이 2배로 커진다면 침투 동수구배는 몇 배로 변하는가?
88. 사질지반에 있어서 강성기초의 접지압 분포에 관한 다음 설명 중 옳은 것은?
89. 흙중의 한점에서 최대 및 최소 주응력이 각각 1㎏/㎝2 및 0.6㎏/㎝2일 때, 이 점을 지나 최소 주응력면과 60도를 이루는 면상의 전단응력은?
90. 동상을 방지하기 위한 대책으로 잘못 설명된 것은?
91. 점토 광물중에서 3층 구조로 구조결합 사이에 치환성 양이온이 있어서 활성이 크고, sheet 사이에 물이 들어가 팽창,수축이 크고 공학정 안정성은 제일 약한 점토 광물은?
92. 다음의 토질정수중에서 사면안정 검토에 직접적인 영향을 끼치지 않는 것은?
93. 점토시료를 가지고 압밀시험을 하였다. 다음 설명중 틀린것은?
94. 점성토 지반에 사용하는 연약지반 개량공법으로 거리가 먼것은?
95. 지표면에 8t의 집중하중이 작용할 때 하중작용 위치 직하 2m 위치에 있어서의 연직응력은 약 얼마인가?(단, 영향치는 0.4775임)
96. 표준관입 시험에서 N치에 대한 설명으로 옳은 것은?
97. 풍화작용에 의하여 분해되어 원 위치에서 이동하지 않고 모암의 광물질을 덮고 있는 상태의 흙은?
98. 사질토의 정수위 투수 시험을 하여 다음의 결과를 얻었다. 투수계수는 얼마인가? (단, 투수량 Q = 400㏄,시료의 직경 d = 10㎝, 투수시간 t = 180초, 수두차 h = 15㎝, 시료의 길이 L = 12㎝)
99. 충분히 다진 현장에서 모래 치환법에 의해 현장밀도 실험을 한 결과 구멍에서 파낸 흙의 무게가 1530g, 함수비가 14%이었고 구멍에 채워진 단위중량이 1.70g/㎝3인 표준모래의 무게가 1400g이었다. 이 현장이 95% 다짐도가 된 상태가 되려면 이 흙의 실내실험실에서 구한 γdmax은 다음중 어느 것인가?
100. 주동토압계수 KA, 수동토압계수 KP, 정지토압계수 Ko의 크기가 맞는 것은?
6과목: 상하수도공학
101. 그림에서와 같은 하수관의 접합방식은?
102. 펌프의 비회전도(Ns)에 관한 설명으로 옳지 않은 것은?
103. 합류식 하수도의 설명으로 틀린 것은?
104. 펌프에서 공동현상이 발생될 수 있는 조건이 아닌 것은?
105. 취수구를 상하에 설치하여 수위에 따라 좋은 수질을 선택, 취수할 수 있으며, 수심이 일정이상 되는 지점에 설치하면 연간 안정적인 취수가 가능한 시설은?
106. 침전지에서 침전효율을 크게하기 위한 조건으로서 옳은 것은?
107. 하천수의 자정작용(self-purification)에서 유기물의 분해과정에 가장 중요한 지위를 차지하는 작용은?
108. BOD가 94.8mg/L인 오수 5m3/h를 유량이 50m3/h인 하천에 방류한 결과 BOD가 14.1mg/L가 되었다. 오수가 유입되기 이전에 하천의 BOD는?
109. 다음 그림은 어떤 처리방식을 나타낸 것인가?
110. 수지상식 배수관망에 비해 격자식 배수관망이 갖는 장점이 아닌 것은?
111. 다음 중 상수의 일반적인 정수과정 순서로서 옳은 것은?
112. 마을 전체의 수압을 안정시키기 위해서는 급수탑 바로 밑의 관로 계기수압이 2.5kg/cm2 가 되어야 한다. 이를 만족시키기 위하여 급수탑은 관로로부터 몇 m 높이에 수위를 유지하여야 하는가?
113. 하수처리법 중 활성슬러지법에 대한 설명으로 옳은 것은?
114. BOD 값이 크다는 것이 의미하는 것은?
115. 염소소독을 위한 염소주입률과 잔류염소농도와의 관계가 그림과 같다. 그림에서 파괴점(break point)은?
116. 다음은 하수처리장 부지선정에 관한 설명으로 옳지 않은 것은?
117. 급수보급율 95%, 계획1인1일 최대급수량 400L/인·일, 인구 15만명의 도시에 급수계획을 하고자 한다. 이 도시의 계획 1일 최대급수량은?
118. 유역면적 2㎞2, 유출계수 0.6인 어느 지역에서 2시간 동안에 70㎜의 호우가 내렸다. 합리식에 의한 이 지역의 우수 유출량은?
119. 다음에서 하수 슬러지 처리의 목적이 아닌 것은?
120. 활성슬러지법에서 MLSS가 의미하는 것은?