1과목: 응용역학
1. 평면응력을 받는 요소가 다음과 같이 응력을 받고 있다. 최대 주응력을 구하면?
2. 다음 그림과 같은 봉이 천정에 매달려 B, C, D점에서 하중을 받고 있다. 전구간의 축강도 AE가 일정할 때 이 감은 하중 하에서 BC 구간이 늘어나는 길이는?



3. 장주에서 좌굴응력에 대한 설명 중 틀린 것은?
4. 지름 2cm의 강철봉을 8ton의 힘으로 인장할 때 봉의 지름이 가늘어진 양은? (단, 프와송 비 v =0.3, 탄성계수 E=2×106kg/cm2)
5. 휨 강성이 EI로 일정한 균일 단면을 가지는 단순보에 집중하중 p가 작용한다. 이 보의 최대 처짐은?




6. 그림과 같은 라멘(Rahmen)은 몇 차 부정정 구조인가?
7. 다음 그림과 같은 1차 부정정보에서 지점 B의 반력은?
8. 다음 중 전달 응을 이용하여 부저정 구조율을 풀이하는 방법은?(문제 내용이 정확하지 않은듯 합니다. 정답은 2번입니다. 정확한 내용을 아시는분께서는 오류 신고를 통하여 내용 작성 부탁 드립니다.)
9. 다음 그림과 같은 단순보dml 중앙에 집중하중이 작용할 때 단면에 생기는 최대 전단응력은 얼마인가?
10. 그림과 같이 부재단면에서 도심 Xo 축으로부터 y1 축으로부터 y1 떨어진 축을 기준으로한 단면2차모멘트의 크기가 Ix1일 때, 도심축으로부터 3y1 떨어진 축을 기준으로한 단면2차모멘트의 크기는?
11. 그림과 같은 보의 C 점에서의 처짐은? (단, EI는 모든 경간에 걸쳐 일정함)




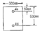
12. 변의 길이가 30cm인 정사각형에서 반경 5cm의 원을 도려낸 나머지 부분의 도심은? (단, 도려낸 원dm lwndtla은 정방형의 중심에서 10cm에 있음)
13. 재적과 단면적과 길이가 같은 장주에서 양단활절 기둥의 좌굴하중과 양단고정 기둥의 좌굴하중과의 비는?
14. 그림과 같이 천정에 두 끈을 매고 10kgf의 물체를 매달았을 때 두 끈의 인장력 T1, T2의 합은?
15. 다음의 직사각형 단면으 갖는 캔디레버보에서 최대 휨응력 σ는 얼마인가?




16. 그림과 같은 연속보 B점의 휨모멘트 MB의 값은?




17. 경간 ℓ=10m인 단순보에 그림과 같은 방향으로 이동하중이 작용할 때 절대 최대 휨모멘트를 구한 값은?
18. 에너지 불변의 법칙을 옳게 기술한 것은?
19. 두 힘 30kg과 50kg 이 30° 의 각을 이루고 작용하고 있을 때 합력의 크기는?
20. 다음 트러스에서 ①부재의 부재력은 얼마인가?
2과목: 측량학
21. 곡률반경 R=200m의 단 곡선을 설치하고 있다. 시단 현 김이 9.5m에 eoo한 편각은 얼마인가?
22. 초점거리 150mm, 비행고도 4500m 인 항공사진에서 사진 측량의 평명오차 한계는?
23. 원격탐측(Remote sensing)의 정의로 가장 올바른 것은?
24. 다음 부지의 토량은 얼마인가?
25. 노선의 종단측량 결과는 종단면도에 표시하고 그 내용을 기록하게 된다. 이 때 포함되지 않는 내용은?
26. 사진 상에서 태양광선의 반사에 의해 젬레이션(halation)이 발생하여 밝게 촬영되는 현상을 무엇이라 하는가?
27. 하천측량 작업을 크게 3종류로 나눌 때 그 종류로 알맞지 않은 것은?
28. 삼각형의 면적을 구하고자 할 때 두 변의 길이가 각각 60.35m, 120.82m이고 그 사이의 각이 80˚ 45˚ 이었다면 삼각형의 면적은?
29. 다음 그림에서 DE의 방위각은? (단, ∠A = 48˚ 50˚ 40˚ , ∠B = 43˚ 30˚ 30˚, ∠C = 46˚ 50˚ 00˚, ∠D = 60˚ 12˚ 45˚)
30. 수준측량을 할 때, 짝수 횟수로 표척을 세워 출발점에 세운 표척을 도착점에도 세우도록 함으로 소거되는 오차는?
31. 다음 그림과 같은 결합 트래버어스에서 A점 및 B점에서 각각 AL 및 BM의 방위각이 기지일 때 측각 오차를 표시하는 식은 어느 것인가?
32. 교점(I,P)의 위치가 기점으로부터 143.25m 일 때 곡률반경 150m, 교각 58˚ 14˚ 24˚ 인 단 곡선을 설치하고자 한다면 곡선시점의 위치는? (단, 중심 말뚝 간격20m)
33. 수평각 측정법 중에서 1등 삼각측량에서 주로 이용 되는 방법은?




34. 기포관의 기포를 중앙에 있게 하여 100m 떨어져 있는 곳의 표적 높이를 읽고 기포를 중앙에서 5눈금 이동하여 표적의 눈금을 읽은 결과 그 차가 0.05m이었다면 강도는?
35. 평판측량의 후방교회법을 설명한 것으로 옳은 것은?
36. 지상 100m × 100m의 면적을 4cm2로 나타내기 위해서는 축적을 얼마로 하여야 하는가?
37. 다음 사항 중 옳지 않은 것은?
38. 다음 표는 도로 중심선을 따라 20m 간격으로 종단측량을 실시한 결과이다. No.1의 계획 고를 52m로 하고 3%의 상향 기울기로 설계한다면 No.5의 성토 또는 절토고는?(문제 복원 오류로 보기 내용이 정확하지 않습니다. 정확한 보기 내용을 아시는분 께서는 오류신고를 통하여 내용 작성 부탁 드립니다. 정답은 2번 입니다.)
39. 사진측량의 특징에 대한 설명으로 옳지 않은 것은?
40. A와 B점의 좌표가 XA = -11328.58 m, YA = -4891.49 m, XB = -11616.10m, YB = -5240.80 m 이라면 AB의 수평거리 S와 방위각 T로 옳은 것은?
3과목: 수리학
41. 관수로에서 Reynolds 수가 300 일 때 추정할 수 있는 흐름의 상태는?
42. 단면적 2.5cm2 , 깊이 2m인 원형강철봉의 중량이 대기 중에서 2.75kg 이었다면 단위중량이 1t/m3인 수중에서의 무게는?
43. 도수(跳水)에 관한 설명으로 옳지 않은 것은?
44. 위어(Weir)의 보편적인 사용목적이 아닌 것은?
45. 어떤 유역에 20분간 지속된 강우강도 20mm/hr 이었다면 강우량은?
46. 다음 그림과 같이 안지름이 2m, 높이 3m의 원통형 수조에 깊이 2.5m까지 물을 넣고 각속도 ω로 회전시킬 때 물이 수조 상단에 도달할 때의 각속도는 약 얼마인가? (문제 오류로 문제 및 보기 내용이 정확하지 않습니다. 정확한 내용을 아시는 분께서는 오류신고를 통하여 내용 작성 부탁드립니다. 정답은 4번입니다.)
47. 기온에 관한 다음 설 명중 옳지 않은 것은?
48. 다음 중 자유수면이 있는 지하수에 대한 듀피트(Dupuit)의 방정식은? (단, q : 단위폭 당 유량, ℓ : 침윤거리, h1h2 : 상하류의 수심, k : 투수계수)




49. 다음 중에서 증발산량 산정방법이 아닌 것은?
50. 지하수의 유량을 구하는 Dary의 법칙으로 맞는 식은? (단. Q 는 유량, k 는 투수계수, ㅣ는 동수경사, A는 투과단면적, C 는 유출계수이다.)
51. 다음 중 유체의 흐름이 원관내에서 층류일 때 에너지 보정계수(α)와 운동량 보정계수(η)가 옳게된 것은?
52. 다음 그림과 같은 배의 무게가 89ton일 때 이 배가 운항하는데 필요한 최소수심은?
53. 수폭단면(vena contracta)에 관한 설명 중 옳지 않은 것은?
54. 물의 체적탄성계수를 E라고 하고 압축률을 C라고 할 때 E와 c의 관계가 옳은 것은?
55. 안지름 0.20m인 강관에 압력수두 100m의 물을 흐르게 하려면 강관에 요구되는 최소두께는? (단, 강재의 허용인장응력은 1000kg/cm2)
56. 단위폭당 0.8m3/sec이 흐르는 수평한 직사각형수로의 한계수심은? (단, α = 1.05 임)
57. 내경200mm인 관의 조도계수 n이 0.02일 때 마찰손실계수는? (단, Manning 공식 등을 사용함)
58. 하천의 평균유속 Vm을 구하는 방법으로서 틀린것은? (단, V0는 표면유속, V0.2, V0.4, V0.6, V0.8는 수면으로부터 20%, 40%, 60%, 80%에 해당하는 수심을 나타낸다.)
(V0.2 + V0.8)
(V0.2 + 4V0.6 + V0.8)
[(V0.2 + V0.4 + V0.6 + V0.8) +
(V0.2 +
)]59. 일정한 기간 동안에 어떤 크기의 호우가 발생할 횟수를 의미하는 것은? (문제 오류로 실제 시험에서는 1,3번이 정답처리 되었습니다. 여기서는 1번을 누르면 정답 처리 됩니다.)
60. 다음 물리량에 대한 차원을 설명한 것 중 옳지 않은 것은?
4과목: 철근콘크리트 및 강구조
61. 그림과 같은 확대기초에서 위험단면에 대한 휨모멘트는?
62. 다음은 프리스트레스트 콘크리트에서 프리텐션 방식과 포스트텐션 방식의 장점을 열거한 것이다. 옳지 않은 것은?
63. 아래 그림과 맞대기 용접의 용접부에 생기는 인장응력은?
64. 강도설계법에 대한 기본가정 중 옳지 않은 것은?
65. 인장철근의 종류에 따른 표준갈고리의 최소 구부림 내면반지름을 나타낸 것이다. 옳지 않은 것은?
66. 강도 설 계법에서 1방향 스래브(slab)의 구조 세목에 관한 사항 중 틀린 것은?
67. 길이 6m의 단순 철근콘크리트 보에서 처짐을 계산하지 않아도 되는 보의 최소 두께는 얼마인가? (단, 보통콘크리트(ωc = 2300kg/m3)를 사용하며, fck = 21MPa, fy = 400MPa)
68. 단 철근 직사각형 보에 하중이 작용하여 10mm의 탄성 처짐이 발생하였다. 모든 하중이 5년 이상의 장기하중으로 작용한다면 총처짐량은 얼마인가?
69. 다음 그림과 같은 단 철근 직사각형 보의 균형철근량을 계산하면? (단, fck = 21MPa, fy = 300MPa)
70. 그림에 나타난 직사각형 단철근보의 공칭 전단 강도 Vn를 계산하면? (단, 철근D10을 수직스터럼(stirrup)으로 사용하며, 스터럼 간격은 200mm, 철근D10 1몰의 단면적은 71mm2, fck = 28MPa, fy = 350MPa이다.)
71. 그림과 같이 등분포하중을 받는 단순보에 PS강재를 e = 50mm만큼 편심 시켜서 직선으로 작용 시킬 때, 보중앙 단면의 하연 응력은 얼마인가? (단, 자증은 무시한다.)
72. 콘크리트의 설계기준강도 fck = 35MPa, 콘크리트의 압축강도 fc = 8MPa일 때 콘크리트의 탄성변형에 의한 PS 강재의 프리스트레스 감소량은? (단, n은 7)
73. 그림과 같은 프리스트레스트 콘크리트의 경간 중앙점에서 강선을 꺾었을 때, 이 꺾은 점에서의 상향력(上向力) U의 값은?
74. 균형철근량 보다 작은 인장접근을 가진 보가 휨에 의해 파괴되는 경우에 대한 설명으로 옳은 것은?
75. 그림과 같은 복철근 직사각형 보의 Asʹ = 1916mm2, As = 4790mm2 이다. 등가직사각형의 응력의 깊이 a는? (단, fck = 21 MPa. fy = 300 MPa이다.)
76. 폭이 500mm, 유효깊이가 800mm 인 철근콘크리트보에서 fck가 28MPa인 콘크리트를 사용할 때 위험단면에 작용하는 계수전단력 Vu가 최대 얼마 이하이면 전단철근이 필요 없는 부재가 되는가?
77. 다음의 프리스트레스 손실 원인 중 도입할 때 일어나는 손실(즉시 손실)이 아닌 것은?
78. 그림과 같은 이음에서 리벳의 강도는 얼마인가? (단, 리벳지름 d=22mm, τo = 100MPa, fba = 250MPa)
79. 보의 순경간이 ln이고, 보의 유효길이가 d인 보에서 ln/d가 최대 얼마 이하이면 깊은 보로 설계해야 하는가?
80. 강도 설 계법에서 fck가 40MPa 일 때 B1의 값은 얼마인가? (단, B1은 a = B1c에서 사용되는 계수)
5과목: 토질 및 기초
81. 어떤 흙의 전단실험결과 c=1.8kg/cm2, ø=35˚, 토립자에 작용하는 수직응력이 ∂= 3.6kg/cm2 일 때 전단강도는?
82. 지표가 수평인 연직 옹벽에 있어서 (주동토압 계수)/(수동토압 계수)의 값으로 옳은 것은? (단, 흙의 내부 마찰각은 30˚이다.)
83. 얕은 기초의 극한 지지력을 결정하는 데르쟈기의 이론에서 하중Q가 점차 증가하여 푸팅이 아래로 침하할 때 다음 설명 중 옳지 않은 것은?
84. 말뚝의 지지력 공식 중 정역학적 방법에 의한 공식은 다음 중 어느 것인가?
85. 평판재하시험이 끝나는 다음 조건 중 옳지 않은 것은?
86. 점토지반을 프리로딩(Pre-Loading) 공법 등으로 미리 압임 시킨 후에 급격히 재하할 때의 안정을 검토하는 경우에 적당한 전단시험은?
87. 연경도 지수에 대한 설명으로 잘못된 것은?
88. 동일 분류법에서 실 트질 자갈을 표시하는 약호는?
89. 부피가 2208cm3 이고 무게가 4000g 인 몰드에 흙을 다져 넣어 무게를 측정하였더니 8294g 이었다. 이 몰드에 있는 흙을 시료추출기를 사용하여 추출한 후 함수비를 측정하였더니 12.3% 였다. 이 흙의 건조 단의중량은 얼마인가?
90. 포화 점토에 대해 베인전단시험을 하였다. 베인의 직경과 높이는 각각 5cm, 10cm이고 시험 도중에 사용된 최대회전 모멘트는 150kg·cm이었다. 이 점성토의 비배수 전단강도는 얼마인가?
91. 표준 관입 시험에 대한 아래 표의 성명에서 ( )에 적합한 것은?
92. 아래 그림과 같이 사질토 지반에 타설된 무리말뚝이 있다. 말뚝은 원형이고 직경은 0.4m, 설치간격은 1m이었다. 이 무리말뚝의 효율은 얼마인가? (단, Converse-Labarre 공식을 사용할 것)
93. Sand draln 공법의 주된 목적은?
94. 다음은 지하수 흐름의 기본 방정식인 Laplace 방정식을 유도하기 위한 기본 가정이다. 틀린 것은?
95. 점토층에서 채취한 시료의 양촉지수 C0 = 0.39, 간 극비 e = 1.26 이다. 이 점토층 위에 구조물이 축조되었다. 축조되기 이전의 유효압력은 8.0t/m2, 축조된 후에 증가된 유효압력은 6.0t/m2이다. 점토층의 두께가 3m일때 압밀침하량은 얼마인가?
96. 모래층에 널말뚝을 사용하여 웁막이를 한 곳이 있다. 군사 현상이 일어나지 않도록 하기 위하여 취한 조치중 틀린 것은?
97. 흙의 습윤 단위중량이 1.70t/m3, 내부 마찰각이 8˚, 정착력이 0.35kg/cm2인 어느 지반을 연직으로 굴착하고자 할 때 몇 m까지 굴착 가능한가?
98. 흙의 다짐효과에 대한 설명으로 옳은 것은?
99. 점토질 지반에 있어서 강성기초의 점지암 분포에 관한 다음 설명 가운데 옳은 것은?
100. 다음 그림에서 전수두자를 일정하게 유지하고 있을 경우 a - a면상의 침투수압은 얼마인가? (단, 비중 G = 2.65, 간 극비 e = 0.80)
6과목: 상하수도공학
101. 자연유하식 도수관의 허용 최대 평균유속은?
102. 유입하수량10000m3/day, 유입BOD농도 120mg/L, 폭기조내 MLSS농도 2000 mg/L, BOD부하 0.5jgBOD/KGMLSS·day 일 때 폭기조의 용적은?
103. 펌프가 급정지할 때 발생하는 수격현상(water hammer)에 관한 다음 설 명중 틀린 것은?
104. 다음 관거별 계획하수량에 대한 설 명중 옳은 것은?
105. 하수처리장에서 발생하는 슬러지를 혐기성으로 소화하는 목적과 가장 거리가 먼 것은?
106. 하수관거의 관정부식(crown corrosion)의 주된 원인물질은 어느 것인가?
107. 다음 중 호수의? (문제 오류로 문제 및 보기 내용이 정확하지 않습니다. 정확한 내용을 아시는 분께서는 오류신고를 통하여 내용 작성 부탁드립니다. 정답은 3번입니다.)
108. 다음 중 펌프의 양수 량을 조절하는 방식이 아닌 것은?
109. 어느 지역에 내린 강수가 하수관거에 유입되는 시간이 7min 이고 하수관거의 길이는 540m이며 관내의 유속이 0.9m/s 이라면 하수관거 내의 유달 시간은?
110. 침전지의 침전효율을 증가시키기 위한 방법이 아닌 것은?
111. 지표수의 취수시설로 적당하지 않은 것은?
112. 전 염소 처리의 목적과 가장 거리가 먼 것은?
113. 다음 중 염소소독시 소독력에 가장 큰 영향을 미치는 수질인자는?
114. 다음 중 계획1일최대급수량을 시설 설계 기준으로 하지 않는 것은?
115. 인구 1인당 생활오수의 BOD오염부하 원단위를 50g/인·일 이라 할때 인구 10만 도시의 하수처리장에 유입되는 BOD부하는?
116. 관로 유속의 급격한 변화로 인한 충격현상으로 관내압력이 급상승 또는 급강하 하는 현상을 무엇이라 하는가?
117. 주거지역(면적 3ha, 유출계수 0.5), 상업지역(면적 2ha, 유출계수 0.7) 녹지(면적 1ha, 유출계수 0.1) 로 구성된 지역의 평균 유출계수는?
118. 다음의 공식 중 상수도 배수관 설계에 가장 많이 사용되는 공식은?
119. 하수관거의 부속설비에 대한 설명으로 옳지 않은 것은?
120. 상수도계통에서 배수지로 가장 적당한 위치는?