1과목: 재료역학
1. 다음과 같이 양단을 고정한 길이 ℓ , 단면적 A의 막대를 ΔT 만큼 온도를 올렸을때 막대에 생기는 응력 σ는? (단, 막대의 탄성계수를 E, 선팽창 계수를 α라 한다.)
2. 3200 N.m의 비틀림모멘트를 받는 둥근축이 있다. 이 축의 허용 전단응력을 60 MPa이라 하면 축의 지름은 최소 몇 cm로 해야 하는가?
3. 길이 240cm, 단면의 폭x높이 = 12cmx15cm의 단순보가 ω kN/m의 균일분포하중을 받고 있다. 이보의 허용굽힘응력 σ a = 48 MPa일 때 허용할 수 있는 분포하중의 최대값은?
4. 단면적이 5 cm2, 길이가 60 cm인 연강봉을 천장에 매달고 20 ℃에서 0 ℃로 냉각시킬때 길이의 변화를 없게하려면 봉의 끝에 몇 kN의 추를 달아 주어야 하는가 ? (단, E=200 GPa, α =12x10-6/℃, 봉의 자중은 무시)
5. 최대 사용강도(σmax)=240 MPa, 직경 1.5 m, 두께 3 ㎜의 강재 원통형 용기가 견딜 수 있는 압력은 몇 kPa 인가?(단, 안전계수(Sf)는 2이다.)
6. 다음 그림과 같이 균일분포 하중(ω)을 받는 고정지지보에서 최대 처짐 δ max는 얼마 정도인가 ? (단, ℓ 은 고정지지보의 길이, E는 탄성계수(N/m2) Ⅰ는 단면 2차모멘트(m4)이다.)




7. 그림과 같은 보의 지점 반력 RA, RB 는?
8. 한 점에서의 미소요소가 εx=340x10-6, εy=110x10-6, γxy=180x10-6 인 평면 변형률을 받을 때 이 점에서의 주 변형률은?
9. 아래 그림에서와 같이 단붙이 원형축(Stepped Circular Shaft)의 풀리에 토크가 작용하여 평형상태에 있다. 이 축에 발생하는 최대 전단응력은 몇 MPa 인가?
10. 외경이 내경의 1.5배인 중공축과 재질과 길이가 같고 지름이 중공축의 외경과 같은 중실축이 동일 회전수에 동일 마력을 전달한다면, 이때 중실축에 대한 중공축의 비틀림각의 비는 어느 것인가?
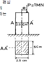
11. 그림과 같은 단주(短注)에서 편심 거리 e=2 mm에 하중 P=1 MN의 압축하중이 작용할 때 발생하는 최대응력은 몇 MPa인가?
12. 그림과 같이 단면의 치수가 8 mm x 24 mm인 강대가 인장력 P = 15 kN을 받고 있다. 그림과 같이 30° 경사진면에 작용하는 전단응력은 몇 MPa 인가?
13. 한가지 재료(탄성계수 E)로 된 그림과 같은 원형 단면의 봉이 온도 t에서 to로 강하 되었을 때 ①의 부분과 ②의 부분의 응력의 비로 맞는 것은?(단, d1 = 1.41d2 이고, 선팽창 계수는 α 이다.)




14. 직경 d인 원형단면의 원주에 접하는 축에 관한 단면 2차모멘트는?




15. 양단이 단순지지된 길이 2m인 보에 균일분포 하중 w = 800 kN/m가 작용할 때 최대 처짐각은? (단, 보 단면의 관성모멘트는 I = 500x106 mm4이고, 탄성계수는 E = 200 GPa이다.)
16. 단면 20cm x 30cm, 길이 6m의 목재로된 단순보의 중앙에 20 kN의 집중하중의 작용할 때, 최대 처짐(δ max)은? (단, 탄성계수 E = 10 GPa 이다.)
17. 탄성계수 E, 전단탄성계수 G, 프와송 비 μ사이의 관계식 중 옳은 것은?




18. 동일재료로 만든 동일한 굽힘강도의 정사각형 단면보와 원형 단면보의 단면적비, 즉 정사각형 단면적/원형 단면적의 값은 얼마인가?
19. 재료가 축방향 하중을 받아 선형 탄성적으로 거동할 때 변형 에너지밀도(strain-energy density)를 구하는 식이 아닌 것은?(단, σ : 응력, ε: 변형률, E : 탄성계수)




20. σx= 500 Pa, σy= 300 Pa, τxy= 100 Pa인 그림과 같은 요소내에 발생하는 최대 주응력의 크기는 몇 Pa 인가?
2과목: 기계열역학
21. 시스템의 열역학적 상태를 기술하는 데 열역학적 상태량(또는 성질)이 사용된다. 다음 중 열역학적 상태량으로 올바르게 짝지어진 것은?
22. 잘 단열된 축전지를 전압 12 V, 전류 3 A로 1시간 충전한다. 축전지를 시스템으로 삼아 1시간 동안 행한 일과 열을 구하면?
23. 다음 사항은 기계열역학에서 일과 열(熱)에 대한 설명이다. 이 중 틀린 것은?
24. 계의 경계를 통하여 물질이나 에너지 전달이 없는 계는 다음 어느 것인가?
25. 다음 그림과 같은 증기압축 냉동 사이클에서 성능계수를 표시하는 식은? (단, h는 엔탈피, T는 절대온도, S는 엔트로피이다.)




26. -4 ℃의 얼음 1kg을 18 ℃의 물로 만드는데 필요한 열량은 몇 kJ인가 ? (단, 물의 비열은 4 kJ/(kg℃), 얼음의 비열은 2 kJ/(kg℃), 얼음의 융해열은 340 kJ/kg이다.)
27. 카르노사이클로 작동되는 열기관이 600K에서 800 kJ의 열을 받아 300K에서 방출한다면 일은 몇 kJ인가?
28. 초기에 300 K, 150 kPa 인 공기 0.5 m3을 등온과정으로 600 kPa까지 천천히 압축하였다. 이 과정동안 일을 계산하면?
29. 다음중 이상기체의 정적비열(Cv)과 정압비열(Cp)에 관한 관계식 중 옳은 것은? (단, R은 일반기체상수)(오류 신고가 접수된 문제입니다. 반드시 정답과 해설을 확인하시기 바랍니다.)
30. 분자량이 4 정도인 헬륨의 기체상수는 몇 kJ/㎏.K 에 해당하는가?
31. 다음 중 물질의 엔트로피가 증가한 경우는?
32. 터빈을 통과 하는 증기가 한 일이 360kJ/kg이고, 증기의 유량이 200kg/h 일때 터빈의 출력은?
33. 물의 증발 잠열은 101.325kPa에서 2257kJ/kg 이고, 비체적은 0.00104m3/kg에서 1.67m3/kg으로 변화한다. 이 증발 과정에 있어서 내부에너지의 변화량(kJ/kg)은?
34. 이상 오토사이클의 압축초기 공기는 100 kPa, 17℃ 이다. 등적과정에서 700 kJ/kg의 열을 받았다면 사이클의 최고 압력과 온도는 얼마인가? (단, 공기의 비열비 k = 1.4 이고, 정압비열 cp = 1003 J/kg 이다. 이상 오토사이클의 압축비는 8이다.)
35. 증기 터빈에서의 상태 변화 중 가장 이상적인 과정은?
36. 가정용 냉장고를 이용하여 겨울에 난방을 할 수 있다고 주장하였다면 이 주장은 이론적으로 열역학법칙과 어떠한 관계를 갖겠는가?(오류 신고가 접수된 문제입니다. 반드시 정답과 해설을 확인하시기 바랍니다.)
37. 압축기에 의한 공기의 압축과정을 PVn=일정인 과정으로 볼 때 소요동력이 가장 작은 것은?
38. 초기온도와 압력이 50℃, 600kPa인 단위 중량의 질소가 100kPa까지 가역 단열팽창 하였다. 이 때 온도는 몇 K 인가? (단, 비열비 k=1.4 이다.)
39. 발전소 계통에 대해 맞는 말은?
40. 카르노 사이클로 작동되는 기관이 고온체에서 100kJ의 열을 받아들인다. 이 기관의 열효율이 30%라면 방출되는 열량(kJ)은?
3과목: 기계유체역학
41. 길이가 5 mm이고 발사속도가 400m/s인 탄환의 항력을 10배 큰 모형을 사용하여 물속에서 측정하려고 한다. 실형과 모형사이에 역학적 상사가 성립하면 실험실에서 측정한 모형의 항력이 10 N이라면 실제 탄환에 작용하는 항력은 몇 N 인가?(단, 공기의 점성계수는 2x10-5 kg/(m· s), 밀도는 1.2kg/m3, 물의 점성계수는 0.001 kg/(m· s)라고 한다)
42. 다음 중 포텐셜 유동에 대한 설명으로 옳지 않은 것은?
43. 그림에서 마찰을 무시하고, 날개가 제트의 방향을 180° 바꾼다고 했을 때 제트에 의해서 날개에 작용하는 힘의 크기는 몇 N인가?
44. 액체 속에 잠겨 있는 곡면(AB)에 작용하는 힘의 수평분력은?
45. 수면의 높이가 지면에서 h인 물통벽에 구멍을 뚫고 지면에 분출시킬 때 지면을 기준으로 구멍을 어디에 뚫어야 가장 멀리 떨어질 것인가?




46. 비중 0.9, 점성계수 5 x 10-3 N.s/m2 의 기름이 안지름 15㎝ 의 원형관 속을 0.6 m/s의 속도로 흐를 경우 레이놀즈수는 약 얼마인가?
47. 길이 100m인 배가 10m/s의 속도로 항해한다. 길이 2m인 모형배를 만들어 조파저항을 측정한 후 원형배의 조파저항을 구하고자 동일한 조건의 해수에서 실험을 하고자 한다. 모형배의 속도를 몇 m/s 로 하면 되겠는가?
48. 그림과 같은 U자관 차압마노미터가 있다. 비중 S1=0.9, S2=13.6, S3=1.2이고 h1=10 cm, h2=30 cm, h3=20 cm일 때 PA - PB는 얼마인가?
49. 그림과 같이 피토 정압관이 설치된 원관 속을 흐르는 공기의 유량은 몇 m3/s 인가?(단, 공기는 비압축성, 이상유체로 가정하며, 밀도는 1.2 kg/m3이다.)
50. 20℃의 물이 지름 2㎝의 원관속을 흐르고 있다. 층류로 흐를 수 있는 최대 평균속도는 몇 m/s 인가?(단, 임계 레이놀즈수는 2100 이며 20 ℃ 물의 동점성계수는 1.005x10-6 m2/s이다.)
51. 원관 내 완전히 발달된 난류 속도분포
[R : 반지름] 에 대한 단면 평균속도는 중심속도 u0 의 몇 배인가?
52. 정상, 균일 유동속에 유동 방향과 평행하게 놓여진 평판 위에 발생하는 층류 경계층의 두께 δ 는 x를 평판선단으로 부터의 거리라 할 때 다음 어느 값에 비례하는가?
53. 이상기체를 등온 압축시킬 때 체적탄성계수는 ? (단, P는 압력, k는 비열비이다.)
54. 흐르는 물의 속도가 1.4 m/s일 때 속도 수두는?
55. 유동의 박리(separation)에 대한 설명중 틀린 것은?
56. 출력이 450kW인 터빈을 통과하는 물이 초당 0.6m3이다. 이 때 터빈의 수두는 약 몇 m인가 ? (단, 터빈의 효율은 87%이다.)
57. 표준 대기압하에서 온도 20℃인 건조공기의 점성계수는 1.845x10-55 N.s/m2이다. 동점성 계수(m2/s)는 ? (단, 공기의 밀도는 1.23 kg/m3이다.)
58. 안지름 0.1 m인 파이프 내를 평균 유속 5 m/s로 어떤 액체가 흐르고 있다. 길이 100 m 사이의 손실수두는 몇 m인가? (단, 관 내의 흐름으로 레이놀즈수는 1000 이다.)
59. 다음 중 음속 a를 구하는 식이 아닌 것은?(단, P:절대압력, ρ:밀도, T:절대온도, R:기체상수, E:체적탄성계수, k:비열비, g:중력가속도, ν:동성점계수)




60. 공기 중에서 무게가 900N 인 돌이 물에 잠겨 있다. 물속에서의 무게가 400N 이라면, 이 돌의 체적과 비중은 각각 얼마인가? (단, 물의 밀도는 1000 kg/m3 이다.)
4과목: 유체기계 및 유압기기
61. 연료분사식 가솔린기관이 기화기를 사용하는 기관보다 체적효율이 증가하는 이유가 아닌 것은?
62. 출력이 7.5[㎾], 회전수 1400[rpm]인 유압 모터의 토크는 몇 [kgf· m]인가?
63. 오일 분배장치에는 비산식과 가압식이 있는데 비산식이 가압식 보다 유리한 점은?
64. 다음 중 유체의 점성 계수(μ)에 정비례하는 운동은?
65. 보기와 같은 유압회로의 명칭으로 가장 적합한 것은?
66. 어큐뮬레이터(accumulator)의 용도가 아닌 것은?
67. 일반적으로 유압 펌프의 크기(용량)는 무엇으로 결정하는 가?
68. 수냉식 기관의 방열기가 있다. 방열기 입구의 수온이 85℃이고, 출구의 온도가 75℃이며, 통과하는 공기의 전후 온도는 각각 28℃, 32℃이다. 방열기의 열통과율이 500 kcal/m2.h.℃이고, 방열기의 전 유효방열면적이 2m2라면 제거되는 열은 얼마인가?
69. 가스터빈사이클의 가장 기본이 되는 열역학적 사이클은?(오류 신고가 접수된 문제입니다. 반드시 정답과 해설을 확인하시기 바랍니다.)
70. 유압 시스템에서 실린더가 불규칙적으로 작동되고 있을 때, 그 주요 원인이 아닌 것은?
71. 두개 이상의 분기회로에서 실린더나 모터의 작동 순서를 부여해 주는 밸브는?(오류 신고가 접수된 문제입니다. 반드시 정답과 해설을 확인하시기 바랍니다.)
72. 기화기에서 공기 온도가 저하되면 공기속의 수증기 때문에 빙결(icing-up)이 생기는데 빙결이 일어나기 가장 쉬운 곳은?
73. 다음 중 내연기관 연료의 구비조건을 설명한 것으로 잘못된 것은?
74. 무과급 고속기관에서 가장 높은 평균 유효 압력을 얻을 수 있는 연소실 형식은?
75. 유량제어 밸브를 실린더의 출구쪽에 설치해서 귀환유의 유량을 제어함으로서 실린더 속도를 제어하는 회로는?
76. 유압펌프 토출압력이 60kgf/cm2, 토출유량은 30 ℓ / min인 경우 펌프의 동력은 약 몇 kW 인가?(오류 신고가 접수된 문제입니다. 반드시 정답과 해설을 확인하시기 바랍니다.)
77. 디젤기관에서 연료가 분사되기 시작하여 연소가 시작될 때까지의 기간을 무엇이라 부르는가?
78. 유압 작동유의 점도가 높을 경우 유압장치에 미치는 영향 설명으로 올바른 것은?
79. 내연기관에 있어서 기관회전수를 N(rpm), 직경을 D(mm), 행정 S(m), 회전력을 T(kgf.m)라 할 때 피스톤의 평균속도(m/s)는 어떻게 표현되는가?
80. 단기통 4행정 기관의 실린더 안지름이 85mm , 행정(stroke)이 85mm, 압축비가 4.8인 기관의 연소실 체적은 몇 cm3인가?
5과목: 건설기계일반 및 플랜트배관
81. 불도우저 작업에서 나무 뿌리의 제거나 흙속의 돌을 골라 내는 데 주로 사용되는 도우저는?
82. 구멍의 내면을 가장 정밀하게 가공하는 방법은?
83. 인벌류우트 곡선을 그리는 원리를 이용하여 기어를 절삭 하는 가공방법은?
84. 기중기의 권상, 권하 조작에 필요한 안전장치와 직접 관련이 없는 것은?
85. 다음 중 도로 포장용 기계에 해당되지 않는 것은?
86. 열처리에서 순철의 A2변태는?
87. 스크레이퍼 작업에서 고려할 필요가 없는 것은?
88. 다음 탭에 관한 설명 중에서 옳은 것은?
89. 모우터 그레이더의 회전반경을 작게하기 위해서 앞바퀴를 좌우로 기울이게 하는 장치는?(오류 신고가 접수된 문제입니다. 반드시 정답과 해설을 확인하시기 바랍니다.)
90. 공작물의 절삭속도(V)를 구하는 올바른 공식은 ? (단, d : 공작물의지름(m), n : 공작물의 회전수(r.p.m), V : 절삭속도(m/min)라 한다.)


91. 프레스를 이용한 단조에서 유효 단조 면적이 150㎝2, 가 공재료의 변형저항이 20kg/㎜2, 기계효율을 80%로 하면 프레스의 용량은?
92. 모재를 (+)극에, 용접봉을 (-)극에 연결하는 용접법은?
93. 덤프트럭(dump truck)의 동력전달계(power train)와 관계가 없는 것은?
94. 건설 기계 중 규격표시 방법에 있어서 틀린 것은?
95. 블록게이지의 특징 중 틀린 것은?
96. 로터리 공기 압축기의 장점이 아닌 것은?
97. 금속재료에 처음 한 방향으로 하중을 가하고, 다음에 반대 방향으로 하중을 가하였을 때, 전자보다는 후자의 경우가 비례한도가 저하한다. 이 현상은?
98. 쇄석기에 관한 설명으로 틀린 것은?
99. 숫돌의 색이 녹색이며 초경 합금의 연삭에 사용하는 것은?
100. 로드롤러(road roller)의 동력전달 방식에 대한 설명으로 옳은 것은?