1과목: 기계가공법 및 안전관리
1. 교차되는 두 직선의 교차 부분을 rounding하려고 할 때 사용되는 것은?
2. 다음중 주축기능에 사용되는 주소는?
3. 스패너(spanner)를 단조하는데 보통 많이 사용되는 단조방식은 다음 중 어느 것인가?
4. 머시닝센터의 일상적인 점검사항이 아닌 것은?
5. 점(1,2)를 2차원적으로 원점을 기준으로 반시계방향으로 30° 회전시킨 후의 좌표값은?
6. 다음 중 솔리드 모델의 단점이 아닌 것은?
7. 아베(Abbe)의 원리에 맞는 구조를 가진 것은?
8. 방전가공에 대한 설명 중 틀린 것은?
9. 파이프끼리 서로 맞대기 용접을 하는데 가장 좋은 용접 결과를 얻을 수 있는 것은?
10. 주물사의 필요조건이 아닌것은?
11. 소성 가공에서 바우싱거 효과(Bauschinger effect)란 무엇인가?
12. 버니어 캘리퍼스(Vernier Calipers)의 어미자에 새겨진 0.5㎜의 24눈금(12㎜)으로 아들자를 25등분 할 때, 어미자와 아들자의 1눈금의 차는 얼마인가?
13. 다음의 프로그램에서 P1점에 바이트가 도달했을 때 주축의 회전수는 얼마인가? (단, G50 S1500; G96 S150;)
14. 연삭가공에서 숫돌입자의 연삭깊이는 어떻게 되는가?
15. 강재의 표면경화방법 중에서 암모니아 가스를 이용하는 것은?
16. 2차원 CAD시스템에서 원을 정의하는 방법 중 틀린 것은?
17. 절삭가공시 빌트 업 에지(built-up edge)의 옳은 의미는?
18. DNC(Direct Numerical Control)운전시 사용되는 통신 케이블(RS232C) 25핀 중에서 수신을 나타내는 핀은?
19. 브로칭 머신에서 가공할 수 있는 것은?
20. 자기테이프의 기록밀도를 나타내는 단위로 맞는 것은?
2과목: 기계제도 및 기초공학
21. 두개의 기어가 서로 맞물려서 운동을 전달하고 있다. 회전 방향이 같고 감속비가 큰 기어는 어느 것인가?
22. 풀리장치에서 벨트의 장력이 너무 크게 되면 어떤 현상이 일어나는가?
23. 풀림을 하는 목적을 설명한 것 중 틀린 사항은?
24. 염기성 전로에 사용되는 내화벽돌 재료는 어느 것인가?
25. 비철계 초소성 재료 중 최대의 연신을 갖는 합금은?
26. 그림과 같은 용접이음에서 용접부에 발생하는 인장응력은 얼마인가?
27. 기중기 등에서 물체를 내릴 때 하중 자신에 의하여 브레이크 작용을 행하여 속도를 억제하는 것은?
28. 다음 중 고속도강과 가장 관계가 먼 사항은?
29. 묻힘키이(sunk key)에서 생기는 전단응력을 τ , 키이에 생기는 압축응력을 σc라 하여 τ /σc = 1/2일때 키의 폭 b와 높이 h와의 관계를 가장 옳게 설명한 것은?
30. 펄라이트(Pearlite)의 생성되는 과정에서 틀린 것은?
31. 그림과 같은 스프링 장치에서 각 스프링의 상수 K1=4㎏f/㎝, K2=5 ㎏f/㎝, K3=6 ㎏f/㎝이며 하중 방향의 처짐 δ =150㎜일 때, 하중 P는 얼마인가?
32. 탄소강은 일반적으로 200∼300℃ 부근에서 상온보다 더욱 취약한 성질을 갖는다. 이것을 무엇이라 하는가?
33. 반복 하중을 가하여 재료의 강도를 평가하는 시험 방법은 다음 중 어느 것인가?
34. 원뿔면 또는 원통면 밸브시트 안에서 밸브가 회전하고 유체가 그 회전축에 직각으로 유동하는 구조로 된 밸브는?
35. 철의 동소체로서 A3 변태에서 A4 변태 사이에 있는 철은?
36. 다음 축이음 중 두축이 서로 평행하고 거리가 짧고 교차하지 않는 경우에 사용하는 기계요소는?
37. 400rpm으로 전동축을 지지하고 있는 미끄럼 베어링에서 저어널의 지름 d =6㎝, 저어널의 길이 ℓ =10㎝이고, W=420㎏f의 레디얼 하중이 작용할 때, 베어링 압력은?
38. 유니파이나사의 나사산 각도는?
39. 다음 중 불변강이 아닌것은?
40. 보통주철은 주조한 그대로 사용되는 일이 많으나 최근에는 각종 열처리를 실시하여 재료의 성질을 개선한다. 다음 중 관계과 가장 먼 것은?
3과목: 자동제어
41. PLC(Programmable Logic Controller)는 생산현장에 설치되어 기계장치를 제어하는데 매우 유용하게 이용되고 있다. 이 PLC의 주요 구성요소로 적합하지 않은 것은?
42. 근궤적에 관한 설명이다. 옳지 않은 것은?
43. 다음 중 압력제어밸브는 어느 것인가?
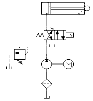
44. 다음 유압회로의 명칭으로 적합한 것은?
45. 실린더의 지지방식이 아닌 것은?
46. 다음 중 회로도의 표현 방식은 어느 것인가?
47. 입력이 어떤 정상 상태에서 다른 상태로 변화했을 때, 출력이 정상 상태에 도달할 때까지의 응답은?
48. 그림과 같은 회로의 논리식은?

A + B
B + A
49. 다음 PLC 관련용어의 설명 중에 틀린 것은?
50. F(t)=e-1[1/(s2+6s+10)]의 값은?
51. 펌프의 토출량이 15〔ℓ /min〕이고 유압 실린더에서의 피스톤 직경이 32〔㎜], 배관경이 6〔㎜〕일 때 배관에서의 유속과 피스톤의 전진 속도를 구하시오.
52. 다음 그림과 같은 회로에서 V(s)을 구하시오.
53. 다음 중 한방향의 유동은 허용하나 역방향의 유동은 완전히 저지하는 밸브는?
54. 강관에 의한 배관시 주의사항으로 옳지 않은 것은?
55. 컴퓨터와 외부장치 간의 디지털 정보 입.출력시에 출력소자로 이용되는 것이 아닌 것은?
56. 다음 기호는 공기압 조정유닛이다. 이 유닛에 포함된 기기의 나열이 옳은 것은?
57. PLC에는 기본적으로 여러 유니트를 조합하여 설치한다. 다음 중 PLC의 기본 유니트에 해당되지 않는 것은?
58. 다음 진리표는 어떤 논리동작을 나타내는가?
59. 다음 그림 중 루브리케이터의 기호는?




60. 유압장치에 부착된 압력 게이지가 40 bar을 나타내었다. 이 압력은 어떤 압력인가?
4과목: 메카트로닉스
61. 다품종 소량생산이 가능한 자동화를 의미하는 것은?
62. 그림에서 공급압력 P1=600kPa이고 압력강하 △P=100kPa라면 유량은 몇 m3/h인가?
63. 프로그램 메모리 중 사용자가 자유롭게 프로그램을 쓰고 지울 수 있는 휘발성 메모리는?
64. 직류전동기에서 운전중 브러시로부터 스파크가 일어나는 경우가 아닌 것은?
65. 과도 응답값의 소멸되는 정도를 나타내는 양으로서 감쇠비를 어떻게 표시하는가?
66. 압력센서의 용도가 아닌 것은?
67. 다음 접점에 대한 설명중 옳지 않은 것은?
68. 센서의 신호처리시 문제점이 아닌 것은?
69. 다음 그림과 같은 11핀 계전기에서 a접점으로 사용할 수 있는 단자는?
70. 2개의 입력을 가지면서 그들 입력의 상태에 따라 출력이 정해지며, 출력상태가 결정되면 입력이 없어도 출력이 그대로 유지되는 회로는?
71. 산업용 로봇(robot)의 일반적인 분류에서, 미리 설정된 순서와 조건 및 위치에 따라 동작을 순서적으로 진행하는 것은?
72. 다음 그림과 같은 논리도의 Y값을 최소화 정리할 때, 옳은 것은?
73. 되먹임 제어계의 기능 중 "기준입력과 제어량의 차이"를 출력하는 요소는?
74. 다음 그림과 같은 기호의 회로는?
75. 압전효과를 이용하여 사용되는 센서와 가장 거리가 먼 것은?
76. 다음 논리식 중 잘못된 것은?
= 1
= 177. 제어 시퀀스를 구성할 때 오동작을 예방하는 방법이 아닌것은?
78. 4개의 입력요소 중 첫번째와 두번째 요소가 함께 작동되든지 세번째 요소가 작동되지 않은 상태에서 네번째 요소가 작동되었을 때 출력이 존재하는 제어기의 구성을 논리적으로 표현한 것은?
+ S4
+ S4)
· S4
+ S479. 다음의 제어대상과 제어방식의 관계 중 맞지 않는 것은?
80. 유압 모터의 장점이 아닌 것은?