1과목: 기계가공법 및 안전관리
1. 밀링 머신에서 절삭속도 20m/min, 페이스커터의 날수 8개, 직경 120mm, 1날당 이송 0.2mm일 때 테이블 이송속도는?
2. 일반적으로 방전가공 작업시 사용되는 가공액의 종류 중 가장 거리가 먼 것은?
3. 비교 측정에 사용되는 측정기가 아닌 것은?
4. 수공구를 사용할 때 안전수칙 중 거리가 먼 것은?
5. 사인 바(Sine bar)의 호칭 치수는 무엇으로 표시하는가?
6. 절삭 날 부분을 특정한 형상으로 만들어 복잡한 면을 갖는 공작물의 표면을 한 번에 가공하는데 적합한 밀링 커터는?
7. 연삭숫돌의 원통도 불량에 대한 주된 원인가 대책으로 옳게 짝지어진 것은?
8. 일반적으로 직경(외경)을 측정하는 공구로써 가장 거리가 먼 것은?
9. 다음 센터구멍의 종류로 옳은 것은?
10. 기계가공법에서 리밍 작업시 가장 옳은 방법은?
11. 절삭제의 사용 목적과 거리가 먼 것은?
12. 선반가공에서 ø100×400인 SM45C소재를 절삭 깊이 3mm, 이송속도를 0.2mm/rev, 주축 회전수를 400rpm으로 1회 가공할 때, 가공 소요시간은 약 몇 분인가?
13. 마찰면이 넓은 부분 또는 시동횟수가 많을 때 사용하고 저속 및 중속 축의 급유에 사용되는 급유방법은?
14. 견고하고 금긋기에 적당하며, 비교적 대형으로 영점 조정이 불가능한 하이트 게이지로 옳은 것은?
15. 절삭공구를 연삭하는 공구연삭기의 종류가 아닌 것은?
16. 선반의 주축을 중공축으로 한 이유로 틀린 것은?
17. 호브(hob)를 사용하여 기어를 절삭하는 기계로써, 차동 기구를 갖고 있는 공작기계는?
18. 탁상 연삭기 덮개의 노출각도에서, 숫돌 주축 수평면 위로 이루는 원주의 최대 각은?
19. 다음과 같이 표시된 연삭숫돌에 대한 설명으로 옳은 것은?
20. 척에 고정할 수 없으며 불규칙하거나 대형 또는 복잡한 가공물을 고정할 때 사용하는 선반 부속품은?
2과목: 기계제도 및 기초공학
21. 스케치도에 관한 설명으로 틀린 것은?
22. 가공 방법에 따른 KS 가공 방법 기호가 바르게 연결된 것은?
23. 도면에 굵은 선의 굵기를 0.5mm로 하였다. 가는 선과 아주 굵은 선의 굵기로 가장 적합한 것은? (순서대로 가는선, 아주 굵은 선)
24. 다음 중 표면의 결을 도시할 때 제거가공을 허용하지 않는다는 것을 지시한 것은?




" 인 이유는 "표면의 결을 도시할 때 제거가공을 허용하지 않는다"는 지시가 있기 때문입니다. 다른 보기들은 이와 관련된 내용이 아닙니다.25. 핸들이나 바퀴 등의 암 및 림, 리브 등 절단선의 연장선 위에 90° 회전하여 실선으로 그리는 단면도는?
26. 도면에서 다음 종류의 선이 같은 장소에 겹치게 될 경우 가장 우선순위가 높은 것은?
27. 제3각 투상법으로 제도한 보기의 평면도와 좌측면도에 가장 적합한 정면도는?




"입니다.
"과 같으므로, 정면도에서도 이와 같은 모습을 유지해야 합니다.28. 끼워맞춤 공차 ø50H7/g6에 대한 설명으로 틀린 것은?
29. 나사의 표시가 다음과 같이 명기되었을 때 이에 대한 설명으로 틀린 것은?
30. 다음 도면에서 기하공차에 관한 설명으로 가장 적합한 것은?
31. 아래 그림과 같이 물체를 중간에 고정시키고 점 P에 힘 F를 작용하면 이 물체의 모멘트의 크기 M은? (단, 고정점에서 작용선까지의 거리는 d이다.)
32. 정지하고 있는 물체에 100N의 힘을 가해 4초 만에 40m/s의 속도로 운동한다면, 이 때 물체의 질량[kg]은?
33. 250kgf의 인장하중을 받는 봉에 40kgf/mm2의 인장응력이 발생하는 경우 안전하게 사용할 수 있는 봉의 지름[mm]은? (단, 안전율은 4이다.)
34. t초 동안에 전하량 Q(C)의 전하가 전선의 단면을 통과하였을 때 흐르는 전류(A)는?
35. 다음 중 상온에서의 저항온도 계수가 가장 큰 것은?
36. 파스칼의 원리(Pascal’s principle)에 대한 설명으로 옳지 않은 것은?
37. 오른손에 10kgf의 힘을 가하여 원형 핸들을 돌릴 때 발생한 토크가 5kgf·m이었다면 이 핸들의 반경은?
38. 직류 전위차의 용도가 아닌 것은?
39. 지름이 50m에서 40m로 축소되는 원형 관로에 물이 가득 채워져 흐르고 있다. 지름 50m 관에서 유속이 1.2m/s라고 하면 지름 40m관에서의 유속[m/s]은 약 얼마인가?
40. 아래 정육각형의 넓이는 약 얼마인가? (단, a의 길이는 65mm이다.)
3과목: 자동제어
41. 미리 정해 놓은 순서에 따라 제어의 각 단계를 차례차례 진행시키는 제어는?
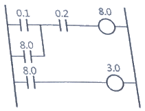
42. 그림과 같은 PLC 래더 다이어그램의 최소 실행 스텝수는?
43. PLC 입력부에서 신호에 포함된 노이즈가 PLC 내부장치로 전달되지 않도록 하기 위해 채택되는 회로요소로 맞는 것은?
44. 다음 중에서 C언어의 비조건 흐름제어문에 해당되지 않는 것은?
45. 10t5을 라플라스 변환한 것으로 옳은 것은?
46. 전기동력장치에 비교한 유압동력장치의 특징이 아닌 것은?
47. 다음 중 물체의 위치, 방위, 자세 등의 기계적 변위를 제어량으로 하여 목표값의 임의의 변화에 추종하도록 구성된 제어계로 가장 적합한 것은?
48. 유공압 제어요소와 일의 성격과의 짝으로 맞지 않는 것은?
49. 여러 종류의 품목을 소량 생산하는 공장에서 가공부품의 형태가 변동되거나 또는 가공수량이 변화하여도 그것에 가장 유연히 대응할 수 있는 생산시스템은?
50. off-set을 소멸시키고 잔류편차가 적으나 발산 가능성이 있는 제어기는?
51. 아래 조건의 시스템에서 실린더를 300mm 전진한 위치에서 정지를 시키려면 피드백 되는 리니어 포텐셔미터의 신호전압[V]은?
52. 되먹임 제어(feed back control)의 특징이 아닌 것은?
53. 자동제어에서 전기식 조절기의 특성이 아닌 것은?
54. 두 아날로그 신호의 차이를 구할 때 사용되는 증폭기는?
55. 자동 조타장치의 키는 항해하려는 방위를 설정하려는 것으로 소형 서보기구를 통해 배의 방위 캠퍼스를 피드백 받는데, 배의 방위 캠퍼스에 의해 측정된 값(θ2)이 30°, 배의 키 값(θ1)이 60°가 입력된다면 서부기구의 목표값(θ)으로 옳은 것은?
56. 그림과 같은 블록선도의 전달함수는 어떤 요소를 표현한 것인가?
57. 기기의 보호나 작업자의 안전을 위해 기기의 동작 상태를 나타내는 접점을 사용하여 관련된 기기의 동작을 금지하는 회로는?
58. 함수 f(t)=te-t의 라플라스(Laplace) 변환을 구한 것은?




"이다.
"이다.59. 아래 제어블록선도의 입출력비(전달함수)는?




" 이다.60. 입력 펄스에 비례하여 회전각을 낼 수 있어 디지털 제어가 용이한 특성을 가진 모터는?
4과목: 메카트로닉스
61. 선반으로 직경 50mm의 탄소강을 노즈반경 0.4mm인 초경바이트로 절삭속도 150mm/min 및 이송속도 0.1mm/rev로 가공할 때 이론적 표면 거칠기는 약 몇 μm인가?
62. 아래 진리표에 해당하는 논리회로는?




" 입니다.63. 다음 중 가장 높은 온도에서 사용되는 열전쌍은?
64. 스테핑 모터의 구동 방법과 가장 거리가 먼 것은?
65. 자속밀도의 단위는?
66. 입 · 출력 시스템의 구성 요소가 아닌 것은?
67. 물체가 지정된 위치에 있는가, 힘이 가해져 있는가 등의 여부를 검출하는데 사용되는 스위치는?
68. 초음파 센서의 설명으로 틀린 것은?
69. 어셈블러에 대한 설명으로 옳은 것은?
70. PLC에서 전체 프로그램을 1회 실행하는데 소요되는 시간은?
71. 스테핑모터의 특성에 해당되지 않는 것은?
72. 10진수 77일 2진수로 표시한 것은?
73. TTL IC의 출력으로 사용되지 않는 방식은?
74. 복합가공으로 공정을 줄인 가공의 효과가 아닌 것은?
75. 위치 결정의 불확정성과 고속 동작에서 감속기의 강성이 약한 것을 개선하기 위해 감속기 등의 동력 전달부품을 사용하지 않고, 로봇 암에 직접 모터를 부착하여 움직이는 모터는?
76. 코일에 전류가 흘러 그 양단에 역기전력을 일으킬 때의 전류의 방향과 기전력의 방향에 관계되는 법칙은?
77. 다음 op amp회로는 어떤 회로인가?
78. 100V, 60Hz의 교류 회로에서 용량 리액턴스 Xc=5Ω일 때 이 회로에 흐르는 전류[A]는?
79. PC(프로그램카운터)에 대한 설명으로 틀린 것은?
80. 아래 그림과 같은 형태의 PLC 프로그램 언어는?
이송속도 = 절단속도 ÷ (페이스커터의 날수 x 1회전에 자르고 이동하는 거리)
= 20m/min ÷ (8 x 0.3784m)
= 약 85mm/min
따라서 정답은 "약 85mm/min"이다.