1과목: 건축일반
1. 도서관계획에 관한 설명으로 옳지 않은 것은?
2. 천장 내부공간이 낮아 덕트를 설치하기 어려울 경우 해결안으로 가장 부적합한 방법은?
3. 목조 벽체에 가새를 배치한 경우 중 구조적으로 가장 우수하다고 볼 수 있는 것은?




4. 전면도로와 상점 내부와의 경계인 숍 프런트(shop front)의 형식은 크게 3가지로 구분되는데 이에 해당되지 않는 것은?
5. 호텔계획에 관한 설명으로 옳지 않은 것은?
6. 벽돌구조의 공간쌓기 효과와 가장 관계가 먼 것은?
7. MC(Modular Coordination)의 특징이 아닌 것은?
8. 블록구조에서의 테두리보에 관한 설명 중 옳지 않은 것은?
9. 데크플레이트(deck plate)에 관한 설명으로 옳지 않은 것은?
10. 단독주택의 현관계획에 관한 설명으로 옳지 않은 것은?
11. 실내 공기 오염의 원인이 아닌 것은?
12. 블록구조에서 사용되는 블록 중 창문틀 옆에 잘 맞게 제작된 블록의 명칭은?
13. 사무소 건축계획에서 오피스 랜드스케이핑에 관한 설명으로 옳지 않은 것은?
14. 사무소건축의 코어(core) 형식에 관한 설명으로 옳은 것은?
15. 반자주위 또는 구석 일부의 반자를 한단 낮게 하여 장식 겸 음향효과가 있게 한 반자는?
16. 학교운영방식에 관한 설명으로 옳지 않은 것은?
17. 도서관의 대지 조건으로 옳지 않은 것은?
18. 눈부심(glare)의 방지 방법으로 옳지 않은 것은?
19. 병원의 건축형식 중 집중식(block type)에 대한 설명으로 옳은 것은?
20. 기본벽돌(190×90×57)로 벽체를 1.5B로 쌓을 때 벽체 두께는?
2과목: 위생설비
21. 배수수직관 내의 압력변화를 방지 또는 완화하기 위해, 배수수직관으로부터 분기 ㆍ 입상하여 통기 수직관에 접속하는 통기관은?
22. 국소식 급탕방식과 비교한 중앙식 급탕방식의 특징에 관한 설명으로 옳지 않은 것은?
23. 위생설비의 유닛(unit)화에 관한 설명으로 옳지 않은 것은?
24. 물의 경도는 물 속에 녹아 있는 칼슘, 마그네슘 등의 염류의 양을 무엇의 농도로 환산하여 나타낸 것인가?
25. 고층건물에서는 급수압이 고르게 될 수 있도록 급수 조닝(zoning)을 할 필요가 있다. 다음 중 급수 조닝방식에 속하지 않는 것은?
26. 급탕배관의 설계 및 시공상의 주의점을 옳지 않은 것은?
27. 다음의 옥내소화전방수구의 설치에 관한 기준내용 중 ( )안에 알맞은 것은?
28. 다음은 펌프의 구경(흡입관경) 산정식이다. 이 식에서 Q가 의미하는 것은?
29. 급탕인원 200명인 아파트의 1일당 최대 예상 급탕량은 얼마인가? (단, 1인 1일당 급탕량은 150L/d∙인으로 한다.)
30. 최고 사용압력 3.04MPa, 인장강도 3.8MPa인 압력 배관용 강관의 스케줄 번호는? (단, 안전율은 5 이다.)
31. 다음 중 사이폰 트랩이 아닌 것은?
32. 어느 배관에 접속관경이 15mm인 위생기구 4개가 연결될 때, 이 배관의 관경으로 가장 적절한 것은?
33. 다음 중 간접배수로 하여야 하는 기구는?
34. 다음 중 오수정화시설에서 유량조정조를 설치하는 이유와 가장 관계가 먼 것은?
35. 다음의 스프링클러설비의 가압송수장치와 관련된 기준 내용 중 ( )안에 알맞은 것은? (단, 전동기 또는 내 연기관에 따른 펌프를 이용하는 가압송수장치인 경우)
36. 고가탱크방식에서 최상층의 수압을 확보하기 위해 물탱크 높이를 올리려고 한다. 최상층 수전에서 고가탱크 최저 수위까지의 최저 높이는? (단, 최상층 수전의 필요 수압은 70KPa, 배관의 마찰손실은 1m 이다.)
37. 다음 중 일반적으로 1인당 1일 평균 급수 사용량이 가장 많은 건물은?
38. 통기관 배관에서 바닥 밑 횡주 통기배관을 금하는 가장 주된 이유는?
39. 양수량이 500L/min 이고, 펌프의 양정이 50m일 때 펌프의 소요동력은? (단, 펌프의 효율은 45% 이다.)
40. 가스계량기의 설치위치에 관한 설명으로 옳지 않은 것은?
3과목: 공기조화설비
41. 아네모스탯형 취출구에 관한 설명으로 옳지 않은 것은?
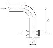
42. 건구온도 및 습구온도에 관한 설명으로 옳은 것은?
43. 공기조화방식 중 팬코일 유닛방식에 관한 설명으로 옳은 것은?
44. 다음과 같은 덕트의 배치에서 엘보와 취출구간의 이격거리로서 옳은 것은? (단, 엘보는 베인이 없는 것으로 한다.)
45. 공조기의 예열기가 하는 역할은?
46. 공기조화배관의 배관회로방식 중 개방회로방식에 관한 설명으로 옳지 않은 것은?
47. 원심펌프에서 다단펌프를 사용하는 가장 주된 이유는?
48. 다음과 같은 조건에서 실의 환기량이 2,500m3/h인 경우, 환기에 의한 잠열부하는?
49. t1=10℃인 습공기 1,000m3/h를 t2=28℃까지 가열할 경우, 가열량은? (단, 공기의 비열은 1.01kJ/kg ㆍ K, 밀도는 1.2kg/m3이다.)
50. 다음 중 사용 유체가 증기인 경우 배관용 재료로 주로 사용되는 것은?
51. 다음 중 실내 현열비(Sensible Heat Factor)가 가장 클 것으로 예상되는 실은? (단, 기타 조건은 동일한 것으로 가정한다.)
52. 다음의 공기조화방식 중 전수방식에 속하는 것은?
53. 대학교 강의실의 구조체 손실열량이 20,000W이고, 환기에 의한 손실열량이 3,000W이다. 이 강의실에 증기 난방을 공급할 경우 필요한 주철제 방열기의 상당방열면적(EDR)은? (단, 표준상태이며, 주철제 방열기의 표준방 열량은 756W/m2이다.)
54. 실내를 항상 정압(+) 상태로 유지할 수 있어서 오염된 공기의 침입을 방지하고, 연소용 공기가 필요할 경우 적합한 환기법은?
55. 다음의 흡입구 중 바닥에 설치하기 가장 적당한 것은?
56. 다음 중 외부존의 공조 조닝의 종류에 속하는 것은?
57. 증기트랩 중 벨로즈식 트랩에 관한 설명으로 옳지 않은 것은?
58. 다음은 공기조화기와 주위 덕트 구성을 나타낸 것이다. Ⓐ와 같이 설치되는 기기는?
59. 냉동기에 관한 설명으로 옳은 것은?
60. 보일러의 상용출력을 가장 올바르게 표현한 것은?
4과목: 건축설비관계법규
61. 건축물에 설치하는 지하층의 구조 및 설비에 관한 기준 내용으로 옳지 않은 것은?
62. 건축물의 에너지절약 설계기준에 따른 용어의 정의 가 옳지 않은 것은?
63. 건축물의 내부에 설치하는 피난계단의 구조에 관한 기준 내용으로 옳지 않은 것은?
64. 다음은 건축설비 설치의 원칙에 관한 기준 내용이다. ( )안에 알맞은 것은?
65. 방염대상물품에 요구되는 방염성능기준으로 옳지 않은 것은?
66. 건축물의 거실(피난층의 거실은 제외)에 국토교통부령으로 정하는 기준에 따라 배연설비를 설치하여야 하는 대상 건축물에 속하지 않는 것은?
67. 다음의 소방시설 중 소화활동설비에 속하지 않는 것은?
68. 다음 중 방화구조에 속하지 않는 것은?
69. 다음은 거실등의 방습에 관한 기준 내용이다. ( ) 안에 알맞은 것은?
70. 6층 이상의 거실면적의 합계가 10,000m2인 병원에 설치하여야 하는 승용승강기의 최소 대수는? (단, 8인승 승용승강기의 경우)
71. 건축물에 설치하는 굴뚝의 옥상 돌출부는 지붕면으로부터의 수직거리를 최소 얼마 이상으로 하여야 하는가?
72. 건축물의 에너지절약 설계기준에 따른 건축부문의 권장사항으로 옳지 않은 것은?
73. 다음 중 건축허가 등을 함에 있어서 행정기관이 미리 소방본부장 또는 소방서장의 동의를 받아야 하는 건축물 등의 범위에 속하는 것은?
74. 건축물의 에너지절약 설계기준상 다음과 같이 정의 되는 용어는?
75. 다음은 점검결과보고서의 제출에 관한 기준 내용이다. ( )안에 알맞은 것은?(관련 규정 개정전 문제로 여기서는 기존 정답인 4번을 누르면 정답 처리됩니다. 자세한 내용은 해설을 참고하세요.)
76. 다음은 제연설비를 설치하여야 하는 특정소방대상물에 관한 기준 내용이다. ( )안에 알맞은 것은?
77. 건축물의 출입구에 설치하는 회전문은 계단이나 에스컬레이터로부터 최소 얼마 이상의 거리를 두어야 하는가?
78. 다음은 스프링클러설비를 설치하여야 하는 특정소방대상물에 관한 기준 내용이다. ( )안에 알맞은 것은?
79. 건축법령상 위락시설에 속하지 않는 것은?
80. 피난층이 있는 비상용 승강기 승강장의 출입구로부터 도로 또는 공지에 이르는 거리는 최대 얼마 이하이어야 하는가?