1과목: 디지털전자회로
1. 다음과 같은 논리 다이아그램을 논리식으로 표시하면?




"이다. 이유는 논리 다이어그램에서 A, B, C, D가 모두 참일 때만 결과가 참이 되기 때문이다. "
"은 A, B, C, D가 모두 참일 때 참이 되는 논리식이다.2. 가청주파수 증폭기에서 부궤환 회로를 사용하는 목적을 설명한 것 중 적합하지 않은 것은?
3. 다알링톤(Darlington)회로의 설명으로 틀리는 것은?
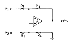
4. 다음 연산증폭회로에서 출력전압 eo 를 구하는 식은? (단, R1 = R3, R2 = R4 이다.)



"이다.5. 트랜지스터의 콜렉터 누설전류가 주위온도의 변화로 15[㎂]에서 150[㎂]로 증가되었을 때 콜렉터 전류는 9[㎃]에서 9.5[㎃]로 변하였다. 이 트랜지스터의 안정계수 S는 약 얼마인가?
6. Flip-Flop 과 관계가 없는 것은?
7. 전파정류회로의 최대효율은 약 몇[%]인가?
8. 반송파전압 ec = Ec cos(wct + θ)를 신호전압 es = Es cos wst 로 진폭변조시 피변조파의 상측파대의 진폭은? (단, ma : 변조도)
9. 2진 비교기의 구성요소를 맞게 설명한 것은?
10. 트랜지스터를 증폭작용에 이용할 경우의 동작상태는?
11. 동조형 공진결합 증폭기에서 대역폭 B를 넓게 하는 방법은?
12. 다음은 반가산기(Half Adder)의 블록도이다. 출력단자 S(sum) 및 C(carry)에 나타나는 논리식은?




" 이다.
"은 A와 B를 더한 값이 아니라 A와 B의 차이를 나타내는 것이고, "
"은 A와 B를 더한 값에서 C를 더한 것이므로 반가산기의 출력에 해당하지 않는다. "
"는 A와 B를 더한 값에서 C를 뺀 것이므로 반가산기의 출력에 해당하지 않는다.13. 다음 논리식 중 틀린 것은?
14. 하틀레이 발진기에서 궤환요소는?
15. 다음 회로의 논리 출력식으로 옳은 것은?


"은 AND 게이트의 출력이 참일 때 OR 게이트의 출력도 참이 되므로, 입력 AB, CD, EF가 모두 참일 때 출력이 참이 되는 조건을 나타내므로 옳은 논리 출력식입니다.16. 다음 중 Schmitt trigger 회로의 특성으로 옳은 것은?
17. 다음과 같은 회로에 정현파 입력 신호를 가했을 때 출력파형은? (단, 다이오드 순방향 저항 Rf = 0)




" 이다.18. 다음 논리식을 간단히 하면?


19. 다음 회로중 미분 회로는 어느 것인가?




" 이다. 이 회로는 오른쪽에 있는 전압을 미분하여 출력한다. 이를 위해 입력 전압이 콘덴서를 통해 흐르면서 미분되고, 이를 저항을 통해 출력으로 전달한다. 다른 회로들은 각각 적분, 증폭, 필터 회로이다.20. 10진수 25를 2진수로 옳게 나타낸 것은?
2과목: 정보통신기기
21. 협대역 ISDN의 사용자 망의 설명으로 옳지 않은 것은?
22. 다음에서 비디오 텍스의 표준화 방식이 아닌 것은?
23. 실제로 전송할 데이터가 없는 단말에도 부채널을 할당하여 발생하는 대역폭의 낭비를 없앨 수 있는 다중화 방식은?
24. 전화 가입자의 회선을 전부 교환기에 집중시켜 놓고 가입자의 접속 희망에 따라 교환 접속하도록 하는 교환기의 기본 기능에 해당하지 않는 것은?
25. 다음 중 무선수신기에서 AGC회로의 주된 작용은?
26. 데이타 전송에서 디지틀 신호를 전송회선에 적합한 아날로그 신호로 변환시켜 주는 장치는?
27. 변복조기(MODEM)와 데이터터미널장치(DTE)간의 신호로서 DTE가 데이터를 모뎀쪽으로 보낼 수 있도록 변복조기에게 허가를 원하는 신호는?
28. 다음 중 기간 전화 서비스(POTS)를 위협하는 새로운 기술로 등장한 것으로서 PC와 PC, PC와 전화간의 음성 통화를 지원할 수 있는 기술은?
29. 데이터 전송회선과 컴퓨터설비간에 전기적 인터페이스를 하고 문자의 조립과 분해를 하는 장치는?
30. 다음 중 TV의 주사방식 설명이 옳은 것은?
31. 전화기의 구성중 송화기의 특수 현상에 대해 나열한 것 중 틀린 것은?
32. 이동통신 시스템에서 다원접속기술인 CDMA의 장점이 아닌 것은?
33. PCM(Pulse Code Modulation) 방식의 장점은?
34. 게이트웨이로 유입되는 인터넷의 프레임을 목적지로 보내는 장치로서 프레임 경로를 제어할 수 있는 기기는?
35. 텔레텍스트의 기술적 특성이 아닌 것은?
36. 지구 전체(극 지방 제외)를 커버하기 위해 필요한 최소의 위성 수는?
37. 다음 중 종이 위에 쓰여진 문자를 반사광을 이용하여 인식하는 입력장치의 이름은?
38. 전화기의 송화기는 음성신호를 전기신호로 변환하는 장치이다. 송화와 밀접한 관계가 있는 것은?
39. 특정자 상호간만을 연결한 텔레비젼에 의한 통신 시스템으로서 호텔, 병원, 학교 등 특정대상의 관찰을 목적으로 하는 것은?
40. 데이터 입력장치 중 키보드에 의하지 않고 도표나 그림 등을 직접 컴퓨터에 입력시키는 것은?
3과목: 정보전송개론
41. 정보를 전송하기 위한 5단계중 4단계는?
42. 전송효율을 최대로 하기 위해서 프레임의 길이를 동적으로 변경시킬 수 있는 방식은?
43. 그림의 베이스 대역(Base band)전송방식은?
44. 일반적인 메시지 블록의 형태중 BCC(Block check character)의 체크 범위가 아닌 것은?
45. 헤테로다인 중계 방식이란?
46. 신호점의 배치도가 다음 그림과 같이 주어지는 디지틀 변조 방식은?
47. 반송파로 아날로그 신호를 ON-OFF 하는 방식으로 전송대역을 유효하게 이용할 수 있으며 비동기 전송이 가능한 이점을 가진 변조방식은?
48. 반송파 전송에 대해 알맞는 설명은?
49. 통신 시스템간의 대화를 제어하는 기능을 담당하는 계층은?
50. 다음과 같은 조건을 갖는 전송회선의 에러비트수는? (단, 속도=9600bps, 시간=15분, 에러율=5×10-5비트/초)
51. 다음 중 광통신 시스템 특유의 잡음은?
52. 마이크로파 통신에서 페이딩에 의한 전송품질의 저하를 방지하기 위해 사용하는 것은?
53. DPCM에 대한 다음 설명중 잘못된 것은?
54. 1200 보오(baud)의 전송속도를 갖는 전송선로에서 신호 비트가 트리비트(tribit)이면 전송속도는 몇 bps인가?
55. 광통신의 특징을 기술한 것은?
56. HDLC 순서의 프레임을 구성하는 요소가 아닌 것은?
57. 병렬 전송의 특징으로 옳은 것은?
58. FDM에서 채널간 사용되지 않는 부분은 ?
59. 보기에 최근에 많이 사용되고 있는 xDSL 관련 기술을 열거하였다 이중에 상, 하향 속도가 같은 대칭적인 전송 서비스가 가능한 기술만을 바르게 나타낸 것은?
60. 다중화 방식의 설명중 옳은 것은?
4과목: 전자계산기일반 및 정보설비기준
61. 정보화사회의 촉진을 위한 전기통신 기본계획의 수립·공고권자는?
62. 정보통신부장관은 전기통신역무의 효율적 제공을 위하여 필요한 경우 전기통신사업자간의 업무영역을 조정할 수 있다. 다음 중 전기통신 업무영역의 조정기준으로 틀린 것은?
63. 정보통신공사업 관련 법령에서 정한 공사의 종류에 해당하지 않는 것은?
64. 정보통신공사업법령에 근거한 감리원의 업무범위에 해당되지 않는 것은?
65. 다음의 오퍼랜드 어드레스 방식 중에서 기억장치를 두 번 읽어야 원하는 데이터를 얻을 수 있는 방식?
66. 정보화촉진등에 관한 사항을 심의하기 위하여 누구의 소속하에 정보화추진위원회를 두고 있는가?
67. 정보통신망에 관련된 기술기준의 제정목적으로 적합하지 않은 것은?
68. 다음 중 Unary 연산이 아닌 것은?
69. 전송설비나 선로설비에 전력유도방지 조치를 하여야 하는 상시 유도위험종전압의 제한치는?
70. 다음 중 어느 것에서 직접 연산이 수행되는가?
71. 64비트 마이크로프로세서에서 데이터 버스(data bus)는 몇 개의 선으로 구성되어 있는가?
72. 컴퓨터 등 정보처리능력을 가진 장치에 의하여 전자적인 형태로 작성되어 송.수신 또는 저장된 문서형식으로 표준화된 것은?
73. 2진수 1001의 1의 보수에 해당하는 것은?
74. 서브루틴의 호출에 이용되는 자료구조는?
75. 디지털 컴퓨터에 대한 설명이 아닌 것은?
76. 마이크로 컴퓨터에서 각 구성 요소간의 데이터 전송에 사용되는 공통의 전송로는?
77. 사용자(end user)가 작성한 프로그램을 무엇이라 하는가?
78. 다음 중 현재 전기통신관계법령에 속하지 않는 것은?
79. 전기통신설비의 기술기준에서 정의한 강전류전선이란?
80. 다음 중 가장 저급 수준의 프로그램 언어는?