1과목: 디지털전자회로
1. 변조도 60[%]인 진폭변조 회로에서 반송파의 평균출력이 300[㎽]일 때 피변조파의 평균 출력은?
2. 미분회로에 삼각파를 입력했을 때 출력파형은?
3. 다음 중 레지스터(register)의 기능은?
4. 그림과 같은 회로의 명칭은?
5. 시간폭과 진폭이 일정한 펄스의 시간적 위치를 신호파의 파형에 대응하여 변화시키는 펄스 변조방식은?
6. 연산 증폭기(OP Amp)의 특징으로서 맞는 것은?
7.
를 간단히 하면?




"는 분자와 분모가 각각 4인 분수를 나타내므로, "
"가 정답이다.8. 쌍안정 멀티바이브레이터의 결합저항에 병렬로 부가한 콘덴서의 사용 목적은?
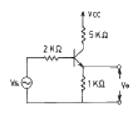
9. 다음 회로의 출력전압은 얼마인가?
10. 다음에 열거한 인터페이스의 종류 중에서 회선의 개수가 많지만 속도가 가장 빠른 인터페이스는?
11. 회로내의 분포용량, 표유 인덕턴스 또는 회로 정수의 불평형에 의하여 증폭하려는 주파수와 다른 주파수간에 발진이 생기는 현상은?
12. 반가산기(Half-adder)의 구성 요소로 맞는 것은?
13. 그림과 같은 회로에서 입력임피던스의 근사값은? (단, 입력임피던스는 TR의 베이스와 접지간을 의미하며, TR의 hie = 1[㏀], hfe = 50 이다.)
14. 다음과 같은 NOR GATE로 구성된 기본적인 플립-플롭회로에 서 S=1, R=0 인 상태일 때 Q, Q'의 상태는?
15. 다음 카아르노프도의 간략식은?


16. 다음 회로에서 Re의 값과 관계가 없는 사항은? (단, 출력전압 및 전류는 콜렉터측임)
17. FET를 사용한 이상(phase shift) CR발진기에서 발진을 지속하기 위해 FET의 증폭도는 최소 얼마 이상이어야 하는가?
18. RC결합 저주파 증폭회로의 이득이 낮은 주파수에서 감소되는 이유는?
19. 제너 다이오드를 주로 사용하는 회로는?
20. 그림과 같은 게이트 회로의 명칭은?
2과목: 정보통신기기
21. 전자교환 시스템의 통화로 단말회로의 공통된 기능이 아닌 것은?
22. 컴퓨터시스템에 입력시키고 그 결과를 사람의 음성으로 출력시켜서 인간에게 전달하는 음성입출력장치 중에서 직접적으로 음성파형을 만드는 장치는?
23. CCTV(폐쇄회로 TV)의 특성을 설명한 내용이 아닌 것은?
24. DTE와 디지털 데이터 교환 회선망을 접속하기 위한 DSU의 기능에 알맞지 않은 것은?
25. 위성통신의 특징이 아닌 것은?
26. 주파수 분할 다중화기에서는 다중신호는?
27. 문자나 도형을 입력하기 위하여 평면 모양으로 구성된 입력면내를 지시 펜으로 지시함으로서 그 위치 정보를 입력할 수 있는 입력기기는?
28. 일반적인 무선송신기의 기본적인 구성을 가장 옳게 나타낸 것은?
29. TV 방송전파를 이용하여 TV 방송과 함께 문자 또는 도형 형태의 정보를 제공하는 정보통신 서비스는?
30. CATV의 특징 중 옳은 것은?
31. 고속 동기식 모뎀과 시분할 다중화기를 하나의 장비로 만든 것으로 모뎀의 최대 전송 속도 이내에서 각 포트가 전송속도를 나누어 사용할 수 있는 모뎀은 무엇인가?
32. 디지탈신호 재생중계기의 기능에 해당되지 않는 것은?
33. 검색형 AV(Audio Visual)분류에서 상호 정보 교환을 취급하는 것은 AVI서비스시스템인데, 다음 중 AVI시스템이 취급하는 미디어 종류를 맞게 연결한 것은?
34. 다음 중 멀티미디어 시스템을 만들 때 고려할 사항으로 관계가 적은 것은?
35. 정보단말기로서 휴대전화기능, 휴대형 컴퓨터기능, 팩스기능, 전자수첩기능을 갖춘 단말기는?
36. 변복조기 공동이용기와 선로공동이용기에 대한 설명 중 옳은 것은?
37. 수신기의 성능을 측정하는 변수가 아닌 것은?
38. 이동 통신 망의 주요 기능인 위치 등록이 수행 되는 경우가 아닌 것은?
39. 다음은 문자표시 단말장치중 CRT 단말기의 4가지 기본적인 용도를 설명한 것이다. 용도와 거리가 먼 것은?
40. ATM교환방식의 설명중 옳지 않은 것은?
3과목: 정보전송개론
41. 전송제어의 5단계 중 4단계는?
42. 중계선로의 잡음레벨을 측정한 결과 잡음전압이 0.02[V]이고, 통화전압이 2[V]라면 신호대 잡음비는 얼마인가?
43. 전송제어 문자의 설명이 틀린 것은?
44. 최근에 많이 사용되고 있는 xDSL 관련 기술을 보기에 열거하였다. 이중에 상, 하향 속도가 같은 대칭적인 전송서비스가 가능한 기술만을 바르게 나타낸 것은?
45. PCM 변환과정을 올바르게 나타낸 것은?
46. 다음 그림의 전송방식은?
47. 전송로에서 사용되는 재생중계기의 3R 기능이 아닌 것은?
48. 균일 양자화 PCM 에서 양자화를 위한 비트를 1개씩 추가할 때마다 개선되는 신호대 양자화 잡음전력비는 몇[dB]씩 개선되는가?
49. 우수 패리티를 가진 해밍 코우드에서 착오는 몇번 행에 있는가?
50. 전송 기술에 대한 분류가 잘못된 것은?
51. OSI-7 통신 프로토콜의 각 계층별 설명 중 잘못된 것은?
52. 신호대 잡음의 비가 15이고, 대역폭이 3400[Hz]라고 하면 통신용량은 몇[bps]인가?
53. HDLC 프로토콜에서 사용되는 국(station)의 이름을 바르게 나타낸 것은?
54. 동축케이블에서 가장 감쇠를 적게 하기 위해서는 내부도체의 외경(d)과 외부도체의 내경(D)과의 비(ratio) D/d의 값을 얼마로 만드는 것이 가장 좋은가?
55. 다음 디지털 변조 방식중 가장 빠른 데이터 전송에 적용될 수 있는 방식은?
56. 발광소자에서 파장이 다른 광신호를 광결합기로 결합하여 전송하고 광분파기로 분리하는 다중화방식은?
57. 전송로에 디지탈 신호를 양극 부호펄스 형태로 전송 시키는 가장 큰 이유는?
58. 단일모드 광섬유(single mode fiber)에 대한 다음 설명 중 틀린 것은?
59. 다음 PSK(Phase Shift Keying)방식의 특징에 대한 설명 중 틀린 것은?
60. 이동통신의 채널에서 일어나는 현상이 아닌 것은?
4과목: 전자계산기일반 및 정보설비기준
61. 다음 중 컴퓨터에서 뺄셈 연산 수행시 주로 사용되는 것은?
62. 기억장치에 정보를 기억시키거나 기억된 내용을 읽어내는데 소요되는 시간은?
63. 다음 중 중앙처리장치의 개입없이 기억장치와 외부장치간에 직접 자료를 전달할 수 있는 것은?
64. 다음 중 고급언어로 쓴 프로그램을 기계어로 처리할 수 있는 Code 의 프로그램으로 번역하기 위한 Program은?
65. 캐시 메모리를 사용하는 이유로 가장 타당한 것은?
66. 컴퓨터 시스템에서 보통 0-주소, 1-주소, 2-주소, 3-주소로 분류할 때 기준이 되는 것은?
67. 2진수 1001의 1의 보수에 해당하는 것은?
68. 2개 이상의 프로그램을 단일 계산기에서 동시에 실행하는 방법을 무엇이라 하는가?
69. 블록과 블록 사이를 구분 짓는 공백은?
70. 32비트로 2의 보수법을 사용하여 표현할 때 최대로 표현할 수 있는 양수의 범위는?
71. 통신용 관로의 매설시 가스관 등 다른 매설물과의 간격을 얼마 이상으로 유지하여야 하는가?
72. 다음 중 전기통신사업법의 가장 적합한 설명은?
73. 전기통신설비 및 전기통신 기자재에 관한 기술기준은 어느 법령에 규정함을 원칙으로 하는가?
74. 정보통신부장관으로부터 전기통신에 관한 표준화 업무를 위탁받은 기관은?
75. 다음 중 정보통신정책심의위원회의 심의대상 주요정책이 아닌 것은?
76. 정보통신공사업자 이외의 자가 시공할 수 없는 공사는?
77. 다음 중 정보통신공사업법령에 의한 정보통신공사가 아닌 것은?
78. 다음 중 비트오율을 바르게 설명한 것은?
79. 기간통신사업자가 전기통신설비의 설치와 보전시 필요한 토지 등의 일시 사용기간은?
80. 우리나라의 전기통신에 관한 사항의 관장은 누가 하는가?
반송파의 평균 출력이 300[㎽]이므로, 반송파의 최대 출력은 600[㎽]가 됩니다.
피변조파의 최대 출력은 최대 진폭의 제곱을 반송파의 최대 출력으로 나눈 후 2를 곱한 값입니다. 따라서,
피변조파의 최대 출력 = (1.2V)^2 / 600[㎽] * 2 = 354[㎽]
따라서, 정답은 "354[㎽]"입니다.