1과목: 디지털전자회로
1. B급 푸시풀 전력증폭기(push-pull power amp)에서 제거되는 것은?
2. 병렬전압 궤환 증폭기의 입력 임피던스는 궤환이 없을 때와 비교하면?
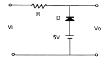
3. 그림과 같이 입력측 Vi에 진폭이 8[V]인 정현파를 가했을 때 출력파형(Vo)은?




4. 아래와 같은 4변수 카르노도를 간략화 했을 때 논리식은?




5. 다음 중 클리퍼 회로의 설명으로 옳은 것은?
6. 하틀리(Hartley)형 발진회로에서 콜렉터와 이미터간의 리액턴스는?
7. 다음 중 FM 검파기의 종류가 아닌 것은?
8. 다이오드를 사용한 정류회로에서 과부하전류에 의하여 다이오드가 파손될 우려가 있을 경우 이를 방지하기 위한 방법으로 가장 적합한 것은?
9. 다음 그림과 같은 연산회로의 명칭은?
10. 3개의 T 플립플롭이 직렬로 연결되어 있다. 첫 단에 1000[Hz]의 입력신호를 인가하면 마지막단 플립플롭의 출력신호는?
11. 그림과 같은 연산 증폭기의 출력전압 Vo는? (단, R1=2[MΩ], R2=1[MΩ], C1=1[μF])




12. LC 동조 발진기에 비해 수정 발진기의 특징에 대한 설명으로 틀린 것은?
13. Diode 직선검파 회로에서 변조도 62[%], 진폭 10[V]인 피변조파(AM)가 인가되었을 때 출력 부하에 나타나는 실효치는? (단, 검파효율은 73[%]이다.)
14. 다음 중 단상 전파 정류회로의 무부하시 정류효율(η)은?
15. 오실로스코프를 이용하여 진폭 변조된 파형을 관측한 결과 최대진폭이 8[V]이고 최소진폭이 2[V]로 측정되었다면 변조도(m)은?
16. 그림과 같은 증폭회로에서 출력전압 Vo는?
17. 다음의 논리함수를 간략화한 결과는?



18. 트랜지스터의 스위칭 동작에서 turn-off 시간은?
19. 진폭변조에서 신호파 xs(t)=4 cos 2πfst, 반송파 xc(t)=5 cos 2πfct 로 주어질 때 피변조파 x(t)를 나타낸 것은?
20. 중심 주파수가 455[kHz]이고, 대역폭이 10[kHz]가 되는 단동조 회로를 만들려면 이 회로의 Q는?
2과목: 정보통신기기
21. 위성통신에서 사용하는 다원접속 방식이 아닌 것은?
22. CATV의 구성요소 중 각 채널의 방송신호를 중계전송망으로 송출하기 위한 센터의 핵심 역할을 하는 것은?
23. ITU-T X 시리즈 권고 인터페이스 규약 중 X.21에 해당하는 것은?
24. 다음 중 PBX(Private branch exchange)의 기능과 밀접한 것은?
25. 다음 중 송신기의 성능지수에 해당하는 것은?
26. PCM(Pulse Code Modulation)에 대한 설명으로 틀린 것은?
27. DTE와 DCE 간의 인터페이스 특성 중 전기적인 특성에 관한 것은?
28. 뉴미디어를 방송계, 통신계, 패키지계로 구분할 때 통신계에 해당하지 않은 것은?
29. CATV의 센터설비에서 헤드엔드의 주요 기능과 거리가 먼 것은?
30. 이동통신 시스템의 구성 요소 중 이동전화 교환국의 기능이 아닌 것은?
31. 비디오텍스의 기술방식에서 점, 선, 호, 원, 다각형과 같은 기하학적 요소의 조합에 의해 표현되는 방식은?
32. 다음 중 쌍방향 CATV의 응용분야와 가장 거리가 먼 것은?
33. 고속의 데이터 스트림을 두 개 이상의 저속 데이터 스트림으로 변환하여 음성대역 등의 변복조기를 통하여 전송하는 것은?
34. 다음 중 위성통신에서 지구국 안테나계의 성능지수란?
35. 디지털 신호를 아날로그 전송회선에 전송 가능하도록 변환시켜주는 것은?
36. NTSC식 TV에서 영상신호와 음성신호의 변조방식은?
37. 다음 중 문자다중 방송을 의미하는 것은?
38. 다음 중 EIA/RS-232C 25핀 커넥터의 접속핀 규격이 틀린 것은?
39. 다음 전송장비 중 다중화장비의 특징이 아닌 것은?
40. 다음 중 전(全)전자 교환기에서 가입자선 정합부의 기능이 아닌 것은?
3과목: 정보전송개론
41. 표본화를 할 때, 오차가 발생하는 원인이 아닌 것은?
42. 표본화 주파수가 높은 의미와 관련없는 것은?
43. 정보전송 중 오류가 발생한 데이터 프레임만을 재전송하는 방식은?
44. 다음 중 예측 양자화를 사용하지 않는 것은?
45. 광섬유의 굴절률이 전파하는 광의 파장에 따라 변화함으로써 생기는 분산은?
46. 선로의 사용 주파수가 높아지면 나타나는 현상이 아닌 것은?
47. 다음 중 CDMA 시스템 설계시 용량을 증가시키기 위한 방법이 아닌 것은?
48. 다음 중 STM-64의 광 정보 전송율은?
49. 다음 중 파장이 가장 짧은 주파수 대역은?
50. 다음 중 HDLC 프레임 구조에 포함되지 않는 것은?
51. 광섬유에서 전파하는 파장이 산란체에 의하여 산란되는 것으로 공진산란이라고도 하는 것은?
52. 1200[baud]의 변조속도를 갖는 전송선로에서 신호 비트가 트리비트(tribit)이면, 전송속도[bps]는?
53. 다음 중 비연결형 전달계층 프로토콜에 해당되는 것은?
54. 다음 중 가장 빠른 속도로 데이터를 전송할 수 있는 변조방식은?
55. 다음 중 CRC-16 생성다항으로 적합한 것은?
56. 다음 중 DTE에서 사용되는 디지털 신호를 아날로그 전송회선에 전송 가능하도록 하는 것은?
57. 다음 중 CDMA 이동통신에 이용되는 대역확산 방식이 아닌 것은?
58. 비동기식 전송과 동기식 전송에 대한 설명으로 옳지 않은 것은?
59. 광전송 시스템에서 광섬유를 통하여 전송된 광을 수신하기 위한 수광 소자에 해당하는 것은?
60. ADSL 인터넷 회선에서 가장 큰 주파수 대역을 사용하는 것은?(오류 신고가 접수된 문제입니다. 반드시 정답과 해설을 확인하시기 바랍니다.)
4과목: 전자계산기일반 및 정보설비기준
61. 다음은 NOR 게이트 진리표이다. 출력 X의 a, b, c, d 값으로 옳은 것은?
62. 10진수 -800을 팩(packed) 10진수 형식으로 바꾼 것은?
63. 전자계산기의 기본 논리회로는 조합 논리회로와 순서 논리회로로 구분된다. 이중 조합 논리회로에 해당되는 것은?
64. 기억장치에 정보를 기억시키거나 기억된 내용을 읽어내는데 소요되는 시간은?
65. 다음 중 인터럽트와 관련이 없는 것은?
66. 4개의 3×8 디코더(enable 입력 가짐)와 1개의 2×4 디코더로서 5×32 디코더를 설계하고자 할 때 필요한 입력의 개수와 enable의 수는?
67. 인출 사이클(fetch cycle)에 해당되지 않는 것은?
68. 교착상태를 예방하기 위한 프로세스 수행 전에 모든 자원을 할당시켜주고, 자원이 점유되지 않은 상태에서만 자원을 요구할 수 있도록 하는 것은 교착상태의 필요충분조건 중 어떤 조건을 제거하기 위한 것인가?
69. 원시 프로그램을 현재 수행중인 기종이 아닌 다른 기종에 맞는 기계어로 번역하는 것은?
70. 8비트 메모리 워드에서 비트패턴 (1110 1101)2는 "① 부호있는 절대치(signed magnitude), ② 부호와 1의 보수, ③ 부호와 2의 보수"로 해석될 수 있다. 각각에 대응되는 10진수를 순서대로 나타낸 것은?
71. 사업자의 교환설비로부터 이용자 방송통신설비의 최초의 단자에 이르기까지의 사이에 구성되는 회선은?
72. 정보통신공사업을 영위하고자 할 경우의 절차로 옳은 것은?(관련 규정 개정전 문제로 여기서는 기존 정답인 3번을 누르면 정답 처리됩니다. 자세한 내용은 해설을 참고하세요.)
73. 방송통신위원회가 전기통신설비에 관한 전기통신 기본계획을 수립하고자 하는 경우, 미리 누구와 협의하여야 하는가?
74. 정보통신공사에 대한 감리원의 업무범위에 해당되지 않는 것은?
75. 방송통신을 행하기 위하여 계통적ㆍ유기적으로 연결ㆍ구성된 방송통신설비의 집합체를 말하는 것은?
76. 전송설비의 기기 오동작 유도종전압이 얼마를 초과하거나 초과할 우려가 있는 경우에 전력유도 방지조치를 하여야 하는가?
77. 다음 중 기간통신사업을 경영하고자 할 때 절차로 옳은 것은?
78. 다음 중 정보통신공사업의 등록을 할 수 없는 자는?
79. 정보통신공사업자 외의 자가 시공할 수 있는 경미한 공사의 범위가 아닌 것은?
80. 정보통신공사 발주자는 누구에게 공사의 감리를 발주하여야 하는가?