1과목: 임의구분
1. 배수관 및 통기관의 배관 완료 후 또는 일부 종료 후 각기구 접속구 등을 밀폐하고, 배관 최상부에서 배관 내에 물을 가득 채운 상태에서 누수의 유무를 시험하는 것은?
2. 집진장치 덕트 시공에 대한 설명으로 옳지 않은 것은?
3. 가스배관 시공에 있어서 가스계량기에서 중간밸브 사이에 이르는 배관은 무엇인가?
4. 압축기로 공기를 밀어 넣고 송급기(feeder)에서 운반물을 흡입해서 공기와 함께 수송한 다음 수송관 끝에서 공기와 분리하여 외부에 취출하는 기송배관 형식은?
5. 배수 통기배관의 시공상 주의사항으로 옳은 것은?
6. 장치의 운전을 정지시키지 않고 유체가 흐르는 상태에서 고장을 수리하는 것으로 바이패스를 시키거나 분기하여 유체를 우회 통과시키는 응급조치방법은?
7. 압축 공기 배관의 부품에 들어가지 않는 것은?
8. 가스배관에서 가스공급시설 중 하나인 정압기에 관한 설명으로 옳은 것은?
9. CAD 시스템을 이용하여 형상을 정의하기 위하여 공간상의 점을 정의하는 방법이 아닌 것은?
10. 다음 중 방화조치로 적당하지 않은 것은?
11. 배관 시공시 안전 수칙으로 옳지 않은 것은?
12. 다음 중 보일러의 제어장치에 포함되지 않는 것은?
13. 다음 중 시퀀스 제어의 분류에 속하지 않는 것은?
14. 배관재의 종류에 따른 지지간격이 옳지 않은 것은?
15. 보일러의 수위제어 방식 중 3요소식에서 검출하는 요소가 아닌 것은?
16. 급탕설비에서 간접 가열식 중앙 급탕법에 관한 설명으로 옳지 않은 것은?
17. 펌프의 종류 중 고양정, 대유량용으로 유체를 이송시키는데 가장 적합한 터보형 펌프는?
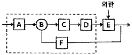
18. 그림과 같은 자동제어의 블록선도(block diagram) 중 A, C, D, F의 제어요소를 순서대로 배열한 것은?
19. 아크용접 작업시의 주의사항으로 적당하지 않은 것은?
20. 아세틸렌가스의 폭발하한계와 폭발상한계 값으로 옳은 것은?
2과목: 임의구분
21. 동관 이음쇠의 한 쪽은 안쪽으로 동관이 삽입 접합되고 다른 쪽은 암나사를 내며, 강관에는 수나사를 내어 나사이음하게 되는 경우에 필요한 동합금 이음쇠는?
22. 다음 중 유체의 흐름에 저항이 적고, 침식성의 유체에 대해서도 유체통로 속만을 내식성 재료로 하여 산 등의 화학약품을 차단하는 경우에 가장 적합한 것은?
23. 배관의 상하 이동에 관계없이 추를 사용하여 항상 일정한 하중으로 관을 지지하는 행거는?
24. 증기트랩 장착상의 주의사항으로 옳지 않은 것은?
25. 타르 및 아스팔트 도료에 관한 설명으로 옳은 것은?
26. 닥타일 주철관의 이음 종류가 아닌 것은?
27. 네오프렌 패킹에 관한 설명으로 가장 부적절한 것은?
28. 외경 25mm인 강관으로 흡수해야 할 신축향이 25mm인 루프형 신축곡관을 만들 때 필요한 관의 길이는?
29. 보기의 ()안에 들어갈 수치가 옳은 것은?
30. 비중이 작고 열 및 전기 전도도가 높으며 용접이 가능하며, 고순도의 것일수록 내식성 및 가공성이 좋아지므로 이음매 없는 관과 용접관, 화학공업용 배관, 열교환기 등에 적합한 관은?
31. 밸브에서 고속도 유체의 충격에 의한 기계적인 파괴작용 또는 이에 화학적 부식작용이 수반되어 고체표면의 국부에 심한 손상을 발생하는 현상은?
32. 스테인리스 강관에 관한 설명으로 옳지 않은 것은?
33. 다음 중 사용압력이 0.7N/mm2 정도의 맞은 곳에 사용되며 직관, TS관, 편수컬러관이 있는 관은?
34. 토목, 건축, 철탑, 발판, 지주, 말뚝 등에 많이 쓰이는 강관은?
35. 피복 아크 용접에서 직류 정극성(DCSP)에 관한 특성으로 옳지 않은 것은?
36. 그림과 같이 45° 벤딩을 하고자 한다. 벤딩하여야 할 부분인 “X"로 표시된 파이프 길이는 약 몇 mm인가?
37. 주철관의 소켓 이음에 관한 설명으로 옳은 것은?
38. 폴리부틸렌관 이음방법 중 PB 이음이라도로 하는 이음방법은?
39. 점 용접을 할 때 용접기로 조정할 수 있는 3요소에 해당하는 조건은?
40. 비중 1.2인 유체를 0.067m3/s 유량으로 높이 12m를 올리려면 펌프의 동력은 약 몇 kW가 필요한가? (단, 펌프의 효율은 100%로 가정한다.)
3과목: 임의구분
41. 구리관의 끝 부분을 정확한 지름의 원형으로 만들 때 사용하는 주된 공구는?
42. 10℃의 물 1kg을 100℃의 포화증기로 만드는데 필요한 열량은 약 몇 kJ인가? (단, 물의 비열은 4.19kJ/kgㆍK이고, 물의 증발 잠열은 2256.7kJ/kg이다.)
43. 폴리에틸관의 이음방법에 해당되지 않는 것은?
44. 증발량이 0.54kg/s인 보일러의 증기엔탈피가 2636kJ/kg이고, 급수엔탈피는 83.9kJ/kg이다. 이 보일러의 상당 증발량은 약 얼마인가? (단, 물의 증발잠열은 2256.7kJ/kg이다.)
45. 에이콘 이음(acorn joint)에서 에이콘 파이프의 사용가능 온도로 가장 적합한 것은?
46. 산소 아세틸렌가스 절단시 예열용 불꽃의 세기가 강할 경우의 영향으로 옳지 않은 것은?
47. 원뿔을 방사선 전개법으로 전개하려고 한다. 부채꼴의 중심각(θ)을 바르게 표기한 것은? (단, r은 원뿔의 반지름, l은 원뿔 빗변의 길이이다.)




48. 표준약어의 설명으로 옳지 않은 것은?
49. 다음 평면배관도를 입체배관도로 표현한 것으로 옳은 것은?




50. 다음 중 플러그 용접 기호는?




51. KS B ISO 6412-1(제도-베관의 간략 도시방법)에서 규정하는 선의 종류별 호칭방법에 따른 선의 적용에 관한 연결이 옳지 않은 것은?
52. 다음 도면의 구격 중 A열 규격인 것은?
53. 다음 중 각도 치수선을 표시하는 방법으로 옳은 것은?




54. 다음 계장용 표시 신호의 조작부 기호 중 전동식 기호를 나타낸 것은?




55. np관리도에서 시료군 마다 시료수(n)는 100이고, 시료군의 수(k)는 20, ∑np=77이다. 이 때 np관리도의 관리상한선(UCL)을 구하면 약 얼마인가?
56. 그림의 OC곡선을 보고 가장 올바른 내용을 나타낸 것은?
57. 미국의 마틴 마리에타사(Martin Marietta Corp)에서 시작된 품질개선을 위한 동기부여 프로그램으로, 모든 작업자가 무결점을 목표로 설정하고, 처음부터 작업을 올바르게 수행함으로써 품질비용을 줄이기 위한 프로그램은 무엇인가?
58. 다음 중 단속생산 시스템과 비교한 연속생산 시스템의 특징으로 옳은 것은?
59. 일정 통제를 할 때 1일당 그 작업을 단축하는데 소요되는 비용의 증가를 의미하는 것은?
60. MTM(Method Time Measurement)법에서 사용되는 1 TMU(Time Measurement Unit)는 몇 시간인가?



