1과목: 소음진동개론
1. 음압의 실효치가 0.27N/m2인 음의 음압레벨(SPL)은?
2. 발음원이 이동할 때 그 진행방향 쪽에서는 원래 발음원의 음보다 고음으로, 진행 반대쪽에서는 저음으로 되는 현상을 무엇이라 하는가?
3. 소음의 평가척도에 관한 설명으로 가장 거리가 먼 것은?
4. 음과 관련한 다음 용어 설명 중 가장 적합한 것은?
5. PWL 80dB인 기계 2대와 PWL 85dB인 기계 2대가 동시에 가동될 때 PWL의 합은?
6. 주변이 고정된 얇은 금속원판의 두께를 1mm에서 2mm로, 원판의 반경을 10mm에서 20mm로 하면 기본음의 주파수는 어떻게 변화하겠는가? (단, 기타조건은 일정)
7. 공장내의 지면에 송풍기가 있는데 그 소음이 10m 떨어진 곳에서 68dB이다. 이것을 60dB로 하려면 송풍기를 얼마만큼 더 이동시켜야 하는가?
8. 변동이 심한 소음을 평가하기 위한 등가소음레벨(dB(A))의 표현식으로 옳은 것은? (단, Li:i번째 소음레벨, fi:일정 소음레벨 Li의 지속시간율이며, 소음레벨은 5개 값으로 산출되었음)




9. 다수의 음원이 공간적으로 산재하고 있을 때 그 안에 특정한 음원, 예를 들어 특정인의 음성에 주목하게 되면 여러 음원으로부터 분리되어 특정음만 들리게끔 되는 심리현상을 일컫는 현상으로 가장 적합한 것은?
10. 지표면에 무지향성 점음원으로 볼 수 있는 소음원이 있다. 출력을 원래의 1/2로 하고 거리를 2배로 멀어지게 하면 음압레벨은 원래보다 몇 dB 감소하는가?
11. 벽체의 투과손실이 20dB일 때, 입사음 세기를 1로 하면 투과음 세기는?
12. 무지향성 점음원이 자유공간에 있을 때, 음압레벨(SPL)과 음향파워레벨(PWL)과의 관계식으로 옳은 것은? (단, r은 음원으로부터의 거리)
13. 다음은 인체의 청각기관에 관한 설명이다. ()안에 알맞은 것은?
14. 음의 용어 및 성질에 관한 설명으로 옳지 않은 것은?
15. 15℃ 공기중에서 직경 6.6cm, 길이 5.5m인 양단 개구관의 공명 기본음 주파수는?
16. 다음 중 PNL을 기준단위로 하여 항공기 문항회수를 보정한 NNI(noise and number index) 산정식으로 가장 적합한 것은? (단,
: 1일 중 총 항공기 토오가시에 PNL의 파워평균, N:1일 중 총 항공기 이착률 회수)




17. 기온이 20℃인 거실에 걸린 시계추가 100Hz로 단진동 할 때, 시계추에 의해 발생되는 음파의 파장은?
18. 다음 음장에 관한 설명 중 가장 거리가 먼 것은?
19. 다음 중 단위를 데시벨(dB)로 사용하지 않는 것은?
20. 음압이 100배로 증가하면 음압레벨은 몇 dB 증가하는가?
2과목: 소음진동 공정시험 기준
21. 등가소음도 측정기록 시 소음도가 50~55dB(A)일 때
값은?
22. 발파진동 측정방법으로 가장 거리가 먼 것은?
23. 다음 중 소음의 환경기준 측정방법으로 옳은 것은?
24. 도로교통 진동한도 측정방법으로 옳지 않은 것은?
25. 소음진동환경오염공정시험기준에서 정한 소음측정기기의 성능기준 중 측정가능 주파수 범위기준으로 옳은 것은?
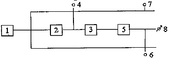
26. 아래 소음계의 기본구조 구성도에서 간이소음계인 경우 필요하지 않는 구성은?
27. 단조공장 부지경계선에서 소음을 측정한 결과 측정소음도가 81dB(A), 배경소음도가 75dB(A)로 각각 나타났다. 이 때의 대상소음도(dB(A))는?
28. 소음진동환경오염공정시험기준상 “도로교통진동 측정자료 평가표” 서식에 기재되어야 하는 항목으로 가장 거리가 먼 것은?
29. 다음 중 마이크로폰 감도(S)의 정의식으로 옳은 것은?
30. 발파진동 측정 시 주간 시간대와 심야 시간대의 범위기준으로 옳은 것은?
31. 소음계의 지시계기 중 지침형의 유효지시 범위기준은 ① 몇 dB 이상으로 하고 1dB 눈금간격이 ② 몇 mm 이상으로 표시되어야 하는가?
32. 소음계만으로 측정하여 계산한 등가소음도가 52dB(A)이고 지침이 지시판 위쪽을 벗어난 백분율이 12%일 때 등가소음도 보정방법으로 옳은 것은?
33. 다음 중 발파진동 평가시 시간대별 평균방파 횟수(N)에 따른 보정량으로 옳은 것은? (단, N>1)
34. 다음 중 진동측정기기의 성능기준으로 옳지 않은 것은?
35. 1시간동안 측정한 철도소음의 최고평균소음도가 83db(A), 1시간동안 열차 통행량(왕복대수)이 25대 일 때, 대상지점에 대한 열차의 1시간 등가소음도는? (단, 배경소음과 철도의 최고소음의 차이는 10dB 이하)
36. 진동레벨계의 성능 중 감각특성의 상대응답과 허용오차에 대해 규정한 규격은?
37. 진동픽업의 종류 중 저렴한 장점은 있으나, 전동기, 변압기, 변전성비 부근 등 자장이 강하게 형성된 장소에서 측정 시 자장의 영향으로 진동측정이 부적합한 것은?
38. 1일 동안 평균 최고소음도가 102dB(A), 1일간 항공기등같총과횟수가 555일 경우 1일 단위의 WEGPNL은?
39. A공장의 측정소음도와 배경소음도의 차가 3dB(A)이었다면 배경소음의 영향에 대한 보정치dB(A))는?
40. 표준음 발생기의 발생음의 오차범위기준으로 적합한 것은?
3과목: 소음진동방지기술
41. 추를 코일스프링으로 매단 1자유도 진동계에서 추의 질량을 2배, 스프링의 강도를 4배로 할 경우 작은 진폭에서 자유진동의 주기는 어떻게 변화되겠는가?
42. 고무절연기 위에 설치된 기계가 900rpm에서 20%의 전달률을 가진다면 평형상태에서 절연기의 정적처짐을 얼마인가?
43. 비중 2.25인 22cm 두께의 단일벽체에 500Hz 순음이 수직입사할 경우 벽체의 투과손실은?
44. 아래 그림의 단진자 진동 주기에 관한 설명 중 옳은 것은? (단, 각 진폭 θmax는 대단히 작다.
45. 가로×세로×높이가 각각 7m×5m×3m인 실의 평균 흡음률이 0.03일 경우, 이 실의 잔향시간은? (단, Sabine식을 이용)
46. 상하 각각 0.2mm를 5Hz로 정현진동하는 지면의 진동 가속도레벨(dB)은? (단, 기준 10-5m/s2)
47. 1자유도진동계에서 f/fn비와 진동전달율에 관한 설명으로 옳은 것은?
48. 중량이 30N, 스프링 정수 19N/cm, 감쇠계수 0.15ㆍs/cm인 진동계의 감쇠비는?
49. 소음 등의 제어를 위한 자재류의 특성으로 옳지 않은 것은?
50. 그림과 같은 진동계의 총 스프링상수(kt)는?


51. 방진고무 1개에 대한 하중이 200N이며, 그 때의 정적처짐은 10mm이다. 이 방진고무의 동적배율이 1.8일 때 동적 스프링상수는?
52. 점성감쇠가 있는 1자유도계에 임계감쇠란 감쇠비가 어떤 값을 갖는가?
53. 진동원에서 발생하는 가진력에 관한 설명으로 가장 거리가 먼 것은?
54. 점성감쇠진동에서 처음 진폭을 Xo라 하고, m 사이클 후의 진폭을 Xm이라고 할 때 대수감쇠율은?




55. 소음공해에 대한 대책을 세울 경우 다음 중 가장 먼저해야 할 사항은?
56. 진동수 f와 각진동수 ω와의 관계식으로 옳은 것은?



57. 감쇠 자유진동을 하는 진동계에서 감쇠 고유진동수가 25Hz, (비감성)고유진동수가 30Hz이면 감쇠비는?
58. x=4sin(4πt+π/2)로 표시되는 조화운동의 진동수는 몇 Hz인가? (단, x는 cm, t는 sec, 각도는 radian으로 측정된다.)
59. 흡음재료의 종류와 흡음특성에 대한 설명 중 가장 거리가 먼 것은?
60. 바닥면적이 5m×5m이고 높이가 -3m인 방이 있다. 바닥 및 천장의 흡음율이 0.3일 때 벽체에 흡음재를 부착하여 실내의 평균흡음율을 0.558 이상으로 하고자 한다면 벽체 흡음재의 흡음율을 얼마 정도가 되어야 하는가?
4과목: 소음진동방지기술
61. 소음진동규제법규상 특정공사의 사전신고 대상 기계ㆍ장비의 종류(기준)에 해당되지 않는 것은?
62. 소음진동규제법규상 농림지역의 야간 시간대의 철도교통진동의 한도기준으로 옳은 것은? (단, 2010년 1월1일부터 적용기준)
63. 소음진동규제법규상 시ㆍ도지사는 상시 측정한 소음ㆍ진동에 관한 자료를 언제까지 환경부장관에게 제출하여야 하는가?
64. 다음은 소음진동규제법규상 환경기술인의 교육사항에 관한 설명이다. ()안에 알맞은 것은?
65. 소음진동규제법규상 과태료 부과기준 중 일반기준에서 위반행위의 횟수에 따른 부과는 해당 위반행위가 있은 날 이전 최근 몇 년간 같은 위반행위로 부과처분을 받은 경우에 적용하는가?
66. 소음진동규제법규상 환경기술인을 두어야 할 사업장 및 그 자격기준에서 소음ㆍ진동기사 2급(산업기사)이상의 기술자격 소지자를 두어야 하는 대상 사업장은 총동력 합계를 기준으로 할 때 몇 마력 이상인가?
67. 소음진동규제법규상 공공도서관의 부지경계선으로부터 50미터이내 지역의 도로교통진동의 한도기준은? (단, 야간시간대, 단위는 dB(V))
68. 소음진동규제법규상 사람을 운송하기에 적합하게 제작된 휘발유 경자동차의 제작자동차 소음허용기준은? (단, ① 가속주행소음(dB(A)), ② 배기소음(dB(A)), ③ 경적소음(dB(C))순이며, 가속주행소음은 직접 분사식(DI)디젤원동기를 장착한 자동차외의 자동차에 적용하며, 2006년 1월 1일 이후 제작자동차 기준)
69. 소음진동규제법규상 소음도 검사기관의 지정기준 중 시설 및 장비기준으로 옳지 않은 것은?
70. 소음진동규제법규상 도시지역 중 준주거지역의 저녁시간대(18:00~24:00)의 공장소음 배출허용기준으로 옳은 것은? (단, 단위 dB(A))
71. 소음진동규제법규상 제작자동차의 소음허용기준으로 옳은 것은? (단, 2006년 1월 1일 이후 제작되는 자동차 기준)
72. 소음진동규제법규상 소음도 검사기관과 관련한 행정처분기준 중 소음도 검사기관이 보유하여야 할 기술인력이 부족한 경우 각 위반차수별(1차~3차)행정처분기준으로 옳은 것은?
73. 소음진동규제법규상 시ㆍ도지사가 환경부장관에게 제출하는 매년 주요 소음ㆍ진동관리시책의 추진상황에 관한 연차보고서에 포함될 내용으로 가장 거리가 먼 것은?
74. 소음진동규제법령상 공업지역 중 일반공업지역 및 전용공업지역의 도로변지역에서의 소음환경기준은? (단, 낮시간)06:00~22:00), 단위 Leq dB(A))
75. 소음진동규제법규상 소음배출시설기준으로 옳지 않은 것은? (단, 마력기준시설 및 기계ㆍ기구기준)
76. 소음진동규제법규상 녹지지역에서 옥외설치된 확성기의 주간(07~:00~18:00) 생활소음 규제기준은? (단, 기타조건 등은 고려하지 않는다.)
77. 소음진동규제법규상 자동차 종류에 따른 규모기준으로 옳지 않은 것은? (단, 2006년 1월 1일부터 제작하는 자동차 기준)
78. 소음진동규제법령상 인증을 면제할 수 있는 자동차에 해당하지 않는 것은?
79. 소음진동규제법규상 소음발생 건설기계의 종류기준으로 거리가 먼 것은?
80. 소음진동규제법규상 소음도 검사기관의 준수사항 중 소음도 검사기관의 장이 5년간 보존해야 할 서류목록으로 가장 거리가 먼 것은?
SPL = 20log(P/P0)
여기서 P는 주어진 음압의 실효치이고, P0은 기준 음압입니다. 기준 음압은 20μPa(마이크로파스칼)로 정의되어 있습니다.
따라서 주어진 문제에서 SPL을 계산하면 다음과 같습니다.
SPL = 20log(0.27/20x10-6)
= 20log(13,500)
= 82.6dB
따라서 정답은 "82.6dB"입니다.