1과목: 기계가공법 및 안전관리
1. 공작 기계의 종류에서 절삭 운동에 의한 분류중 절삭공구에만 절삭 운동을 주는 것은?
2. 텅스텐, 티탄, 탄탈 등의 탄화물의 분말을 코발트 또는 니켈 분말과 혼합하여 프레스로 성형한뒤, 약 1400℃이상의 고온에서 소결한 절삭 공구 재료는?
3. 선반에서 지름 125mm, 길이 350mm인 연강봉을 초경합금바이트로 절삭하려고 한다. 회전수는? (단, 절삭속도는 150m/min 이다.)
4. 선반에서 가공할 수 있는 작업이 아닌 것은?
5. 터릿 선반(turret lathe)등에 널리 사용되며, 보통 선반에서는 주축의 테이퍼 구멍에 슬리브를 꽂고 여기에 척을 끼워 사용하는 것은?
6. 밀링머신에서 얇은 금속을 자르는 커터(cutter)는?
7. 그림과 같은 정면 밀링커터에서 엑시얼경사각은?
8. 나사 연삭을 하기 위해서 숫돌을 나사형으로 만드는작업을 무엇이라고 하는가?
9. 드릴 머신으로 얇은 철판에 구멍을 뚫을 때, 그 판 밑에 무엇을 받치면 가장 좋은가?
10. 3침법이란 나사의 무엇을 측정하는 방법인가?
11. 화재방지 조치로서 적당치 못한 것은?
12. KS규격의 안전색에서 "노랑"의 표시사항은?
13. 스패너로 작업할 때 지켜야 할 사항이 아닌 것은?
14. 선반에서 보링 작업을 할때의 사항 중 옳은 것은?
15. 프레스에서 안전 장치는?
16. 구성인선(built-up edge)이 생기는 것을 방지하기 위한 대책으로서 틀린 것은?
17. 연한 재질의 일감을 고속 절삭할 때 생기는 칩의 형태는?
18. 절삭유로서 구비해야할 조건이 아닌 것은?
19. 선반에서 지름 100㎜인 환봉을 314rpm으로 가공할 때, 절삭저항력이 75㎏f이었다. 이 때 선반의 절삭효율을 80%라 하면 필요한 절삭동력은 약 몇 PS인가?
20. 테이블의 선회각 θ =65° 30′ 인 밀링머신에서 바깥지름 143㎜인 일감에 오른 나사 헬리컬홈을 깎으려고 할 때 일 감의 리드는 몇 ㎜인가?
2과목: 기계설계 및 기계재료
21. 연삭숫돌 결합체의 기호 중 틀린 것은?
22. 호빙 머신의 차동장치는 어느 경우에 사용 하는가?
23. 테일러의 원리에 맞게 제작되지 않아도 되는 게이지는?
24. 수가공에서 탭(tap)과 다이스(dies)를 이용하여야 하는 작업은?
25. 연삭숫돌 바퀴의 회전수 n[rpm], 숫돌 바깥지름 d[mm]라하면, 원주속도 V[mm/min]를 구하는 식으로 옳은 것은?(오류 신고가 접수된 문제입니다. 반드시 정답과 해설을 확인하시기 바랍니다.)



26. 세이퍼에서 램의 왕복 속도는 어떠한가?
27. 액체 호닝에 대한 설명 중 틀린 것은?
28. NC선반에서 수치제어 방식이 아닌 것은?
29. 사인바의 H 값을 구하는 공식은?


30. 선반에서 기어, 벨트, 풀리등의 소재와 같이 구멍이 뚫린 일감의 바깥원통면이나 옆면을 가공할 때 사용하는 부속품은?
31. 마우러 조직도(Maurer's Diagram)는 무엇을 나타내는 것인가?
32. 양백(nickel silver)의 주성분으로 맞는 것은?
33. 물체에 하중이 작용하면 물체 내부에 저항력이 생기는데이 저항력을 무엇이라 하는가?
34. 두축이 만나거나 평행한 경우와, 만나는 각이 변화할 때 사용되는 축이음은?
35. 블록 브레이크에서 드럼의 원주속도를 v(m/sec), 드럼과브레이크 블록사이의 접촉면압을 q(kgf/mm2)라 할때 브레이크 단위 면적당의 마찰일 (kgf/mm2)∙(m/sec) 은? (단, μ : 마찰계수이다.)
36. 그림처럼 하중 W를 연결하였을 때 4㎜ 늘어 났다고 한다. 하중 W값은? (단, K1= 50㎏f/㎜, K2=100㎏/㎜, K3=150㎏f/㎜이다)
37. 내압을 받는 관의 두께를 t, 안지름이 D, 원주방향의 인장 응력을 σt, 축방향의 인장응력을 σz,라 할때 σt와 σz의 관계는?




"이다. 이는 관의 두께가 얇을수록 원주방향의 인장응력이 증가하고 축방향의 인장응력은 감소하기 때문에, σt와 σz의 관계가 역으로 비례한다는 것을 나타낸다.38. 담금질에 대한 설명중 옳지 않은 것은?
39. 고강도 알루미늄 합금으로 표준 성분은 3.5-4.5% Cu, 0.5% Mg, 0.5-1% Mn이며, 나머지는 Al으로 되어 있는 것은?
40. 다음중 키이의 전달력이 큰 순서로 배열된 것은 어느 것인가?
3과목: 기계제도 및 CNC 공작법
41. 탱크나 보일러와 같은 것에 리벳팅 후 코킹(caulking), 또는 풀러링(fullering)을 하는 주된 이유는?
42. 형상기억 합금인 니티놀의 합금 성분은?
43. KS 규격에 의한 제도에 사용하는 척도 표시 A:B 에 관한 설명 중 올바른 것은?
44. 다음 투상도 중 3각법이나 1각법으로 투상하여도 그 투상도면의 배치 위치가 동일 위치인 것은?
45. 구멍의 최대 허용치수보다 축의 최소 허용치수가 큰 경우의 끼워 맞춤은?
46. 다음 중 온 흔들림 기하공차의 기호인 것은?




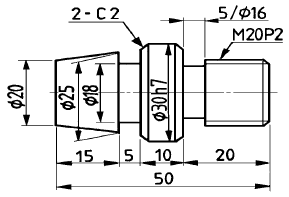
"이다. 이유는 이 기호가 등차수열에서 각 항들의 차이를 나타내는 공차를 의미하기 때문이다. 이 기호는 첫째 항과 둘째 항의 차이를 나타내는 a2 - a1과 둘째 항과 셋째 항의 차이를 나타내는 a3 - a2가 같은 값을 가지는 경우에 사용된다. 이러한 성질을 이용하여 등차수열에서 다음 항을 예측하거나, 누락된 항을 찾을 때 유용하게 사용된다.47. 보기와 같은 표면거칠기 지시기호에서 25의 값은 다음 중 어느 것을 뜻하는가?
48. 베어링 기호 608 C2 P6 에서 C2가 뜻하는 것은?
49. 보기 도면에서 A부의 치수는?
50. 스케치 방법에서 부품의 표면에 광명단을 바르거나 기름 걸레로 문지른 후 종이를 대고 눌러서 실제 모양을 뜨는 방법을 무엇이라 하는가?
51. 입체도의 정면도에서 현척의 모양과 크기가 실물과 동일하게 나타나는 면의 번호는?
52. 각각 다른 물체를 제3각법으로 투상하여 그린 투상도 중 올바른 것은?




" 이다. 이유는 제3각법에서 물체와 투영면 사이의 거리가 일정하므로, 물체가 멀어질수록 투영된 그림은 작아지고 가까워질수록 크게 그려진다. 따라서, "
"의 경우, 물체들이 서로 다른 거리에 위치하고 있으며, 이에 따라 투영된 그림의 크기도 다르게 그려졌기 때문에 올바른 투상도이다.53. 다음 단면도에서 중심선상에 가상선(이점 쇄선)으로 나타 낸 의미로 가장 적합한 것은?
54. 보기 도면의 선반작업 설명과 일치하지 않는 것은?
55. 3상 유도전동기의 회전방향을 바꾸려면?
56. 기계적 에너지를 전기적 에너지로 바꾸는 기기는?
57. 전류계와 전압계를 옳게 접속한 것은?




" 입니다.58. 100V, 500W의 전열기를 80V로 사용하였을 때의 소비전력은 몇 W 인가?
59. 전기량의 단위는?
60. 주파수의 변화에 가장 민감한 것은?