1과목: 전자공학
1. 이미터 접지 증폭기에서 ICO=0.1[mA]이고, IB=0.2[mA]일 때, 컬렉터 전류는 약 몇 [mA] 인가? (단, 이 트랜지스터의 β = 50 이다.)
2. 순수한 진성 반도체에 정공의 수를 늘리기 위해 붕소, 인듐, 갈륨과 같은 3가 불순물을 가진 원자를 넣은 반도체는?
3. 그레이 코드 10110110을 2진수로 옳게 표시한 것은?
4. 플립플롭 중 입력단자가 하나이며, “1” 이 입력될 때마다 출력단자의 상태가 바뀌는 것은?
5. 어떤 트랜지스터 증폭회로의 전류증폭도 Ai=50, 전압증폭도 Av=200 이라고 할 때 이 회로의 전력증폭도 Ap는 몇 [㏈] 인가?
6. 주기 T가 2.5[ms]이고, 펄스폭이 2[ms]일 경우 튜티 사이클은 몇 [%] 인가?
7. RC 결합 증폭기에서 단일 증폭기의 차단 주파수는?
8. et = Esin(2πft + θ)에서 f를 변화 시키는 변조방식은?
9. 그림과 같은 연산증폭기를 사용한 회로에서, 제너 다이오드에 인가되는 전압은 몇 [V] 인가? (단, Vo는 7V이다.)
10. 트랜지스터에서 베이스 폭 변조란?
11. 다음 바이어스 회로의 명칭은?
12. 진폭변조(AM) 방식에서 피변조파의 표현으로 옳은 것은? (단, Vc는 반송파의 진폭, m(t) 는 변조도, ωs는 변조신호 각 주파수, ωc는 반송파 각 주파수이다.)




"가 정답이다.13. 다음 중 정현파 발진회로가 아닌 것은?
14. 그림의 회로에서 출력전압 Vo와 입력전압 Vs와의 관계는?
15. 반송파 전력이 20[㎾]일 때 변조율 70[%]로 진폭변조 하였다. 상측파 전력[㎾]은?
16. 증폭도가 30[㏈], 잡음지수가 4[㏈]인 전치 증폭기를 잡음지수가 7[㏈]인 종속 증폭기에 연결할 때 종합 잡음지수[㏈]는?
17. 그림과 같은 연산회로의 명칭으로 옳은 것은?
18. 광전자 방출에 대한 설명으로 거리가 가장 먼 것은?
19. 다음과 같은 정 논리회로의 게이트 기능은?
20. 그림과 같은 회로는?
2과목: 회로이론 및 제어공학
21. 저항 6㏀ 인덕턴스 90mH 캐패시턴스 0.01㎌ 직렬회로에 t=0에서 직류전압 100V를 인가했다. 흐르는 전류가 최대인 시간 T는?
22. 그림에서 전지 V1 및 V2 를 흐르는 전류가 0 일때 기전력 V1, V2 및 저항 R1, R2 의 관계는?
23. 다음과 같은 회로에서 전압비 전달 함수
는?




"가 정답으로 주어졌는데, 이는 위에서 구한 전압비 전달 함수와 일치한다. 따라서, 정답은 "
"이다.24. 각상의 전류가 ia = 30sinωt[A], ib = 30sinωt[A], ic = 30sin(ωt+90°)[A]일 때 영상 대칭분 전류는?


25. 그림에서 a-b 단자의 전압이 10V, a-b에서 본 능동 회로망 N의 임피던스가 4Ω 일 때 단자 a - b 간에 흐르는 전류[A]는?
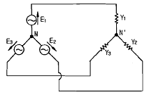
26. 그림과 같은 3상 Y결선 불평형 회로가 있다. 전원은 3상 평형전압 E1, E2, E3 이고, 부하는 Y1, Y2, Y3 일 때 전원의 중성점과 부하의 중성점간의 전위차를 나타내는 식은?




" 이다.27. f(t) = t2e-at를 라플라스 변환하면?




" 이다. 이유는 라플라스 변환의 정의에 따라 f(t)를 라플라스 변환한 결과가 t2 / (a+s)2이기 때문이다.28. 그림과 같은 삼각파를 푸리에 급수로 전개하면?
29. 비정현파의 여현대칭 조건은?
30. 분포정수회로에서 직렬 임피던스를 Z, 병렬 어드미턴스를 Y라 할 때, 선로의 특성임피던스 Zo는?



"와 같습니다.31.
, x(0)=x′(0)=0 일 때 x(t)는?




" 이다.32. 특성방정식 s3 + s2 - s + 1 에서 안정근은 몇 개인가?
33. 제어요소가 제어 대상에 주는 양은?
34. 다음은 단위 계단함수 u(t)의 라플라스 혹은 z 변환쌍을 나타낸 것이다. 이 중에서 옳은 것은?
35.
인 계의 이득여유가 40[㏈]이면 이때의 K값은?
37. 다음 블록선도의 변환에서 ( )에 맞는 것은?
38. 그림과 같은 신호흐름 선도의 전달함수는?




" 이다.39. 그림과 같은 벡터 궤적(주파수응답)을 나타내는 계의 전달함수는?



"가 됩니다.40. 논리식
를 간단히 하면?




", "
", "
"이다. 이유는 논리식에서 A가 참이므로 "
"은 참이고, B가 거짓이므로 "
"은 거짓이다. 따라서 C는 참이어야 하므로 "
"이 정답이 된다.3과목: 신호기기
41. 전기자 철심을 규소강판으로 성층하는 이유는?
42. 1차 전압 6600V, 권수비 30인 단상변압기로 전등부하에 20A를 공급할 때의 입력은 몇[KW]인가? (단, 변압기의 손실은 무시한다.)
43. ATS-S 지상자의 선택도 Q를 식으로 나타낸 것은?




"이 정답인 이유는 다음과 같다.44. 전기 선로전환기에서 3개의 치차를 사용하여 전동기의 회전속도를 감속하고 강한 회전력을 전달하기 위하여 설치되는 것은?
45. 단상 유도전동기의 기동방법 중 브러시가 필요한 구조인 것은?
46. 전력소비가 적고, 철손과 동손만을 공급하여 변압기 온도 상승 시험을 하는 방법은?
47. 다음 전력용 반도체 소자 중 사이리스터(Thyristor)에 속하지 않는 것은?
48. 다음중 계전기의 기능이라고 할 수 없는 것은?
49. 출력 3[kW], 1500[rpm]으로 회전하는 전동기의 토크는 약 몇 [kgㆍm]인가?
50. 변압기에서 역률 100[%]일 때의 전압변동율 ε, 퍼센트 저항강하를 p 라 할때 이들 사이의 관계는?




" 이다.51. 계전기 접점의 기호결선도이다. 유극 또는 3위 계전기 접점이 아닌 것은?




"이다. 이유는 이 기호결선도에서 유극은 "M"으로 표시되어 있고, 3위 계전기 접점은 "3"으로 표시되어 있지만, "
"은 둘 다 아니기 때문이다.52. 선로전환기 밀착은 기본레일이 움직이지 않는 상태에서 1[mm]를 넓히는데, 정위, 반위를 균등하게 몇 [㎏]을 기준으로 하는가?
53. 전동차단기의 동작 전원이 정전되었을 때에는 차단기가 열린 위치에서 중력에 의해 약 몇 초 이내에 수평위치까지 닫혀져야 되는가?
54. 건널목 지장물 검지장치의 제어기기인 발광기와 수광기의 시설 및 관리에 관한 설명으로 옳지 않은 것은?
55. NS형 선로전환기의 전철제어계전기는 어느 계전기를 사용 하는가?
56. 건널목 제어기 2420형에 사용하는 대역여파기(BPF)의 주파수 통과대역[㎑]은?
57. 전기 선로전환기의 전동기 특성곡선에서 전동기가 기동한후 전류가 감소함에 따라 전동기의 회전수는 어떻게 변화 되는가?
58. 전부하에 있어 철손과 동손의 비율이 1:4 인 변압기의 효율이 최대인 부하는 전부하의 대략 몇 [%]인가?
59. 24V, 50A가 정격인 정전압 정류기가 있다. 이 정류기에 흐르는 정류기의 역류는 몇 [A] 이하로 유지하여야 하는가?
60. 열차최고속도 100[㎞/h]의 선로구간에서 열차 속도가 80[㎞/h]로 운행할 때 실제 경보시간은?
4과목: 신호공학
61. 신호용 정류기의 정류회로의 무부하 전압이 260[V]이고, 전부하 전압이 250[V]일 때 전압변동률[%]은?
62. 진로선별회로상의 전철선별 계전기의 직접적인 역할은?
63. 건널목 경보시간이 30[sec], 열차최고속도가 108[㎞/h] 인 건널목의 경보제어 구간의 길이[m]는?
64. 경부고속철도구간 UM71 궤도회로장치 구성기기 중 선로변 현장에 설치되는 기기는?
65. 다음 중 첨단 밀착관계로 열차가 탈선될 우려가 있는 선로전환기는?
66. 다음 중 차상신호용에 적합하고, 열차 검지뿐만 아니라 열차 운전 정보를 차상에 전달할 수 있는 궤도회로는?
67. 장내 신호기의 확인거리는 몇 [m] 이상인가?
68. 차상신호방식에서 폐색 분할시 고려 사항으로 거리가 가장 먼 것은?
69. 신호전구 설비수가 1000개일 때 연간 장애건수가 50건이라면 고장률은 약 얼마인가?
70. 삽입형 계전연동장치에서 열차가 도착점에 완전하게 도착하기 전까지 해당진로를 해정할 수 없도록 하는 쇄정을 해정하기 위하여 사용되는 계전기로 거리가 가장 먼 것은?
71. 경부고속철도 열차제어정보를 궤도회로를 통하여 차상으로 전달하는 연속정보내용으로 거리가 가장 먼 것은?
72. 경부고속철도에 설치된 기상검지장치가 아닌것은?
73. 경부고속철도의 궤도회로 현장설비 중 궤도와 UM71 궤도회로 장치의 송신기나 수신기 사이의 임피던스 정합에 사용되는 것은?
74. 고속철도 열차제어시스템(TCS)에 포함되지 않는 것은?
75. 경부고속철도 ATC 속도코드 설정시 건넘선이나 측선 방향으로의 분기 최대통과 속도설정으로 거리가 가장 먼 것은?
76. 해당 신호기를 취급하기 전의 신호기 현시상태가 소등인 것은?
77. 신호기 현시를 확인할 수 있는 확인거리로 맞는 것은?
78. 경부고속철도에서 사용하는 보상콘덴서의 기능으로 맞는 것은?
79. 그림과 같이 궤도회로의 극성을 전압계로 측정하였더니 E1보다 E2가 전압이 높았다. 인접 궤도회로의 극성은 무엇인가?
80. 고속철도 TVM430 불연속 정보 메시지가 아닌 것은?
일 때의 근 궤적에서 점근선의 실수축과의 교차점은?