1과목: 전자공학
1. 진폭 변조도를 m이라 할 때 m>1이 되면 변조 일그러짐이 일어나는데 이를 무엇이라 하는가?
2. 다음 논리 회로의 출력(Y)은?


" 이다.3. 주파수 변조(FM)에서 신호대 잡음비(S/N)를 향상시키기 위한 방법으로 거리가 먼 것은?
4. 다음 그림과 같은 회로의 용도는?
5. LC 발진회로의 주파수 안정도를 높이기 위한 방법으로 적합한 것은?
6. 다음 카르노 맵을 간략화한 결과는?




" 이 정답이 된다. 이유는 카르노 맵에서 인접한 셀들을 그룹화하면서 "
" 셀이 포함된 그룹이 가장 크기 때문이다.7. 다음 회로의 안정계수를 구하면? (단, +VCC=10V, R1=3kΩ, R2=2kΩ, β=100, Re=3kΩ, Rc=3kΩ이다.)
8. 고정 바이어스 회로에서 베이스 저항이 420kΩ, 콜렉터 저항이 2kΩ, β가 90일 때 안정계수(S)는?
9. 다음 중 R-L-C 직렬공진 회로의 선택도(Q)는? (단, ωr은 공진 각주파수이다.)
10. 전원 주파수 60Hz를 사용하는 정류회로에서 120Hz의 맥동 주파수를 나타내는 회로 방식은?
11. 푸시풀(Push Pull)증폭회로에 대한 설명으로 거리가 먼 것은?
12. 맥류에서 교류성분은 제거하고 직류성분만 선택하는 회로는?
13. 수정발진기에서 안정된 발진을 계속하기 위한 수정의 임피던스는 어떻게 되어야 하는가?
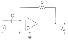
14. 그림과 같은 연산 회로의 명칭으로 옳은 것은?
15. 변조 신호주파수 400Hz, 전압 3V로 주파수를 변조하였을 때 변조지수가 50이었다. 이때 최대 주파수 편이는 몇 kHz인가?
16. 그림과 같은 회로의 논리 게이트는?
17. 다음 논리식을 불대수 기본 법칙을 이용하여 간단하게 표현한 것은?
18. 진폭변조파의 전압이 e=(100+20sin2π200t)sin2π105t[V]로 표시되었을 때 점유주파수 대역폭(Hz)은?
19. 윈 브릿지(Wien Bridge) 발진회로에서 발진주파수(Hz)는?
20. 전력증폭기의 출력측 기본파 전압이 50V, 제2 및 제3고조파 전압이 각각 4V, 3V일 때 왜율(%)은?
2과목: 회로이론 및 제어공학
21. RL 직렬회로에서 다음과 같은 전압을 인가할 때 제3 고조파 전류의 실효값은 약 몇 A인가? (단, R=3Ω, ωL=4Ω이다.)
22. 선로의 임피던스 Z=R+jωL(Ω), 병렬 어드미턴스가 Y=G+jωC(S)일 때 선로의 저항 R과 컨덕턴스 G가 동시에 0이 되었을 때 전파정수는?




"이다.23. 정상상태에서 t=0인 순간 스위치 S를 열면 이 회로에 흐르는 전류 i(t)는?




"가 정답입니다.27. 다음 회로에서 a-b 사이의 단자전압 Vab(V)는?
28. 다음 회로의 A-B 간의 합성 임피던스 Z0는?
29. 대칭 12상 교류 성형(Y)결선에서 상전압이 50V일 때 선간전압은 약 몇 V인가?
30. 3개의 같은 저항 RΩ을 그림과 같이 Δ결선하고, 기전력 V(V), 내부저항 r(Ω)인 전지를 n개 직렬 접속했다. 이때 전지 내에 흐르는 전류가 I(A)라면 저항 R(Ω)은?




"이다.31. 그림과 같은 신호 흐름선도의 전달함수는?(오류 신고가 접수된 문제입니다. 반드시 정답과 해설을 확인하시기 바랍니다.)




"이고, 두 번째 블록의 전달함수는 "
"입니다. 따라서 전체 전달함수는 "
"가 됩니다.32. 전자계전기를 사용할 때 장점이 아닌 것은?
33. 주어진 계통의 특성방정식이 s4+6s3+11s2+6s+K=0이다. 안정하기 위한 K의 범위는?
34. 그림과 같은 보드 선도를 갖는 계의 전달함수는?




" 이다.35. G(s)=e-Ls에서 ω=100rad/s일 때 이득(dB)은?
37. 제어량을 어떤 일정한 목표값으로 유지하는 것을 목적으로 하는 제어법은?
38. 그림과 등가인 논리회로는?




" 일 때 출력값이 1이 되는 것입니다. 다른 입력값들에 대해서는 출력값이 0이 되므로 정답은 "
" 입니다.39. 보드선도에서 이득곡선이 0dB인 선을 지날 때의 주파수에서 양의 위상여유가 생기고 위상곡선이 -180를 지날 때 양의 이득여유가 생긴다면 이 폐루프 시스템의 안정도는 어떻게 되겠는가?
40. 1/s-α을 z변환하면?
3과목: 신호기기
41. 직류 전동기의 속도 제어법이 아닌 것은?
42. 변압기의 내부 고장 보호에 쓰이는 계전기는?
43. 유도전동기의 기동법에서 농형 유도전동기 기동법이 아닌 것은?
44. SCR에 대한 설명으로 옳은 것은?
45. 3상 유도전동기에서 2차측 저항을 2배로 하면 최대 토크는 어떻게 변하는가?
46. 계전기의 접점에 대한 설명으로 틀린 것은?
47. 전기선로전환기 설치 위치 중 적당한 것은?
48. 전동차단기의 동작 전원이 정전되었을 때에는 차단기가 열린 위치에서 중력에 의해 약 몇 초 이내에 수평 위치까지 닫혀야 되는가?
49. 건널목 전동차단기의 제어전압은 정격값의 몇 배로 유지하여야 하는가?
50. 신호용 정류기의 무부하 전압 120V,전부하 전압 95V일 때의 전압 변동률은 몇 %인가?
51. 직류 분권전동기의 기동 시 계자저항기의 저항 값은 어떻게 하여야 하는가?
52. 전기 선로전환기의 제어 계전기에 사용되는 계전기는?
53. 건널목 제어자 401형의 출력조정용 가변인덕턴스의 탭(Tap)은 몇 단계로 되어 있는가?
54. NS형 선로전환기에 사용되는 삽입형 제어 계전기로서 유극 2위식 자기유지형 계전기의 정격으로 알맞은 것은?
55. 변압기 시험 중 정수 측정에 필요 없는 것은?
56. 단상 50kVA, 1차 3300V, 2차 220V, 60Hz변압기가 있다. 1차 권수 600회,철심의 유효 단면적 160cm2의 변압기 철심의 자속밀도는 약 몇 Wb/m2인가?
57. WLR 계전기는 어떤 계전기를 쇄정해 주는가?
58. 3상 유도전동기의 회전자 철손이 작은 이유는?
59. 단상 유도 전동기의 기동방법 중 기동 토크가 가장 큰 것은?
60. 어떤 변압기의 1차 환산임피던스 Z12=400Ω이고, 이것을 2차로 환산하면 Z21=1Ω이 된다. 2차 전압이 300V이면 1차 전압(V)은?
4과목: 신호공학
61. 차상선로전환기에 대한 설명으로 거리가 먼 것은?
62. 신호용 정류기의 정류회로 무부하 전압이 260V이고, 전부하 전압이 250V일 때 전압변동률(%)은?
63. 고속철도구간 보수자 선로횡단장치 시소 기준은?
64. 분기기의 크로싱 각과 분기기 번호 및 열차 제한속도와의 관계에 대한 설명으로 맞는 것은?
65. 교류 궤도회로의 단락감도 향상 방법으로 거리가 먼 것은?
66. 선로전환기의 정·반위 결정에 관한 내용 중 정위방향 결정방법으로 틀린 것은?
67. 폐색방식 중 대용폐색방식이 아닌 것은?
68. 경부고속철도 LCP 제어 KEY로 취급할 수 있는 기능이 아닌 것은?
69. 경부고속철도 열차제어를 위하여 CTC 및 LCP에서 취급된 제어 명령을 SSI를 통해 현장으로 전송하고 제어 확인된 표시정보를 수신하여 CTC나 LCP로 전송하는 기능을 수행하는 기기는?
70. 고속철도 ATC 장치의 불연속 정보 내용이 아닌 것은?
71. 10/1000 이상의 상구배에 설치된 폐색신호기가 정지 신호를 현시할 경우 열차가 정지하지 않고 일정 속도로 진입할 수 있도록 지시하는 것은?
72. 선로이용률을 최대한 높이기 위한 열차 최소 운전시격 단축방안으로 거리가 먼 것은?
73. 경부고속철도구간 전자연동장치에서 1개의 선로 전환기 모듈(PM)이 최대로 제어할 수 있는 전기 선로전환기 수는?
74. 끌림검지장치에 대한 설명으로 거리가 먼 것은?
75. 경부고속선에 사용 중인 MJ81형 전기 선로전환기의 전환력으로 맞는 것은?
76. 접근쇄정의 해정시분은 고속철도인 경우 얼마로 설정하는가?
77. 궤도회로의 단락감도는 그 궤도회로를 통과하는 열차에 대하여 임피던스 본드 및 AF궤도회로 구간은 맑은 날 몇 Ω이상을 확보하여야 하는가?
78. 5현시 자동구간에서 정거장 주본선에 정지하는 경우 장내신호기의 현시상태는?
79. 신호기기 부품의 고장률 산출식으로 옳은 것은?




"이 정답입니다. 이유는 분자에 고장 발생 횟수가 있고, 분모에는 관찰 시간이 있기 때문입니다. 이를 1,000,000으로 곱해주는 것은 단위를 통일시키기 위함입니다.80. ATS지상자 경보지점 계산식으로 옳은 것은? (단, V: 폐색구간 운행속도의 최댓값[km/h], ℓ: 신호기에서 경보지점까지의 거리[m], 종별: 여객)




"이다. 이유는 ATS지상자 경보지점 계산식은 V²/2ℓ로 계산되는데, 이 때 여객종별의 경우 V의 최댓값이 160km/h이므로, 계산식에 대입하면 160²/2ℓ = 12800/ℓ이 된다. 따라서 거리 ℓ이 작을수록 경보지점이 더 빨리 나타나게 되는데, 이를 나타낸 그림이 바로 "
"이다.
를 라플라스 변환하면?




의 미분방정식을 상태방정식
로 표현할 때 옳은 것은?


