1과목: 전자공학
1. 진폭 변조도를 m이라 할 때 m>1이 되면 변조 일그러짐이 일어나는데 이를 무엇이라 하는가?
2. 차동증폭기의 CMRR이 40dB이고 동상신호이득 Ac가 0.1일 때 차동신호이득 Ad는 얼마인가?
3. 2단으로 구성된 증폭기에서 이득이 10, 잡음지수가 5인 첫 번째단의 증폭기를 이득이 5, 잡음지수가 3인 두 번째단의 증폭기에 연결할 때 종합 잡음지수는 얼마인가?
4. JK플립플롭의 특성표를 참고한 특성방정식으로 옳게 표현한 것은?




이다. 이는 D 플립플롭과 마찬가지로 입력과 출력이 반대로 연결되어 있기 때문에, 입력이 1일 때 출력이 0이 되고, 입력이 0일 때 출력이 1이 된다. 이러한 특성을 가지고 있기 때문에 JK플립플롭은 이전 상태를 기억하면서도 입력에 따라 상태를 변경할 수 있는 유용한 회로 요소로 사용된다.5. 디엠퍼시스(de-emphasis) 회로에 대한 설명으로 틀린 것은?
6. 바크하우젠(Barkhausen)의 발진조건에서 증폭기의 증폭도 A=10 이고 궤환회로의 궤환비율을 β라고 할 때 β의 값은?
7. P형 반도체에 대한 설명 중 틀린 것은?
8. BJT의 동작상태 중 차단상태는?
9. 정류회로에서 전압변동률 △V는? (단, Vo : 무부하시 출력전압, Vi : 부하 시 출력전압)




" 이다.10. 다음 설명 중 ㉠과 ㉡으로 옳은 것은?
11. 다음 중 정류회로에서 다이오드를 여러 개 병렬로 접속시킬 경우의 특성은?
12. 다음 게이트 회로의 논리식으로 옳은 것은?
13. 다음 회로의 전압이득은? (단, 연산증폭기는 이상적인 소자이다.)




" 이다.14. 25℃에서 80W의 손실전력을 가지는 실리콘 트랜지스터가 있다. 이 트랜지스터 케이스의 온도가 135℃라면 손실전력은 몇 W 인가? (단, 25℃ 이상에서 손실전력의 감소비율은 0.5 W/℃ 이다.)
15. 이미터 접지 증폭기에서 컬렉터 역포화 차단전류 ICO = 0.1mA, 베이스 전류 IB = 0.2mA 일 때, IC는 약 몇 mA 인가? (단, 트랜지스터의 β = 50 이다.)
16. D플립플롭으로 구성된 4비트 시프트 레지스터는 초기화상태 이후 Clock 상승 모서리에서 동기가 되어 동작한다. 4번째(㉠) 클럭 신호와 5번째(㉡) 클럭 신호에서 출력될 Q0, Q1, Q2, Q3 값을 차례대로 표현했을 때 ㉠, ㉡값을 각각 올바르게 표현하면? (단, 회로는
입력 신호로, Q0, Q1, Q2, Q3를 “0000”으로 초기화 하였다.)
17. 다음 논리회로 중 팬 아웃(fan-out) 수가 가장 많은 회로는?
18. 다음 중 정현파 발진기가 아닌 것은?
19. 전원 주파수 60Hz를 사용하는 정류회로에서 120Hz의 맥동 주파수를 나타내는 회로 방식은?
20. 정전압회로에 주로 사용되는 다이오드는?
2과목: 회로이론 및 제어공학
21. 그림과 같은 함수의 라플라스 변환은?




"가 정답인 이유는, 다른 보기들은 이 함수의 라플라스 변환을 잘못 계산한 것입니다. 예를 들어, "
"은 지수 함수의 라플라스 변환을 잘못 계산하였고, "
"은 삼각 함수의 라플라스 변환을 잘못 계산하였습니다. "
"는 라플라스 변환을 취할 수 없는 함수입니다.22. 전압
의 실효값은 약 몇 V 인가?
23. 정상상태에서 t = 0 초인 순간에 스위치 S를 열었다. 이 때 흐르는 전류 i(t)는?




" 이다.24. 그림 (a)와 같은 회로에 대한 구동점 임피던스의 극점과 영점이 각각 그림 (b)에 나타낸 것과 같고 Z(0) = 1 일 때, 이 회로에서 R(Ω), L(H), C(F)의 값은?
25. 그림과 같은 평형 3상회로에서 전원 전압이 Vab = 200(V)이고 부하 한상의 임피던스가 Z = 4 + j3(Ω)인 경우 전원과 부하사이 선전류 Ia는 약 몇 A 인가?
26. 상의 순서가 a-b-c인 불평형 3상 전류가 Ia = 15 + j2(A), Ib = -20 – j14(A), Ic = -3 + j10(A) 일 때 영상분 전류 I0는 약 몇 A 인가?
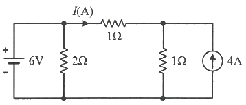
27. 회로에서 저항 1Ω에 흐르는 전류 I(A)는?
28. 선간전압이 150V, 선전류가 10√3 A, 역률이 80%인 평형 3상 유도성 부하로 공급되는 무효전력(var)은?
29. 무한장 무손실 전송선로의 임의의 위치에서 전압이 100V 이었다. 이 선로의 인덕턴스가 7.5μH/m이고, 커패시턴스가 0.012μF/m 일 때 이 위치에서 전류(A)는?
30. 파형이 톱니파인 경우 파형률은 약 얼마인가?
31. 다음과 같은 상태방정식으로 표현되는 제어시스템의 특성방정식의 근(s1, s2)은?
32. 전달함수가
인 제어시스템의 과도 응답 특성은?
인 제어시스템은 과도한 응답을 보이는 과제동 특성을 가지게 됩니다. 이는 제어시스템이 입력 신호에 대해 민감하게 반응하여, 입력 신호의 작은 변화에도 큰 출력 신호 변화를 보이기 때문입니다. 따라서, 입력 신호의 노이즈나 외부 요인에 의해 제어시스템이 과도하게 반응할 가능성이 높아지게 됩니다.33. 그림과 같은 제어시스템의 폐루프 전달함수
에 대한 감도 STK는?


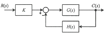
34. 그림의 블록선도와 같이 표현되는 제어시스템에서 A = 1, B = 1 일 때, 블록선도의 출력 C는 약 얼마인가?
35. 그림과 같은 제어시스템이 안정하기 위한 k의 범위는?
36. 다음 논리회로의 출력 Y는?
37. 제어요소가 제어대상에 주는 양은?
38. 전달함수가
인 제어기가 있다. 이 제어기는 어떤 제어기인가?
인 제어기는 "비례 미분 적분 제어기"이다. 이유는 다음과 같다.
인 제어기는 비례, 미분, 적분 제어기의 기능을 모두 가지고 있으므로 "비례 미분 적분 제어기"이다.39. 제어시스템의 주파수 전달함수가 G(jω) = j5ω 이고, 주파수가 ω = 0.02 rad/sec 일 때 이 제어시스템의 이득(dB)은?
40. 함수 f(t) = e-at의 z 변환 함수 F(z)는?




" 이다.3과목: 신호기기
41. 보통 농형 유도전동기와 비교한 2중 농형 유도전동기의 특징은?
42. 어떤 변압기의 1차 환산임피던스 Z12 = 400Ω 이고, 이것을 2차로 환산하면 Z21 = 1Ω 이 된다. 2차 전압이 300V 이면 1차 전압(V)은?
43. 유도전동기에서 비례추이하지 않는 것은?
44. 단상 반파 정류로 직류전압 110V를 얻으려고 한다. 다이오드에 걸리는 최대역전압(PIV)은 약 몇 V 인가?
45. 건널목경보기에서 경보등의 등당 점멸횟수의 조정범위로 옳은 것은?
46. 보호기기의 접지에 대한 설명으로 틀린 것은?
47. 삽입형 계전기에서 1AUR이 의미하는 것은?
48. 철도 건널목경보장치에서 건널목 제어자 2420형의 발진주파수(kHz) 범위는?
49. 신호용 계전기 종류에서 직류 무극 궤도계전기의 접점수는?
50. 변압기에서 전압변동률을 ε, 퍼센트 저항강하를 p라 할 때 이들 사이의 관계는? (단, 역률은 100% 이다.)




"이다.51. 전동차단기에서 장대형 전동차단기의 정격전압(V)은?
52. 전기선로전환기(MJ81형)를 사용하여 선로를 전환할 경우 선로전환기의 전환력 범위는?
53. 변압기에서 2차 측을 단락하고 1차 측에 저전압을 가하여 1차 전류가 1차 정격전류와 같도록 조정했을 때의 1차 입력은?
54. 전기 선로전환기 운전 중에 콘덴서 회로가 단선될 경우 전동기의 동작 상태는?
55. 직류 전동기의 속도 제어법이 아닌 것은?
56. 전기 선로전환기에서 전동기의 회전속도를 감속하고 강한 회전력을 전달하기 위하여 설치되는 것은?
57. 직류 발전기에서 전기자 반작용을 방지하기 위한 보상권선의 전류 방향은?
58. 단상 유도 전동기의 기동방법 중 기동 토크가 가장 큰 것은?
59. 사이리스터의 명칭에 관한 설명 중 틀린 것은?
60. 건널목 전동차단기에는 어떤 전동기가 주로 사용되는가?
4과목: 신호공학
61. 철도신호 정위 선정 중 무현시(소등) 정위식 신호기는?
64. 원방신호기의 확인거리는 몇 m 이상인가? (단, 지상신호(ATS) 전용구간인 경우이다.)
66. 경부고속철도에서 사용하는 ATC 장치에서 궤도회로에 흐르는 연속정보에 대한 설명으로 틀린 것은?
67. 100km/h의 여객열차의 안전을 위하여 ATS를 설치하려고 한다. 설치위치로 옳은 것은?
68. 다음 중 고속선의 운전취급실에서 취급된 제어명령의 연동 논리를 처리하는 장치는?
69. 시스템 전기연동장치의 R-2형 계전기랙의 계전기 수용 수량은?
70. 다음 연동장치에서 전원의 극성에 따라 계전기의 여자방향이 다른 계전기를 사용하는 회로는?
71. 삽입형 직류 무극 선조계전기의 선륜저항이 140Ω일 때 정격전류(A)는 약 얼마인가?
72. 열차집중제어장치(CTC)의 효과에 해당하지 않는 것은?
73. 신호기에 진행을 지시하는 신호를 현시한 후 신호기의 바깥쪽 일정구간에 열차가 진입하였을 경우 해당 진로의 선로전환기 등을 전환할 수 없도록 하는 쇄정은?
74. CTC 장치에서 LDTS의 주요 구성 요소가 아닌 것은?
75. 차상선로전환기의 조작리버는 차상선로전환기로부터 몇 m 지점에 설치하여야 하는가?
76. 크로싱에 대한 설명으로 틀린 것은?
77. 연동장치 정위쇄정에 대한 설명으로 틀린 것은?
78. 상치신호기 설치방법에 대한 설명으로 틀린 것은?
79. 고속철도 UM71 궤도회로장치의 현장 선로 간에 일정 간격으로 설치된 보상용 콘덴서가 하는 역할은?
80. MJ81형 전기 선로전환기의 정격에 대한 설명으로 틀린 것은?



