1과목: 기계재료 및 요소
1. 길이가 100㎜인 스프링의 한 끝을 고정하고, 다른 끝에 무게 40N의 추를 달았더니 스프링의 전체 길이가 120㎜로 늘어났다. 이때의 스프링 상수[N/㎜]는?
2. 베어링의 재료는 다음과 같은 성질을 갖고 있어야 한다. 이 중 틀린 것은?
3. 다음 중 특히 심냉처리(Sub-Zero treatment)해야 하는 강은 어느 것인가?
4. 금속 탄화물의 분말형 금속 원소를 프레스로 성형한 다음 이것을 소결하여 만든 합금으로 절삭 공구와 내열, 내마멸성이 요구되는 부품에 많이 사용되는 금속은?
5. 재료의 안전성을 고려하여 안전할 것이라고 허용되는 최대의 응력을 무슨 응력이라 하는가?
6. 탄소강의 기계적 성질 중 상온, 아공석강(C<0.77%) 영역에서 탄소(C)량의 증가에 따라 저하하는 성질은?
7. 주조시 주형에 냉금을 삽입하여 주물 표면을 급냉시키므로서 백선화하고 표면경도를 증가시킨 내마모성 주철은?
8. 다음 중 분할 핀에 관한 설명으로 틀린 것은?
9. 연강재 볼트에 8000N의 하중이 축방향으로 작용할 때, 볼트의 골지름은 몇㎜ 이상이어야 하는가? (단, 허용압축응력은 40N/mm2 이다.)
10. 평벨트와 비교한 V 벨트 전동장치의 특징이 아닌 것은?
2과목: 기계가공법 및 안전관리
11. 6:4 황동에 철 1~2%를 첨가한 동합금으로 강도가 크고 내식성도 좋아 광산기계, 선반용 기계에 사용되는 것은?
12. 브레이크 블록의 길이와 나비가 60mm×20mm이고 브레이크 블록을 미는 힘이 900N일 때 제동압력은?
13. 다음 원소 중 고속도강의 주요 성분이 아닌 것은?
14. 알루미늄합금은 가공용과 주조용으로 나누어진다. 다음 중 가공용 알루미늄합금에 해당되는 것은?
15. 다음 중 동력 전달용 기계요소가 아닌 것은?
16. 현재 알려진 공구 재료 중에서 가장 경도가 높고 내마멸성이 크며 절삭속도가 크고 능률적인 것이나 취성이 크고 고가인 공구재료는?
17. 깊이 400㎜, 지름 50㎜인 둥근봉을 절삭속도 100m/min로 1회 선삭하려면 절삭 시간은 약 몇 분 걸리는가? (단, 이송속도는 0.1㎜/rev이고, 공구의 접근 또는 설치를 위한 시간은 무시한다.)
18. 구멍의 내면, 곡면, 내접 기어, 스플라인 구멍 가공이 가능한 공작 기계는?
19. 일감 표면에 약한 압력으로 숫돌을 눌러대고 일감에 회전운동과 이송을 주며 숫돌을 다듬질할 면에 따라 매우 작고 빠른 진동을 주는 가공법은?
20. 숫돌 표면에 무디어진 입자나 기공을 메우고 있는 칩을 제거하여 본래의 형태로 숫돌을 수정하는 방법을 무엇이라 하나?
21. 밀링에서 브라운 샤프형의 21구멍 분할판을 사용하여 7등분 하고자 한다. 맞는 것은?
22. 각도 측정에 사용되는 측정기가 아닌 것은?
23. 하이트 게이지 중 스크라이버 밑면이 정반에 닿아 정반면으로부터 높이를 측정할 수 있으며 어미자는 스탠드 홈을 따라 상하로 조금씩 이동시킬 수 있어 0점 조정이 용이한 구조로 되어있는 것은?
24. 다음 공작기계 중에서 공구와 일감의 상대적인 운동 방식이 나머지와 다른 것은?
25. 연삭 숫돌을 고정시킬 때, 평형플랜지의 직경은 연삭 숫돌바퀴 직경의 얼마로 해야 안전한가?
3과목: 기계제도
26. 다음 기하공차의 종류를 나타낸 것 중 틀린 것은?
27. 치수 공차의 기입법 중 φ25E8 구멍의 공차역은? (단, IT8급의 기본공차는 0.033mm이고, 25에 대한 E구멍의 기초가 되는 치수 허용차는 0.040mm이다.)




"이다.28. 다음 등각 투상도에서 화살표 방향의 투상으로 맞는 것은?




"입니다.29. 끼워 맞춤에서 최대 죔새를 구하는 방법은?
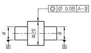
30. 다음 도면에서
표시로 옳은 설명은?
31. 표면 거칠기의 표시법에서 10점 평균 거칠기를 표시하는 기호는?
32. 투상도의 표시방법에 대한 설명으로 틀린 것은?
33. 가는 실선으로 사용하는 선이 아닌 것은?(오류 신고가 접수된 문제입니다. 반드시 정답과 해설을 확인하시기 바랍니다.)
34. 면의 지시기호에 대한 표시위치 설명으로 틀린 것은?
35. 도면의 양식 중 그려진 도면의 내용을 좌표로 읽을 수 있도록 마련하는 것은?
36. 그림의 ⓐ 표기 부분이 의미하는 내용은?
37. 다음 도면의 표제란에 기입해야 할 각법 기호로 옳은 것은?(오류 신고가 접수된 문제입니다. 반드시 정답과 해설을 확인하시기 바랍니다.)




"이다. 이 기호는 두 직선이 서로 수직을 이루고 있음을 나타낸다.38. 한국 산업규격에서 재료기호 "STS" 가 의미하는 것은?
39. 다음 정면도와 측면도를 보고 평면도에 해당하는 것은? (제 3각법의 경우)




" 와 같다.40. 물체 전체를 중심을 기준으로 1/2로 절단하여 앞부분은 잘라내고, 남은 뒷부분의 단면 모양을 도시한 단면도는?
41. 도면에서 서로 겹치는 경우 가장 우선적으로 나타내야 하는 것은?
42. 도면을 접어서 사용하거나 보관하고자 할 때 앞부분에 나타내어 보이도록 하는 부분은?
43. 구멍의 최소치수가 축의 최대치수보다 큰 경우이며, 항상 틈새가 생기는 끼워맞춤으로 직선운동이나 회전운동이 필요한 기계부품의 조립에 적용하는 것은?
44. 다음 보기의 도면과 같이 치수 50 밑에 직선을 붙이면 무엇을 나타내는가?
45. 다음 중 치수기입 원칙에 어긋나는 것은?
46. 벨트 풀리 암의 단면형을 도형 안에 회전 단면 도시할 때 표현하는 외형선은?
47. 코일 스프링의 제도 방법에 대한 설명으로 틀린 것은?
48. 나사의 호칭 "좌 M 10 - 6H / 6g"의 설명으로 틀린 것은?
49. 잇수 18, 피치원 지름 108인 스퍼기어의 모듈은?
50. 볼에 베어링의 호칭 번호가 62/22 이면 안지름은?
51. 핀의 호칭이 "평행 핀 h78 - 5 × 32 SM45C" 라고 되어있다. 핀의 길이는 얼마인가?
52. 축을 도시하는 방법으로 틀린 것은?
53. 둥근 머리에 육각 홈을 파 놓은 것으로, 볼트의 머리가 밖으로 나오지 않아야 하는 곳에 주로 사용하는 볼트는?
54. 파이프에 흐르는 유체의 종류와 기호 연결로 틀린 것은?
55. 기어를 제도할 때 피치원을 표시하는 선은?
56. 용접기호에서 스폿 용접 기호는?




" 입니다. 이유는 이 기호가 두 개의 원을 겹쳐놓은 모양으로, 스폿 용접이 두 개의 금속 부품을 겹쳐놓고 용접하는 것과 유사하기 때문입니다.57. 단면도 작성이 용이하며, 물리적 성질(체적 등)의 계산이 용이한 3차원 모델링은?
58. 컴퓨터의 기억용량 단위에서 1MB는 몇 byte 인가?
59. CAD시스템에 사용되는 출력장치에 해당하지 않는 것은?
60. CAD시스템에서 마지막 점에서 다음 점까지의 각도와 거리를 입력하여 선긋기를 하는 입력방법은?
스프링 상수 = (추의 무게) ÷ (스프링의 늘어난 길이)
스프링 상수 = 40N ÷ 20㎜
스프링 상수 = 2[N/㎜]
따라서, 정답은 "2"입니다.