1과목: 전기 이론
1. 2[㎌], 3[㎌], 4[㎌]의 콘덴서 3개를 병렬로 연결할때 합성 정전용량[㎌]은?
2. 10[㎝] 떨어진 2장의 금속 평행판 사이의 전위차가 500[V]일때 이 평행판 안에서 전위의 기울기는?
3. 전류와 자속에 관한 설명 가운데 옳은 것은?
4. 가우스의 정리는 무엇을 구하는데 사용하는가?
5. 용량 리액턴스와 반비례 하는 것은?
6. 그림과 같이 자극사이에 있는 도체에 전류 I가 흐를때 힘은 어느 방향으로 작용하는가?
7. 내부저항 0.1[Ω]인 건전지 10개를 직렬로 접속하고 이것을 한조로 하여 5조 병렬로 접속하면 합성 내부저항[Ω]은?
8. 3[Ω]의 저항이 5개, 7[Ω]의 저항이 3개, 114[Ω]의 저항이 1개 있다. 이들을 모두 직렬로 접속할 때의 합성저항[Ω]은?
9. 그림과 같은 병렬 회로에서 a, b 단자에서 본 역률값은? (단, a, b 단자간에 E[V]의 교류 전압을 가한다.)




10. i=Im sin ω t인 사인파 교류에서 ω t가 몇도일때 순시값과 실효값이 같게 되는가?
11. [VA]는 무엇의 단위인가?
12. 전기분해에 의해 전극에 석출된 물질의 양은 통과한 전기량과 그 물질의 전기 화학당량에 비례하는 것은?
13. 두금속의 접속점에 온도차를 주면 열기전력이 생기는 현상은?
14. 원자핵의 구속력을 벗어나서 물질내에서 자유로이 이동할 수 있는 것은?
15. 쿨롱의 법칙에서 2개의 점전하 사이에 작용하는 정전력의 크기는?
16. 빛을 많이 쬐어 줄수록 자유 전자가 증가하여 저항이 감소되는 소자는?
17. 주어진 전선의 지름을 균일하게 2배로 줄였다면 저항 값은 몇 배인가?
18. 그림과 같은 회로에서 합성 임피던스[Ω] 값은?
19. 저압구내 가공 인입선을 DV 전선으로 시설할 때 긍장이 20[m]인 경우에 몇 [mm]이상의 DV전선을 사용하여야 하는 가?
20. 높은 온도 및 기름에 잘 견디는 전기용 절연 테이프는?
2과목: 전기 기기
21. 경질 비닐관의 가공 작업으로 볼수 없는 것은?(오류 신고가 접수된 문제입니다. 반드시 정답과 해설을 확인하시기 바랍니다.)
22. 저압단상 3선식 회로의 중심선에서 퓨즈 사용법은?
23. 금속관 및 그 부속품은 제 몇종 접지공사에 의하여 접지해야 하는가?(관련 규정 개정전 문제로 여기서는 기존 정답인 3번을 누르면 정답 처리됩니다. 자세한 내용은 해설을 참고하세요.)
24. 저압 가공 인입선의 인입구에 사용하는 부속품은?
25. 설비용량이 600[KW], 부등률 1.2, 수용률 0.6 일때 합성 최대 전력[KW]은?
26. 전동기에 공급하는 간선의 설계에서 3개의 분기회로에 각각 10[A], 20[A], 30[A] 의 정격전류가 흐르는 전동기가 접속 되어있다. 간선의 허용전류의 최저값으로 가장 적당한 것은?
27. 유니온 커플링의 사용 목적은?
28. 옥내에 시설하는 저압전로와 대지사이의 절연저항 측정에 사용되는 계기는?
29. 연피 케이블 접속법은?
30. 금속덕트, 버스더트, 플로어덕트에는 어떤 접지를 해야 하는가?
31. 전동기의 정격전류가 4[A]이다. 전동기 전용의 분기회로(3m 이내)에서 전동기에 이르는 전선의 허용전류는 얼마인가?
32. 버스덕트 공사에서 덕트를 조영재에 붙이는 경우에는 덕트의 지지점간의 거리를 몇[m] 이하로 하여야 하는가?
33. 그림에서 A 는 무엇인가?
34. 전기공사 시공에 필요한 공구사용법 설명 중 잘못된것은?
35. 배선기구의 설명으로 잘못된 것은?
36. 옥내배선의 박스 내에서 가는 전선을 접속할 때 어떤 방법으로 접속 하는가?(오류 신고가 접수된 문제입니다. 반드시 정답과 해설을 확인하시기 바랍니다.)
37. 가제 테이프(gauze tape)에 점착성의 고무 혼합물을 양면에 함침시킨 전기용 절연 테이프는?
38. 합성 수지 몰드 공사의 설명 중 틀린 것은?
39. 과전류 차단기 중에서 전동기의 과부하 보호 역할을 하지 못하는 것은?
40. 금속관 공사에서 노크아웃의 지름이 금속관의 지름보다 큰 경우에 사용하는 재료는?
3과목: 전기 설비
41. 전선 접속에 대한 설명 중 틀린 것은?
42. 주상 변압기를 철근 콘크리트주에 설치할 때 사용되는 것은?
43. 통신선에 대한 유도장해가 가장 큰 접지방식은?
44. 가공배전선로에서 고압선과 저압선의 혼촉으로 인한 위험을 방지하기 위하여 필요한 것은?
45. 그림과 같은 전선배치에서 등가선간거리는?




46. 수차의 공동현상 방지법이 아닌 것은?
47. 화력발전소에서 발생되는 가장 큰 손실은?
48. 종합효율 34.4%의 화력발전소에서 열량 5000kcal/kg의 석탄 1㎏이 발생하는 전력량은 몇 kWh 인가?
49. 발전기의 열을 냉각시키기 위하여 수소를 사용할 때의 장점이 아닌 것은?
50. 유량도를 기초로 하여 가로축에는 1년 365일을, 세로축에는 유량을 취하고, 유량이 큰 것부터 순차적으로 배열한 곡선은?
51. 미분탄 연소방식을 스토우커 연소방식에 비교할 때 장점이 될 수 없는 것은?
52. 수용가의 전기설비가 전등 100W×100개, 전열 3kW×5개, 소형전기기구 200W×20개, 동력 5kW×5개라고 할 때 이 수용가의 총 설비용량은 몇 kW 인가?
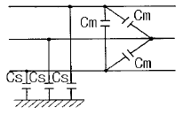
53. 그림에서 Cs=0.5㎌, Cm=0.15㎌일 때 작용정전용량은 몇 ㎌ 인가?
54. 폐란티현상이 생기는 원인은?
55. 고온의 도전성 가스유체를 이용하여 발전하는 방식은?
56. 송전선로에 코로나가 발생했을 때 이점이 있다면 어느것인가?
57. 단일부하 배전선에서 부하역률 cosθ, 부하전류 I, 선로저항 r, 리액턴스를 x라 하면 배전선에서 최대 전압강하가 생기는 조건은?
58. 전력용 콘덴서의 방전코일의 역할은?
59. 수차발전기에서 부하가 변해도 입력 수량을 자동으로 조절해 일정한 회전수를 유지하는데 필요한 것은?
60. 디지털 계전기의 특징으로 틀린 것은?