1과목: 전기 이론
1. R=4[Ω], XL=15[Ω], Xc=12[Ω]의 RLC 직렬 회로에서 100[V]의 교류 전압을 가할 때 전류와 전압의 위상차는 약 얼마인가?
2. 어느 회로의 전류가 다음과 같을 때, 이 회로에 대한 전류의 실효값은?
3. 정전기 발생 방지책으로 틀린 것은?
4. 다음 중 강자성체가 아닌 것은 어느 것인가?
5. 전선에 일정량 이상의 전류가 흘러서 온도가 높아지면 절연물을 열화하여 절연성을 극도로 악화시킨다. 그러므로 도체에는 안전하게 흘릴 수 있는 최대 전류가 있다. 이 전류를 무엇이라 하는가?
6. 비오-사바르(Bio-Savart)의 법칙과 가장 관계가 깊은 것은?
7. 2전력계법에 의해 평형 3상 전력을 측정하였더니 전력계가 각각 800[W], 400[W]를 지시하였다면, 이 부하의 전력은 몇 [W]인가?
8. 정전용량 C1, C2를 병렬로 접속하였을 때의 합성정전 용량은?




"이 된다.9. 자속밀도 B[Wb/m2]되는 균등한 자계 내에 길이 ℓ[m]의 도선을 자계에 수직인 방향으로 운동시킬 때 도선에 e[V]의 기전력이 발생한다면 이 도선의 속도[m/s]는?




" 가 정답인 이유는, 이 보기가 가속도를 적분하여 구한 도선의 속도를 나타내기 때문입니다.10. 코일이 접속되어 있을 때, 누설 자속이 없는 이상적인 코일간의 상호 인덕턴스는?




"와 같은 형태의 코일에서 최대화됩니다.11. 단위 길이당 권수 100회인 무한장 솔레노이드에서 10[A]의 전류가 흐를 때 솔레노이드 내부의 자장[AT/m]은?
12. 저항의 병렬 접속에서 합성저항을 구하는 설명으로 옳은 것은?
13. R[Ω]인 저항 3개가 △결선으로 되어 있는 것을 Y 결선으로 환산하면 1상의 저항[Ω]은?


" 입니다.14. N형 반도체의 주반송자는 어느 것인가?
15. (가), (나)에 들어갈 내용으로 알맞은 것은?
16. 20[Ω], 30[Ω], 60[Ω]의 저항 3개를 병렬로 접속하고 여기에 60[V]의 전압을 가했을 때, 이 회로에 흐르는 전체 전류는 몇 [A] 인가?
17. 자석의 성질로 옳은 것은?
18. 100[V]의 전압계가 있다. 이 전압계를 써서 200[V]의 전압을 측정하려면 최소 몇 [Ω]의 저항을 외부에 접속해야 하는가?(단, 전압계의 내부저항은 5000[Ω]이다.)
19. 2분간에 876000[J]의 일을 하였다. 그 전력은 얼마인가?
20. 최대값이 110[V]인 사인파 교류 전압이 있다. 평균값은 약 몇 [V]인가?
2과목: 전기 기기
21. 수전단 발전소용 변압기 결선에 주로 사용하고 있으며 한쪽은 중성점을 접지할 수 있고 다른 한쪽은 제3고조파에 의한 영향을 없애주는 장점을 가지고 있는 3상 결선 방식은?
22. 단상 유도전동기에서 보조권선을 사용하는 주된 이유는?
23. 다음 중 전력 제어용 반도체 소자가 아닌 것은?
24. 그림과 같은 전동기 제어회로에서 전동기 M의 전류 방향으로 올바른 것은?(단, 전동기의 역률은 100%이고, 사이리스터의 점호각은 0° 라고 본다.)
25. 변압기유와 구비해야 할 조건으로 틀린 것은?
26. 동기 발전기의 병렬운전 시 원동기에 필요한 조건으로 구성된 것은?
27. 단락비가 1.2인 동기발전기의 % 동기 임피던스는 약 몇[%] 인가?
28. 아크 용접용 변압기가 일반 전력용 변압기와 다른 점은?
29. 보호를 요하는 회로의 전류가 어떤 일정한 값(정정값) 이상으로 흘렀을 때 동작하는 계전기는?
30. 직류 분권 발전기의 병렬운전의 조건에 해당되지 않는 것은?
31. 접지공사의 종류에서 제3종 접지공사의 접지 저항값은 몇[Ω] 이하로 유지하여야 하는가?(관련 규정 개정전 문제로 여기서는 기존 정답인 3번을 누르면 정답 처리됩니다. 자세한 내용은 해설을 참고하세요.)
32. 상전압 300[V]의 3상 반파 정류 회로의 직류 전압은 약 몇 [V]인가?
33. 용량이 작은 전동기로 직류와 교류를 겸용할 수 있는 전동기는?
34. 15[kW], 60[Hz], 4극의 3상 유도 전동기가 있다. 전부하가 걸렸을 때의 슬립이 4[%]라면 이때의 2차(회전자)측 동손은 약 [kW]인가?
35. P형 반도체의 전기 전도의 주된 역할을 하는 반송자는?
36. 직류 전동기에서 무부하가 되면 속도가 대단히 높아져서 위험하기 때문에 무부하운전이나 벨트를 연결한 운전을 해서는 안 되는 전동기는?
37. 권선형 유도전동기 기동시 회전자 측에 저항을 넣는 이유는?
38. 동기 전동기의 부하각(load angle)은?
39. 전기기의 냉각 매체로 활용하지 않는 것은?
40. 동기 전동기의 계자 전류를 가로축에, 전기자 전류를 세로축으로 하여 나타낸 V곡선에 관한 설명으로 옳지 않는 것은?
3과목: 전기 설비
41. 설계하중 6.8kN 이하인 철근 콘크리트 전주의 길이가 7[m]인 지지물을 건주하는 경우 땅에 묻히는 깊이로 가장 옳은 것은?
42. 옥내 배선에서 주로 사용하는 직선 접속 및 분기 접속방법은 어떤 것을 사용하여 접속하는가?
43. 380[V] 전기세탁기의 금속제 외함에 시공한 접지공사의 접지 저항값 기준으로 옳은 것은?(관련 규정 개정전 문제로 여기서는 기존 정답인 3번을 누르면 정답 처리됩니다. 자세한 내용은 해설을 참고하세요.)
44. 단상 2선식 옥내배전반 회로에서 접지축 전선의 색깔로 옳은 것은?(관련 규정 개정전 문제로 여기서는 기존 정답인 4번을 누르면 정답 처리됩니다. 자세한 내용은 해설을 참고하세요.)
45. 하향광속으로 직접 작업면에 직사하고 상부방향으로 향한 빛이 천장과 상부의 벽을 부분 반사하여 작업면에 조도를 증가시키는 조명방식은?(문제오류로 확정답안 발표시 2, 4 번이 정답 처리 되었습니다. 여기서는 2번을 누르시면 정답 처리 됩니다.)
46. 60[cd]의 점광원으로부터 2[m]의 거리에서 그 방향과 직각인 면과 30° 기울어진 평면위의 조도[lx]는?
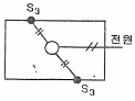
47. 한 개의 전등을 두 곳에서 점멸할 수 있는 배선으로 옳는 것은?




" 입니다. 이유는 전등과 스위치가 병렬로 연결되어 있기 때문에 두 곳에서 동시에 전등을 켜고 끌 수 있습니다. 다른 보기들은 전등과 스위치가 직렬로 연결되어 있어 한 곳에서만 전등을 켜고 끌 수 있습니다.48. 일반적으로 과전류 차단기를 설치하여야 할 곳은?
49. 전선의 공칭단면적에 대한 설명으로 옳지 않는 것은?
50. 코드 상호간 또는 캡타이어 케이블 상호간을 접속하는 경우 가장 많이 사용되는 기구는?
51. 저압 가공인입선이 횡단보도교 위에 시설되는 경우 노면상 몇 [m] 이상의 높이에 설치되어야 하는가?
52. 금속 전선관 공사에서 사용되는 후강 전선관의 규격이 아닌 것은?
53. 다음 중 금속 전선관 부속품이 아닌 것은?
54. 저압 옥내전로에서 전동기의 정격전류가 60A인 경우 전선의 허용전류[A]는 얼마 이상이 되어야 하는가?
55. 저압옥내 분기회로에 개폐기 및 과전류 차단기를 시설하는 경우 원칙적으로 분기점에서 몇[m] 이하에 시설하여야 하는가?
56. 주로 저압 가공전선로 또는 인입선에 사용되는 애자로서 주로 앵글베이스 스트랩과 스트랩볼트 인류바인드선(비닐절연 바인드선)과 함께 사용하는 애자는?
57. 다음 보기 중 금속관, 애자, 합성수지 및 케이블공사가 모두 가능한 특수 장소를 옳게 나열한 것은?
58. 가스 차단기에 사용되는 가스인 SF6의 성질이 아닌 것은?
59. 금속관 공사를 노출로 시공할 때 직각으로 구부러지는 곳에는 어떤 배선기구를 사용하는가?
60. 물체의 두께, 깊이, 안지름 및 바깥지름 등을 모두 측정할 수 있는 공구의 명칭은?
tanθ = (XL - XC)/R
여기서 XL은 인덕티브 리액턴스, XC는 캐패시티브 리액턴스를 나타냅니다.
따라서,
tanθ = (15 - 12)/4 = 0.75
θ = arctan(0.75) = 37°
따라서, 정답은 "37°"입니다. 이는 인덕티브 리액턴스와 캐패시티브 리액턴스가 서로 상쇄되지 않고, 인덕티브 리액턴스가 캐패시티브 리액턴스보다 크기 때문에 전류가 전압보다 약간 뒤쳐진 상태에 있음을 나타냅니다.