1과목: 자동차공학
1. 다음 중 NOx가 가장 많이 배출되는 경우는?
2. 전자제어 연료 분사장치의 구성품 중 산소센서에 대한 설명으로 옳은 것은?
3. 이소옥탄 60%, 정헵탄 40%의 표준연료를 사용 했을 때 옥탄가는 얼마인가?
4. 고속회전을 목적으로 하는 기관에서 흡기 밸브와 배기 밸브 중 어느 것이 더 크게 만들어져 있는가?
5. 승용차용 기관의 실린더 헤드는 대부분 알루미늄 합금으로 되어 있다. 그 이유 중 가장 중요한 것은?
6. LPG 기관을 시동하여 냉각수 온도가 낮은 상태에서 무부하 고속회전을 하였을 때 나타날 수 있는 현상으로 가장 부적합한 것은?
7. 점화순서가 1-3-4-2 인 4행정 기관의 3번 실린더가 압축 행정을 할 때 1번 실린더는?
8. 플라이 휠(fly wheel)의 무게를 좌우하는 것과 가장 밀접한 관계가 있는 것은?
9. 전자제어 기관에서 스로틀 보디의 주 기능으로 가장 적당한 것은?
10. 전자제어 연료 분사장치에서 운전자의 조작에 의한 신호를 컴퓨터로 보내주는 센서는?
11. 연료의 저위발열량 10,500kcal/kgf, 제동마력 93PS, 제동 열효율 31% 인 기관의 시간당 연료 소비량(kgf/h)은?
12. 외국에서 이삿짐으로 수입된 자동차를 신규검사 할 때의 절차 및 방법으로 틀린 것은?
13. 디젤기관의 인터쿨러 터보(inter cooler turbo) 장치는 어떤 효과를 이용한 것인가?
14. 압력식 라디에이터 캡을 사용하므로 얻어지는 장점과 거리가 먼 것은?
15. 4행정 가솔린 엔진의 실린더 내경 85mm, 행정이 88mm로서 압축비는 8.6:1 이다. 이 엔진의 연소실 체적은?
16. 단위 환산으로 맞는 것은?
17. 가솔린 기관에서 노킹(knocking) 발생시 억제하는 방법은?
18. 디젤 기관의 연료 분무 형상의 조건이 아닌 것은?
19. 다음 중 흡입 공기량을 계량하는 센서는?
20. 다음 중 기관에 윤활유를 급유하는 목적과 관계 없는 것은?
2과목: 자동차정비 및 안전기준
21. 다음 중 최적의 공연비를 바르게 나타낸 것은?
22. 전자식 기관제어장치의 공회전 상태 제어용 입력 정보에 해당하지 않는 것은?
23. 전자제어 엔진에서 인젝터의 고장으로 발생될 수 있는 현상 중 가장 거리가 먼 것은?
24. 수동변속기의 구성품 중 보기의 설명이 나타내는 것은?
25. 브레이크 장치에서 급제동시 마스터 실린더에 발생하는 유압이 일정압 이상이 되면 뒤 휠 실린더 쪽으로 전달되는 유압상승을 제어하여 차량의 쏠림을 방지하는 장치는?
26. 동력 조향장치의 구성 중 오일펌프에서 발생된 유압을 조향바퀴의 조향력으로 바꾸며, 동력실린더가 주요부가 되는 것은?
27. 급한 내리막길을 내려갈 때 제동 효과를 더욱 증대시키기 위해 배기 파이프를 막아 기관 내부의 압력을 높이는 장치는?
28. 전자제어식 자동변속기의 변속선도에서 X축이 차속일 경우 Y축은?
29. 엔진의 출력을 일정하게 하였을 때 가속성능을 향상시키기 위한 것이 아닌 것은?
30. 조향 핸들이 320° 회전할 때 피트먼 암이 32° 회전하였다면 조향 기어비는?
31. 전자제어 현가장치에 사용되고 있는 차속센서의 구성 부품으로 옳은 것은?
32. 자동차의 앞바퀴를 앞에서 보면 바퀴의 윗부분이 아래 쪽보다 더 벌어져 있는데 이 벌어진 바퀴의 중심선과 수선 사이의 각은?
33. 브레이크를 작동시키다 페달을 놓았을 때 브레이크가 풀리지 않는 원인과 관계없는 것은?
34. 자동차에서 브레이크 작동시 조향 핸들이 한쪽으로 쏠리는 원인이 아닌 것은?
35. 하이드로 플래닝 현상을 방지하는 방법이 아닌 것은?
36. 클러치의 구비조건이 아닌 것은?
37. 종감속 기어장치에 사용되는 하이포이드 기어의 장점이 아닌 것은?
38. 스프링 아래 질량의 고유 진동에 관한 그림이다. X축을 중심으로 하여 회전운동을 하는 진동은?
39. 전자제어식 자동변속기용 입력신호로 사용되지 않는 것은?
40. 토크 컨버터 내에 있는 가이드 링의 역할에 대한 설명으로 가장 옳은 것은?
3과목: 안전관리
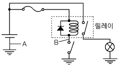
41. 전자제어 가솔린 기관 차량에서 점화불꽃이 발생되는 계통으로 옳은 것은?
42. 축전지 셀의 음극과 양극의 판수는?
43. 다음 회로에서 스위치 ON시 램프가 점등되지 않아 A-B간 전압을 측정하였더니 12V였다면 예측 할 수 있는 고장은?
44. 충전장치에서 교류 발전기의 출력을 조정할 때 변화시키는 것은?
45. 다음과 같은 병렬 회로에서 합성저항은?




46. 정류자에 대한 설명으로 틀린 것은?
47. 열은 고온체로부터 저온체로 이동하는데 이를 열전달이라 한다. 기본적으로 열전달의 3가지 형태에 포함되지 않는 것은?
48. 계기판의 엔진 회전계가 작동하지 않는 결함의 원인에 해당되는 것은?
49. 편의 장치 중 운전석 도어를 열 때와 닫을 때 이그니션 키 주변이 약 10초 정도 점등되는 램프는?
50. 트랜지스터의 대표적 기능으로 릴레이와 같은 작용은?
51. 선반작업 중의 안전수칙으로 틀린 것은?
52. 화재 현장에서 제일 먼저 하여야 할 조치는?
53. 줄 작업시 주의사항으로 틀린 것은?
54. 산업 재해는 직접 원인과 간접 원인으로 구분되는데 다음 직접 원인 중에서 인적 불안전 요인이 아닌 것은?
55. 다이얼 게이지 취급시 주의 사항으로 잘못된 것은?
56. 엔진의 세척과 카본 제거에 대한 안전한 방법으로 틀린 것은?
57. 축전지의 육안검사 사항이 아닌 것은?
58. 자동차 하체 작업에서 잭을 설치할 때의 주의할 점으로 틀린 것은?
59. 지게차로 물건을 운반시 안전한 작업과 거리가 먼 것은?
60. 무거운 짐을 이동할 때 적당하지 않은 것은?