1과목: 기계재료 및 요소
1. 다음 중 주물용 알루미늄 합금과 가장 거리가 먼 것은?
2. 피치 3㎜인 3줄 나사의 리드는 몇 ㎜인가?
3. 다음 중 강에 S, Pb 등의 특수원소를 첨가하여 절삭할 때 칩을 잘게 하고 피삭성을 좋게 만드는 특수강은?
4. 강을 Ac3(아공석강) 또는 Ac1(과공석강) 이상의 고온에서 가열하여 이것을 노(爐) 중에서 서서히 냉각하는 열 처리는?
5. 둥근 축 또는 원뿔 축과 보스의 둘레에 같은 간격으로 가공된 나사산의 모양을 갖는 수많은 작은 삼각형의 스플라인을 무엇이라 하는가?
6. 다음 중 평 벨트와 비교한 V벨트 전동의 특성으로 틀린 것은?
7. 치직각 방식에서 모듈이 m=4, 잇수 z=72인 헬리컬 기어의 피치원 지름은 약 몇 mm인가?(단. 비틀림 각은 30°이다.)
8. "밀링에 사용하는 엔드밀의 재료는 일반적으로 SKH2를 사용한다"에서 SKH는 어떤 재료를 나타내는 KS 기호인가?
9. 60%Cu ~ 40%Zn 합금으로 상온조직이 α + β상이고 탈아연 부식을 일으키기 쉬우나 강도응 요하는 볼트, 너트, 열간 단조품 등에 쓰이며, 상온에서 전연성이 낮은 합금은?
10. 주철의 일반적 설명으로 적당하지 않은 것은?
11. 다음 중 하물을 감아올릴때 제동 작용은 하지 않고 클러치 작용을 하며, 내릴때는 하물 자중에 의한 브레이크 작용을 하는 것은?
12. 다음 중 스프링 상수의 단위로 옳은 것은?
13. 다음 중 섬유강화 플라스틱으로 불리며 항공기, 선반, 자동차 등에 쓰이는 복합재료는?
14. 다음 KS 규격에 의한 구름베어링의 호칭번호 중 기본 기호에 해당하지 않는 것은?
15. 다음 중 하중이 작용하는 방향이 단면(斷面)에 평행한 하중은?
2과목: 기계제도(절삭부분)
16. 보기와 같은 정투상도의 평면도로 적합한 형상은?




"가 적합한 형상이다. 다른 보기들은 모두 수직선과 수평선이 직각을 이루지 않는 형태이기 때문에 정투상도로 그리기에는 부적합하다.17. 보기와 같이 축에 가공되어 있는 키 홈의 형상을 투상한 투상도의 명칭으로 가장 적합한 것은?
18. 헐거운 끼워 맞춤인 경우 구멍의 최소 허용치수에서 축의 최대 허용 치수를 뺀 값은?
19. KS 나사 표시 방법에서 G 1/2 A로 기입된 기호의 올바른 해독은?
20. KS 기계제도의 치수 표시법에서 이론적으로 정확한 치수의 표시방법으로 옳은 것은?




"이 옳은 표시방법이다. 이유는 이 방법은 치수의 시작점과 끝점을 명확하게 표시하고, 치수선이 다른 치수선이나 물체와 겹치지 않도록 배치되어 있어 가독성이 좋기 때문이다. 또한, 치수선의 방향이 물체의 주요 축과 수직 또는 수평 방향으로 표시되어 있어 치수를 쉽게 이해할 수 있다.21. 보기 도면에서 ø34㎜ 부분의 외경가공은 표면 거칠기 값을 얼마로 해야 하는가?
급
급
급
급" 인 이유를 최대한 간단명료하게 설명해주세요.
급은 가공 후 측정을 통해 정확한 값을 파악하여 부품에 표기하는 방식이기 때문입니다. 따라서 가공 전에는 정확한 값을 파악할 수 없으므로 ( )밖에 표기합니다.22. 절단면을 사용하여 대상물을 절단하였다고 가정하고 절단면의 앞 부분을 제거하고 그리는 도형은?
23. 굵은 1점 쇄선을 사용하는 선으로 가장 적합한 것은?
24. 기하 공차의 종류 구분에서 자세 공차인 것은?
25. 평행도가 기준(데이텀) B에 대하여 지정길이 100㎜에 대한 0.05㎜의 허용 값을 가지는 것을 나타낸 것은?




" 입니다. 이 기호는 "평행도"를 나타내며, 기준 B와의 평행도를 나타내는 선 위에 "0.05"라는 숫자가 있습니다. 이는 허용 오차를 나타내며, 100mm 길이 내에서 최대 0.05mm의 오차를 허용한다는 것을 의미합니다.26. 가공물의 표면 거칠기를 나쁘게 하고 공구의 수명을 단축시키며 진동 등의 원인이 되는 구성 인선 발생을 억제 할 수 있는 것은?
27. 대표적인 것으로 세텔라이트가 있으며, 단조나 열처리가 되지 않으면서도 경도가 매우 높은 공구 재료는?
28. 선반의 종류별 용도에 대한 설명 중 틀린 것은?
29. 다음 중 플레이너에서 가공하기 부적합한 작업은?
30. 진원도를 측정할 때 가장 적당한 측정기는?
3과목: 기계공작법
31. 금속으로 만든 작은 덩어리를 공작물 표면에 고속도로 분사하여 피로 강도를 증가시키기 위한 냉간 가공법으로 반복하중을 받는 스프링, 기어, 축과 대형 공작물 등을 성형하는 방법으로 사용되는 가공법은?
32. 선반 작업에서 테이퍼 부분의 길이가 짧고 경사각이 큰 일감의 테이퍼 가공에 사용되는 방법은?
33. 밀링 커터의 지름이 100㎜, 회전수가 200rpm일 때 절삭 속도는 약 몇 ㎜/min인가?
34. 숫돌바퀴는 균질하지 못하거나 공작물의 영향을 받아 모양이 점차 변한다. 이렇게 변형된 숫돌바퀴를 정확한 모양으로 가공하는 것을 무엇이라 하는가?
35. 선반의 부속장치 중 3개의 조가 방사형으로 같은 거리를 동시에 움직이므로 원형, 정삼각형, 정육각형의 단면을 가진 공작물을 고정하는데 편리한 척은?
36. 측정기 선택 조건으로 가장 적합하지 않은 것은?
37. 공작 기계의 절삭 운동 중 일감을 회전시켜서 가공하는 공작 기계는?
38. 절삭 공구를 사용하여 공작물을 가공할 때 불연속형 칩이 나올 절삭 조건은?
39. 밀링 공작 기계에서 스핀들의 회전 운동을 수직 왕복 운동으로 변환시켜주는 부속 장치는?
40. 다음 중 리머 작업에 대한 설명으로 틀린 것은?
4과목: CNC공작법 및 안전관리
41. 수평 밀링 머신의 플레인 커터 작업에서 상향 절삭에 대한 하향 절삭의 장점은?
42. 센터리스 연삭기의 장점으로 볼 수 없는 것은?
43. 다음은 CAD/CAM 정보 처리 흐름도 이다. ( ) 안에 알맞은 것은?
44. 프로그램의 종료를 표시하는 보조기능이 아닌 것은?
45. 다음 그림은 머시닝 센터의 가공용 도면이다. 절대 명령에 의한 이동 지령을 바르게 나타낸 것은?
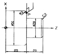
46. CNC 공작기계에서 사용되고 있는 서보기구 시스템에 해당하지 않는 것은?
47. C S K P R 25 25 M 12는 선반용 툴의 홀더의 ISO 구격이다. 두번째 S는 무엇을 의미하는가?
48. 다음 중 기계 원점으로 자동 복귀하는 기능은?
49. CNC 공작기계로 가공할 때 안전 사항으로 틀린 것은?
50. 다음은 CNC 공작기계와 범용 공작기계에 의한 절삭 가공의 특징을 비교한 것이다. 틀린 것은?
51. 다음 중 소수점 입력이 가능한 어드레스로 구성된 것은?
52. CNC 선반에서 안지름과 바깥지름의 거친 가공 사이클을 나타내는 준비 기능은?
53. 그림은 CNC 선반 도면이다. P점에서 원호 R3을 가공하는 프로그램으로 맞는 것은?
54. CNC 선반에서 피치가 1.0㎜인 2줄 나사를 가공할 때 이송속도(F)는?
55. CNC 공작기계에서 전원 투입 후 기계운전의 안전을 위하여 첫 번째로 해야 하는 조작은?
56. CNC 선반에서 절삭속도가 130㎜/min로 일정 제어되면서 주축이 정회전 되도록 지령된 것은?
57. 다음 그림에서 A에서 B까지의 경로를 가공할 때 공구경 보정 준비기능으로 맞는 것은?
58. 다음과 같은 CNC 선반 프로그램에서 2회전의 휴지(Dwell)시간을 주려고 할 때 ( )속에 적합한 단어(Word)는?
59. 다음 머시닝센터 프로그램에서 공구 지름 보정에 사용된 보정번호는?
60. 선반 작업시 안전 수칙 중 잘못된 것은?