1과목: 전기자기학
1. 전자파의 진행 방향은?
2. 평면도체 표면에서 d[m]의 거리에 점전하 Q[C]가 있을 때, 이 전하를 무한 원까지 운반하는데 요하는 일[J]은?




"은 쿨롱 법칙에 따라 전하 Q가 무한 원까지 운반될 때 요하는 일의 양을 나타내는 공식이다. 즉, 전하 Q가 무한 원까지 운반될 때 요하는 일의 양은 전하 Q와 무한 원까지의 거리 d, 그리고 자연상수인 ε0에 비례한다. 이는 쿨롱 법칙에서 전하와 거리 사이의 관계를 나타내는 공식으로, 전하와 거리가 멀어질수록 요하는 일의 양이 작아지는 것을 보여준다.3. 그림과 같이 길이 ㅣ1[m], 폭 ㅣ2[m]인 직사각 코일이 자속밀도 B[Wb/m2]인 평등 자계 내에 코일면의 법선이 자계의 방향과 θ각으로 놓여있다. 코일에 흐르는 전류가 I[A]이면 코일에 작용하는 회전력은 몇 [N ㆍ m]인가? (단, 코일의 권수는 n이다.)




"이다.4. 투자율이 다른 두 자성체의 경계면에서 굴절각과 입사각의 관계가 옳은 것은? (단, μ : 투자율, θ1 : 입사각, θ2 : 굴절각)




"가 옳은 정답이 된다.5. 한금속에서 전류의 흐름으로 인한 온도 구배 부분의 줄열 이외의 발열 또는 흡열에 관한 현상은?
6. 지름 10[cm]인 원형 코일 중심에서 자계가 1000[A/m]이다. 원형 코일이 100회 감겨 있을 때, 전류는 몇[A]인가?
7. 그림 (a)의 인덕턴스에 전류가 그림 (b)와 같이 흐를 때, 2초에서 6초 사이의 인덕턴스 전압 VL[V]은?
8. 정전 용량이 C인 콘덴서에서 극판 사이의 비유전율이 2인 유전체를 제거하고 공기로 채운 경우, 그 때의 용량을 C0라고 하면, C와 C0의 관계는?
9. 암페어의 주회적분 법칙은 직접적으로 다음의 어느 관계를 표시 하는가?
10. 거리 r에 반비례하는 전계의 크기를 주는 대전체는?
11. 구의 입체각은 몇 스테 라디안 [sr] 인가?
12. 기전력 V[V], 내부저항 r[Ω]인 전지에 전열기를 연결했을 때, 전열기의 발열을 최대로 낼 수 있는 최대 전력[W]은?




"가 정답입니다.13. 유전체 중의 전계의 세기를 E, 유전율을 ℇ이라 하면, 전기 변위는?

14. 쌍극자 자기 모멘트를 이용하면 자화율과 절대 온도의 관계는 어떠한가?
15. 무한히 넓은 평행판 콘덴서에서 두 평행판 사이의 간격이 d[m]일 때, 단위 면적당 두 평행판 사이의 정전용량 [F/m2]은? (단, 매질은 공기이다.)




"는 위 식에서 d가 분모에 있으므로, d가 작아질수록 정전용량이 커진다는 것을 나타낸다. 즉, 두 평행판 사이의 간격이 좁을수록 정전용량이 크다는 것을 의미한다.16. 두개의 자력선이 동일한 방향으로 흐르면 자계의 강도는 한개의 자력선에 비하여 어떻게 되는가?
17. 주파수가 100[MHz]인 전자파가 비투자율 μr=1, 비유전율 ℇr=36인 물질 속에서 전파할 경우 파장[m]은? (단, 감쇄정수 =0이다.)
18. 공기 중에 10[cm] 떨어져 평행으로 놓여진 두개의 무한히 긴 도선에 왕복전류가 흐를 때, 단위 길이 당 0.04[N]의 힘이 작용한다면 이 때 흐르는 전류는 약 몇 [A]인가?
19. 10[㎌]의 콘덴서를 100[V]로 충전한 것을 단락시켜 0.1[ms]에 방전시켰다고 하면 평균 전력은 몇[W] 인가?
20. 6.28[A]가 흐르는 무한장 직선 도선상에서 1[m] 떨어진 점의 자계의 세기[A/m]는?
2과목: 전력공학
21. 단락 전류를 제한하기 위하여 사용되는 것은?
22. 화력 발전소의 기본 사이클이다. 그 순서가 올바른 것은?
23. 송전선로에서 역섬락이 생기기 가장 쉬운 경우는?
24. 원자로에서 독작용을 올바르게 설명한 것은?
가 인체에 독성을 주는 작용을 말한다.25. 중성점 저항 접지 방식의 병행 2회선 송전선로의 지락사고 차단에 사용되는 계전기는?
26. 피뢰기의 제한전압이란?
27. 총단면적이 같은 경우 단도체와 비교해 볼 때 복도체의 이점으로 옳지 않는 것은?
28. 송전선로의 안정도 향상 대책으로 볼 수 없는 것은?
29. 적산 유량곡선상의 임의의 점에서 그은 절선의 기울기는 그 점에서 해당하는 일자에 있어서의 무엇을 표시하는가?
30. 소호 리액터의 탭이 공진점을 벗어나고 있는 정도를 나타내는데 합조도라는 용어가 사용된다 .합조도가 정(+)이 되는 상태를 나타낸 것은?




"는 탭에서 파동이 강화되는 상태를 나타내므로 합조도가 정(+)이 되는 상태이다.31. 430[mm2]의 ACSR (반지름 r=14.6mm)이 그림과 같이 배치되어 완전 연가 된 송전선로가 있다. 인덕턴스는 약 얼마[mH/㎞]정도인가? (단, 지표상의 높이는 이도의 영향을 고려한 것이다)
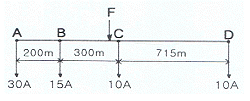
32. 전등 부하에 공급하고 있는 그림 A,D와 같은 단상 2선식 저압 배전 간선이 있다. A, B, C, D의 각 점의 부하전류 및 각 부하점의 거리는 그림에 표시한 바와 같다. 이 저압 간선 중의 한 점 F에서 공급되는 것으로 하고 FA 및 FD간의 전압강하를 동일하게 하는 F점의 위치를 구하면? (단, 리액턴스의 굵기는 AD간을 전부 같게 하고, 또 전선의 리액턴스를 무시한다.)
33. 차단기에서 "O-t1-CO-t2-CO”의 표기로 나타내는 것은? (단, O:차단 동작, t1, t2:시간 간격, C:투입 동작, CO: 투입 직후 차단)
34. 조상설비라고 볼 수 없는 것은?
35. 송전선로의 단락보호 계전방식이 아닌 것은?
36. 비접지식 송전선로에 1선 지락 고장이 생겼을 경우 지락점에 흐르는 전류는?
37. 1선당 저항 5[Ω], 리액턴스가 6[Ω]인 3상 4선식 배전선로의 말단(수전단)에 역율(지상) 0.8인 4800[kW]의 3상 평형부하가 접속되어 있을 경우 수전단 전압이 20[kV]라면 이 선로의 전압강하 [V]는 약 얼마인가?
38. 설비 용량의 합계가 3[kW]인 주택에서 최대 수요 전력이 2.1[kW]일 때의 수용률 [%]은?
39. 3상 3선식 송전선을 연가 할 경우 일반적으로 전체 선로 길이의 몇 배수로 등분해서 연가 하는가?
40. 송전선로의 코로나 발생을 방지하는 대책으로 가장 효과적인 방법은?
3과목: 전기기기
41. 2000/100 [V] 변압기의 1차 임피던스가 Z[Ω]이면 2차로 환산한 임피던스[Ω]는?
42. 변압기의 전기적 특성을 알아보는데 편리한 시험 중 회로의 정수를 구하는 방법에 필요 없는 것은?
43. 순저항 부하를 갖는 3상반파 위상제어 정류 회로에서 출력 전류가 연속이 되는 점호각 α의 범위는?
44. 직류기의 전기자 반작용을 방지하기 위한 가장 좋은 방법은?
45. 60[Hz], 6극의 권선형 유도 전동기의 2차 유기 전압이 정지시에 1000[V]라 한다. 슬립 3[%]일 때의 2차 전압은?
46. 직류기의 효율이 최대가 되는 경우는?
47. 권선형 유도 전동기의 기동법은?
48. 정격 단자전압 Vn, 무부하 단자전압 V0일 때, 동기 발전기의 전압변동률[%]은?




"이 정답인 이유는 이 공식에 따라 계산하면 됩니다. "
"은 정격 단자전압을 나타내고, "
"은 무부하 단자전압을 나타냅니다. "
"는 전압 변동률과는 관련이 없는 단위인 주파수를 나타냅니다.49. 3상 동기 발전기에서 그림과 같이 1상의 권선을 서로 똑같은 2조로 나누어서 그 1조의 권선 전압을 E[V], 각 권선의 전류를 I[A]라 하고 2중 Y형(double star)으로 결선한 경우 선간전압[V], 선전류[A], 피상전력[W]은?
50. SCR을 사용한 단상 브리지 정류 회로에 의하여 실효값 200[V]의 교류 전압을 정류 할 경우 직류 출력 전압[V]은? (단, 제어각은 30도 이다.)
51. 정류자형 주파수변환기의 설명 중 틀린 것은?
52. 3상 유도전압 조정기의 특징이 아닌 것은?
53. 동기기의 전기자 저항을 r[Ω], 반작용 리액턴스를 Xa[Ω], 누설 리액턴스를 XL[Ω]이라고 하면 동기 임피던스는 어떻게 표시되는가?




"가 정답이다.54. 다음 시험 중 변압기의 절연 내력 시험을 하기 위한것은? (A : 온도 상승 시험, B : 유도 시험, C: 가압시험, D : 단락시험, E : 충격전압시험, F : 권선저항측정시험)
55. 단상 직권 정류자 전동기의 전압 정류 개선법에 도움이 되지 않는 것은?
56. 변압기 철심의 구조가 아닌 것은?
57. 출력 3[kW], 1500[rpm]인 전동기의 토크[kg ㆍ m]는?
58. 동기 전동기의 특징이 아닌 것은?
59. 직류 분권 전동기의 단자 전압과 계자 전류를 일정하게 하고 2배의 속도로 2배의 토크를 발생하는데 필요한 전력은 처음 전력의 몇 배인가?
60. 유도 전동기의 원선도를 작성하는데 필요한 시험은?
4과목: 회로이론
61. 다음과 같은 회로에서 a, b 사이의 합성저항[Ω]은?


이다.62. 다음 회로에서 10[Ω]의 저항에 흐르는 전류[A]는?
63. 다음 회로의 양 단자에서 테브난의 정리에 의한 등가 회로로 변환할 경우 전원 전압과 저항은?
64. 교류 전압 100[V], 전류 20[A]로서 1.2[kW]의 전력을 소비하는 회로의 리액턴스 [Ω]는?
65. 전원과 부하가 모두 △결선 된 3상 평형 회로에서 전원 전압이 200[V], 부하 임피던스가 6 + j8[Ω]인 경우 선전류[A]는?
66. 단상 전력계 2개로 평형 3상 부하의 전력을 측정하였더니 각각 200[W]와 400[W]를 나타내었다면 이 때 부하역률은 약 얼마인가?
67. i=2+5sin(100t+30°) + 10sin(200t-10°)와 파형이 동일하나 기본파의 위상이 20°늦은 비정현 교류파의 순시값 i를 나타내는 식은?
68.
인 시간 함수를 라플라스 변화한 것은?




"가 된다.69. 저항 40[Ω], 임피던스 50[Ω]의 직렬 유도부하에서 100[V]가 인가될 때, 소비되는 무효전력은?
70. 다음이 설명하는 것으로 알맞은 것은?
71. 다음과 같은 회로에서 L=50[mH], R=20[kΩ]인 경우 회로의 시정수㎲는?
72. 한상의 임피던스가20+j10[Ω]인 Y결선 부하에 대칭 3상 선간전압 200[V]를 가할 때 전 소비전력 [W]은?
73. 저항 8[Ω]과 용량 리액턴스 Xc[Ω]가 직렬로 접속된 회로에 100[V], 60[hz]의 교류를 가하니 10[A]의 전류가 흐른다면 이 때 Xc[Ω]의 값은?
74. 다음과 같은 회로가 정저항 회로로 되기 위한 C의 값은? (단 R=10[Ω], L=100[mH] 이다.)
75. 어떤 교류 전압의 평균값이 382[V]일 때 실효값은 약 얼마 [V]인가?
76. 어떤 교류 전압의 기본파가 100[V]이고, 제 3고조파가 기본파의 4[%], 제 5고조파가 기본파의 3[%]이었다면 이 전압의 왜형률 [%]은?
77. 이상적인 전압원과 전류원의 내부 저항은?
78. 다음 회로에서 E=40[V]일 때 정상 전류 [A]는?
79. 스위치 S를 닫을 때의 전류 i(t) [A]는?




"입니다.80. 다음과 같은 회로에서 1[Ω] 저항 양단에 걸리는 전압은?
5과목: 전기설비기술기준 및 판단 기준
81. 사용 전압이 35[kV] 이하인 특고압 가공 전선이 건조물과 제 2차 접근 상태로 시설되는 경우에 특고압 가공 전선로는 제 몇 종 특고압 보안 공사를 하여야 하는가?
82. 다음 중 발전소의 계측 요소가 아닌것은?
83. 아크 용접장치의 용접 변압기에서 용접전극에 이르는 부분에 사용할 수 없는 전선은?
84. 고압 보안 공사에서 지지물로 A종 철근 콘크리트주를 사용 할 때, 경간은 몇[m]이하 이어야 하는가?
85. 지중 전선로에 있어서 폭발성 가스가 침입할 우려가 있는 장소에 시설하는 지중함은 크기가 몇[m3] 이상일 때 가스를 방산 시키기 위한 장치를 시설하여야 하는가?
86. 사람이 접촉할 우려가 있는 제 1종 또는 제 2종 접지 공사의 지하 75[cm]로부터 지표상 2[m]까지의 접지선은 사람의 접촉 우려가 없도록 하기 위하여 접지선은 다음 중 어느 것을 사용하여 보호하여야 하는가?
87. 다음 중 플로어 덕트 공사에 의한 저압 옥내 배선 공사에 적합하지 않은 것은?(관련 규정 개정전 문제로 여기서는 기존 정답인 4번을 누르면 정답 처리됩니다. 자세한 내용은 해설을 참고하세요.)
88. 사용 전압이 220[V]인 경우 애자 사용 공사에서 전선과 조영재 사이의 이격거리는 몇[cm] 이상이어야 하는가?
89. 애자 사용 공사에 의한 고압 옥내 배선을 시설하고자 한다. 다음 중 잘못된 내용은?
90. 다음 중 전력 보안 통신용 전화 설비를 시설하지 않아도 되는 곳은?
91. 특고압 전선로에 접속하는 배전용 변압기를 시설하는 경우에 특고압 전선에 특고압 절연전선 또는 케이블을 사용하였다면 변압기의 1차 전압은 몇 [kV]이하 이어야 하는가? (단, 발전소, 변전소, 개폐소 이외의곳)
92. 다음 중 가연성 분진에 전기설비가 발화원이 되어 폭발할 우려가 있는 곳에 시공할 수 있는 저압 옥내 배선 공사는?
93. 시가지내에 시설하는 154[kV] 가공 전선로에 지락 또는 단락이 생겼을 경우에 몇 초 안에 이를 자동적으로 전로로부터 차단하는 장치를 시설하여야 하는가?
94. 지중전선로를 직접 매설식에 의하여 시설하는 경우 매설 깊이는 차량 기타 중량물의 압력을 받을 우려가 있는 장소에서는 몇[m] 이상으로 시설하여야 하는가?(2021년 개정된 KEC 규정 적용됨)
95. 사용 전압이 저압인 전로에서 정전이 어려운 경우 등 절연 저항이 측정이 곤란한 경우에 누설 전류는 몇[mA]이하로 유지하여야 하는가?
96. 저압 가공전선으로 케이블을 사용하는 경우이다. 케이블은 조가용선에 행거로 시설하고 이 때 사용전압이 고압인 때에는 행거의 간격을 몇 [cm] 이하로 시설하여야 하는가?
97. 다음 중 전기 부식 방지를 위한 귀선의 시설방법에 대한 설명으로 옳지 않은 것은?
98. 연료 전지 및 태양전지 모듈의 절연내력 시험을 하는 경우 충전 부분과 대지 사이에 어느 정도의 시험 전압을 인가하여야 하는가? (단, 연속해서 10분간 가하여 견디는 것이어야 한다. )
99. 철탑의 강도를 계산에 사용하는 이상시 상정 하중을 계산하는데 사용되는 것은?
100. 동일 지지물에 저고압의 가공 전선을 병가 할 때, 전선간의 이격 거리는 몇[cm]이상 이어야 하는가?