1과목: 전기전자공학
1. 수정진동자의 직렬공진주파수를 fo, 병렬공진주파수를 fs라 할때 수정진동자가 안정된 발진을 하기 위한 리맥턴스 성분의 주파수 f의 범위는?
2. 10Ω 저항 10개를 사용하여 얻을수 있는 가장 큰 합성저항값은?
3. 다음중 디지털 변조에 속하지 않는것은?
4. 펄스 변조중 정보 신호에 따라 펄스의 유무를 변화시키는 방식은?
5. 다음 회로에서 베이스전류 IB는?(단 VCC=6V, VBE=0.6V, RC=2KΩ, RB=100KΩ 이다. )
6. Y 결선의 전원에서 각 상의 전압이 100V 일때 선간전압은?
7. 다음중 맥동률이 가장 작은 정류방식은?
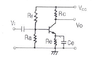
8. 다음 그림은 어떤 종류의 바이어스 회로인가?

9. 비오-사바르의 법칙은 어떤 관계를 나타내는 법칙인가?
10. 10V의 전압이 100V로 증폭되었다면 증폭도는?
2과목: 전자계산기구조
11. 제한된 영역내에 데이터를 어느 한쪽에서는 입력만 시키고, 그 반대쪽에서는 출력만 수행함으로써 가장 먼저 입력된 데이터가 가장먼저 출력되는 선입선출형식의 구조는?
12. 다음과 같은 회로도는?
13. 컴퓨터에서 연산을 수행하기 위한 수치를 표현하는 방법중 부호,지수 및 가수로 구성되는것은?
14. 정보의 송수신이 동시에 가능한 방식은?
15. 3초과 코드는 신호가 없을때 구별하기 쉽게 하기 위해 사용하는데 3초과 코드에서 존재하지 않는 값은?
16. CPU가 어떤 작업을 수행하고 있는 중에 외부로 부터의 긴급 서비스 요청이 있으면 그 작업을 잠시 중단하고 요구된 일을 먼저 처리한 후에 다시 원래의 작업을 수행하는 것은?
17. 레지스터의 일종으로 산술연산이나 논리연산의 결과를 일시적으로 기억시키는 장치는?
18. 다음 설명에 해당하는 것은?
19. 문자 자료의 표현방법에 해당하지 않는것은?
20. 입출력 장치의 역할로 가장 적합한 것은?
21. 다음중 출력 장치로만 묶어 놓은 것은?
22. 위성통신의 장점에 속하지 않는것은?
23. 프로그램 카운터의 명령어가 지시한 명령의 오퍼랜드가 기억된 주소를 표시하는 주소지정 방식은?
24. 2진수 1001과 0011을 더하면 그 결과는 2진수로 얼마인가?
25. 명령어를 해독하기 위해서 주기억장치로부터 제어장치로 해독할 명령을 꺼내오는 것은?
26. 중앙처리장치의 간섭을 받지 않고 기억장치에 접근하여 입출력 동작을 제어하는 방식은?
27. 주소 부분이 없기 때문에 스택을 이용하여 연산을 수행하는 명령어는?
28. 10진수 (682)10을 8진수로 변환하면?
29. 다음중 게이트당 소모전력(mW)이 가장 적은 IC는?
30. 다음 코드중 데이터 통신용으로 널리 사용되며 소형 컴퓨터에서 채택하고 있는것은?
3과목: 프로그래밍일반
31. 운영체제의 페이지 교체 알고리즘 중 최근에 사용하지 않은 페이지를 교체하는 기법으로서 최근의 사용여부를 확인하기 위해서 각 페이지마다 2개의 비트가 사용되는것은?
32. 명령 단위로 차례로 번역하여 즉시 실행하는 방식의 언어번역 프로그램은?
33. 구조적 프로그래밍의 설명으로 틀린것은?
34. 다음의 소프트웨어 개발 과정중 가장 먼저 수행되는 단계는?
35. 운영체제의 역할과 거리가 먼것은?
36. 프로그래밍 언어의 구문 요소중 프로그램의 이해를 돕기 위해 설명을 적어두는 부분으로 프로그램의 실행과는 관계가 없고 프로그램의 판독성을 향상시키는 요소는?
37. 프로그래밍 언어가 갖추어야할 요건과 거리가 먼것은?
38. 고급 언어의 특징 설명으로 틀린것은?
39. C언어에서 사용되는 자료형이 아닌것은?
40. 프로그래밍 언어의 수행순서는?
4과목: 디지털공학
41. 다음 그림과 같은 동기적 RS 플립플롭회로에 S=1,R=0,C=1의 입력일때 출력
와
의 값은?




"이다.42. 클록 펄스의 갯수나 시간에 따라 반복적으로 일어나는 행위를 세는 장치로서 여러개의 플립플롭으로 구성되는 것은?
43. 디지털 신호를 아날로그 신호로 바꾸는 것은?
44. 2진수 1111의 2의 보수는?
45. 불대수식 AB+ABC를 간소화 하면?
46. 10진수 3을 Gray Code 4bit로 바르게 변환한것은?
47. 불 대수의 공식으로 옳지 않은것은?
48. 하나의 공통된 시간 펄스에 의해 플립플롭들이 트리거 되어 모든 플립플롭 상태가 동시에 변화하는 계수 회로의 명칭은?
49. BCD 코드에 의한 수 0100 0101 0010을 10진수로 나타내면?
50. 반감산기 회로에서 차를 구하기 위해 사용되는 게이트는?
51. 카운터와 같이 플립플롭을 사용하는 디지털 회로를 무엇이라 하는가?
52. 다음 진리표에 해당하는 논리회로는?
53. 플립플롭 회로가 불확정한 상태가 되지 않도록 반전기(NOT gate)를 설치한 회로는?
54. 2진 정보의 저장과 클럭펄스를 가해 좌우로 한 비트씩 이동하여 2진수의 곱셈이나 나눗셈을 연산하는 장치에 이용되는 것은?
55. 일반적 디지털 시스템에서 음수 표현 방식이 아닌것은?
56. 가장 간단한 레지스터 회로는 외부 게이트가 전혀 없이 어떤 회로로 구성되어 지는가?
57. T 플립플롭 회로 두개가 직렬로 연결되어 있을 경우 500Hz의 사각형파를 입력시킬 경우 마지막 출력 되는 주파수는?
58. 플립플롭이 n개일때 카운터가 셀 수 있는 최대의 수 N은?
59. 디지털 장치에서 데이터 선이 4개라면 최대 몇 가지 상태로 기호화 할 수 있는가?
60. 다음 논리회로 기호에서 입력 A=1, B=0 일때 출력 Y의 값은?