1과목: 전기전자공학
1. 발진기는 부하의 변동으로 인하여 주파수가 변하게 되는데 이것을 방지하기 위하여 발진기와 부하 사이에 넣는 회로는?
2. 데이터 전송에 있어 시간 지연을 만드는 플립플롭은?
3. 저항 25Ω, 리액턴스 7Ω의 부하에 100V를 가할 때 전류의 유효분은 몇 A인가?
4. AM 변조에서 변조도가 100%보다 적어지면 적어질수록 반송파가 점유하는 전력은?(단, 피변조파의 전력은 일정할 때의 경우임)
5. 저주파 발진기의 출력 파형을 정현파에 가깝게 하기 위해 일반적으로 사용하는 회로는?
6. 전원주파수가 60Hz인 정류회로에서 출력에 120Hz인 리플 주파수를 나타내는 정류회로방식은?
7. B급 푸시풀 증폭기에서 트랜지스터의 부정합에 의한 찌그러짐을 무엇이라 부르는가?
8. 0.2V의 교류입력이 20V로 증폭되었다면 증폭이득은 몇 dB인가?
9. 다음 증폭회로중 100% 궤환하는 것은?
10. 그림과 같은 회로의 명칭은?
2과목: 전자계산기구조
11. 10진수 85를 BCD코드로 변환하면?
12. 입력장치의 종류가 아닌것은?
13. 컴퓨터의 ALU의 입력에 접속된 레지스터로 연산에 필요한 데이터와 연산결과를 저장하는 레지스터는?
14. 명령의 오퍼랜드 부분의 주소값과 프로그램 카운터의 값이 더해져 실제 데이터가 저장된 기억장소의 주소를 나타내는 주소지정방식은?
15. 소프트웨어(Software)에 의한 우선순위(Priority) 체제에 관한 설명 중 옳지 않은 것은?
16. 두 개의 통신 회선을 사용하여 접속된 두 장치 사이에서 동시에 양방향으로 데이터를 전송하는 통신 방식은?
17. 8진수 62를 2진수로 변환하면?
18. 컴퓨터 내부에서 정보(자료)를 처리할 때 사용되는 부호는?
19. AND 연산에서 레지스터 내의 어느 비트 또는 문자를 지울 것인지 결정하는 데이터는?
20. 다음 중 시스템 프로그램에 속하지 않는 것은?
21. 하나의 채널이 고속 입출력 장치를 하나씩 순차적으로 관리하며, 블록 단위로 전송하는 채널은?
22. 패리티 규칙으로 코드의 내용을 검사하여 잘못된 비트를 찾아서 수정할 수 있는 코드는?
23. 다음에 수행 될 명령어의 주소를 나타내는 것은?
24. 2 진수 데이터 1100 1010과 1001 1001을 AND 연산한 경우 결과값은?
25. 다음 중 전가산기는 어떠한 회로로 구성되는가?
26. 주소의 개념이 거의 사용되지 않는 보조기억장치로서 순서에 의해서만 접근하는 기억장치(SASD)라고도 하는 것은?
27. 입출력 장치의 동작 속도와 컴퓨터 내부의 동작 속도를 맞추는데 사용되는 레지스터는?
28. 다음 논리 함수를 간소화 한 것은?
29. 기억된 프로그램의 명령을 하나씩 읽고 해독하여 각 장치에 필요한 지시를 하는 기능은?
30. 컴퓨터에서 주기억 장치에 기억된 명령어를 제어장치로 꺼내오는 과정은?
3과목: 프로그래밍일반
31. 프로그램에서 사용되는 기억장소를 의미하며 프로그램 실행중에 그 값이 변할 수 있는 것은?
32. 기계어에 대한 설명과 거리가 먼것은?
33. 구조화 프로그래밍의 기본 제어 구조가 아닌 것은?
34. 예약어에 대한 설명으로 옳지 않은 것은?
35. 구문 분석기가 올바른 문장에 대해 그 문장의 구조를 트리로 표현한 것으로 루트, 중간, 단말 노드로 구성되는 트리를 무엇이라고 하는가?
36. C 언어에서 나머지를 구할 때 사용하는 산술 연산자는?
37. 다음 운영체제 스케줄링 정책 중 가장 바람직 한 것은?
38. 순서도에 대한 설명으로 거리가 먼 것은?
39. 운영체제에 대한 설명으로 옳지 않은 것은?
40. 하나의 시스템을 여러명의 사용자가 시간을 분할하여 동시에 작업할 수 있도록 하는 방식은?
4과목: 디지털공학
41. 다음과 같은 진리표를 갖는 논리회로는?
42. 시프트 레지스터의 출력을 입력 쪽에 되먹임 시킨 계수기는?
43. 다음 그림에서 출력 F가 0 이 되기 위한 조건은?
44. 다음의 논리회로가 수행하는 기능으로 올바른 것은?
45. 다음 설명에 해당하는 것은?
46. J-K 플립플롭에서 입력 J=K=1 인 상태의 출력은?
47. 다음 논리식 중 드모르간의 정리를 나타낸 것은?




"입니다.
"는 원래 논리식 "
"의 부정 기호를 바꾸고 AND와 OR을 바꾼 것입니다.48. 논리식에서 최소항의 개수를 16개 만들기 위한 변수의 개수는?
49. 정상적인 경우 8 × 1 멀티플렉서는 몇 개의 선택선을 가지는가?
50. 8 Bit로 2의 보수 표현 방법에 의해 10과 -10을 나타내면?
51. 플립플롭에 대한 다음 설명 중 ( )안에 알맞은것은?
52. 입력 펄스의 적용에 따라 미리 정해진 상태의 순차를 밟아가는 순차 회로는?
53. 다음 중 가장 큰 수는?
54. 다음 그림과 같은 논리도의 명칭은?
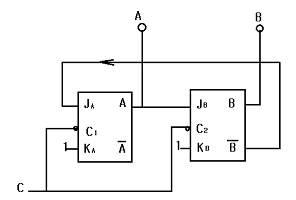
55. 2진수 코드를 10진수로 변환 하는것은?
56. 기억 장치에 접근하는 순서가 하나의 모듈에서 차례대로 수행되지 않고 여러 모듈에 번지를 분배하는 기억장치를 무엇이라 하는가?
57. 클록 펄스가 들어올 때 마다 플립플롭의 상태가 반전되는 회로는?
58. 비동기형 리플 카운터에 대한 설명으로 거리가 먼것은?
59. 논리식
를 최소화 하면?
60. 다음 그림과 같은 회로의 명칭은?