1과목: 승강기개론
1. 정격속도 90m/min 인 엘리베이터가 과속될 때 조속기의 과속스위치는 몇 m/min 이하에서 작동되어야 하는가?(오류 신고가 접수된 문제입니다. 반드시 정답과 해설을 확인하시기 바랍니다.)
2. 와이어로프의 꼬는 방법에는 보통꼬임과 랭꼬임이 있다. 다음 설명 중 보통꼬임에 해당하는 것은?
3. 다음 중 도어 시스템(door system)의 종류가 아닌 것은?
4. 에스컬레이터 디딤판의 속도는 일반적으로 몇 m/min 이하로 하여야 하는가?(관련 규정 개정전 문제로 기존 정답은 3번입니다. 여기서는 3번을 누르면 정답 처리 됩니다. 자세한 내용은 해설을 참고하세요.)
5. 다음 중 에스컬레이터의 종류를 수송 능력별로 구분한 형태로 옳은 것은?
6. 유압엘리베이터에 가장 널리 사용되는 펌프는?
7. 엘리베이터의 운행 속도를 검출하는 안전장치는?
8. 권동식 엘리베이터에 있어서 주로프의 최소 가닥수는?
9. 스프링 완충기는 엘리베이터의 정격속도가 몇 m/min 인 경우에 사용하는가?
10. 도어 인터록의 설명으로 옳지 않은 것은?
11. 다음 중 F.G.C(Flexible Guide Clamp)형 비상정지장치의 정지력과 거리의 관계를 나타내는 것으로 알맞은 것은? (단, 가로축 : 거리, 세로축 : 정지력이다)




12. 다음 중 비상정지장치 작동으로 정지된 엘리베이터의 카바닥의 수평도로 알맞은 것은?
13. 엘리베이터 도어의 보호장치 중에서 접촉식 보호장치에 해당하는 것은?
14. 그림과 같은 유압엘리베이터의 형식은?
15. 다음 중 카 꼭대기 틈새(Top clearance) 와 피트(Pit) 깊이를 결정하는 요소는?
2과목: 안전관리
16. 엘리베이터의 조작방식 중 3~8대의 엘리베이터가 병설될 때 엘리베이터 운영의 전체서비스 효율을 높일 수 있는 방식은?
17. 승강장의 문이 열린상태에서 모든 제약이 해제되면 자동적으로 닫히게 하여 문의 개방상태에서 생기는 2차 재해를 방지하는 문의 안전장치는?
18. 카 내부의 적재하중을 감지하여 적재하중을 초과하면 경보를 울리고 출입문의 닫힘을 자동적으로 제지하는 장치는?
19. 승강기 보수자가 승강기 카와 건물벽의 사이에 끼었다. 이 상해의 발생 형태는?
20. 다음 중 승강기의 정기적인 자체점검 주기로 알맞은 것은?
21. 승강기의 방호장치에 해당되지 않는 것은?
22. 추락에 의하여 근로자에게 위험이 미칠 우려가 있을 때 비계를 조립하는 등의 방법에 의하여 작업발판을 설치하도록 되어 있다. 높이가 몇 m 이상인 장소에서 작업을 하는 경우에 설치하는가?
23. 원동기, 회전축 등에 위험방지장치를 설치하도록 규정하고 있다. 설치방법에 대한 설명으로 옳지 않은 것은?
24. 승강기 운전자가 준수하여야 할 사항이 아닌 것은?
25. 다음 중 안전 ㆍ 보건표지의 색채 ㆍ 색도기준 및 용도가 옳지 않은 것은?
26. 승강기 시설을 점검하여 다음과 같은 조치를 취하였다. 다음 중 가장 적절한 조치사항은?
27. 안전관리상 안전모를 착용하는 목적이 아닌 것은?
28. 다음 중 와이어 로프 안전율의 산출공식으로 옳은 것은? (단, F : 안전율, S : 로프 1가닥에 대한 제작사 정격 파단강도, N : 부하를 받는 와이어 로프의 가닥수, W : 카와 정격하중을 승강로 안의 어떤 위치에 두고 모든 카 로프에 걸리는 최대정지부하 임)




29. 시브홈은 크게 3가지 종류로 구분된다. 다음 중 해당되지 않는 것은?
30. 유압식 엘리베이터에 설치하여야 하는 안전장치에 관한 설명으로 옳지 않은 것은?
3과목: 승강기보수
31. 엘리베이터의 전동기나 MG세트의 보수점검사항이 아닌 것은?
32. 가이드 레일의 보수점검 사항 중 옳지 않은 것은?
33. 다음 중 로프식 엘리베이터의 도르래 직경으로 옳은 것은?
34. 엘리베이터를 카위에서 검사할 때 주로프를 걸어 맨 고정 부위는 2중너트로 견고하게 조여 있어야 하고 풀림방지를 위하여 무엇이 꽂혀 있어야 하는가?
35. 버니어캘리퍼스를 사용하여 와이어 로프의 직경 측정방법으로 알맞은 것은?




36. 전압이 150V 이하인 엘리베이터 제어반의 신호회로, 조명회로의 절연저항을 측정하였다. 다음 중 판정기준에 적합한 것은?
37. 리미트스위치의 접점
의 명칭은?
38. 유입 완충기에서 플런저를 완전히 압축한 상태에서 완전 복귀할 때까지의 요하는 시간은 몇 초 이하로 하는가?(2007년 시험당시 정답은 90 이지만 2009년 관련 규정이 개정되어 120입니다. 여기서는 개정된 내용을 답으로 인정합니다. 자세한 내용은 해설을 참조하세요.)
39. 피트에서 하는 검사가 아닌 것은?
40. 카가 가이드 레일에서 벗어나지 않도록 안내 역할을 하는 것은?
41. 유압식 엘리베이터에서 바닥맞춤보정장치는 몇 mm 이내에서 작동상태가 양호하여야 하는가?
42. 벨트방식 수평보행기의 경우 내리는 부분의 천이구간(경사부에서 수평부로 변하는 구간)의 곡률 반경은 몇 m 이상으로 하여야 하는가? (단, 팰릿타입이 아닌 경우이다)
43. 엘리베이터의 가이드 레일의 역할이 아닌 것은?
44. 로프식 엘리베이터의 권상 도르래(Main Sheave)와 로프의 미끄러짐 관계를 설명한 것 중 옳지 않은 것은?
45. 스프링완충기를 사용한 경우 카가 최상층에 수평으로 정지 되어 있을 때 균형추와 완충기와의 최대거리는?
4과목: 기계,전기기초이론
46. 유압장치의 보수 점검 및 수리 등을 할 때 사용되는 장치로서 이것을 닫으면 실린더의 기름이 파워 유니트로 역류하는 것을 방지하는 장치는?
47. 다음 중 절연저항을 측정하는 계기는?
48. 엘리베이터에 가장 많이 사용되는 3상 유도전동기의 전력 공급에 대한 그림에서 전동기의 회전방향을 현재의 반대 방향으로 하고자 할 때, 옳은 방법은?
49. 다음 중 마이크로미터를 이용하여 측정 가능한 것은?
50. 하중이 작용하는 방법을 상태에 따라 분류한 것이 아닌 것은?
51. 잇수가 60개, 피치원의 지름이 180mm 일 때 모듈은 몇 mm 인가?
52. 링크장치에서 고정절의 둘레를 회전운동하는 링크는?
53. 다음 중 기어의 특성과 거리가 먼 것은?
54. 두 개의 동일한 저항을 병렬로 연결하였을 때의 합성 저항은?
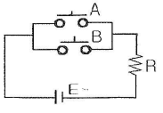
55. 자극의 세기 10Wb, 길이 20cm인 막대자석의 자기모먼트는 몇 Wb ㆍ m 인가?
56. 플레밍의 왼손법칙에서 엄지손가락의 방향은 무엇을 나타내는가?
57. 60 μA 는 mA 에 해당 하는가?
58. 다음 회로와 원리가 같은 논리기호는?




59. 다음 그림에서 스위치를 닫고, 열 때 전류계 눈금의 현상은?
60. 나사의 호칭이 M 10 일 때, 다음 설명 중 옳은 것은?
조속기는 엘리베이터가 과속될 때 속도를 감속시켜 정격속도 이하로 유지시키는 역할을 합니다. 따라서 과속스위치가 작동하는 속도는 조속기가 엘리베이터의 속도를 감속시키기 시작하는 속도와 같습니다.
조속기의 감속비가 2:1 이라고 가정하면, 엘리베이터가 과속될 때 조속기는 속도를 절반으로 감속시키므로, 과속스위치가 작동하는 속도는 90m/min / 2 = 45m/min 입니다.
하지만 이 문제에서는 과속스위치가 작동하는 속도를 m/min 으로 구해야 하므로, 45m/min 에 60을 곱해 2700mm/min 으로 변환합니다.
그러나 이 문제에서는 보기가 모두 mm/min 으로 주어졌으므로, 2700mm/min 에서 23% 정도 감소한 값인 2079mm/min 이 과속스위치가 작동하는 속도가 됩니다. 이 값은 보기 중에서 유일하게 117에 가깝기 때문에 정답은 117입니다.