1과목: 전자회로
1. 다음 회로에서 R1 = 1[kΩ], R2 = 100[kΩ], R3 = 1[kΩ], R4 = 100[kΩ], V1 = 8.5[V], V2 = 8[V]일 때, V0는 몇 [V] 인가?
2. α 차단 주파수가 50[MHz]인 트랜지스터의 C-E 때의 β 차단 주파수는 약 몇 [MHz] 인가? (단, β = 50 이다.)
3. 중심 주파수가 15[kHz]이고, 대역폭이 1[kHz]인 대역 통과 필터의 Q 값은?
4. 다음 그림의 회로 명칭은?
5. 다음 중 전력 증폭기의 설명으로 옳은 것은?
6. 이상적인 차동 증폭기의 동상 제거율(common mode rejection ratio)은?
7. 트랜지스터의 정특성에서 VCE = 7.5[V]일 때 IB를 100[μA]에서 250[μV]까지 변화시키니 VBE가 0.2[V]에서 0.3[V]로 되었다면 이 트랜지스터의 hie는 약 얼마인가?
8. 시미트 트리거(schmitt trigger) 회로에 대한 설명 중 옳지 않은 것은?
9. 다음 중 직렬 전압 궤환의 특징이 아닌 것은?
10. 차동증폭회로에서 차동이득 Ad = 10 이고, 동상이득 Ac = 0.01 이면 동상신호제거비(CMRR)는 몇 [dB] 인가?
11. 듀티 사이클(duty cycle)이 0.1이고 펄스폭이 0.4[μs]인 펄스의 주기는?
12. 그림과 같은 회로의 명칭은?
13. 다음 중 정류회로의 효율을 올바르게 나타낸 것은?




"이 정답이다. 이유는 정류회로의 효율은 출력전력/입력전력으로 계산되며, 출력전력이 클수록 효율이 높아지기 때문이다. 따라서 출력전력이 80W인 경우가 가장 효율적인 경우이다.14. 전압 이득이 80[dB]인 증폭기에 궤환율이 0.01인 부궤환을 걸었을 때 증폭기의 이득은 약 얼마인가
15. 회로에서 입력 단자와 출력 단자가 도통되는 상태는?
16. 전력 증폭기의 직류 공급 전력은 10[V], 400[mA]이고, 부하에서의 출력 전력은 3.6[W]일 때 이 증폭기의 효율은?
17. RC 결합 증폭기에서 저주파 특성을 제한하는 요소가 되는 것은?
18. 트랜지스터의 이미터 접지와 베이스 접지와의 관계 중 이미터 순방향 전류 이득을 hfe , 베이스 순방향 전류 이득을 hfb 라고 할 때 옳은 관계는?




"가 옳은 관계입니다.19. 다음 Bias 회로 중 안정계수 S가 가장 큰 Bias 회로는? (단, 모든 회로(기본회로) 조건은 동일하다.)
20. 궤환 발진기에서 바크하우젠(Barkhausen)의 발진 조건을 표시한 것으로 옳은 것은?
2과목: 전기자기학 및 회로이론
21. 매초마다 S 면을 통과하는 전자에너지를 W = ∫ㆍPnㆍdS [W]로 표시하는데 이 중 틀린 설명은?
22. 1[m]의 간격을 가진 선간전압 66,000[V]인 2개의 평행 왕복 도선에 10[kA]의 전류가 흐를 때, 도선 1[m]마다에 작용하는 힘의 크기는 몇 [N/m] 인가?
23. 공기 중에서 반지름 a9m0, 도선의 중심축간 거리 d[m]인 평행 도선간의 정전용량은 몇 [F/m] 인가?(단, d≫a 이다.)




"이다.24. 유전율 εo인 진공내를 전자파가 전파할 때 진공 중의 투자율은 약 몇 [H/m] 인가?
25. 압전기 현상에서 응력과 분극이 동일 방향으로 발생하는 경우를 무슨 효과라 하는가?
26. 원점 주위의 전류밀도가
의 분포를 가질 때 반지름 5[cm]의 구면을 지나는 전 전류는 몇 [A]인가?
27. 비유전율 10인 기름속에 10-3C의 전하가 각각 놓여있다. 두 전하간에 0.92[kg]의 힘이 작용할 때, 두 전하는 몇 [m] 떨어져 있는가?
28. 히스테리시스손은 최대 자속밀도의 몇 승에 비례하는가?
29. 자유공간에서 정전계의 기본 법칙 중 틀린 것은?
30. 평등 자계 내에 자계와 수직방향으로 일정 속도의 전자를 입사시킬 때 전자의 궤적은?
31. 10[μF]의 콘덴서에 100[V], 60[Hz]의 교류 전압을 인가할 때의 전류는 약 몇 [A] 인가?
32. 100[mH]인 코일에 100[V], 60[Hz]의 교류전압을 인가했을 때 코일의 유도성 리액턴스의 값은?
33. 저항과 캐피시턴스 직렬회로의 시정수는?
34. 그림과 같은 시간 함수를 라플라스 변환하면?
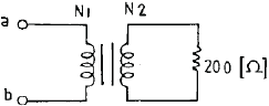
35. 단위 길이당 임피던스 및 어드미턴스가 각각 Z 및 Y인 전파 정수 r 를 표시한 것은?


36. 10[μH]의 인덕터와 40[pF]의 캐피시터가 동조시키는 주파수는 약 얼마인가?
37. 이상 변압기의 권선비가 N1 : N2 = 1 : 2일 때 a, b 단자에서 본 임피던스는?
38. 어떤 회로에서 인가 전압이 100[V]일 때 유효전력이 300[W], 무효전력이 400[Var]이라면 전류[A]는?
39. 다음과 같은 회로에서, 임피던스 파라미터의 개방 순방향 전달 임피던스는?
3과목: 전자계산기일반
41. 다음 논리 연산 중 이항(binary) 연산에 해당되는 것은?
42. 중앙처리장치의 하드웨어 요소를 기능별로 나누었을 때 해당되지 않는 것은?
43. 서로 다른 변수가 같은 기억 장소를 가질 때 생기는 착오 현상을 무엇이라고 하는가?
44. C 언어에서 산술 연산자로 사용되는 기호는?
45. 채널로부터 주 기억장치로 데이터 전송 요구가 일어났을 때에만 채널이 버스의 사용권을 일시적으로 중앙처리 장치로부터 빼앗는 전송 방식은?
46. 전자계산기에서 다음에 시행할 명령문의 어드레스를 기억하고 있는 것은?
47. 주소(address) 지정방식이 아닌 것은?
48. 7K word memory의 실제 word 수는?
49. 다음 덧셈 명령 가운데 2 주소(address) 명령 형식에 해당하는 것은?
50. 10진수 8을 Excess-3 code로 표시하면?
51. 스택(Stack)에서 데이터의 입ㆍ출력 처리 방법은?
52. 코딩을 하면 바로 프로그램이 작성될 수 있을 정도로 가장 세밀하게 그려진 순서도는?
53. 순차 액세스(sequential access) 방식을 사용하는 보조기억장치는?
54. STACK에 대하여 올바르게 설명한 것은?
55. 마이크로프로세서가 기억장치 및 입ㆍ출력기기와 연결을 위해 가져야 할 것이 아닌 것은?
56. 다음 중 문자를 삽입할 때 필요한 연산은?
57. 마이크로컴퓨터에서 입ㆍ출력 인터페이스가 사용되지 않는 것은?
58. A = 0101 1001, B = 0110 1011 일 때 A와 B의 논리 AND 연산결과는?
59. 어떤 시스템에서 데이터의 전송 속도가 200[bps]라고 할 때 이 시스템에 10초간 전송하는 데이터는 모두 몇 [bit] 인가?
60. 입ㆍ출력 장치에서 자료처리 방법에 해당되지 않는 것은?
4과목: 전자계측
61. 역률이 0.001 인 콘덴서의 Q는 얼마인가?
62. 다음 중 지시계기의 구비 조건으로 옳지 않은 것은?
63. 스위프주파수 발생기의 기본 블록도에서 □ 안의 발진기는?
64. 다음 중 잡음지수 F는? (단, Si : 입력신호, Ni : 입력잡음, So : 출력신호, No : 출력잡음)
65. 전자회로의 주파수 특징을 시험하는데 관계없는 것은?
66. 지시 각을 θ 라 하면 스프링 제어장치의 토크는?
에 비례한다.67. 다음 중 싱크로스코프로 직접 측정할 수 없는 것은?
68. 다음 중 C-M형 전력계로 측정되는 것은?
69. 다음 기록계 중 영위법(zero method)에 해당되는 것은?
70. 어떤 전원 장치의 무부하시 전압이 220[V]였는데 정격 부하의 전압이 180[V]가 되었다. 이때의 전압 변동률은 약 얼마인가?
71. 불규칙한 비주기성 파형 또는 한 번 밖에 일어나지 않는 현상의 파형 측정에 적당한 계기는?
72. 칼로리 미터법에 의해 고주파 전력을 측정하는 식으로 옳은 것은? (단, 인입구 온도 T1[℃], 출구의 온도 T2[℃], 냉각수의 유량을 Q[cc/min]라 할 때)
73. 다음 중 오실로스코프로 측정 불가능한 것은?
74. 교류, 직류 어느 것에 사용하여도 동일한 지시치를 주며, 정밀급으로서 가장 중요한 계기는?
75. 계기정수 2400[Rev/kWh]의 적산전력계가 30초에 15 회전했을 때의 전력[W]은?
76. 오차에 대한 설명으로 옳지 않은 것은?
77. 정전 용량이나 유전체 손실각을 측정하는 브리지는?
78. 소인 발진기를 사용할 때 병행하는 계기는?
79. 그림과 같은 교류 브리지가 평형되었을 때 L의 값은?
80. 1[Ω] 이하의 저저항 측정에 사용되는 브리지는?

